CAN CONNECT CANHBLR1 Hi-Beam CAN-Bus Interface

PRODUCT INFORMATION
The Hi-Beam Interface is a CAN-Bus interface that provides two active low level outputs. When used alongside an automotive relay, you’re able to add additional high-current light sources, and/or any other accessory, that you wish to control via the vehicles high beam controls . The data is decoded from the vehicles CAN Bus and used to switch power to the connected accessory.
The Hi-Beam provides 3 output options; a constant output, a variable output, and a ‘follow me home’ mode triggered by successive high beam flashes. The plug-and-play nature of this product provides easy installation, making it an ideal solution for vehicles requiring additional lighting for working at night.
PRODUCT APPLICATION
- Land Rover Discovery (LR3/LR4) 2004 – 2016
- Land Rover Range Rover Sport (L320) 2005 – 2013
PRIOR TO INSTALLATION
Read the manual prior to installation. Technical knowledge is necessary for installation.
Please ensure you use the correct tools to avoid damage to the vehicle or product. Connects2 can not be held responsible for the installation of this product.
INSTALLATION
- Begin by locating the OBD port of the vehicle. On this model, it should be located to the right, underneath the steering wheel column.
- Connect the 12-pin molex connector to the Hi-Beam interface.
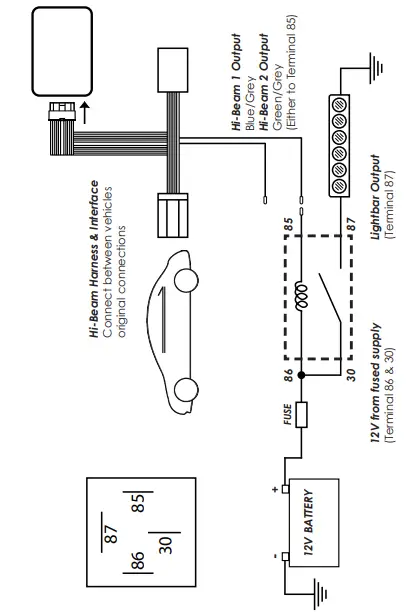
- Attach either the Hi-Beam 1/ Hi-Beam 2 output to the additional accessory (via automotive relay) dependent on the desired function (see ‘Functionality’).
- Connect the female connector of the Hi-Beam harness to the OBD port.
- Turn the ignition on and test the functionality of the Hi-Beam interface with the additional accessory.
- When successfully tested, this will complete the installation process.
CONNECTOR PROFILE
- Connection of Hi-Beam interface is to be made to the front of the vehicles OBD port.

FUNCTIONALITY
Hi-Beam 1 Output:
- With ignition on & engine running: this output follows the state of the high beam CAN signal. So if the high beam is on, this output will be on.
Hi-Beam 2 Output:
- With ignition on & engine running, this output toggles each time the high beam is flashed. So after the first flash, this output will turn on and stay on, after the second flash, the output will turn off.
Hi-Beam 1&2 Output:
- With ignition on & engine not running, the output becomes ‘follow me home’ with various durations. The time countdown is initiated once ignition is turned off (see “Programming for ‘Follow Me Home”).
PROGRAMMING FOR ‘FOLLOW ME HOME’
The duration of the ‘follow me home’ function is determined by the number of ‘high beam’ flashes within 30 seconds of turning the engine off but still having the ignition remain on. After 30 seconds, the interface no longer samples the high beam status to adjust the ‘follow me home’ timer.
Flashes must be no more than 1.5 seconds apart; again, any longer and the count is disabled.
- 1 flash = 30 seconds
- 2 flashes = 60 seconds
- 3 flashes = 120 seconds
- 4 flashes(max) = 300 seconds
With the required amount of flashes initiated, turn the ignition off and remove key. The additional accessory will now remain active for the above timeframe.
If the additional accessory fails to function after vehicle is turned off, turn the engine back on and repeat the process ensuring you stay within the required time limits.
WIRING DIAGRAM

TECHNICAL SUPPORT
Connects2 Ltd. want to provide a fast and suitable resolution to any problems encountered during installation of this product.
To get in touch with our dedicated technical support team, please fill in a ticket at support.connects2.com and provide as much information as possible.
CAN-Connect is the leading CAN-Bus integration solutions for the automotive industry.
DISCLAIMER
The information provided in this document is subject to change without notice due to manufacturer changes and/or improvements to the product/s. This instruction manual is based on documented data and research. The manufacturer of this product cannot be held responsible for any changes made to the vehicle by the manufacturer or damages that may occur through the installation of this product in accordance with the steps outlined herein.
Technical Support?
for technical support please use our dedicated system support.connects2.com
Connects2.com





















