Dual Mic Line & Instrument Pre-Amplifier
User Manual
DRAWMER
Dual Mic, Line & Instrument Pre-Amplifier
OPERATOR’S MANUAL
Drawmer 1972 Dual Mic Line & Instrument Pre-Amplifier
COPYRIGHT
This manual is copyrighted © 2022 by Drawmer Electronics Ltd. With all rights reserved. Under copyright laws, no part of this publication may be reproduced, transmitted, stored in a retrieval system or translated into any language in any form by any means, mechanical, optical, electronic, recording, or otherwise, without the written permission of Drawmer Electronics Ltd.
ONE YEAR LIMITED WARRANTY
Drawmer Electronics Ltd., warrants the Drawmer 1972 Dual Mic/Line/Instrument Pre-Amplifier to conform substantially to the specifications of this manual for a period of one year from the original date of purchase when used in accordance with the specifications detailed in this manual. In the case of a valid warranty claim, your sole and exclusive remedy and Drawmer’s entire liability under any theory of liability will be to, at Drawmer’s discretion, repair or replace the product without charge, or, if not possible, to refund the purchase price to you. This warranty is not transferable. It applies only to the original purchaser of the product.
For warranty service please call your local Drawmer dealer. Alternatively call Drawmer Electronics Ltd. at +44 (0)1709 527574. Then ship the defective product, with transportation and insurance charges prepaid, to Drawmer Electronics Ltd., Coleman Street, Parkgate, Rotherham, S62 6EL UK. Write the RA number in large letters in a prominent position on the shipping box. Enclose your name, address, telephone number, copy of the original sales invoice and a detailed description of the problem. Drawmer will not accept responsibility for loss or damage during transit.
This warranty is void if the product has been damaged by misuse, modification or unauthorised repair.
THIS WARRANTY IS IN LIEU OF ALL WARRANTIES, WHETHER ORAL OR WRITTEN, EXPRESSED, IMPLIED OR STATUTORY. DRAWMER MAKES NO OTHER WARRANTY EITHER EXPRESS OR IMPLIED, INCLUDING, WITHOUT LIMITATION, ANY IMPLIED WARRANTIES OF MERCHANTABILITY, FITNESS FOR A PARTICULAR PURPOSE, OR NON-INFRINGEMENT. PURCHASER’S SOLE AND EXCLUSIVE REMEDY UNDER THIS WARRANTY SHALL BE REPAIR OR REPLACEMENT AS SPECIFIED HEREIN.
IN NO EVENT WILL DRAWMER ELECTRONICS LTD. BE LIABLE FOR ANY DIRECT, INDIRECT, SPECIAL, INCIDENTAL OR CONSEQUENTIAL DAMAGES RESULTING FROM ANY DEFECT IN THE PRODUCT, INCLUDING LOST PROFITS, DAMAGE TO PROPERTY, AND, TO THE EXTENT PERMITTED BY LAW, DAMAGE FOR PERSONAL INJURY, EVEN IF DRAWMER HAS BEEN ADVISED OF THE POSSIBILITY OF SUCH DAMAGES.
Some states and specific countries do not allow the exclusion of implied warranties or limitations on how long an implied warranty may last, so the above limitations may not apply to you. This warranty gives you specific legal rights. You may have additional rights that vary from state to state, and country to country.
DRAWMER 1972
Dual Mic, Line & Instrument Pre-Amplifier
SAFETY CONSIDERATIONS
CAUTION – MAINS FUSE
TO REDUCE THE RISK OF FIRE REPLACE THE MAINS FUSE ONLY WITH A FUSE THAT CONFORMS TO IEC127-2. 250 VOLT WORKING, TIME DELAY TYPE
AND BODY SIZE OF 20mm x 5mm. THE MAINS INPUT FUSE MUST BE RATED AT 230V=T160mA and 115V=T315mA.
CAUTION – MAINS CABLE
DO NOT ATTEMPT TO CHANGE OR TAMPER WITH THE SUPPLIED MAINS CABLE.
CAUTION – SERVICING
DO NOT PERFORM ANY SERVICING. REFER ALL SERVICING TO QUALIFIED SERVICE PERSONNEL.
WARNING
TO REDUCE THE RISK OF FIRE OR ELECTRIC SHOCK DO NOT EXPOSE THIS EQUIPMENT TO RAIN OR MOISTURE.
In the interests of product development, Drawmer reserve the right to modify or improve specifications of this product at any time, without prior notice.
INTRODUCTION
The 1972 Dual Mic, Line & Instrument Pre-Amplifier has been developed to make it ultra easy for you to capture perfect recordings every time. The 1972 gives you the ability to record pristine audio from a variety of sources and especially makes the most of the multitude of microphones that you find in the studio, from budget to high-end dynamic and also ribbon mics. Uniquely it has added features that help out in difficult to record situations that are not found on other preamplifiers.
The 1972 uses the latest THAT Corporation technology in the two independent mic preamps to provide ultra clean, transparent and precise recordings, that can be processed at a later stage using your favourite methods, be it compression, E.Q., saturation, valve, transformer or tape. Each channel is capable of 66dB of stepped gain, with an additional +/-12dB’s trim at the output, and incorporates switchable mic impedance for accurate mic matching to bring out the best from any microphone used, and also provides a way to “sculpt” the sound of passive dynamic, and especially low-impedance ribbon microphones.
As well as standard features that you will find on most preamplifiers, such as phase reverse, the 1972 also has a wealth of tools that help when recording difficult sources, making it possible to get the best quality recording with ease: Fully variable LoCut and HiCut controls have been included to allow you to tune into recordings and remove superfluous signals in the low and high frequencies, removing rumble and hiss with ease. In addition the Shape feature allows you to bring out the bass or treble using a subtle tilt EQ.
A unique feature that has been developed by Ivor Drawmer and currently only available on the 1972 is the Lift control. Lift is essentially a low level dynamic gain module which has no effect on signals above 0dB. This makes it possible to record very quiet signals in a transparent and natural way without distortion and clipping taking place on the louder passages, and is especially effective for very dynamic signals, finding great use in recording piano, and on all vocals including speech, and for capturing ambiance.
- Two THAT Corporation ultra clean mic pre’s with 66dB of gain in 6dB steps, plus +/-12dB’s trim at output.
- A wealth of features not found on other preamps make it ease to capture difficult to record sources.
- Two backlit Analogue V.U. Meters with Switchable +10dB Rescale Mode.
- Separate Line & Mic input XLR’s on the rear plus a pro quality instrument DI input on the front panel.
- Can be used on a multitude of sources including instruments and all type of microphones in the studio from low to high end, plus ribbon mics.
- Switchable Mic Impedance for accurate mic matching and also mic tone sculpting.
- Unique Lift feature for boosting very low signals without the loud signals clipping.
- Fully variable LoCut and HiCut filters to tune into signals and remove unwanted sounds.
- Shape switches are included to control bass and treble using a subtle tilt EQ.
- Phantom Power and Phase Reverse
- Time delay relays on outputs for clean power up/down.
- Internal Low Hum Toroidal Linear Power Supply with Voltage Selector Switch.
- Classic Drawmer build quality with rugged steel chassis and aluminium front panel.
- Designed and Handmade by Drawmer in the UK.

INSTALLATION
The 1972 is designed for standard 19″ rack mounting and occupies 1U of rack space. Avoid mounting the unit directly above power amplifiers or power supplies that radiate significant amounts of heat and always connect the mains earth to the unit. Fibre or plastic washers may be used to prevent the front panel becoming marked by the mounting bolts. It is also advisable to leave space above the unit to allow the heat to dissipate.
POWER CONNECTION
The 1972 unit will be supplied with a power cable suitable for domestic power outlets in your country. For your own safety, it is important that you use this cable to connect to the mains supply earth. The cable must not be tampered with or modified.
The power supply socket has an integral fuse drawer containing the power fuse of the same value, to suit the mains voltage for which the unit has been supplied. Removal of the drawer is only possible with the power cord removed. The fuse should never blow under normal operation. If the fuse is suspected of having blown, then a fault will have occurred and this fault condition should be inspected by a qualified service engineer. When replacing the fuse, always comply with the Safety Instructions.
If the unit is to be used with a mains input operating voltage different to that for which the unit is supplied, the following procedure must be carried out by a technically competent person, (see following diagrams)
- Disconnect the unit from the mains.
- Using a number 1 size pozidrive screwdriver, remove the seven self -tapping screws that retain the top cover. Two screws are found along each side; two along the top edge at the rear; and the upper central screw on the front facia panel.
- Slide the voltage change-over switch (S11) until the correct (or nearest) mains input voltage is visible on the switch actuator. (see fig.2)

For conversion to 115Volt AC (previously set to 230Volt AC)…..
4a: Exchange the 160mA fuse below the mains socket for a similar type rated at 315mA
Voltage Selector Switch located here fig.2 The Voltage Selector Switch
For conversion to 230Volt AC (previously set to 115Volt AC)…..
4b: Exchange the 315mA fuse below the mains socket for a similar type rated at 160mA
In all cases:
5: Replace the top cover using the seven screws.
6: Re-connect to mains power source.
AUDIO CONNECTIONS
The inputs and outputs are electronically balanced on conventionally wired XLRs (pin 1 screen, pin 2 hot, pin 3 cold and XLR shell is connected to chassis). The 1972 fully conforms to the EMC standards, if the unit is used where it maybe exposed to high levels of disturbance such as found close to a TV or radio transmitter we suggest that the screen of the signal cable is connected to the chassis connection on the XLR type connector. The operating level is nominally +4dBu. If ground loop problems are encountered, never disconnect the mains earth, but instead, try disconnecting the signal screen on one end of each of the cables connecting the outputs of the 1972 to the patchbay. If such measures are necessary, balanced operation is recommended.
In addition to the instrument input 1/4″ jack connector located in the instrument section on the front panel there are also several found on the rear panel:
Mic Input
A dedicated microphone input via balanced XLR connector per channel located on the rear panel.
Line Input
A dedicated line level input via balanced Neutrik Combo XLR / 1/4″ jack connector per channel
Output
A dedicated output via balanced XLR for each channel.
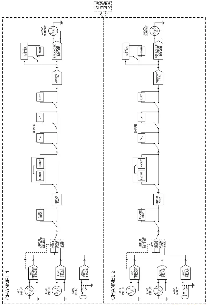
CONTROL DESCRIPTION
The two channels of the 1972 are completely identical to each other, from the matching connectors on the rear to the identical front panel controls. They are also entirely independent of each other and cannot be linked.
Instrument/Line/Mic 2.4 kOhm/Mic 600 Ohm/Mic 200 Ohm/Mic +48V
SELECT
The source select is a six position rotary switch that, as well as setting the input source, also sets the load impedance of the microphone.
When in the INST. position the channel takes its source from the instrument jack found on the front panel, to the right of the switch.
In the Line position the signal comes via the dedicated input XLR on the rear panel. Note that the Line input has an automatic level pad of 24 decibels.
The remaining four positions all take their source from the dedicated microphone input on the rear panel. The first three positions set the load impedance at settings of 200, 600 and 2.4k Ohms in order to aid the matching for a dynamic microphone.
In the +48V Phantom Power switch position the red LED will illuminate to indicate that 48V of dc voltage is being sent down the XLR cable in order to power the electronics of a condenser microphone.
NOTE: DO NOT ACTIVATE THE +48V SETTING UNLESS THE MICROPHONE REQUIRES IT.
INSTRUMENT INPUT
A 1/4″ jack provides a specialised instrument input stage suitable for use with both active and passive guitar pickup systems as well as with electronic keyboards.
PHASE REVERSE Off – On
This switch reverses the signal polarity, and is often useful when recording an instrument with more than one microphone. If, for example, you record a guitar cabinet with two mics, the two signals could be so similar that they would cancel each other out partially, resulting in a very thin sound. Reversing the phase of one channel would rectify this.
INPUT GAIN 0 – +66dB
A twelve position switch adds gain in 6dB steps from 0dB to +66dB, making it incredibly easy to replicate previous settings and have total control over levels. It is the most common practice to set the input for any given source to read 0dBs to provide the best volume, a 4 bar LED Meter above, with settings of -20, -10, 0 & +10dBs displays this input level. This can be fine tuned by the O/P Trim later.
Off – On A variable high and low pass filter can be switched in and out of the signal path via this switch. The two filters combine to help remove any extraneous noise and tune in to the required signal.
LoCUT 15 – 350Hz
The variable high-pass filter (also known as Low Cut) can be set between 15Hz and 350Hz at a slope of 12dB per Octave, and is used to attenuate low frequency signals that might otherwise prove troublesome, eg. traffic rumble or stage vibration, and let the higher frequencies pass.
HiCUT 1.5 – 20kHz
The variable low-pass filter (also known as High Cut) can be set between 1.5kHz and 20kHz at a slope of 12dB per Octave, and is used to attenuate high frequency signals that might not be required eg. sibilance and hiss, and let the lower frequencies pass.
LIFT
LIFT is a single switch solution to recording low signal levels. Seamless in it’s operation, LIFT is, in essence, a low level dynamic gain module which has no effect on signals above 0dB, but increases gain dynamically on levels between 0dB and -30B, up to a maximum of 10dB, and then continues to add 10dB of gain to signals below -30dB.
You may ask yourself: why would this be necessary?
When recording very quiet passages the most common answer to obtain a loud enough recording is to simply add more gain, however, as this occurs throughout the entire audio level range, increasing the loud signals also, clipping and distortion can easily occur. The cleverness of the LIFT switch is that it dynamically increases only the volume of the very quiet signals below the threshold of 0dB, leaving anything above untouched, meaning that no unnecessary clipping occurs during loud passages.
If done crudely the effect would be obvious and unnatural, however the paramaters of the 1972 LIFT feature have been fixed at settings that provide as transparent, smooth and musical quality as possible, whilst making the operation as simple as a single switch press. The feature will find many uses in the studio, radio, TV sound, conferences and public address. It is of great value on piano, drum ambience as well as other types of percussion, and on all vocals including speech. Mic technique is used to compensate for vocal intensity and one can often see singers move closer to the mic during quiet passages. LIFT reduces or even eliminates the need to do this.
Please note that, just like any other gain increase, the noise floor will also be increased by 10dB, and in addition, in a live situation, acoustic feedback is more likely to occur and should be considered during sound check.
SHAPE
It is easiest to think of the Shape feature as a fixed boost/cut tilt equaliser whereby the signal increases and decreases by the same amount around a fixed point on the scale, in the case of the 1972, at 500Hz.
The bass frequencies are boosted and the high frequencies cut by 2.5dB (at the extremes).
The bass frequencies are cut and the high frequencies boosted.
However, note that when both switches are active they interact with each other and provide a classic “smiley face” EQ curve that will boost the low and high frequencies by approximately 1.5dBs, with a slight cut in the mids of 1dB.
OUTPUT TRIM -12dB – +12dB
Because the Input Gain switches the volume in 6dB steps the Output Trim, being a continuous control, is used to finely adjust the output to the absolute desired level.
VU METER
A backlit moving coil VU meter displays the level of the output signal as found at the output XLR
+10dB Pad VU – +10dB
Adjusts the meter to show either normal output level, (and for those working at `hot’ output levels) VU +10dB i.e. with the switch at VU +10dB, when the VU meter reads 0dB the actual level is +10dB.
GENERAL INFORMATION
IF A FAULT DEVELOPS
For warranty service please call Drawmer Electronics Ltd. or their nearest authorised service facility, giving full details of the difficulty.
A list of all main dealers can be found on the Drawmer webpages. On receipt of this information, service or shipping instructions will be forwarded to you.
No equipment should be returned under the warranty without prior consent from Drawmer or their authorised representative.
For service claims under the warranty agreement a service Returns Authorisation (RA) number will be issued.
Write this RA number in large letters in a prominent position on the shipping box. Enclose your name, address, telephone number, copy of the original sales invoice and a detailed description of the problem.
Authorised returns should be prepaid and must be insured.
All Drawmer products are packaged in specially designed containers for protection. If the unit is to be returned, the original container must be used. If this container is not available, then the equipment should be packaged in substantial shockproof material, capable of withstanding the handling for the transit.
CONTACTING DRAWMER
Drawmer Electronics Ltd., will be pleased to answer all application questions to enhance your usage of this equipment. Please address correspondence to:
Drawmer (Technical Help line)
Coleman Street
Parkgate
Rotherham
S62 6EL
UK
Alternatively contact us by E-mail on : for sales enquiries: [email protected]
or for technical issues: [email protected]
Further information on all Drawmer dealers, Authorised service departments and other contact information can be obtained from our web pages on:
http://www.drawmer.com
1972 DUAL FET COMPRESSOR AND PRE-AMPLIER
DATA SPECIFICATION
INPUT
Input Impedance…………… 20k Ohms or greater
Maximum Input Level ………………+21dBu
OUTPUT
Output Impedance…………. 100 Ohms
Maximum Output Level ………………….+21dBu into 10k Ohms Load
FREQUENCY RESPONSE
20Hz to 20kHz +/-0.5dB
CROSSTALK
< -85dB @ 1kHz
NOISE AT UNITY GAIN
20Hz – 20kHz……………. >92dB
% DISTORTION (THD & NOISE) @ 1kHz
0dB……….. 0.07%
10dB…………….. 0.07%
MIC EIN
-130dB Aweighted
POWER REQUIREMENTS
230Volt or 115V at 50-60hZ, 15VA
FUSE RATING
T160mA for 230Volt,
T315mA for 115Volt
Conforming to IEC 127-2
FUSE TYPE
20mm x 5mm, Class 3 Timed-Blo, 250Volt working
CASE SIZE
482mm (W) x 44mm (H) x 200mm (D)
WEIGHT
2.6Kgs
BLOCK DIAGRAM





















