Floor standing oil-fired condensing boiler using
conventional flue and room sealed flue
GREENSTAR HEATSLAVE II 2022+
12/18, 18/25 & 25/32
User Instructions
GREENSTAR HEATSLAVE II Floor Standing Oil-Fired Condensing Boiler
For sealed central heating systems with mains fed domestic hot water
For use with Kerosene (Class C2) only.
User instructions & customer care guide
Please read these instructions carefully before operating your boiler.
These instructions are applicable to the Worcester,
Bosch Group boiler model(s) stated on the front cover of this manual only and must not be used with any other make or model of boiler.
The instructions apply in mainland UK only and should be followed except for any statutory obligation.
If you are in any doubt contact the Worcester, Bosch Group technical support.
This boiler must be installed by a competent person, e.g. an OFTEC registered engineer, failure to install correctly could lead to prosecution.
Please leave this guide, the installation instructions and the completed checklist with the user.
A checklist and service interval record can be found at the rear of the Installation, Commissioning and Servicing Instruction manual.
Abbreviations
| SEDBUK | Seasonal Efficiency for Domestic Boilers in the United Kingdom. |
| OFTEC | Oil Firing Technical Association for the Petroleum Industry. |
Dedicated to heating comfort
Thank you for purchasing a Greenstar oil fired condensing boiler from Worcester, Bosch Group. The company prides itself on manufacturing boilers to the strictest quality control standards throughout every stage of production.
Worcester, Bosch Group has led the field in innovative boiler design and performance for more than 50 years. This heritage means all products are of exceptional quality and proven reliability.
The condensing range in particular, is extremely energy efficient, converting more of the fuel consumed into heat offering you economical running costs and value for money.
It sits in ErP heating efficiency, band A, at the top of the energy rated boilers available.
There is also the assurance of our no-nonsense parts and labour guarantee – backed up by an optional servicing and maintenance contract to keep your boiler operating at peak condition and efficiency.
To find out more about Worcester, Bosch Group, log onto www.worcester-bosch.co.uk.
Key to symbols and safety instructions
1.1 Key to symbols
Warnings
Safety instructions in this document are framed and identified by a warning triangle which is printed on a grey background.
The following keywords are defined and can be used in this document:
- NOTICE indicates a situation that could result in damage to property or equipment.
- CAUTION indicates a situation that could result in minor to medium injury.
- WARNING indicates a situation that could result in severe injury or death.
- DANGER indicates a situation that will result in severe injury or death.
Important information
This symbol indicates important information where there is no risk to people or property.
Additional symbols
| Symbol | Meaning |
| 1. | a numbered step in an action sequence |
| ▶ | a step in an action sequence |
| → | a reference to a related part in the document or to other related documents |
| ① | a reference number to identify or refer to a part or item |
| • | a list entry |
| – | a list entry (second level) |
Table 1
Examples of additional symbols used
A numbered step in an action sequence
A sequence of numbered steps or actions carried out in a specific order to complete a task.
- First action
- Second action
- Third action etc.
A step in an action sequence
A sequence of defined actions or steps carried out in order to complete a task.
▶Action
▶Next action
▶etc.
A reference to a related part in the document or to other related documents.
To refer the reader to a specific figure/table/section within the manual.
→ e.g. figure 1.
A reference number to identify or refer to a part or item.
In a related figure, items or parts identified by a sequential number.
List entries, first and second levels
- A single component/item
- A component/list, made up of multiple parts/items.
– Sub component or sublist of main component/list.
–etc.
1.2 Safety instructions
These operating instructions are intended for the user of the heating system.
▶ Read any operating instructions (boiler, heating controls, etc.) carefully before operation and keep them.
▶ Observe the safety instructions and warnings.
Oil fumes or leaks from the appliance
If you smell oil fumes, observe the following rules.
▶Extinguish any naked flames
▶ Isolate the electrical supply
▶ Isolate the fuel supply to the boiler
▶ Open windows and doors
▶ Contact an approved contractor and have the fault rectified
Health and safety
The appliance contains no asbestos and no substances have been used in the construction process that contravene the COSHH Regulations (Control of Substances hazardous to Health Regulations). Where applicable, the CE mark indicates compliance with relative EU Directives.
Combustion air/room air
The air in the installation room must be free of combustible or chemically aggressive substances.
▶ Do not use or store combustible or explosive materials (paper, propellants, thinners, paints, etc.) within the vicinity of the appliance.
Safety of electrical devices for domestic use and similar purposes:
The following requirements apply in accordance with EN 60335-1 in order to prevent hazards from occurring when using electrical appliances:
“This appliance can be used by children of 8 years and older, as well as by people with reduced physical, sensory or mental capabilities or lacking in experience and knowledge, if they are supervised and have been given instruction in the safe use of the appliance and understand the resulting dangers. Children shall not play with the appliance. Cleaning and user maintenance must not be performed by children without supervision.”
“If the power cable is damaged, it must be replaced by the manufacturer, its customer service department or a similarly qualified person, so that risks are avoided.”
Intended use
This appliance must only be used as a heat appliance in a sealed hot water heating system for domestic purposes.
Any misuse or unauthorised modifications to the appliance, flue or associated accessories and heating system will invalidate the guarantee.
- Do not modify the appliance or flue system in any way.
Worcester, Bosch Group accepts no liability arising from any such actions. This does not affect your statutory rights.
General Information
2.1 Energy efficiency
Energy efficiency information is given in the Installation, Commissioning and Servicing Instructions supplied with the appliance.
2.2 Servicing
The Service Checklist can be found at the rear of the boiler’s installation instructions. It will be required in the event of any guarantee work and may be required by the local Building Control Inspector.
▶ Have the boiler serviced regularly by a competent, OFTEC registered engineer.
▶ Ensure that the service engineer completes the Service Record, at the rear of the Installation, Commissioning and Servicing Instruction manual, after each service.
▶ Have any work carried out only by a competent, OFTEC registered engineer.
▶ Always use original spares, to help maintain the efficiency, safety and reliability of the appliance.
2.3 User caution
- It is forbidden for any interference with the appliance other than those actions allowed in this document.
CAUTION: Incorrect use
▶ Any incorrect use can result in danger to the householder.
Using your boiler
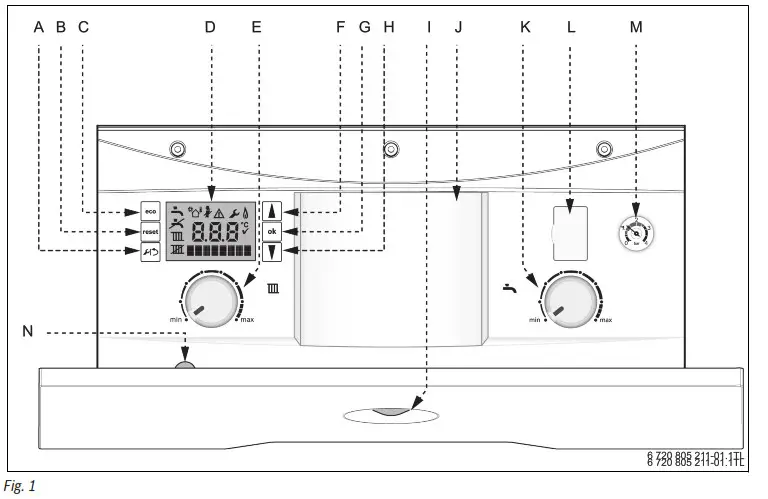
3.1 Controls

| [A] Spanner/return button | [H] Scroll down button |
| [B] Reset button | [I] Demand/fault indicator (blue) |
| [C] ECO button | [J] Position for optional programmer |
| [D] Boiler LCD display | [K] Hot water, heat store, temperature control |
| [E] Central heating temperature control | [L] Diagnostic port (service engineer) |
| [F] Scroll up button | [M] System pressure gauge |
| [G] OK – Select/confirmation button | [N] Burner service mode button (service engineer) |
| Display symbols Screen display | Description | Explanation |
| All possible screen symbols (including greyed out symbols) | All possible screen symbols are displayed briefly during start up. The greyed out symbols are not required for the operation of this appliance. | |
| Numerical display | Displays a temperature setting or boiler status code. | |
| Text display | Displays ECO or Alert code | |
| Hot water | Displays during a hot water demand and when the heat store is reheating. | |
| Central heating | Displays during central heating demand. | |
![]() | Alert | Displays during a fault condition with diagnostic and status code. |
| Service mode | Displays when in the service menus. | |
| °C | Centigrade indication | Displays next to temperature reading. |
| Confirmation | Confirms a manual change. | |
| Weather Compensation | Displays only if Weather Compensation sensor is fitted and is active. |
3.2 Operating the boiler
3.2.1 Switching the boiler on/off
▶ To switch on the boiler; turn on the water, oil and electricity supply to the boiler.
▶ Check the programmer/timer is correctly configured and is set to ON.
▶ Set the room thermostat to the desired setting.
▶ Open and set thermostatic radiator valves as required.
▶ Turn the boiler controls to the required setting.
▶ To switch off the boiler; turn the programmer/timer to OFF for heating and hot water.
3.2.2 Setting central heating temperature
- Turn the central heating temperature control knob to the desired flow temperature between 50 and 82°C, this will be indicated on the digital display. This is not the room
temperature but the flow temperature through the radiators. - The radiator symbol will be displayed to confirm that the a central heating setting is being changed.
- The value is displayed during this process, press
to exit or after five seconds of inactivity the boiler display will return to the default screen.
3.2.3 Controlling central heating
▶ Set the programmer/timer to the correct time with the required ON/OFF periods.
▶ Turn the room thermostat to the temperature required.
▶ Set the thermostatic radiator valves to achieve the required temperature for each room.
Turning the central heating off during the summer
▶ Turn your programmer/timer to the off position.
▶ Please refer to the programmer/timer manufacturer’s instructions.
3.2.4 Setting the hot water temperature
The hot water temperature control knob sets the temperature of the heat store. A high setting will give a higher hot water temperature and greater quantities of hot water.
- Turn the hot water temperature control knob to the desired level between 1 and 8, this will be shown on the digital display.
- The tap symbol will be displayed to confirm that the hot water setting is being changed.
- The value is displayed during this process, press
to exit or after five seconds of inactivity the boiler display will return to the default screen.

3.2.5 Domestic hot water (DHW)
The GREENSTAR HEATSLAVE II is microprocessor controlled and at low DHW flow rates (washing hands etc), the burner will not fire up immediately when the tap is opened as the heat store will meet the demand, but at high flow rates (filling a bath for example) the burner will fire up to boost the heat store and meet the demand.
If DHW is OFF on the programmer, the appliance will still supply DHW using heat stored in the tank, but it will not reheat the tank, therefore the amount of water available is limited but is adequate for washing up, filling basins etc.
We recommend that DHW is timed off overnight and when the home is unoccupied to save energy. The timer should be set for at least half an hour before normal hot water demands are expected to reheat the heat store.
When reheating the heat store the controls will reclaim heat from the boiler for the tank, this means that the pump will run (and the blue light will be on) for some time after the burner has turned off whilst heat reclaiming takes place.
WARNING: Scalding hazard Care should be taken when using slow running taps and showers.
▶ In some circumstances, the combination of low water flow rate and high setting of the hot water control thermostat can result in very hot water.
3.2.6 Eco mode
Domestic hot water eco mode
Eco mode is an energy saving feature which alters the cycling function of the burner for heating the heat store tank. In normal operation the burner will fire more frequently between demands in order to maintain a stored temperature close to the hot water set point you have entered. In Eco mode, the burner fires less frequently between demands meaning that the heat store temperature is maintained at a lower average level, but the tank set point remains the same.
By selecting Eco mode you will be using less energy as the tank is allowed to cool a little more before reheating to the set point.
Selecting Eco mode
- Press and hold
for at least four seconds to enter the energy saving Eco mode, when Eco mode is active, “Eco” will be displayed.

Exit eco mode
▶ To exit Eco mode, press and hold
for at least four seconds, “Eco” will disappear
3.2.7 Frost protection
- The boiler has built in frost protection to protect the boiler, the boiler must have power for this to operate.
- If you are leaving the property unoccupied during cold weather, please leave your programmer on constant and your room thermostat set to around 10 to 15°C.
- If the temperature within the boiler falls below 8°C the pump will run to circulate water and prevent the system freezing.
- If the temperature within the boiler falls below 4.5°C the boiler will fire immediately, bringing the boiler temperature up to 12°C to avoid the possibility of the system freezing.
- This process will be repeated until such time that the boiler temperature does not drop below 4.5°C.
3.2.8 System pressure
This boiler is fitted to a sealed heating system which is pre pressurised. Your installer will advise you of the minimum and maximum pressure indicated on the pressure gauge.
▶ Check regularly that the pressure is maintained.

Optimum system pressure when your boiler is cold (area A) and the pump is off. The indicated pressure will change as the pump switches on, for more accurate readings check pressure when the pump is not running.
- If the pressure gauge reads less than 1 bar then the system requires re-charging.
- Check for leaks on heating system (pipe work and radiator valves).
- Contact your installer or maintenance engineer if a permanent significant decrease or increase in pressure is indicated on the pressure gauge.
- Constantly having to re-pressuring the heating system should be investigated as the concentration of inhibitor in the system will be reduced; this can result in corrosion within the heating system.
Filling loop
If the sealed system pressure within your system drops to below 0.5 bar (shown on the pressure gauge) you will need to increase the pressure to ensure your boiler continues to run without problems.
Your installer should have informed you where to find the filling system and instructed you in its use.
Once the external filling loop has been located, follow the instructions for re-pressurising the system.
- Unscrew blanking cap.
- Attach the hose to the valves, screw on hand-tight.
- Turn the handle/screwdriver slot through 90° to open valves.
- The handle/screwdriver slot will be in line with the valves.
- When the pressure reaches between the 1 and 1.5 bar marks (zone A), turn the handles/screwdriver slots back, through 90°, to close the valves.
- The handle/screwdriver slot will be at 90° to the valves.
- Remove the hose and replace the blanking caps.

Maintenance
4.1 Troubleshooting
Boiler alert state
Should a fault develop with this boiler (or the system), the boiler will enter into a fault condition:
- A fault condition is indicated by a flashing blue operation/ fault light and a triangular alert symbol on the display. A flashing fault code is also displayed, see figure 7. This type of fault can often be cleared by pressing the Reset button
.
Fault codes 9F and 855
- This is a burner lockout condition, press the Reset button to restart the burner
- If the burner fails to fire and fault 9F 855 is displayed again, check the oil supply to the boiler
- If you try more than four times to reset the boiler and fail, no more resets can be attempted and the fault code 9F 856 will be displayed, call Worcester, Bosch Group for assistance, quoting the fault codes, contact details are on the back page.
Boiler reset
- Press the Reset button
on the fascia to clear the fault.
▶ Reset and a tick symbol will be briefly displayed.
▶ If the reset was successful the boiler will return to normal operation.
▶ If the reset was not successful then the fault code will be displayed again, and the blue operation/fault light will continue to flash.
▶ Make a note of these fault codes, in the table below as an example see figure 7, fault codes E5 and 218.
▶ Contact Worcester, Bosch Group for assistance and quote any fault codes displayed.

| Flashing fault code | Three figure number |
| e.g. E5 | e.g. 218 |
Boiler stops with no fault code
In most cases these fault conditions will clear automatically when the associated fault clears e.g. waiting for an area of the boiler to cool down.
If the boiler fails to automatically reset itself after a period of 30mins, call Worcester, Bosch Group, contact details are on the back page of this manual.
4.2 Servicing
You must have the boiler regularly serviced by a competent, qualified OFTEC registered engineer using approved spares, to help maintain the economy, safety and reliability of the boiler.
The boiler should be serviced once each year after installation unless the installation conditions and usage demand more frequent services.
The service engineer must complete the Service Record in the checklist after each service. The completed checklist will be required in the event of any warranty work and may be required by the local Building Control Inspector. The checklist and service interval record can be found at the rear of the Installation, Commissioning and Servicing Instructions.
4.3 Fault finding
| Problem | Cause | Remedy |
| Boiler stops working, blue light and warning triangle flashing and fault code displayed | Internal error | Press the Reset button and the boiler should restart, if not call Worcester, Bosch Group, quoting fault codes |
| Boiler stops with no fault codes | Possible overheat | Wait 30 minutes for boiler to cool |
| Room thermostat set too low | Burner lockout | Press the Reset button to restart the burner. If the burner fails to fire and fault 9F 855 is displayed again, check the oil level in the tank |
| Temperature control for CH flow on boiler set too low | More than 4 attempts at a reset during Burner lockout fault 9F 855, no more reset attempts can be made. | Call Worcester, Bosch Group, quoting fault codes |
| Fault codes 9F 856 | Thermostatic radiator valve(s) set too low | Increase thermostatic radiator valve setting(s) |
| Desired room temperature is not reached | Room thermostat set too low | Increase room thermostat setting |
| Temperature control for CH flow on boiler set too low | Increase CH flow temperature control setting | |
| Air trapped in heating system | Bleed radiators and recharge heating system | |
| Desired room temperature exceeded by large amount | Radiators are too hot | Turn down thermostatic radiator valves/room stat |
| Room temperature rises instead of falling | Clock is incorrectly set | Check setting |
| No display or display unit does not respond | Momentary power failure | Switch off boiler at master switch, wait 30 seconds then switch on again |
| Hot water temperature too low | Hot water temperature set too low | Check setting |
| Hot water not in timed period on the programmer | Check programmer settings | |
| System pressure low | Leak within the heating system | Check system for obvious leaks |
4.4 System gassing
WARNING:
Caution must be exercised when venting radiators or adjusting system pressure after commission of your boiler.
Do not repeatedly vent your radiators, if the problem persists, contact a heating engineer.
▶ Do not vent air from radiators whilst the central heating is switched on: turn your boiler off.
▶ Whilst venting radiators do not allow the pressure on the boiler to drop below the pressure at which it is normally set.
CAUTION:
If the pressure in your heating system is repeatedly rising (this can be checked via the boiler pressure gauge and should be checked when the system is cold), and especially if you need to keep venting the radiators, urgent action is required and you must contact a heating engineer. This can indicate that there is corrosion occurring within the heating system.
▶ This must be properly addressed to prevent serious damage to the entire system.
▶ Failure to properly maintain the heating system may affect your warranty.

4.5 Maintaining your boiler
Your new boiler represents a long term investment in a reliable, high quality product.
In order to realise its maximum working life and to ensure it continues to operate at peak efficiency and performance, it is essential that servicing and maintenance checks are performed at least once a year by an OFTEC engineer or other suitably qualified person.
If you would like to know more about servicing options from Worcester, Bosch Group, please visit worcester-bosch.co.uk.
Please tick the appropriate box on your warranty registration card for further details of the Worcester, Bosch Group Service Contract.
When your boiler requires servicing please contact a Worcester, Bosch Group contact centre (see inside front cover for details).
In addition to the service contract we are pleased to offer a one-off annual service or breakdown call out for your boiler.
Maintenance tips
Regularly check the oil level in the tank. Running the tank empty or low can lead to damage to the burner.
Do not obstruct the flue outlet or the air inlet.
Use in hard water areas
In exceptionally hard water areas a device to prevent scale formation may be fitted. Installation of a scale inhibitor assembly should be in accordance with the requirements of the local water company. An isolating valve should be fitted to allow for servicing.
5.1 Ventilation information
Boiler location
** The boiler can be installed under a worktop as long as the following conditions are met:
- The worktop above the boiler is easily removable for maintenance.
- There is at least 10mm clearance above the boiler.
- The front of the boiler is not enclosed.
Ventilation
Air vents must be functional at all times and the air supply must not be restricted or contaminated.
The boiler clearances must meet the minimum shown below for servicing and venting purposes.
* If this clearance is less than 75mm the flue ‘knock-out’ panel sections must be removed to improve air circulation and cooling.
Do not place clothes or objects to hinder the air circulation required by the boiler.
Servicing clearances

Conventional flue boilers require an adequate supply of fresh air which must be delivered to the boiler for combustion purposes through a permanent inlet, such as an air brick, into the area where the boiler is situated.
If a cupboard or compartment which is to be used for storage or airing is built around the boiler after installation there must be a non-combustible partition around the boiler. Refer to the installation manual for minimum vent sizes.
5.2 General notes
To get the best from your boiler. please read these instructions carefully.
Central heating systems
During the first few hours of operation of the central heating system, check that all radiators are being heated at an even rate. If the top of a radiator is at a lower temperature than the bottom then it should be vented by releasing air through the venting screw at the top of the radiator. Ask your installer to show you how this is done. Repeated venting will reduce the quantity of water in the system and this must be replenished for safe and satisfactory operation of the boiler.
When excessive venting or water leaks are found in the system you must contact a service engineer to inspect the installation and rectify any fault.
Only use additives compatible with the boiler and system. Use of incompatible additives can cause damage and will invalidate the boiler guarantee.
Condensate drain
This is a condensing boiler and the terminal will, at times give out a plume of water vapour. This is quite normal.
The boiler also produces quantities of condensate which is discharged regularly via a pipe to the disposal point. This pipe must not be blocked or altered in any way.
Clearances – Service
Your installer will have provided adequate space around the boiler for safety and servicing access.
Do not restrict this space with the addition of cupboards, shelves etc. next to the boiler.
Room thermostat
A room temperature controller must be fitted to control the central heating. Refer to instructions supplied with the thermostat for information on siting and setting.
Thermostatic radiator valves
It is recommended that this type of valve is fitted to all but one of the radiators (or at least those in the sleeping accommodation). The remaining radiator, which must be where the room thermostat is located, should be un-controlled and must be left open.
Oil supply
This appliance is for use with Kerosene (Class C2)only. Running the oil tank empty or low may result in damage to the burner.
Energy saving
6.1 Tips on energy saving
Room thermostats
Reducing the setting of the room thermostat by 1°C can reduce fuel consumption by up to 10%.
New control systems
Upgrade your heating control system with the latest equipment available. The minimum level of control for a heating system is a programmer, interlocking room thermostat and thermostatic radiator valves.
Radiators
More often than not radiators will be sited underneath a window, so the warm air from the radiator heats the colder incoming air from the window.
The performance of the radiator will be affected if the curtains are allowed to drape over the radiator or shelves are fitted above it.
The positioning of furniture and tables in front of the radiator should also be avoided.
It is advisable to manually adjust all radiator valves every 2-3 months to prevent them from sticking. It is also important that the plastic tops of all valves are always in position and not cracked or damaged to help prevent accidents. Care should be taken when vacuum cleaning carpets to avoid damage to valves and pipework.
The heating system and the outputs of the radiators have been carefully selected by your installer. The temperature obtainable in any given room is dependent on all radiators being operated at the same time. If you decide to turn off radiators in unused rooms, spare bedrooms etc., you may experience slightly lower room temperatures in rooms adjacent to unheated rooms.
Heating economically
The boiler is designed to provide a high level of comfort while keeping oil consumption and the resulting environmental effect as low as possible.
The central heating control on the boiler should be set as low as possible while still maintaining a comfortable room temperature.
The temperature of each room can be set individually using the thermostatic radiator valves (except the primary room with the room thermostat).
Roof insulation
Around 30% of the heat loss from a property is through the roof. Replace any old insulation with new insulation, preferably to a minimum thickness of 200mm.
Window frames
Single glazed windows, particularly those with steel frames, can lose a great deal of heat.
Consideration should be given to replacement with PVCu or wooden framed double glazed units.
Curtains
Lined curtains, or heavier full length curtains can provide excellent insulation. However, always ensure that the curtains do not drape over radiators.
Draughts
Try to ensure that draughts around doors, windows, letter boxes and keyholes etc., are reduced by using a suitable draught excluder.
WARNING:
- Do not block or seal any air vents that are installed to ensure the central heating boiler (or other appliance) operate safely.
Guarantee
7.1 Fault or breakdown
This boiler is supported in mainland UK by Worcester, Bosch Group, part of Bosch Thermotechnology Ltd.
Specialist trained, Worcester, Bosch Group Service Engineers are available to attend in the unlikely event that a breakdown occurs on this boiler.
No charge will be made for parts and/or labour providing
▶ A boiler fault is found and the boiler has been installed within the guarantee period. Reasonable evidence of this must be supplied on request.
A call-out charge will be made where
▶ The boiler has been installed for longer than the guarantee period.
-or
▶ Our Field Service Engineer finds no fault with the boiler (→ Note).
-or▶
Evidence cannot be provided that the first year service inspection has been carried out.
(i.e. an entry in the service interval record found at the rear of the boiler installation and servicing manual).
-or▶
The cause of breakdown is misuse or with other parts of your plumbing/heating system, or with equipment not supplied by Bosch Thermotechnology Ltd.
-or-
▶ Before calling the help line check the central heating system pressure. If the pressure is low then check for obvious leaks around the heating system; repair before the system is re-pressurised.
For further support refer to the troubleshooting tool on the website.
No boiler fault is found on over 30% of all service call outs.
Please read this guide carefully to gain a good understanding of the operation of your boiler. In the case of a suspected fault, refer to the fault finding section of this guide.
If in doubt contact our Technical Support
In the event of an boiler fault or breakdown please contact our Service Department. Your service administrator will arrange for an Engineer to call with the minimum of delay. Under normal circumstances this will be from 1 to 3 working days (excluding weekends) for priority breakdown situations (no hot water and/or heating).
Invoices for attendance and repair work carried out on this boiler by any third party will not be accepted.
Boiler data label
The data label can be found on the condensate trap bracket on the right hand side.
To access first remove the front panel:
▶ Pull control panel drawer forwards.
▶ Undo screws [A] securing the front panel to the boiler.
▶ Lift panel off bottom ledge [B] and remove from appliance.
To replace the top panel:
▶ Rest panel on bottom ledge [B].
▶ Replace the screws [A] securing the front panel to the boiler.
▶ Push control panel drawer back into place.
(You can record this information on the inside back cover of this manual.)

7.2 Guarantee registration
You should complete and return the postpaid Guarantee Registration Card within 30 days of installation.
Returning your card will register you as the owner of your new boiler and will assist us in maintaining an effective and efficient customer service by establishing a reference and permanent record for your boiler.
This does not affect your statutory rights.
For your own records
Model …………
Serial number
(See identity label inside boiler casing) ……………
Type/size ……………
Date of installation …………..
Installer details ……………
7.3 Your guarantee
This boiler is guaranteed against faulty materials or workmanship from the date of installation subject to the following conditions:
▶ During the period of this guarantee any components of the unit which are proved to be faulty or defective in manufacture will be exchanged or repaired free of material charges and free of labour charges if repaired directly by Bosch Thermotechnology Ltd.
▶ The householder may be asked to prove, when requested, the date of installation, that the boiler was correctly commissioned and, where appropriate, that the 12 month service inspection has been carried out to the satisfaction of Bosch Thermotechnology Ltd. This should be documented in the Oil Boiler Commissioning Checklist and Service Interval Record in the back of the Installation, Commissioning and Servicing manual.
▶Bosch Thermotechnology Ltd will not accept responsibility for damage caused by faulty installation, neglect, misuse or accidental damage and non-observance of the instructions contained in the Installation and User’s Instructions manuals.
▶ The boiler has been used only for normal domestic purposes, for which it was designed.
▶ This guarantee applies only to equipment purchased and installed in mainland UK.
This guarantee is given in addition to all your normal statutory rights.
Worcester, Bosch Group is a brand name of Bosch Thermotechnology Ltd.
Guarantee registration
Your Greenstar appliance carries a guarantee against faulty material or manufacture subject to Terms and Conditions.
To read the full Terms and Conditions please visit us on-line at www.worcester-bosch.co.uk/guarantee. The guarantee registration form is available on the same page and can be completed and submitted electronically.
Alternatively, please telephone one of our Guarantee Registration advisors on 0330 123 2552.
Your statutory rights are not affected by the manufacturer’s guarantee.
If the boiler fails to give complete satisfaction, please make the general checks shown on the back page this manual before calling for a service engineer.
General checks before calling a Service engineer
Check the:
- Oil level in the tank?
- Power to the boiler?
- Control settings?
No boiler fault is found on over 30% of all service call outs.
Please read the fault section of the manual before contacting our service team.
Worcester, Bosch Group
Cotswold Way, Warndon, Worcester WR4 9SW.
Tel. 0330 123 9559
Worcester, Bosch Group is a brand name of
Bosch Thermotechnology Ltd.
worcester-bosch.co.uk
6 721 843 979 (2022/01)
WORCESTER, BOSCH GROUP:
TECHNICAL SUPPORT: 0330 123 3366
APPOINTMENTS: 0330 123 9339
SPARES: 0330 123 9779
LITERATURE: 0330 123 9119
TRAINING: 0330 123 0166
SALES: 0330 123 9669

















