63317 1/10 Non-Submersible Transfer Pump
Owner’s Manual & Safety Instructions

Save This Manual Keep this manual for the safety warnings and precautions, assembly, operating, inspection, maintenance, and cleaning procedures. Write the product’s serial number in the back of the manual near the assembly diagram (or month and year of purchase if the product has no number). Keep this manual and the receipt in a safe and dry place for future reference.
Do not return ump to the store.
Call 1-844-416-9141
Visit our website at: http://www.harborfreight.com
Email our technical support at: [email protected]
When unpacking, make sure that the product is intact and undamaged. If any parts are missing or broken, please call 1-888-866-5797 as soon as possible.
©Copyright 020 by Harbor Freight Tools®. All rights reserved.
No portion of this manual or any artwork contained herein may be reproduced in any shape or form without the express written consent of Harbor Freight Tools. Diagrams within this manual may not be drawn proportionally. Due to continuing improvements, the actual product may differ slightly from the product described herein. Tools required for assembly and service may not be included.
WARNING
Read this material before using this product.
Failure to do so can result in serious injury.
SAVE THIS MANUAL.
Before start-up, note the following:
The pump must be connected to a GFCI protected plug which has been installed according to regulations. The plug must have a supply voltage of 120 VAC at 60 Hz.
CAUTION
This pump has been evaluated for use with water only.
WARNING
IMPORTANT! For your own safety – before starting to run the pump, please have the following items checked by an expert:
- Risk of electric shock – This pump is supplied with a grounding conductor and grounding-type attachment plug. To reduce the risk of electric shock, be certain that it is connected only to a properly grounded, grounding-type receptacle.
- Risk of electric shock – This pump has not been investigated for use in swimming pool areas.
- The electrical connections must be protected from moisture.
- If there is a danger of flooding, the electrical connections must be taken to higher ground.
- Circulation of caustic fluids, as well as the circulation of abrasive materials, must be avoided at all costs.
- The pump must be protected from frost.
- The pump must be protected from running dry.
- Access by children should also be prevented with appropriate measures.
To prevent death from electric shock, the pump must be connected only to a GFCI protected outlet.
Do not pump flammable materials. Motor brushes may spark and cause explosions.- Do not use an extension cord with this item.
- People with pacemakers should consult their physician(s) before use. Electromagnetic fields in close proximity to the heart pacemakers could cause pacemaker interference or pacemaker failure.
- The warnings, precautions, and instructions discussed in this instruction manual cannot cover all possible conditions and situations that may occur. It must be understood by the operator that common sense and caution are factors that cannot be built into this product but must be supplied by the operator.
Fluid Type
The Pump is designed for use with water with a maximum temperature of 95° F (35°C). Do not use the pump for other fluids, especially not fuels, cleaning fluids, or other chemical products.
Specifications
| Horse Power | 1/10 HP |
| Electrical Rating | 120VAC / 60Hz / 1.8A |
| Power Cord Length | 6′ |
| Maximum Flow A 0′ | 320 GPS |
| Maximum Head lift @ 0 Flow | 42′ |
| Discharge Port | 3/4″ Garden Hose Thread |
Installation
The pump must be installed in a stationary position with either:
a. A fixed pipeline or
b. A flexible hose.
Please note!
- Do not allow the pump to hang suspended by the power cord, inlet pipe, or hose. The pump must be set on a stable surface or suspended from the handle. To ensure that the pump works properly, keep the intake area free from sludge and dirt of all kinds.
- If the water level sinks too low, any sludge in the intake area will dry out and stop the pump from starting. To help ensure the pump will start as required, check the pump regularly with start-up tests.
Power Supply
- The pump is equipped with a shock-proof plug according to regulations. The pump is designed to be connected to 120 VAC, 60 Hz GFCI protected socket.
- Make sure that the socket is sufficiently secured and is in excellent condition.
WARNING: To prevent death from electric shock, the pump must be connected only to a GFCI protected outlet.
WARNING! TO PREVENT SERIOUS INJURY:
If the power cord or plug is damaged, do not use the pump. The power cord or plug may only be repaired by a certified electrician.
Areas of use
- This pump is designed to pump water only.
- This pump is designed to be used for:
General-purpose removal or transfer of clear water. - This pump should NOT be used for:
Continuous run, fountain/pond water features. Removing water from swimming pools or spas. Septic or sewage systems. - This pump can also be used to transfer water (e.g. household, farming, plumbing).
Installation Instructions
- Attach the hose to the pump intake port. Attach the second hose to the pump discharge port.
- Position Pump on a solid surface so that both hoses are free from kinks.
- Place unused end of intake hose in water to be transferred. Place the unused end of the discharge hose as needed to direct the water discharge at least 3 feet away from the source.
Operation
After reading these instructions, consider the following points before starting the pump:
- Verify that the discharge pipe is properly connected.
- Verify that the electrical connection is 120 VAC, 60 Hz.
- Verify that the electrical socket is GFCI protected and in good condition. Test GFCI protected outlet before use.
- Verify that water and moisture cannot get near the power supply socket.
- Verify that the pump is installed so as to prevent running dry.
- Once plugged in, the pump will continue pumping until it is unplugged.
NOTE: Using the included attachment, the Pump will remove water down to 1/8″. Unplug the Pump once 1/4″ water level is reached.
Maintenance
WARNING
TO PREVENT SERIOUS INJURY FROM ACCIDENTAL OPERATION:
Unplug the Pump from its electrical outlet before performing any inspection, maintenance, or cleaning procedures.
If the pump is moved during operation, flush it out with clean water after every use.
Quarterly Maintenance
The below maintenance must be performed at least once every 3 months under optimal conditions. For frequent use, or dirty areas, more frequent maintenance is required.
- Clean sludge and debris from the bottom of the basin.
- Clean sludge/debris from the inlet screen.
- Make sure the discharge pipe is free from leaks.
- Make sure the check valve is functioning properly.
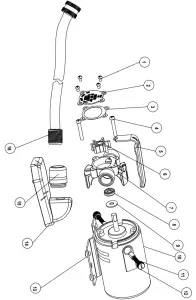
Parts List and Diagram
PLEASE READ THE FOLLOWING CAREFULLY
THE MANUFACTURER AND/OR DISTRIBUTOR HAS PROVIDED THE PARTS LIST AND ASSEMBLY DIAGRAM IN THIS MANUAL AS A REFERENCE TOOL ONLY. NEITHER THE MANUFACTURER NOR DISTRIBUTOR MAKES ANY REPRESENTATION OR WARRANTY OF ANY KIND TO THE BUYER THAT HE OR SHE IS QUALIFIED TO MAKE ANY REPAIRS TO THE PRODUCT, OR THAT HE OR SHE IS QUALIFIED TO REPLACE ANY PARTS OF THE PRODUCT. IN FACT, THE MANUFACTURER AND/OR DISTRIBUTOR EXPRESSLY STATES THAT ALL REPAIRS AND PARTS REPLACEMENTS SHOULD BE UNDERTAKEN BY CERTIFIED AND LICENSED TECHNICIANS, AND NOT BY THE BUYER. THE BUYER ASSUMES ALL RISK AND LIABILITY ARISING OUT OF HIS OR HER REPAIRS TO THE ORIGINAL PRODUCT OR REPLACEMENT PARTS THERETO OR ARISING OUT OF HIS OR HER INSTALLATION OF REPLACEMENT PARTS THERETO.
Parts List
| Part | Description | Qty. |
| 1 | Machine Screw | 4 |
| 2 | Cover | 1 |
| 3 | Gasket | 1 |
| 4 | Machine Screw | 2 |
| 5 | Handle | 1 |
| 6 | Impeller | 1 |
| 7 | Pump Body | 1 |
| 8 | Oil Seal | 1 |
| Part | Description | Qty. |
| 9 | Rubber Ring | 1 |
| 10 | Motor | 1 |
| 11 | Brush | 2 |
| 12 | Brush Cap | 2 |
| 13 | Foot | 4 |
| 14 | Intake Attachment | 1 |
| 15 | Rubber Connector | 1 |
| 16 | Inlet Hose | 1 |
Record Product’s Serial Number Here:
Note: If the product has no serial number, record the month and year of purchase instead.
Note: Some parts are listed and shown for illustration purposes only, and are not available individually as replacement parts. Reference UPC 193175314840.
Assembly Diagram

Limited 90 Day Warranty
Harbor Freight Tools Co. makes every effort to assure that its products meet high quality and durability standards, and warrants to the original purchaser that this product is free from defects in materials and workmanship for the period of 90 days from the date of purchase. This warranty does not apply to damage due directly or indirectly, to misuse, abuse, negligence or accidents, repairs or alterations outside our facilities, criminal activity, improper installation, normal wear, and tear, or lack of maintenance. We shall in no event be liable for death, injuries to persons or property, or for incidental, contingent, special or consequential damages arising from the use of our product. Some states do not allow the exclusion or limitation of incidental or consequential damages, so the above limitation or exclusion may not apply to you. THIS WARRANTY IS EXPRESSLY IN LIEU OF ALL OTHER WARRANTIES, EXPRESS OR IMPLIED, INCLUDE THE WARRANTIES OF MERCHANTABILITY AND FITNESS.
To take advantage of this warranty, the product or part must be returned to us with transportation charges prepaid. Proof of purchase date and an explanation of the complaint must accompany the merchandise. If our inspection verifies the defect, we will either repair or replace the product at our election or we may elect to refund the purchase price if we cannot readily and quickly provide you with a replacement. We will return repaired products at our expense, but if we determine there is no defect, or that the defect resulted from causes not within the scope of our warranty, then you must bear the cost of returning the product.
This warranty gives you specific legal rights and you may also have other rights which vary from state to state.
For technical questions, please call 1-888-866-5797.
26541 Agoura Road • Calabasas, CA 91302 • 1-888-866-5797
To prevent death from electric shock, the pump must be connected only to a GFCI protected outlet.
Do not pump flammable materials. Motor brushes may spark and cause explosions.

















