DIY puzzle
player
Product operation instructions:
1. When the power switch is turned on and the K1 button is turned on, the D15 blue LED on the PCB board to indicate the standby state, and the speaker prompts “Bluetooth mode”, Use the Bluetooth device to match (Bluetooth name: MKIOT5998), the matching is successful and the sound “connected successfully” will be heard, and the beautiful music can be played at this time.
2. When the music is playing, the green, yellow and red LED lights on the PCB board will flash with the volume
3. DC input power: 5V 2A, USB output power 5V 2A, speaker power output per speaker: 3W impedance: 4 
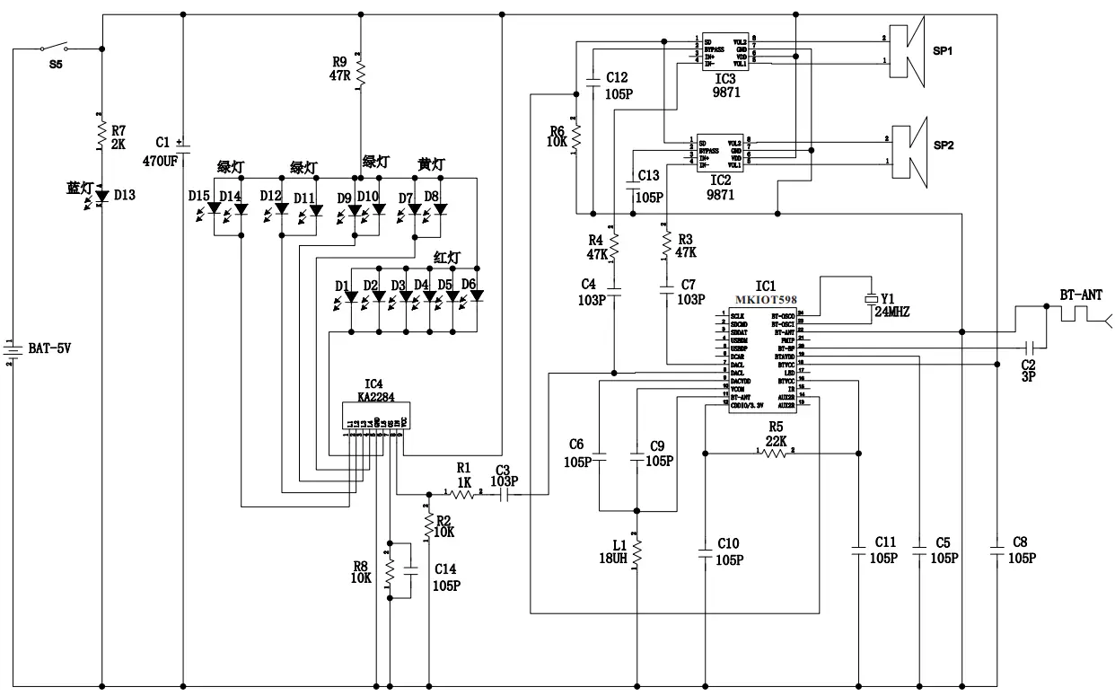
Application Circuit
Materials List:
| NO 1 2 3 | ITEM PCB | DESCRIPTION Size: 78x79x1.2mmJLS-1076-V3 RF-4 KA2284Size: 5MM Red Transparent Color Long Leg Size: 5MM Yellow Transparent Color Long LegSize: 5MM Green Transparent Color Long Leg Size: 5MM Blue Transparent Color Long Leg | QTY 1 1 6 2 6 1 1 1 2 2 2 | UNIT PC PC PCS PCS PCS PC PC PC PCS PCS PCS
| POSITION D1 D2 D3 D4 D5 D6 D7 D8 D9 D10 D11 D12 D13 D14 D15 C1 K1 |
Front of PCB board
Back of PCB board
the front components of the PCB board
Output on the back of the PCB board 
USB Power Connector



















