TELTONIKA Networks RUT955 Router

HARDWARE
FRONT VIEW

BACK VIEW

POWER SOCKET PINOUT

FEATURES









HARDWARE INSTALLATION
- Push the SIM holder button with the SIM needle.
- Pull out the SIM holder.
- Insert your SIM card into the SIM holder.
- Slide the SIM holder back into the router.
- Attach all antennas.
- Connect the power adapter to the socket on the front of the device. Then plug the other end of the power adapter into a power outlet.
- Connect to the device wirelessly using SSID and password provided on the device information label or use an Ethernet cable connected to LAN port.

LOGIN TO DEVICE
- To enter the router’s Web interface (WebUI), type http://192.168.1.1 into the URL field of your Internet browser.
- Use login information shown in image A when prompted for authentication.
- After you log in, you will be prompted to change your password for security reasons. The new password must contain at least 8 characters, including at least one uppercase letter, one lowercase letter, and one digit. This step is mandatory, and you will not be able to interact with the router’s WebUI before you change the password.
- When you change the router’s password, the Configuration Wizard will start. The Configuration Wizard is a tool used to set up some of the router’s main operating parameters.
- Go to the Overview page and pay attention to the Signal Strength indication (image B). To maximize the cellular performance try adjusting the antennas or changing the location of your device to achieve the best signal conditions.

TECHNICAL INFORMATION
| Radio specifications | |
| RF technologies | 2G, 3G, 4G, WiFi, GNSS |
| Max RF power | 33 dBm@GSM, 24 dBm@WCDMA, 23 dBm@LTE, 20 dBm@ WiFi |
| Bundled accessories specifications* | |
| Power adapter | Input: 0.4A@100-240VAC, Output: 9VDC, 1A, 4-pin plug |
| Mobile antenna | 698~960/1710~2690 MHz, 50 Ω, VSWR<3, gain** 3 dBi, omnidirectional, SMA male connector |
| WiFi antenna | 2400~2483.5 MHz, 50 Ω, VSWR<2, gain** 5 dBi, omnidirectional, RP-SMA male connector |
| GNSS antenna | 1575.42~1602 MHz, 2.2~5 VDC, VSWR<1.5, gain** 28 dB (typ.), RHCP polarization, SMA male connector |
WHAT’S IN THE BOX?
STANDARD PACKAGE CONTAINS*
- Router RUT955
- 9 W PSU
- 2 x LTE antennas (magnetic mount, SMA male, 3 m cable)
- 2 x WiFi antennas (magnetic mount, RP-SMA male, 1.5 m cable)
- GNSS antenna (adhesive , SMA male, 3 m cable)
- RS485 connector block
- I/O connector block
- Ethernet cable (1.5 m)
- SIM Adapter kit
- RMS Flyer
- QSG (Quick Start Guide)
- Packaging box

* For all standard order codes standard package contents are the same, execpt for PSU.
STANDARD ORDER CODES
| PRODUCT CODE | HS CODE | HTS CODE | PACKAGE CONTAINS |
| RUT955 T033B0 | 851762 | 8517.62.00 | Standard package with Euro PSU |
| RUT955 K034S0 | 851762 | 8517.62.00 | Standard package with US PSU |
| RUT955 J034S0 | 851762 | 8517.62.00 | Standard package with US PSU |
| RUT955 W03660 | 851762 | 8517.62.00 | Standard package with US PSU |
For more information on all available packaging options – please contact us directly.
AVAILABLE VERSIONS

The price and lead-times for region (operator) specific versions may vary. For more information please contact us. 1 – Regional availability – excluding Russia & Belarus.
MOUNTING OPTIONS

For more information on all available packaging options – please contact us directly.
COMPACT DIN RAIL KIT

SURFACE MOUNTING KIT

RUT955 SPATIAL MEASUREMENTS & WEIGHT
MAIN MEASUREMENTS
W x H x D dimensions for RUT955:
Device housing*: 110 x 50 x 100
Box: 355 x 60 x 175
*Housing measurements are presented without antenna connectors and screws; for measurements of other device elements look to the sections below.
TOP VIEW
The figure below depicts the measurements of RUT955 and its components as seen from the top:

RIGHT VIEW
The figure below depicts the measurements of RUT955 and its components as seen from the right side:

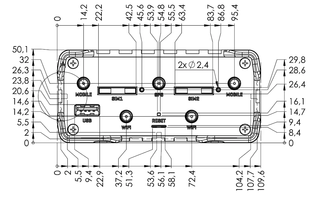
FRONT VIEW
The figure below depicts the measurements of RUT955 and its components as seen from the front panel side:

REAR VIEW
The figure below depicts the measurements of RUT955 and its components as seen from the back panel side:

MOUNTING SPACE REQUIREMENTS
The figure below depicts an approximation of the device’s dimensions when cables and antennas are attached:

DIN RAIL
The scheme below depicts protrusion measurements of an attached DIN Rail:





















