AQUA FLO QCUF Ultrafiltration Drinking Water System

Product Information
The Aqua Flo Quick Change Ultrafiltration Drinking Water System is a water filtration system designed for use on potable water supplies or disinfected water containing cysts. The system contains a replaceable ultrafiltration membrane filter and is intended to remove sediment, carbon block, and other contaminants from drinking water. The system comes in two models, the QCUF STD FAUCET and the QCUF DELUXE CHROME VS888 FAUCET.
The system has four stages of filtration, including a sediment filter, carbon block filter, ultrafiltration membrane, and another carbon block filter. The system has a daily production rate of 2725.5 L/day (720 G/day) with a 100% efficiency rating and 100% recovery rating.
Product Usage Instructions
Before using the Aqua Flo Quick Change Ultrafiltration Drinking Water System, ensure that the water source is potable or disinfected water containing cysts. Do not use the system where water is microbiologically unsafe or with water of unknown quality. If bacterial contamination is present, a recognized method of water disinfection is required.
Check with your public works department for applicable local plumbing and sanitation codes. Follow your local codes if they differ from the standards used in this manual.
The system contains a replaceable ultrafiltration membrane filter that should be replaced periodically. The filtered water should also be tested periodically to verify that the system is performing properly.
When installing, operating, or maintaining the product, read the entire manual before attempting to do so. Throughout the manual, there are paragraphs set off by special headings such as “Note,” “Caution!,” and “Warning!” that provide important information on installation, operation, or maintenance.
The serial number is located on the rear of the UF manifold housing. Record this number on the warranty page located at the end of this manual. Do not remove or destroy the serial number as it must be referenced on requests for warranty repair or replacement.
The system has four stages of filtration, including a sediment filter, carbon block filter, ultrafiltration membrane, and another carbon block filter. The system has a typical flow sequence, which includes passing through the sediment filter, carbon block filter, and ultrafiltration membrane in that order.
Attention Aqua Flo Customer:
- This system is intended for use on potable water supplies or disinfected water containing cysts. Do not use where water is microbiologically unsafe or with water of unknown quality. If bacterial contamination is present, a recognized method of water disinfection is required.
- Check with your public works department for applicable local plumbing and sanitation codes. Follow your local codes if they differ from the standards used in this manual.
- The Aqua Flo Quick Change Drinking Water System contains a replaceable ultrafiltration membrane filter. The filtered water should be tested periodically to verify that the system is performing properly.
Safe Practices
Throughout this manual there are paragraphs set off by special headings.
NOTE: Note is used to emphasize installation, operation or maintenance information which is important, but does not present any hazard. Example:
NOTE: The nipple must extend no more than 1 inch above the cover plate.
Caution: Caution is used when failure to follow directions could result in damage to equipment or property. Example:Disassembly while under water pressure can result in flooding.
WARNING: Warning is used to indicate a hazard which could cause injury or death if ignored. Example:Electrical shock hazard! Unplug the unit before removing the timer mechanism or cover plates!
Serial Number
The serial number is located on the rear of the UF manifold housing. Record this number on the warranty page located at the end of this manual.
NOTE: Do not remove or destroy the serial number. It must be referenced on requests for warranty repair or replacement.

This publication is based on information available when approved for printing. Continuing design refinement could cause changes that may not be included in this publication.
WARNING: If incorrectly installed, operated or maintained, this product can cause severe injury. Those who install, operate, or maintain this product should be trained in its proper use, warned of its dangers, and should read the entire manual before attempting to install, operate or maintain this product.
Installation, Operation & Service Instructions with Part List
Quick Change Ultrafiltration Drinking Water System

Specifications and Performance Data Sheet
| Part # | Model Description | Stage 1 | Stage 2 | Stage 3 | Stage 4 | Faucet |
| 1340201-60 | QCUF, STD FAUCET | Sediment | Carbon Block | Ultrafiltration Membrane | Carbon Block | Standard Chrome 87511 |
| 1340201-60-D | QCUF, DELUXE CHROME VS888 FAUCET | Sediment | Carbon Block | Ultrafiltration Membrane | Carbon Block | VS888 Chrome 87580 |
- Daily Production Rate L/day (G/day) . . . 2725.5 (720)
- Efficiency Rating. . . . . . . . . . . . . . . . . . . . . 100%
- Recovery Rating . . . . . . . . . . . . . . . . . . . . 100%
- Typical System Flow Sequence . . . . . . . . Sediment Filter
Carbon Block Filter
Ultrafiltration Membrane Carbon Block Filter
Dispensing Faucet - Sediment Filter (Stage 1). . . . . . . . . . . . . . 5 Micron
- Carbon Block Filter (Stage 2) . . . . . . . . . . 5 Micron
- Ultrafiltration Membrane (Stage 3) . . . . . 0.2 Micron
- Carbon Block Filter (Stage 4) . . . . . . . . . . 5 Micron
Dimensions

Recommended Influent Water Characteristic
| Pressure | 40 – 100 psi |
| Temperature | 40 – 77 ºF |
| pH | 5 – 10 |
| Chlorine2 | 0 – 3 ppm (0 – 3 mg/L) |
| Chloramine | 0 – 3 ppm (0 – 3 mg/L) |
| Turbidity | 0 – 10 NTU |
| Hardness3 | 0 – 10 gpg |
| Iron | 0 – 1 ppm (0 – 1 mg/L) |
| Bacterial Quality | Potable |
NOTES
- A softener is strongly recommended for water over 10 gpg hard. Installing a system without a softener on water with hardness higher than 10 gpg will reduce the life of the membrane.
- Additional information on factors that affect UF performance can be found in the “Performance & Technical Information” section.
Filter Cartridge Specifications
| Part # | Description | Purpose | Micron Rating | Capacity | Flow Rate | Working Temperature Range | Working Pressure Range | Rated Life* | STAGE |
| 41407001 | Sediment Filter | Sediment Reduction | 5 | 2000 gallons (7570 liters) | 0.5 gal/min (1.9 liters/min) | 4-38° C (40- 100° F) | 207-689 kPa (30-100 psi) | 6 Months | 1 |
| 41407005 | Hollow Fiber Membrane | Ultra Fine Filtration | 0.2 | 2000 gallons (7570 liters) | 0.5 gal/min (1.9 liters/min) | 4-38° C (40- 100° F) | 207-689 kPa (30-100 psi) | 12 Months | 3 |
| 41407002 | Carbon Block Filter | Chlorine Taste and Odor | 5 | 2000 gallons (7570 liters) | 0.5 gal/min (1.9 liters/min) | 4-38° C (40- 100° F) | 207-689 kPa (30-100 psi) | 6 Months | Stage 2 & 4 |
- The performance and life of an ultrafiltration membrane or filter element is highly dependent upon pressure, temperature and water quality.
Suggested Installation Equipment
Recommended Tools

- Utility Knife
- Flathead Screwdriver
- Phillips Screwdriver
- Center Punch
- 7/8” Stepped Drill Bit
- Finish Hole Saw
- Porcelain Saw
- 1/8” & 3/8” Drill Bits
- Heavy Duty Drill
- Work Light
- Adjustable Wrenches
- Pressure Gauge
Overview
Overview of the Aqua Flo Quick Change UF System’s Components

Manifold Assembly
The manifold assembly serves as the functional hub of the Aqua Flo system by directing the flow through each of the system’s main components.
Sediment Prefilter
The sediment prefilter screens out particulate material, such as dirt, sand, or rust, which may clog the ultrafiltration membrane.
Activated Carbon Block Filters
The activated carbon Block filters adsorb any residual tastes and odors.
Ultrafiltration Membrane
The Ultrafiltration Membrane mechanically removes microscopic impurities. Hollow fiber membranes utilize numerous long, narrow porous filaments packed inside the housing. Product water diffuses through the membrane while impurities become trapped in the membrane.
The UF membrane featured in the Aqua Flo system offers exceptional contaminant adsorption, application versatility, and long life.
The sediment prefilters must be maintained properly to prevent clogging and premature failure of the UF membrane.
Dispenser Faucet
The Aqua Flo faucet allows the product water to be drawn from the system by depressing the handle.
NOTE: Cleanliness is essential in the preparation procedure. Be sure to wash your hands thoroughly before handling filters. The use of surgical gloves is strongly recommended.
Package Contents

- UF Manifold with Flow Control
- Sediment Filter
- Carbon Block Filter
- Ultrafilter Membrane
- Carbon Block Filter
- Faucet and Hardware
- T-Adaptor
- Locking Clip (3/8”)
- 3/8” Elbow
- Faucet Adapter
- Locking Clip (1/4”)
- 1/4” Elbow
- X #10 Phillips Self Tapping Screws
- 1/4” Tubing (4 ft.)
- 3/8” Tubing ( 4 ft.)
- Installation Template Sheet 11X17
- O-Ring Small
- O-Ring Medium
- Filter Head
Product Information
This manual covers the technical aspects of Aqua Flo Quick Change drinking water systems. It is important to read this manual thoroughly so that you can properly apply, install, and service these systems.
The substances reduced by this system are not necessarily in the customer’s untreated water.
Warranty
A limited warranty is extended to the original end user from Canature WaterGroup. This warranty is printed on the back cover of the Owner’s Guide.
Application Guidelines
The Aqua Flo system is designed for use on potable water supplies meeting the guidelines outlined in Table 1. The system should be installed on a home’s cold water line. The flushing stream should discharge through an approved siphon break. Installation of this system must comply with state and local laws and regulations.
Package Content
The Aqua Flo system is shipped from the factory in carton:
NOTE: The filter elements are shipped in their own sealed packaging. This will help to simplify preparation of the system and to maximize the shelf life of the UF membrane element.
Preparation
Tubing Connectors
The Aqua Flo system features reliable and convenient push-to-connect tubing connectors. Tubing is easily connected and disconnected from these fittings as follows.
Quick-Connect Fitting
Insertion & Removal of Plastic or Copper Tubing
- Simply push in tube to attach
- Tube is secured in position
- Push in collet from both sides to release the tubing

Connect:
Cut the tubing squarely with a sharp knife. Be careful not to crush the tubing. To avoid leaks, make sure the tubing end is smooth and free of burrs and abrasions. Lubricate the end of the tube with water or a light coat of silicone and push the tube end firmly into the fitting. You should feel it push past the O-ring. Avoid bending the tubing sharply away from the fitting.
Disconnect:
Hold the collar against the fitting body and pull the tube from the fitting.
In the unlikely event that the connection leaks, remove and recut the tubing. Check the inside of the fitting for debris or O-ring damage. Reconnect.
Push-to-connect tubing connectors grip the outside diameter of the tube. To help assure a reliable connection, it is important to use high quality tubing with a consistent outside diameter.

- Cut tube squarely with a sharp knife.
Installation
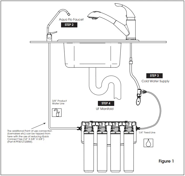
- The exact placement of the components will vary by installation. Although shown beneath a sink, it may be installed
in a basement, crawl space, or in an adjacent cabinet. Regardless of where the system is installed, the flow sequence described by (figure 1) must be observed. - The Aqua Flo Platinum® drinking water system is designed to be mounted near a sink for easy access to cold water. Lengths of 1/4-inch and 3/8-inch OD plastic tubing will be required to make this installation.
- Evaluate the installation site to determine the easiest path for the plumbing to follow. Take care to make the installation as neat as possible.

The following steps will enable you to install the system quickly and orderly. Some variation may be necessary depending on the installation. See page 4 for a check list of tools and materials.
Typical installations follow this sequence:
- Select Component Installation Locations
- Faucet Installation
- Install Adapter Valve on Water Supply
- Install Filter System Assembly
- Start-Up
Step 1 Select Component Installation Locations
- Dispenser Faucet – The faucet is designed to be mounted on the rear lip of the sink. It may be installed in an existing sprayer attachment hole or in a hole drilled at the time of installation. It may also be mounted to an adjacent counter top. It should be positioned so that water is dispensed over the sink. A 7/8” diameter hole is required.
- Important considerations:
- Access to the bottom (undersink) of the faucet is required for attachment of product water line.
- There should be no undersink obstructions which would prevent smooth tubing runs to the UF module assembly.
- Filter System Assembly – The filter system assembly is designed to be mounted on any rigid vertical surface such as a cabinet sidewall, sheetrock in exposed stud. It should be positioned such that there is access to an inlet water source. The installation should also allow convenient access for servicing.
- Inlet Water Supply Connection – Once a location is chosen for installation of the filter system assembly, select a nearby cold water line to provide the water source for the system.
NOTE: Follow all local plumbing codes when connecting to service water.
Step 2 – Faucet Installation
To simplify its access and installation, we suggest you install the faucet on the rear lip of the sink. It should be evenly positioned with the sink faucet and spray attachment. Should the spray faucet hole not be available for the installation, the sink must be drilled.
NOTE: It is recommended retaining the services of a professional counter top craft person when a hole is needed in granite or other specialty counter top materials.
Sink Drilling Instructions
Stainless Steel Sink
- Select and mark the proper faucet location.
- Center punch hole to provide a starting point for your drill.
- Drill a 7/8” hole in the sink using a stepped 7/8” drill bit. If no stepped bit is available, start drilling a 1/4” hole. Using this hole as a starting progressively drill larger holes. Increase 1/8” until you reach a 7/8” hole.
Porcelain Enamel Sink
Follow these basic guidelines when drilling a porcelain sink:
- Pilot Drill
- Spring Loaded Porcelain Saw
- Finish Hole Saw
- Penetrate the porcelain to the base material.
- Protect the surrounding porcelain material.
- Use the appropriate tool to drill the base material.
One proven tool is the Relton porcelain cutter kit when used with a slow speed drill (300-400 rpm).
- Drill a pilot hole through the porcelain and base material with the carbide tip drill.
- Build a putty dam around the drill area. Add enough water to lubricate cutters and reduce cutting noise.
- Insert the porcelain cutter into the drill. Place the drill tip in the pilot hole. Check for free movement.
- Apply light pressure to the cutter tool and start the drill motor at low speed (300-400 rpm). When the initial cut has been made in the porcelain, speed may be increased. After a complete ring has been cut through the porcelain, change over to the metal cutter. Avoid contacting the outer rim of cut porcelain when drilling.
CAUTION: Avoid high drill speed during penetration of porcelain. A single speed drill can be used at a slow speed by switching it on and off quickly. - Use a slow speed and light pressure to cut away the porcelain.
- Stop when you reach the metal under the porcelain. Remove the cutter and clean the porcelain chips from the surface. Continue cutting through the metal.
NOTE: Ceramic tile counters should be treated like porcelain when penetrating the surface, then treated as metal to complete the hole with carbide drills. Formica countertops can be drilled with a high-speed wood drill.
Standard Faucet

Standard Faucet Installation
- Remove white protective film from faucet base. Install faucet body, small rubber washer, metal base, and large rubber washer above sink (items 1-4).
- Install plastic washer, lock washer and nut (items 5-7) onto faucet stem below sink and tighten. Be sure to properly align the faucet.
- Install the faucet adapter (item 8). Connect the 3/8″ tubing to the faucet adapter.
NOTE: Make certain that the tubing is all the way into the fitting; once inserted pull lightly to make sure it is locked in place.
Step 3 – Install T Adapter Valve on Water Supply (Part # 60010643)

Step 4 – Install Filter System Assembly
The mounting bracket contains four mounting slots. The holes are sized to accept #10 round head wood screws (supplied). Some types of surfaces such as particle board or drywall, may require the use of plastic screw anchors or toggle bolts to provide adequate support for the unit.

- Tape the paper template included with this unit to the wall with the base of the template on the bottom of the cabinet (or higher). Be sure to leave adequate space (8 1/2” or more from the centerline) on both sides of the template.
- Drill 1/8” hole at each location as indicated on the template.
- Remove template. Thread one of the included wood screws into each hole leaving approximately a 1/2” space between the screw head and mounting surface.
- Hang the bracket on the mounting screws. If unit is loose, tighten the screws further.
Install Filter Cartridges
- Twist the cartridge to lock it into the manifold. (as shown)

Connect System
When cutting plastic tubing, use a sharp utility knife. Cut the tubing squarely. See page 8 for cutting and connecting tubing.
- Connect quick connect elbows to the two open connection locations on the unit. Firmly push the fittings into place, then pull back lightly to lock them in.
- Connect 1/4-inch OD plastic tubing from the feed water supply source to the system inlet on the manifold.
- Connect 3/8-inch OD plastic tubing from the product water faucet to the manifold.

- Attach locking clips to each elbow fitting. Clips should slide in behind collet on the fittings.
Step 5 – Start-Up
- Check system to verify all components are correctly installed
- Open inlet valve.
- Check system thoroughly for leaks. If any are found, shut off inlet and correct the issue.
- Open faucet to flush carbon fines & sanitization solution. After allowing the system to run for 20 minutes turn off the faucet
- System is ready to use
WARNING: Do not drink water produced by the system until the start-up procedure has been followed completely!
Service and Maintenance
Service Schedule
To keep the Aqua Flo system operating properly, it is necessary to change the filters and sanitize the system periodically. Typically, this should be done on an annual basis. Service frequency may vary depending on local water conditions. High sediment, chlorine, turbidity, or hardness levels may require more frequent service. Use the following as a guide.
As needed
Clean the faucet with a soft cloth, avoid abrasive cleaners.
At least once in 6 months
Replace
- Stage 1 Sediment Filter (41407001)
- Stage 2 & 4 Carbon Block Filter (41407002)
At least once in 12 months
Replace
- Stage 3 Ultrafiltration Membrane (41407005)
- Sanitize the system
Drinking Water System Sanitization Kit Preparation – 42903016
Place some rags or a towel below the system as some water may leak during this procedure. Have a pail handy to drain water into.
- Shut off the water supply to the system at the adapter valve. Open the faucet and allow the system to drain completely Shut off the faucet once drained.

- Disconnect all 4 cartridges and replace them with the blank cartridges included in this kit. Disconnect the inlet line from the system
the system into a pail. - Add either ½ teaspoon of household bleach or 1 packet of Sani-System Liquid Concentrate (#50036) to the clear sanitization cartridge and seal the cartridge tightly.

- Using the tubing included in the kit, connect the sanitization cartridge between the adapter valve and the inlet
port on the system. - Turn on the water at the adapter valve. Next, turn on the faucet and allow the system to run for 30 minutes.
- Leaving the faucet open, shut off inlet water and let the system drain completely.

- Disconnect the sanitization cartridge from the inlet line and system. Reconnect the inlet line to the system and replace cartridges on system.
- Turn on the inlet water and check for leaks.
Your system is now clean and ready to use!
Parts

| # | Item # | Description | Qty. |
| 1 | 41407001 | Cartridge, Quick Change Sediment Filter – Stage 1 | 1 |
| 2 & 4 | 41407002 | Cartridge, Quick Change Carbon Block – Stage 2 & 4 | 2 |
| 3 | 41407005 | Cartridge, Quick Change Ultrafiltration Membrane – Stage 3 | 1 |
| 5 | Ci220808W | Elbow,1/4” Stem | 1 |
| 6 | Ci221212W | Elbow,3/8” Stem | 1 |
| 7 | 134040U | Manifold, Quick Change Ultrafilter, 4 Stage | 1 |
Other Parts
| # | Item # | Description | QTY |
| 1 | 60010643 | T-Adaptor | 1 |
| 2 | PP3212U7W | Faucet Adapter | 1 |
| 3 | 32702004 | 4x #10 Phillips Self Tapping Screws | 4 |
| 4 | PE-08-BI-0500F-W | Tubing 1/4” | 4’ |
| 5 | PE-12-EI-0500F-W | Tubing 3/8” | 4’ |
| 6 | PiC1812R | Locking Clip 3/8” | 2 |
| 7 | PiC1808R | Locking Clip 1/4” | 2 |
| 8 | Ci221212W | Elbow 3/8 x 3/8 | 2 |
| 9 | Ci220808W | Elbow 1/4 x 1/4 | 2 |
| 10 | 41407554 | O-Ring Small | |
| 11 | 41407555 | O-Ring Medium | |
| 12 | 92804 | Replacement Filter Head | |
| 13 | 87511, 87580, 87581 | Faucet, Model Dependent |

Troubleshooting Guide
If a problem cannot be corrected through the use of this troubleshooting guide please have the following information ready prior to calling the 1-800 number on the back of this manual:
- Serial #
- Model #
| Problem | Possible Cause | Remedy |
| 1. Insufficient quantity of product water available to service. | a. Plugged prefilter. | a. Replace filter element. |
| b. Plugged polishing filter. | b. Replace polishing filter. | |
| c. UF membrane fouled with sediment. | c. Replace UF membrane and prefilter elements. | |
| 2. Poor product water quality. | a. All of (1) above. | a. All of (1) above. |
| b. UF membrane worn out. | b. Replace UF membrane. | |
| 3. Bad tasting product water. | a. Decrease in product quality; see (2) above. | a. Same as (2) above. |
| b. Polishing filter exhausted. | b. Replace polishing filter | |
| 4. External leakage. | a. Tubing not fully seated in fitting | a. Check all fittings for tightness. |
| b. Tubing abraded in seal area. | b. Recut tubing and redo connection. | |
| 5. Bad smell from product water. | a. Polishing filter exhausted. | a. Replace polishing filter. |
| b. Prefilter element. | b. Replace filter element. | |
| c. Unit needs disinfection. | c. Sanitize unit. | |
| 6. Black specks in product water. | a. Carbon fines. | a. Flush polishing filter. |
| 7. Low faucet pressure. | a. Polishing filter plugged. | a. Replace polishing filter. |
Guarantee
Aqua Flo Guarantee
Subject to the conditions and limitations described below, Canature WaterGroup warrants its Aqua Flo Ultrafiltration Drinking Water Treatment Systems (excluding membrane and cartridge filters), when installed in accordance with Canature WaterGroup specifications, to be free from defects in materials and workmanship under normal use within the operating specifications for a period of one (1) year from the date of purchase (with bill of sale). This warranty shall apply to the original end-user of the system only.
Other than the membrane and cartridge filters, any part found defective within the terms of this warranty will be repaired or replaced by Canature WaterGroup. If any part is found defective, Canature WaterGroup also reserves the right to replace the drinking water appliance with a comparable Canature WaterGroup drinking water system of equal or greater quality. You pay only freight for repaired or replaced parts from our factory.
This warranty shall not apply to any part damaged by accident, fire, flood, freezing, Act of God, bacterial attack, membrane fouling and/or scaling, sediment, misuse, misapplication, neglect, alteration, installation, or operation contrary to our printed instructions, or by the use of accessories or components which do not meet Canature WaterGroup specifications. If the drinking water system is altered by anyone other than Canature WaterGroup the warranty shall be void.
ALL IMPLIED WARRANTIES, INCLUDING WITHOUT LIMITATION WARRANTIES OF MERCHANTABILITY AND FITNESS FOR PARTICULAR PURPOSE, ARE LIMITED TO THE DURATION OF THE PERIOD SPECIFIED ABOVE FOR THE PARTS DESCRIBED IN THIS LIMITED WARRANTY.
As a manufacturer, we do not know the characteristics of your water supply. The quality of water supplies may vary seasonably or over a period of time. Your water usage may vary as well. Water characteristics can also change if the drinking water appliance is moved to a new location. For these reasons, we assume no liability for the determination of the proper equipment necessary to meet your requirements, and we do not authorize others to assume such obligation for us. Further, we assume no liability and extend no warranties, express or implied, for the use of this product with a non-potable water source or a water source which does not meet the conditions for use as described in this Owners Guide.
CANATURE WATERGROUP’S OBLIGATIONS UNDER THIS WARRANTY ARE LIMITED TO THE REPAIR OR REPLACEMENT OF THE FAILED PARTS OF THE DRINKING WATER SYSTEM, AND WE ASSUME NO LIABILITY WHATSOEVER FOR DIRECT, INDIRECT, INCIDENTAL, CONSEQUENTIAL, SPECIAL, GENERAL OR OTHER DAMAGES, WHETHER FROM CORROSION OR OTHER CAUSES.
Some states do not allow limitations on how long an implied warranty lasts, so the above limitations may not apply to you. Similarly, some states do not allow the exclusion of incidental or consequential damage, so the above limitation or exclusion may not apply to you. This warranty gives you specific legal rights, and you may have other rights that vary from state to state.
INSTALLATION INFORMATION
- Serial Number:
- Installation Date:
- Installed By:
CONTACT
- ADDRESS:Canature WaterGroup™ 855 Park Street, Unit 1 Regina, SK. S4N 6M1 Canada
- Toll Free: 1-877- 288-9888
- USA Office:
- ADDRESS: 6353 Commerce Drive Whitestown, IN. 46075 USA
- Toll Free: 1-877- 288-9888























