METER 18224 Soil Moisture and Temperature Sensor User Manual

SENSOR DESCRIPTION
The TEROS 11 Soil Moisture and Temperature sensor and the TEROS 12 Soil Moisture, Temperature, and Electrical Conductivity (EC) sensor are accurate tools for monitoring volumetric water content (VWC), temperature in soil and soilless substrates, and electrical conductivity (TEROS 12 only). The TEROS 11/12 determines VWC using capacitance/frequency-domain technology. The sensor uses a 70 MHz frequency, which minimizes textural and salinity effects, making the TEROS 11/12 accurate in most mineral soils. The TEROS 11/12 uses a thermistor in the center needle to measure temperature and electrical conductivity (TEROS 12 only) using a stainless-steel electrode array
For a more detailed description of how this sensor makes measurements, refer to the TEROS 11/12 User Manual.
APPLICATIONS
TEROS 11
- Volumetric water content (VWC)
- Soil–water storage measurement
- Irrigation management
- Soil/substrate temperature measurement
- Plant growth research
TEROS 12
- Volumetric water content (VWC)
- Soil/substrate water balance
- Irrigation management
- Soil/substrate temperature measurement
- Solute/fertilizer movement
- Soil EC measurement
ADVANTAGES
- Three-wire sensor interface: power, ground, and data
- Digital sensor communicates multiple measurements over serial interface
- Robust thermistor for accurate temperature measurements
- Low-input voltage requirements
- Low-power design supports battery-operated data loggers
- Robust epoxy encapsulation resists corrosive environments
- Supports SDI-12 or DDI Serial communications protocols
- Modern design optimized for low-cost sensing
PURPOSE OF THIS GUIDE
METER provides the information in this integrator guide to help customers establish communication between these sensors and their data acquisition equipment or field data loggers. Customers using data loggers that support SDI-12 sensor communications should consult the data logger user manual. METER sensors are fully integrated into the METER system of plug-and-play sensors, cellular-enabled data loggers, and data analysis software.
COMPATIBLE FIRMWARE VERSIONS
This guide is compatible with firmware versions 3.00 or newer.
SPECIFICATIONS
MEASUREMENT SPECIFICATIONS


COMMUNICATION SPECIFICATIONS

PHYSICAL SPECIFICATIONS

ELECTRICAL AND TIMING CHARACTERISTICS


COMPLIANCE

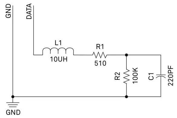
EQUIVALENT CIRCUIT AND CONNECTION TYPES
Refer to Figure 2 and Figure 3 to connect the TEROS 11/12 to the logger. Figure 2 provides a low-impedance variant of the recommended SDI-12 specification.

Figure 2 Equivalent circuit diagram

Figure 3 Connection types
PRECAUTIONS
METER sensors are built to the highest standards, but misuse, improper protection, or improper installation may damage the sensor and possibly void the warranty. Before integrating sensors into a sensor network, follow the recommended installation instructions and implement safeguards to protect the sensor from damaging interference.
SURGE CONDITIONS
Sensors have built-in circuitry that protects them against common surge conditions. Installations in lightning-prone areas, however, require special precautions, especially when sensors are connected to a well-grounded third-party logger.
Read the application note Lightning surge and grounding practices on the METER website for more information.
POWER AND GROUNDING
Ensure there is sufficient power to simultaneously support the maximum sensor current drain for all the sensors on the bus. The sensor protection circuitry may be insufficient if the data logger is improperly powered or grounded. Refer to the data logger’s installation instructions. Improper grounding may affect the sensor output as well as sensor performance.
Read the application note Lightning surge and grounding practices on the METER website for more information.
CABLES
Improperly protected cables can lead to severed cables or disconnected sensors. Cabling issues can be caused by many factors, including rodent damage, driving over sensor cables, tripping over the cable, not leaving enough cable slack during installation, or poor sensor wiring connections. To relieve strain on the connections and prevent loose cabling from being inadvertently snagged, gather and secure the cable travelling between the TEROS 11/12 and the data acquisition device to the mounting mast in one or more places. Install cables in conduit or plastic cladding when near the ground to avoid rodent damage. Tie excess cable to the data logger mast to ensure cable weight does not cause sensor to unplug.
SENSOR COMMUNICATIONS
METER digital sensors feature a serial interface with shared receive and transmit signals for communicating sensor measurements on the data wire (Figure 3). The sensor supports two different protocols: SDI-12 and DDI Serial. Each protocol has implementation advantages and challenges. Please contact Customer Support if the protocol choice for the desired application is not obvious.
SDI-12 INTRODUCTION
SDI-12 is a standards-based protocol for interfacing sensors to data loggers and data acquisition equipment. Multiple sensors with unique addresses can share a common 3-wire bus (power, ground, and data). Two-way communication between the sensor and logger is possible by sharing the data line for transmit and receive as defined by the standard. Sensor measurements are triggered by protocol command. The SDI-12 protocol requires a unique alphanumeric sensor address for each sensor on the bus so that a data logger can send commands to and receive readings from specific sensors.
Download the SDI-12 Specification v1.3 to learn more about the SDI-12 protocol.
DDI SERIAL INTRODUCTION
The DDI Serial protocol is the method used by the METER data loggers for collecting data from the sensor. This protocol uses the data line configured to transmit data from the sensor to the receiver only (simplex). Typically, the receive side is a microprocessor UART or a general-purpose I/O pin using a bitbang method to receive data. Sensor measurements are triggered by applying power to the sensor.
INTERFACING THE SENSOR TO A COMPUTER
The serial signals and protocols supported by the sensor require some type of interface hardware to be compatible with the serial port found on most computers (or USB-to-serial adapters). There are several SDI-12 interface adapters available in the marketplace; however, METER has not tested any of these interfaces and cannot make a recommendation as to which adapters work with METER sensors. METER data loggers and the ZSC and PROCHECK hand-held device can operate as a computer-to-sensor interface for making on-demand sensor measurements. For more information, please contact Customer Support.
METER SDI-12 IMPLEMENTATION
METER sensors use a low-impedance variant of the SDI-12 standard sensor circuit (Figure 2). During the power-up time, sensors output a sensor reading formatted as a DDI Serial message and should not be communicated with until the power-up time has passed. After the power up time, the sensors are compatible with all commands listed in the SDI-12 Specification v1.3 except for the continuous measurement commands (aR0–aR9 and aRC0–aRC9) and the concurrent measurement commands (aC–aC9 and aCC0–aCC9). M, R, and C command implementations are found on pages 8–10. The aR3 and aR4 commands are used by METER systems and as a result use space delimination, instead of the sign delimination required by the SDI-12 standard.
Out of the factory, all METER sensors start with SDI-12 address 0 and print out the DDI Serial startup string during the power-up time. This can be interpreted by non-METER SDI-12 sensors as a pseudo-break condition followed by a random series of bits.
The TEROS 11/12 will omit the DDI Serial startup string (sensor identification) when the SDI-12 address is nonzero. Changing the address to a nonzero address is recommended for this reason.
SENSOR BUS CONSIDERATIONS
SDI-12 sensor buses require regular checking, sensor upkeep, and sensor troubleshooting. If one sensor goes down, that may take down the whole bus even if the remaining sensors are functioning normally. METER SDI-12 sensors can be power-cycled and read on the desired measurement interval or powered continuously and commands sent when a measurement is desired. Many factors influence the effectiveness of the bus configuration. Visit metergroup.com for articles and virtual seminars containing more information.
SENSOR ERROR CODES
The TEROS 11/12 has three error codes:
- -9999 is output in place of the measured value if the sensor detects that the measurement function has been compromised and the subsequent measurement values have no meaning
- -9992 is output in place of the measured value if the sensor detects corrupt or lost calibrations
- -9991 is output in place of the measured value if the sensor detects insufficient voltage to perform the measurement
SDI-12 CONFIGURATION
Table 1 lists the SDI-12 communications configuration.

SDI-12 TIMING
All SDI-12 commands and responses must adhere to the format in Figure 4 on the data line. Both the command and response are preceded by an address and terminated by a carriage return and line feed combination (<CR><LF>) and follow the timing shown in Figure 5.

Figure 4 Example SDI-12 transmission of the character 1 (0x31)

Figure 5 Example data logger and sensor communication
COMMON SDI-12 COMMANDS
This section includes tables of common SDI-12 commands that are often used in an SDI-12 system and the corresponding responses from METER sensors.
IDENTIFICATION COMMAND (aI!)
The Identification command can be used to obtain a variety of detailed information about the connected sensor.
An example of the TEROS 11 command and response is shown in Example 1 and the TEROS 12 command and response is shown in Example 2, where the command is in bold and the response follows the command.


CHANGE ADDRESS COMMAND (aAB!)
The Change Address command is used to change the sensor address to a new address. All other commands support the wildcard character as the target sensor address except for this command. All METER sensors have a default address of 0 (zero) out of the factory. Supported addresses are alphanumeric (i.e., a–z, A–Z, and 0–9 ). An example output from a METER sensor is shown in Example 3, where the command is in bold and the response follows the command.

ADDRESS QUERY COMMAND (?!)
While disconnected from a bus, the Address Query command can be used to determine which sensors are currently being communicated with. Sending this command over a bus will cause a bus contention where all the sensors will respond simultaneously and corrupt the data line. This command is helpful when trying to isolate a failed sensor. Example 4 shows an example of the command and response, where the command is in bold and the response follows the command. The question mark (?) is a wildcard character that can be used in place of the address with any command except the Change Address command.

COMMAND IMPLEMENTATION
The following tables list the relevant Measurement ( M), Concurrent (C), Verification ( V ), Extended (X ), and Continuous (R) commands and subsequent Data (D) commands, when necessary
NOTE: SDI-12 commands MC, CC, and RC that request the sensor response include cyclical redundancy check characters may also be used.
MEASUREMENT COMMANDS IMPLEMENTATION
Measurement (M) commands are sent to a single sensor on the SDI-12 bus and require that subsequent Data (D ) commands are sent to that sensor to retrieve the sensor output data before initiating communication with another sensor on the bus.
Please refer to Table 2 and for an explanation of the command sequence and see Table 11 for an explanation of response parameters.

NOTES: is only output on the TEROS 12.
The measurement and corresponding data commands are intended to be used back to back. After a measurement command is processed by the sensor, a service request a is sent from the sensor signaling the measurement is ready. Either wait until ttt seconds have passed or wait until the service request is received before sending the data commands. See the SDI-12 Specification v1.3 document for more information.
CONCURRENT MEASUREMENT COMMANDS IMPLEMENTATION
Concurrent ( C ) measurement commands are typically used with sensors connected to a bus. Concurrent (C ) commands for this sensor deviate from the standard C command implementation. First, send the C command, wait the specified amount of time detailed in the C command response, and then use D commands to read its response prior to communicating with another sensor.
Please refer to Table 3 for an explanation of the command sequence and see Table 11 for an explanation of response parameters.

NOTES: is output on the TEROS 12 only.
This command does not adhere to the SDI-12 concurrent command requirements. See METER SDI-12 Implementation for more information.
The measurement and corresponding data commands are intended to be used back to back. After a measurement command is processed by the sensor, a service request a is sent from the sensor signaling the measurement is ready. Either wait until ttt seconds have passed or wait until the service request is received before sending the data commands. See the SDI-12 Specification v1.3 document for more information.
VERIFICATION COMMAND IMPLEMENTATION
The Verification ( V ) command is intended to give users a means to determine information about the current state of the sensor. The V command is sent first, followed by D commands to read the response.

EXTENDED COMMAND IMPLEMENTATION
Extended (X) commands provide sensors with a means of performing manufacturer-specific functions. Additionally, the extended commands are utilized by METER systems and use a different response format than standard SDI-12 commands. X commands are required to be prefixed with the address and terminated with an exclamation point. Responses are required to be prefixed with the address and terminated with .
METER implements the following X commands:
- aXRx! to trigger a sensor measurement and return the data automatically after the readings are completed without needing to send additional commands.
- aXO! (with capital O) to suppress the DDI Serial string.
Please refer to Table 5 through Table 7 for an explanation of the command sequence and see Table 9 for an explanation of response parameters.


NOTES: <electricalConductivity> is output on the TEROS 12 only.
This command does not adhere to the SDI-12 response format or timing. The values in this command are space delimited. As such a + sign is not assigned between values, and a – sign is only present if the value is negative. See METER SDI-12 Implementation for more information.

NOTES: <electricalConductivity> is output on the TEROS 12 only.
This command does not adhere to the SDI-12 response format or timing. The values in this command are space delimited. As such a + sign is not assigned between values, and a – sign is only present if the value is negative. See METER SDI-12 Implementation for more information.
CONTINUOUS MEASUREMENT COMMANDS IMPLEMENTATION
Continuous (R) measurement commands trigger a sensor measurement and return the data automatically after the readings are completed without needing to send a D command.
Please refer to Table 8 through Table 10 for an explanation of the command sequence and see Table 11 for an explanation of response parameters.

NOTE: <electricalConductivity> is output on the TEROS 12 only.
This command does not adhere to the SDI-12 response timing. See METER SDI-12 Implementation for more information.

NOTE: <electricalConductivity> is output on the TEROS 12 only.
This command does not adhere to the SDI-12 response format or timing. The values in this command are space delimited. As such a + sign is not assigned between values, and a – sign is only present if the value is negative. See METER SDI-12 Implementation for more information.

NOTE: <electricalConductivity> is output on the TEROS 12 only.
This command does not adhere to the SDI-12 response format or timing. The values in this command are space delimited. As such a + sign is not assigned between values, and a – sign is only present if the value is negative. See METER SDI-12 Implementation for more information.

NOTES: <electricalConductivity> is output on the TEROS 12 only.
This command does not adhere to the SDI-12 response format or timing. The values in this command are space delimited. As such a + sign is not assigned between values, and a – sign is only present if the value is negative. See METER SDI-12 Implementation for more information.
PARAMETERS
Table 11 lists the parameters, unit measurement, and a description of the parameters returned in command responses for TEROS 11/12.
Table 11 Parameter descriptions

SENSOR METADATA VALUE
The sensor metadata value contains information to help alert users to sensor-identified conditions that may compromise optimal sensor operation. The output of the aV! aD0! sequence will output a <meta> integer value. This integer represents a binary bitfield, with each individual bit representing an error flag.
Table 12 lists the possible error flags that can be set by the TEROS 11/12. If multiple error flags are set, the sensor metadata integer value will be the sum of the individual values. To decode an integer value not explicitly in Table 12, find the largest error flag value that will fit in the integer value and accept that error as being present. Then, subtract that error flag value from the integer value and repeat the process on the remainder until the result is zero. For example, a sensor metadata integer value of 384 is the sum of the individual error flag values 256 + 128, so this sensor has corrupt firmware and a corrupt or lost sensor calibration.

DDI SERIAL COMMUNICATION
The DDI Serial communications protocol is ideal for systems that have dedicated serial signaling lines for each sensor or use a multiplexer to handle multiple sensors. The serial communications are compatible with many TTL serial implementations that support active-high logic levels using 0- to 3.6-V signal levels. When the sensor is first powered, it automatically makes measurements of the integrated transducers then outputs a response over the data line. Systems using this protocol control the sensor excitation to initiate data transfers from the sensor. This protocol is subject to change as METER improves and expands the line of digital sensors and data loggers. TEROS 11/12 will omit the DDI Serial startup string when the SDI-12 address is nonzero.
NOTE: Out of the factory, all METER sensors start with SDI-12 address 0 and print out the DDI Serial string when power cycled.
DDI SERIAL TIMING
Table 13 lists the DDI Serial communications configuration.

At power up, the sensor will pull the data line high within 100 ms to indicate that the sensor is taking a reading (Figure 6). When the reading is complete, the sensor begins sending the serial signal out the data line adhering to the format shown in Figure 7. Once the data is transmitted, the sensor goes into SDI-12 communication mode. To get another serial signal, the sensor must be power cycled.
NOTE: Sometimes the signaling from the sensor can confuse typical microprocessor UARTs. The sensor holds the data line low while taking measurements. The sensor raises the line high to signal the logger that it will send a measurement. Then the sensor may take some additional measurements before starting to clock out the first data byte starting with a typical start bit (low). Once the first start bit is sent, typical serial timing is valid; however, the signal transitions before this point are not serial signaling and may be misinterpreted by the UART.

Figure 7 Example DDI Serial transmission of the character 9 ( 0x39 )
DDI SERIAL RESPONSE
This section contains tables detailing the DDI Serial response.
Table 14 DDI Serial response

NOTES: is only output on the TEROS 12.
There is no actual command. The response is returned automatically upon power up.
DDI SERIAL CHECKSUM
These checksums are used in the continuous commands R3 and R4 as well as the DDI Serial response. The legacy checksum is computed from the start of the transmission to the sensor identification character, excluding the sensor address.
TEROS 11 LEGACY CHECKSUM EXAMPLE
Legacy checksum example input is <TAB>1797.7 21.8<CR>h and the resulting checksum output is D .
TEROS 12 LEGACY CHECKSUM EXAMPLE
Legacy checksum example input is <TAB>2749.0 23.8 660<CR>g and the resulting checksum output is 8.

TEROS 11 CRC6
The more robust CRC6, if available, utilizes the CRC-6-CDMA2000-A polynomial with the value 48 added to the results to make this a printable character and is computed from the start of the transmission to the legacy checksum character, excluding the sensor address.
CRC6 checksum example input is <TAB>1797.2 21.8<CR>hD and the resulting checksum output is 2 .
TEROS 12 CRC6
The more robust CRC6, if available, utilizes the CRC-6-CDMA2000-A polynomial with the value 48 added to the results to make this a printable character and is computed from the start of the transmission to the legacy checksum character, excluding the sensor address.
CRC6 checksum example input is <TAB>2749.0 23.8 660<CR>g8 and the resulting checksum output is O (uppercase O).

CUSTOMER SUPPORT
NORTH AMERICA
Customer service representatives are available for questions, problems, or feedback Monday through Friday, 7:00 am to 5:00 pm Pacific time.
Email: [email protected]
[email protected]
Phone: +1.509.332.5600
Fax: +1.509.332.5158
Website: metergroup.com
EUROPE
Customer service representatives are available for questions, problems, or feedback Monday through Friday, 8:00 to 17:00 Central European time.
Email: [email protected]
[email protected]
Phone: +49 89 12 66 52 0
Fax: +49 89 12 66 52 20
Website: metergroup.de
If contacting METER by email, please include the following information:
Name : Email address
Address : Instrument serial number
Phone number : Description of problem
NOTE: For products purchased through a distributor, please contact the distributor directly for assistance.
REVISION HISTORY
The following table lists document revisions.

APPLICATIONS


















