8D Pro RTH Wireless Power Strip
User Manual
Aries 8D Pro RTH Wireless Power Strip
The extended manual can be found at:
Manufacturer
DIN rail mounting
- DIN rail
- Hook the AURATON Aries onto the DIN rail with the upper hooks.
- Pull the lower hook down with a „flat” screwdriver.
- Put AURATON Aries in the right place.
- Release the lower hook.

Wireless control strip for underfloor heating
The AURATON Aries is an 8-zone, wireless underfloor heating control strip, designed to work with AURATON Vela actuators, a central heating pump and a heating device.
WARNING!
All connections should be made when power source is disconnected.
WARNING!
AURATON Aries is designed for mounting on a DIN-rail in the installation cabinets. Metal cabinets should not be used due to hindered radio communication.
Signaling the operation of AURATON Aries
- Power status LED (red):
Power LED off AURATON Aries is off Power LED on AURATON Aries operates in the normal mode - TEST LED:
TEST LED off Normal mode TEST LED on Test mode
Signaling in normal state:
- LED indicating the operating status of the pump and the heating device (green):
LED off The heating device and central heating pump off LED flashes Waiting for the heating device and the central heating pump to turn on (delay 3 minutes) LED on The heating device and central heating pump are on - LED indicating the operating status of heating zones:
LED off Heating off LED on Heating on LED flashes slowly (every 0.5s) A zone is in pairing mode LED flashes rapidly A zone is in unpairing mode - LINK LED:
LINK LED off No pairing with another AURATON Aries LINK LED brightness at 10% AURATON Aries paired with another AURATON Aries (AURATON Aries in LOCAL mode) LINK LED brightness at 100% AURATON Aries paired with another AURATON Aries (AURATON Aries in GLOBAL mode)
Signaling in the TEST state:
- The signal is weak (LED No. 1 is on):

- The signal is perfect (LEDs 1-8 are on):


ATTENTION: For easy installation, the terminals are equipped with removable clamps. Before cable connections are made, they can be disconnected from AURATON Aries.
WARNING: All connections should be made when the power source is disconnected.
Only one AURATON wireless controller can be paired to a given zone.

Description of the device, the push buttons, and the indicator lights
- LED indicating the status of the power supply
- LED signaling the operating status of the central heating pump and a heating device
- Button (Del) for evaporating controllers or returning to factory settings
- Button (Link) for synchronizing AURATON Aries with other AURATON Aries devices
- Button (Test) with an indicator of the tester function mode
- 230 V AC power connection
- Network switch
- NC, COM, NO, potential-free contacts of the transmitter
- Control of the central heating pump
- Terminals of heating zones 1-8 (actuators)
- Heating zone buttons 1-8
- LEDs indicating operation of zones 1-8
![]() | ![]() |
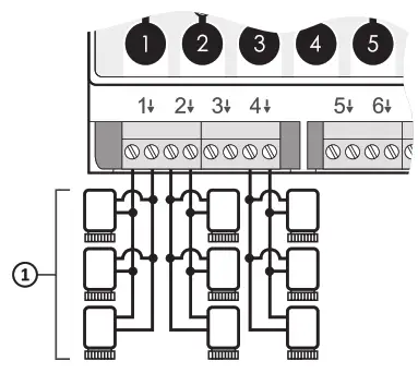
Connecting more actuators to one zone
- Actuators (max 3 per 1 line)
connection of the central heating furnace
The central heating furnace must be connected to the COM-NO or COM-NC clamps. This is a standard one-pole bistate transmitter. In most cases, the NC clamp is not used.
- Actuators
- Central heating pump
- Heating device e.g. gas boiler
Pairing the AURATON Aries with the AURATON Tucana R
Technical data
| Power supply: Operating temperature range: Signaling the working status: A number of independently controlled heating zones: A number of maxes. DURATION Aries paired with each other: Relay load capacity: The load capacity of control outputs for heads 230 V: The load capacity of 230 V central heating pump output: Delay inactivation of the relay and pump: Operation range: Radiofrequency: Receiver Category: Radio signal strength: Security level: Suggested mounting location: Dimensions [mm]: | 230 V AC, 50 Hz, 1.5 W 0 – 45°C LEDs, sound 8 10 Max. 250 V AC, max. 2 A (potential-free contacts COM, NO, NC) Max. 30 W, up to 3 DURATION actuators per zone Max. 200 W Approx. 3 minutes approx. 30 m 868.150 MHz; 868.450 MHz 2 Up to 11 dBm IP20 DIN-rail in the distribution box 158.90 x 90.00 x 58.50 |
Disposing of the devices
The device is marked with a symbol of a crossed waste bin. Pursuant to European Directive 2012/19/EU and to the Act on waste electrical and electronic equipment, the such mark indicates that the device, at the end of its service life, must not be disposed of together with other household waste.
The user is responsible for delivering the devices to a reception point for used-up electric and electronic equipment.
Hereby, LARS Andrzej Szymanski declares that the radio equipment type AURATON Aries is in compliance with Directive 2014/53/EU and 2011/65/EU. The full text of the EU declaration of conformity is available at the following internet address: https://manuals.auraton.pl





Technical data

















