fubag PTH 1600 Clean Water Motor Pump

WARNING! BEFORE USING THE MACHINE READ THE INSTRUCTION MANUAL CAREFULLY! Our pump FUBAG are designed to give safe anddependable service if operated according to instructions. Read and understand the manual before operating the pump FUBAG. Failure to do so could result in personal injury or equipment damage.
General safety
WARNING!
Exhaust gas contains poisonous carbon monoxide. Never run the pump in an enclosed area. Be sure to provide adequate ventilation. When installed in ventilated protection are to be observed
WARNING!
The muffler becomes very hot during operation and remains hot for a while after stopping the engine. Be careful not to touch the muffler while it is hot. Let the engine cool before storing the pump indoors. The engine exhaust system will be heated during operation and remain hot immediately after stopping the engine. To prevent scalding, pay attention to the warning marks attached to the pump.
WARNING!
Gasoline is extremely flammable and explosive under certain conditions. Refuel in a well ventilated area with the engine stopped. Keep away from cigarette, smoke and sparks when refueling the pump. Always refuel in a well-ventilated location. Wipe up spilled gasoline at once.
WARNING!
Caution: The motor pump is supplied without oil. Before starting up the motor pump, always check the oil level.
WARNING!
- Always make a pre-operation inspection before you start the engine. You may prevent an accident or equipment damage.
- Know how to stop the pump quickly and understand operation of all the controls. Never permit anyone to operate the pump without proper instructions.
- Keep children and pets away from the pump when it is in operation.
- Failure to carry out measurements and checks for early detection of defects.
- The rated speed of the motor has been set during manufacture and may not be changed.
- No naked flames, lights or spark-emitting appliances may be used within the hazard area of the pump.
- Smoking within the hazard area of the pump is strictly forbidden.
- The pump may only be transported when cold.
- The pump may only be lifted using the carry handles intended for this purpose.
- The appliance may not be covered. The air intake may not be blocked or obstructed.
- All other servicing and repair work may only be carried out by personnel who are qualified and licensed for this purpose.
- Always remove spark plug connector prior to commencing servicing and repair work.
- The service intervals set out in these instructions must be observed.
- The pump must be shut down when not required for periods longer than 30 days.
- The pump must be stored in adry enclosed room.
Description

- Fuel tank plug
- Pump filler cap
- Choke
- Motor contactor
- Throttle lever
- Fuel tap
- Recoil starter
- Pump drain plug
- Air filter
- Spark plug
- Exhaust silencer
Specifications
| MODEL | PTH 1600 | PTH 1000 T | PTH 1600 T |
| Engine type | Honda GX 270 | Honda GX 270 | Honda GX 390 |
| Max power, kW | 5,1 | 5,1 | 6,6 |
| Suction diameter, mm | 100 | 80 | 100 |
| Discharge diameter, mm | 100 | 80 | 100 |
| Max. flow rate, l/min. | 1600 | 1000 | 1600 |
| Max. elevation head, m | 30 | 28 | 30 |
| Max. suction head, m | 7 | 7 | 7 |
| Type of liquid | Clear water | Trash water | Trash water |
| Particle size of the liquid pumped, mm | Clear water | 30 | 30 |
| Relation of the solid in pumped water, % | <5 | <25 | <25 |
| Fuel tank capacity, l | 6 | 6 | 6,5 |
| Recommended fuel | Unleaded petrol | Unleaded petrol | Unleaded petrol |
| Oil tank capacity, l | 1,1 | 1,1 | 1,1 |
| Recommended oil | SAE15W/40 | SAE15W/40 | SAE15W/40 |
| Dimensions l x w x h, mm | 605 х 430 х 560 | 660 х 500 х 515 | 745 х 535 х 620 |
| Weight, kg | 41 | 62 | 82 |
| Accessories | Input/output connectors 2 pcs; Clamp 3 pcs; Filter 1 pcs; Engine tool Set 1 pcs. | ||
The manufacturer reserves himself the right to make the manual’s content or function change without any preliminary notification of the users.
Preparation before use
Positioning for operation
Place the motor pump on a sufficiently strong, flat and horizontal surface so that the electric pump cannot sink in (the inclination must not exceed 10° in any direction). Select a clean location, ventilated and protected from inclement weather, and provide an oil and fuel supply close to the place of motor pump usage, while still maintaining a safe distance. Select a location which will not impede the movement of people or vehicles. Make sure that the motor pump remains stable and immobile while in operation. Don’t forget that the suction hose tends to pull the motor pump towards the water source during pumping. Place the motor pump as close as possible to the liquid being drawn-in. The shorter the vertical distance between the motor pump and the liquid surface, the more rapid the priming and the greater the volume of liquid pumped. Submerge the strainer completely within the liquid, taking care that it is not blocked.
Oil level
- Remove the filler plug-dipstick (no. 2) by unscrewing it, and wipe the dipstick.
- Insert the dipstick into the filler neck (no. 3) without screwing it. N.B.: A second black plug (no. 4) without a dipstick, is available if necessary on the other side of the engine.
- Visually check the level and top up if necessary.
- Tighten the filler plug-dipstick (no. 2) completely onto the filler neck (no. 3).
- Check that there are no leaks.
- Wipe off excess oil with a clean cloth.


Fuel level
WARNING!
Only use clean fuel without any water. Do not overfill the tank (there should not be any fuel in the filler neck). After filling, always check that the plug is fitted properly on the tank. If fuel has been spilled, make sure that it has dried and that the fumes are dissipated before starting the motor pump set.
Visually check the fuel level.Top up if necessary:
- Close the fuel tap.
- Remove the fuel tank plug.
- Fill the fuel tank with a funnel, taking care not to spill any fuel.
- Tighten the plug on the tank.
- Open the fuel tap.
Assembly of pipings
WARNING
Never use the motor pump without the appropriate strainer (risk of pump deterioration). Always ensure that the sealing joints of the couplings are firmly in place (risk of poor suction of the liquid).
- Pass the pipe fixing clamps (no. 6) around the suction &discharge hoses.
- Mount the hose couplings (no. 5) on the suction (no. 2) & discharge of the pump (no. 3).
- Fix the suction & discharge hoses on their respective couplings using the pipe fixing clamps.
- Place one of the pipe fixing clamps around the other end of the suction hose.
- Attach the strainer (no. 4) at the end of the suction hose.
- Fix the strainer with a pipe fixing clamp.

Usage of the motorpump
Starting-up
WARNING!
Always top up the pump housing before starting the engine. Presence of liquid is necessary to prime & lubricate a pump (risk of deterioration).
- Fully immerse the strainer in the liquid to be drawn-in. If there is a risk of blockage, place the strainer on a rock bed.
- Unscrew the pump filler plug.
- Top up the pump housing with water.
- Screw the pump filler plug back on.
- Move the choke knob into position .
- Set the engine switch to “ ” and activate the gas lever.
- Slowly pull the recoil starter handle once until encountering resistance, allow it to return back gently.
- Pull the recoil starter firmly &strongly until the engine starts.
- Gently set the choke knob to and wait for an engine temperature increase before releasing the gas lever.
If the engine does not start, repeat the operation until the engine starts-up. If the pump does not discharge, stop the motor pump and check the suction circuit.
Operation
WARNING!
During the operation, don’t allow any foreign bodies to block the suction or the discharge. Don’t block the discharge pipe: don’t allow any vehicle to park on the pipe. Never close a valve abruptly: water-hammer action can seriously damage the pump.
When the speed of the motor pump has stabilised (around 3 min), move the gas lever into position for the desired speed. The motor pump discharges the liquid not only according to the speed but also the elevation height for suction &discharge, and the quality of liquid to be drawn-in (clean / charged water).
Switching off
- Restore the gas lever to its original position.
- Set the engine switch to the “ ” position. The motor pump stops.
- Drain the motor pump then rinse it if its use is over for the day.
Rinsing
Once the motor pump is shutdown and cold:
- Empty the suction &discharge hoses, allow the liquid to drain out.
- Unscrew the drain plug from the pump in order to drain-out the pump housing.
- Screw the pump drain plug back on once drainage is complete.
- Remove the pump filler plug and fill the pump housing with clean water.
- Slowly pull the recoil starter handle several times till encountering resistance, allow it to return back gently.
- Unscrew the pump drain plug and drain the pump housing.
- Screw the pump fill &drain plugs back on.
- Clean the strainer.
Safety features
If there is no oil in the engine sump or if the oil pressure is low, the oil safety mechanism automatically stops the engine to prevent any damage. If this occurs, check the engine oil level and top it up if necessary before looking for any other cause of the problem.
Maintenance
This section describes how to service the Servicing and repair work not described in this section must be carried out by the manufacturer’s personnel. The following servicing work must be carried out in accordance with the corresponding periods.

Operation(s) must only be carried out by one of our agents.
Checking bolts, nuts and screws
To prevent faults or breakdowns, carefully check all the nuts, bolts and screws on a daily basis.
- Inspect the motor pump assembly before &after every start-up and usage.
- Tighten any loose nuts or bolts.
Warning: the cylinder head bolts must be tightened by a specialist. Refer to the agent for your region.
Renewing the engine oil
Follow the environment protection instructions and drain the oil in a suitable container.
- With the engine still hot, place a suitable container under the oil drain screw, then remove the oil filler gauge plug and the oil drain screw.
- After complete draining, screw the oil drain screw back on.
- Top up with recommended oil then check the level.
- Refit and tighten the oil filler gauge plug.
- After filling, check that there are no oil leaks.
- Wipe away any traces of oil with a clean cloth
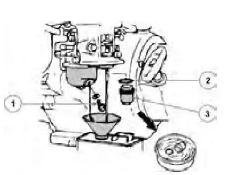
Cleaning the sediment bow
- Close the fuel tap.
- Place a suitable container and a funnel underneath the carburettors.
- Unscrew the fuel drain plug (no. 1) to drain the fuel.
- After draining, refit the fuel drain plug.
- Remove the sediment bowl (no. 3) and the seal (no. 2).
- Clean the sediment bowl (no. 3) with non-flammable solvent or solvent with a high flash point. Dry it completely.
- Refit the seal ( no. 2) and the sediment bowl (no. 3).
- Open the fuel tap and check that there are no leaks.

Cleaning the air filter
- Remove wing nut and cover from the air filter (no. 1 &2).
- Remove the filter elements (no. 4 &5) and clean them:
Paper element- Gently tap the element several times on a hard surface to remove any excess dirt.
OR: Pass compressed air through the filter, from the inside out. Never try to remove dirt using a brush. - Replace the paper element if it is too dirty.
Foam element - Wash the element in a solution of household cleaner and warm water and rinse thoroughly.
OR: wash with non-flammable solvent or solvent with a high flash point. Allow the element to dry completely. - Soak the element in clean engine oil and remove the excess oil.
Note: If there is too much oil remaining in the foam, the engine will emit smoke when it is first started.
- Gently tap the element several times on a hard surface to remove any excess dirt.
- Check carefully that the two elements are not torn or pierced. Replace them if they are damaged.
- Carry out refitting following the reverse procedure for removal.
Checking the spark plug
- Remove the cap (fig. F – no. 1) from the spark plug, then remove the spark plug (fig. F – no. 2) using a spark plug spanner.
- Check the condition of the spark plug:
- Replace the spark plug.
- Fit a new spark plug in position and tighten it by hand to avoid damaging the threads.
- Use a spark plug spanner to tighten the spark plug by 1/2 turn after it is seated to compress the washer.
- Clean the spark plug with a metal brush.
- With a feeler gauge, check the electrode gap “X”: it must be between 0.7 and 0.8mminclusive.
- Check the condition of the washer.
- Fit the spark plug in position and tighten it by hand to avoid damaging the threads.
- Use a spark plug spanner to tighten it by 1/8-1/4 turn after it is seated to compress the washer

Cleaning and Preparation for storage
- Remove all dust and particles around the exhaust silencer.
- Clean the motor pump, especially the air inlets &outlets of the engine, with a cloth and a brush.
- Check the general condition of the motor pump and if change any defective parts
If the pump is not used for a long period of time, it must be stored in accordance with the following guidelines.
- Unscrew the pump drain plug and empty the pump housing.
- Clean the inside of the pump housing cover with a water jet.
- Screw the pump drain plug back on.
- Drain the fuel through the filler neck of the fuel tank.
- Withdraw the spark plug, pour a maximum of 15ml of oil into the cylinder then refit the spark plug.
- Slowly pull the recoil starter handle several times until encountering resistance, allow it to return back gently, so that the oil is distributed throughout inside the cylinder.
- Clean the outside of the motor pump, apply an anti-rust product over the damaged areas.
- Cover the motor pump with a drop cloth to protect it from dust and store it in a clean and dry location
Trouble Shooting
| FAULT | POSSIBE CAUSE | REMEDY |
|
Engine not starting | Air filter clogged up. | Clean the air filter. |
| Fuel tap closed. | Open the fuel tap. | |
| Fuel level too low | Fill up with fuel. | |
| Fuel filter clogged up. | Clean the fuel filter. | |
| Oil level too low. | Check the oil level and top up if necessary. | |
| Fuel supply blocked or leaking | Have it checked, repaired or replaced.* | |
| Spark plug defective. | Check the spark plugand replace if necessary. | |
| Engine shutdown | Blocked ventilation inlets | Clean the air inlet and outlet guards |
| Fuel level too low | Fill up with fuel. | |
| Oil level too low. | Check the oil level and top up if necessary. | |
|
Priming failure | Level of liquid being pumped is too low. | Immerse the strainer completely. |
| Water level in the pump casing too low. | Add water in the pump casing. | |
| Pump drain plug not screwed on properly. | Tighten the pump drain plug. | |
| Air coming in through the suction side. | Check the pipe suction side. | |
| Engine not running properly. | Have it checked, repaired or replaced.* | |
| Air coming in through the mechanical joint. | Have it checked, repaired or replaced.* | |
|
Low flow | Pipe too long or bent. | Shorten or stretch the pipe. |
| Suction side is too high up. | Lower the height of operation. | |
| Air coming in through the suction side. | Check the pipe suction side. | |
| Liquid leaking in the pipes. | Repair the leak. | |
| Wheel clogged up | Have it checked, repaired or replaced.* | |
| Wheel worn | Have it checked, repaired or replaced.* | |
| Mechanical joint broken. | Have it checked, repaired or replaced.* | |
| Engine power loss. | Have it checked, repaired or replaced.* |
Operation(s) to be entrusted to one of our agents
Warranty
Warranty refer to defects of materials and components and do not refer to components subject to natural wear and maintenance work. Only machines cleaned from dust and dirt in original factory packing fully completed, provided with instruction manual, warranty card with fixed sales date with a shop stamp factory serial number and originals of sales and ware receipt issued by salesman are subjects of warranty. Within the warranty period the service center eliminate free of charge all detected production defects. The manufacturer disclaims warranty and legal responsibilities if nonobservance of the instruction manual by user, unqualified disassembling repair or maintenance of the machine as well does not bear responsibility for caused injury to persons or damages.




















