FINLUX FCH-3070 Convector Heater

IMPORTANT INSTRUCTIONS
PLEASE READ AND SAVE THESE IMPORTANT SAFETY INSTRUCTIONS
When using electrical appliances, basic precautions should always be followed to reduce the risk of fire, electric shock, and injury to persons, including the following:
- Remove the packaging and make sure that the appliance is intact. If in doubt, do not use it and contact our Technical Assistance Centre. Packaging materials (plastic bags, polystyrene, staples etc.) must be kept out of the reach of children as they could be hazardous.
Caution:- The appliance must only be used by responsible adults;
- For their own safety, children and persons with reduced mental capacities must not use the appliance unless under the supervision of responsible adults;
- Before connecting the appliance, check that the appliance rating corresponds to the mains rating.
- If the power cable is damaged, it must be replaced by the manufacturer or otherwise by a qualified person in order to prevent any risk.
- This appliance must only be used for the purpose for which it has been manufactured, i.e. for additional electrical heating in rooms. Any other use is considered improper and therefore dangerous. The manufacturer is not responsible for any damage caused by improper, incorrect or unreasonable use.
- Before cleaning or carrying out maintenance on the appliance, disconnect it from the electrical mains by removing the plug from the electrical outlet or by switching off the system switch.
- If the appliance is faulty and/or operating incorrectly, switch it off without tampering with it. If the above is disregarded, the safety of the appliance may be compromised.
- Switch off the appliance and remove the plug from the electrical outlet when not in use.
- The use of any electrical appliance calls for the awareness of some basic rules, such as:
- do not use the appliance near sources of water such as baths, showers or swimming pools
- do not touch the appliance with wet or damp hands or feet
- do not leave the appliance exposed to atmospheric agents
- Do not use the appliance in the presence of potentially flammable or explosive liquids or gases.
IMPORTANT
- In order to avoid overheating, it is advisable to unwind the entire length of the power cord.
- Check that the electric capacity of the system and the power outlets are adequate for the maximum power stated on the plate. If in doubt, please contact a qualified professional.
- Do not leave the appliance plugged in when not required. Unplug the appliance from the mains after having switched it off when not in use.
- Do not obstruct the ventilation or heat dispersion openings.
- The power cord on this appliance must not be replaced by the user. If the cord is damaged or requires replacement, contact qualified personnel only.
- Avoid the hot contact, checking that the cord is not placed in front of the hot air outlet grille.
- Do not use near bathtubs, showers or basins (minimum distance 1 metre).
- Use in an upright position.
- Keep the suction grille clean.
- Do not use the appliance immediately below a fixed power outlet.
WARNING
In order to avoid overheating, do not cover the heater.
CAUTION
- Some parts of this product can become very hot and cause burns. Particular attention has to be given where children and vulnerable people are present.
- The heater must not be located immediately below a socket-outlet.
- Do not use this heater in the immediate surroundings of a bath, a shower or a swimming pool.
- Cleaning and user maintenance shall not be made by children unless they are older than 8 and supervised.
- Keep the appliance and its cord out of reach for the children less than 8 years.
- If the supply cord is damaged, it must be replaced by the manufacturer or its service agent or a similarly qualified person in order to avoid a hazard.
- Children of less than 3 years should be kept away unless continuously supervised.
- Children aged from 3 years and less than 8 years shall only switch on/off the appliance which provided that it has been placed or installed in its intended normal operating position, and they have been given supervision or instruction concerning use of the appliance in a safe way and understand the hazards involved.
- Children aged from 3 years and less than 8 years shall not plug in, regulate and clean the appliance or perform user maintenance.
Wall Mounting Method
Please note that this product must be installed at least 15 cm from the floor and 50 cm from the ceiling.

- Drill two holes (2000W model with spacing 550 mm; 1500W model with spacing 420 mm)
- Insert the supplied anchors (with a diameter of 8mm and depth of 40mm) in the holes, then use a screwdriver to tighten in screws with anchors, screws must protrude 6mm from the anchor head, finally hang the product in the hook holes on the back.
Note: Before drilling, make sure that no wires or other pipelines are under the wall to prevent damage to the pipes.
Foot Installation
Foot installation
- Turn the machine-body upside down, take out the four ST4 * 12 screws and feet supplied with the appliance.
- Align the screw holes on the feet with the mounting holes on the bottom of the rear case, and then insert the screws through the circular holes in the feet, tighten the screws.
- After the installation is complete, turn the body and flip it right, you can use it now.

OPERATING INSTRUCTIONS
Control panel

Display

Using


- Plug the heater into the power source and turn on the power switch. After turning on the power switch, a “drop” sound will be heard, indicating that the power is on, and the
on the screen will flash. Press the
key to turn on the heater.
Numbers key to- Time setting
- Power switch button
- Mode
- Sleep mode
- Child lock button
- Open Window function button
- Weekly timer button
- Current time setting: long press the 1 key
for 5S, the light is on, The week display number flashes, you can press the
key to select the current week, 1 means Mon,2 means Tue, 3 means Wed 7 Means Repeatedly long press the 1 key
for 5S, the time display hour digits will flash,press the
” key to select the current hour, and then repeatedly long press the 1 key
” 5S, the time display minutes digits will flash, press
“Button to select the current minute, it will be automatically confirmed after 5S. - .heating level setting , press the 3 key
” again to select different gears: low gear
high gear
”anti-frost - Press the 4 key
the light is on, and the brightness of the light enters sleep mode. - Long press the 5 key
” for 5S, the light will be on, and the keys on the display will be locked - Press the 6 key
the light turns on, and the product enters the window opening mode. In this mode, when the ambient temperature drops by 5 degrees within 10 minutes, it is regarded as the user has opened the window, the heater will stop heating and enter standby mode. - . temperature setting, you can press the
key to set, the heater is turned on by default and the temperature setting is 28℃. Each press increases or decreases by 1℃. The temperature setting range is: 5-50℃; after setting Wait 5 seconds to display the current ambient temperature.
When the anti-frost mode is turned on, the heater will automatically turn on low-level heating when it detects that the ambient temperature is lower than 5°C. When the ambient temperature is greater than or equal to 9°C, the heater will turn off and return to standby - Weekly timing function, the current time must be set first. For example, today is Wed and time is 08:30, then Wed must be set first, and then the time setting must be completed according to the operation of 2
- Weekly timing settings:
- Press the “on/off” button to turn on the heater, and press the “timing” button to enter the timing setting (display setting content as shown in Figure 1)
- Press the “timing” button to select the settings of “Mon to Suni”, “24 hours 0~23 period”, “heating temperature of the day 0~23 period” (select the setting item to display flashing), press “increase” or “decrease” Press the key to adjust; press the
“Mode” key to select the “heating mode” for the period of 0~23 in the 1~7 days of the week.
- Weekly timing settings:
Press the “on/off” button to turn on the heater, and press the “timing” button to enter the timing setting (display setting content as shown in Figure 1) - Press the “timing” button to select the settings of “Mon to Suni”, “24 hours 0~23 period”, “heating temperature of the day 0~23 period” (select the setting item to display flashing), press “increase” or “decrease” Press the key to adjust; press the “Mode” key to select the “heating mode” for the period of 0~23 in the 1~7 days of the week.
- Weekly timing settings:
- . Without cutting off the power, the above settings will be saved, no need to repeat settings
REMOTE CONTROL OPERATION

- . The remote control can only be used in normal mode
- . Press
to turn on or off the heater - Press the key
to switch gears, which is the same as the “
” key - Key
window function key. - Key, timing on or off, and setting timing duration, same as the “
” key - Use the
and
keys to adjust the set temperature. Each press increases or decreases by 1°C.
Intelligent graffiti control software download method
Method A:Internet APP downloads
- Open the “APP Store” on the mobile phone
- Enter “tuya smart” and click Search;
- Click to get and begin to download and install;
Method B: Scan the QR code- Open the phone and scan the qr code below

- Click open from the browser;
- Click to download and install;
- Open the phone and scan the qr code below
WIFI connection
A: Faster flash state:
- Turn on the switch on the side of the product, the LED shows ” ” light flashing, and the device enters the standby state;
- press the
button, and the “power” indicator on the LED screen will be lit, indicating that the device enters the power-on state; - Press
button for 5 seconds, the WIFI indicator on the LED screen will be lit and enter the faster flash state; - Open the “Smart life” software on the mobile phone to enter the phone number to get verification code;
- Enter the verification code and click login;
- Click Add Device to select the wireless LAN, and enter the WIFI password and click OK to connect the device;
- When the phone interface shows the addition is successful, and the WIFI indicator on the device stops flashing and turns into being long lit, then it means that the addition is complete.
Mobile phone remote operation
(connect device power and turn on the side switch, so that the device is in standby mode)
Temperature setting:
- Open the “tuya smart” software to select device (when using one mobile phone to control more than two devices, you need to select the device to be operated);
- Click the device to be operated and enter the device operation interface, then the power button on lower left corner of the mobile phone interface will display OFF and the phone interface color is dark red, indicating that the device is turned off.
- Click on the switch and power button on the lower left of the phone interface will display ON and the phone interface color is bright red, indicating that the device enters power-on state;
- Press “+” or “-” button to set the temperature; when the set temperature is 25 ℃, the ECO indicator will be lit;
- When the setting temperature is higher than the ambient temperature, the device begins to heat; other wise the device is in the to-be-heated state.
Power-on reservation:
- Open the “tuya smart” software to select the operating device;
- Click the device to be operated and enter the device operation interface, while the power button on lower left corner of the mobile phone interface will display OFF and the device is turned off;
- Click on timing, timing into the interface, click on add timing, choose the time clock, minutes, weekly status, adjust the switch state to open, click ok button to return to add timing interface, click on the temperature, the temperature set into the interface, set the boot temperature (the temperature is expected to achieve the temperature of the room, generally choose the highest setting temperature of 37 ℃), click ok to return to add timing operation interface, click the “save” to save Settings interface right corner to return to the interface of timing, “please” to return to the top left hand corner click on timing interface equipment operation interface, timing boot
set to complete the booking.
Shutdown reservation:
- Open the “tuya smart” software to select the operating device;
- Click the device to be operated and enter the device operation interface;
- Click the power button which will display ON and enter the power-on state;
- Click on timing, timing into the interface, click on add timing, choose the time clock, minutes, weekly status, adjust the switch state to close, click ok button to return to add timing interface, click the “save” to save Settings interface right corner to return to the interface of timing, “please” to return to the top left hand corner click on timing interface equipment operation interface, timing boot set to complete the booking.
Child Lock:
- Open the”tuya smart” software to select the operating device;
- Click the device to be operated to enter the device operation interface;
- Complete the timer setting or temperature setting, and click the child lock button to display the child lock latch icon and ON, indicating that the child lock button latch is completed;
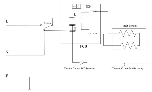
ELECTRIC DIAGRAM

TROUBLE SHOOTING
If your heater fails to operate, please follow these instructions:
- Ensure that your circuit breaker or fuse is working properly.
- Be sure the heater is plugged in and that the electrical outlet is working properly.
- If the ON/OFF switch is not illuminated at ON position, send it to a service center for reparation directly.
NOTE: IF YOU EXPERIENCE A PROBLEM WITH YOUR HEATER, PLEASE SEE THE WARRANTY INFORMATION FOR INSTRUCTIONS. PLEASE DO NOT ATTEMPT TO OPEN OR REPAIR THE HEATER YOURSELF. DOING SO MAY VOID THE WARRANTY AND COULD CAUSE DAMAGE OR PERSONAL INJURY.
CLEANING AND STORAGE
Before cleaning your heater, switch off the heater and allow it to cool. Disconnect the electricity supply to the appliance. The outside can be cleaned by wiping it over with a soft damp cloth and then dried. Do not use abrasive cleaning powders or furniture polish, as this can damage the surface finish. To release the heater from the wall, for cleaning or redecoration, just open the screw bolt cap and unscrew the bolts to take off from the wall. For short term storage, just unplug the heater and leave it; for long term storage, you can dismantle from the wall or cover it with some material.
SPECIFICATIONS
Technical Parameters
| Product model | FCH-3070 Narcissus |
| Rated voltage | 220-240 V AC |
| Rated frequency | 50/60 Hz |
| Rated power | 1800-2000 W |
Correct Disposal of this product
This marking indicates that this product should not be disposed with other household wastes throughout the EU. To prevent possible harm to the environment or human health from uncontrolled waste disposal, recycle it responsibly to promote the sustainable reuse of material resources. To return your used device, please use the return and collection systems or contact the retailer where the product was purchased. They can take this product for environmental safe recycling.


















