R1-2020 User Manual ver 1.8
Zello EchoLink SSTV PSK31 AllStarLink Controller
Radio-Network link Controller
Radio-Network Differential Rotation Controller

Product features are as below:-
- Built-in USB sound card chip, with high-quality audio input and output.
- Built-in USB serial chip. E.g. launch control using RTS, receive control using DSR.(ECHOLINK User)
- The built-in audio detection chip controls the radio’s PTT button and outputs the sound to the speakers by the radio-compute-controller. (ZELLO User)
- The control software forwards the input-voice of the microphone with the detection of the SQL radio signal from the USB chip(ZELLO User)
- The USB-Radio Interface is compatible with AllstarLink.
GPIO Detect COS and CTCSS input. GPIO outputs and control the PTT (ASL soundcard function). - The user’s computer will not get Power/RF interference noise from the power supply from the radio because the
R1 has the optocouplers and the isolating transformer. - R1 introduces the electric conductor or circuit (inductance) to isolate Power/RF interference and high-frequency radiation.
- Full Metal case, shields all other interference.
- Industrial design with the standard production process.
- LED status indicators.
Control Principle:-
In general, the Internet voice chat software, with the help of an output audio controller that detects audio input from the radio PTT, hence the audio will transmit over. On the other end, once the radio receives the audio, the controller detects the SQL signal through the USB control network, the voice chat software will forward the audio to the radio. In this way, it will be on the radio-linked network.
Controller applications:-
By getting the radio link to the network, you can set up radio links or relay links and extend the range radio transceiver or repeater, therefor global radio link is achieved.
The software that this product supports are:-
AllstarLink, ECHOLINK, ZELLO, SSTV, psk31, SKYPE, QT, YY, and other chat intercom and data transfer software.
Notes: There are some software is that not support USB and control detection, thus at this time, while on the computer microphone input, we can use the software VOX function, or use the keyboard conversion software to trigger them.
Motherboard function diagram


R1 external screen function description with laser engraving

“TX: RED” and “RX: B/G”: These are LED status indicators.
When R1 controls an external radio, R1 lights up red.
When the external radio receives the signal, R1 blue light or green light.
Switch position-MOTO:
Connect 6-pin to 16-pin converter board, used by Motorola radio stations(16-pin interface),(Default accessories) Connect 6-pin to 26-pin converter board, used by Motorola radio stations( 26-pin interface, (Optional accessories)
Switch position -Y, K, C:
Direct connection, YAESU、Kenwood、 ICOM … Radio use (6-pin TNC interface)
Switch position-ASL OFF:
AllStarLink is disabled, the USB sound card chip stops detecting COS / CTCSS and controlling PTT.
Switch position –ASL ON:
AllStarLink is enabled, USB sound card chip detects COS / CTCSS and controls PTT.
Note2: “ASL ON”, Only use AllStarLink to connect with Raspberry Pi.
In other states, the switch position must be in ASL OFF !!!
DIN 6 Interface:
Use 6-pin Cable.R1 to connect YAESU / Kenwood / ICOM-radio;
Use 6-pin cable and “6-pin-16 pin conversion board”. R1 connect Motorola-radio;
Use 6-pin cable and “6-pin-26 pin conversion board”. R1 connect MotoTRBO-radio;
USB Audio:
USB-Radio Interface, Connect to PC or Raspberry Pi;
USB Detection:
USB mouse middle button detection, connect to PC when running ZELLO or YY…;
USB Serial Port:
USB serial port, connect to PC when running ECHOLINK / PSK31 / SSTV …;
About squelch (SQL) control enable, valid or invalid:-
YAESU, Kenwood, ICOM radio internal, the value of the SQL signal on the resistance will need to be less than 10K (max 10K), then the test will pass. If the SQL signal on the resistance value is greater than 10K (>10K), then it will not support.
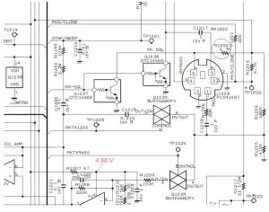
The use of the following schematic is for YAESU FT-7800, the SQL on the resistance number R1202 is 4.7K, which is supported by R1.

FT-7800 Schematic – 6-pin TNC interface
When your radio’s squelch connection resistor is 47Kor 100K, SQL control is invalid. If you can DIY, you can change the squelch connection resistor to 4.7K, and the SQL is valid after connecting to R1.
Note 3: About YAESU, Kenwood, ICOM car radio whether to support the use of the connection, if you do not understand the schematic or need any confirmation, kindly take the pictures of the HD radio schematic sent to me for confirmation, please send the schematic to both of these two e-mail addresses: [email protected] & [email protected]
*** DIY connection to other radio stations ***

PCB support DIY date May 23, 2020, all future versions support DIY
6-pin to 26-pin conversion board (connected to motoTRBO-26 pin accessory):-

Below is the XPR4550 physical connection:-

Accessories Terminal Settings by CPS:
RX Audio Type: Filtered Squelch
Pin #17: Ext Mic PTT Action Level: Low
Pin #21: PL/Talkgroup Detect Action Level: Low
“6-pin to 26-pin conversion board” supports most Motorola mobile radios with 26-pin accessory connector including but not limited to the below models:
XPR Series : XPR4300, XPR4350, XPR4380, XPR4500, XPR4550, XPR4580, XPR5350,
XPR5550, XPR8300
XiR Series : XiRM8200, XiRM8220, XiRM8228, XiRM8620, XiRM8628, XiRM8660,
XiRM8668
DGM Series: DGM4100, DGM6100
DM Series: DM3400, DM3401, DM3600, DM3601, DM4400, DM4401, DM4600, DM4601
Note 4: There is no guarantee that all versions can be used normally, please make sure that the radio version matches your region.
Below is the picture of the 6-pin to 16-pin conversion board (the accessory to be connected to Motorola-16 pin):

The above 6-pin to 16-pin conversion board, it is for Motorola radio and to use for connection on GM300、SM50、SM120、GM338、GM339、GM398、GM3188、GM3688、GM950I 、CDM-1250 、
GM140、GM160、GM340、GM360、GM380、GM640、GM660、GM1280、
Radio default setting :
PIN2=MIC INPUT,PIN3=PTT,PIN7=GND, PIN8=SQL (Action Level : Low), PIN11=AF OUT

6-pin to 16-pin conversion board, PCB pad description
A, PCB connection = 2 PIN MIC input (default setting PIN2 = MIC INPUT)
B, PCB connection = 5 PIN MIC input
C, PCB connection = connect 15 PIN and 16 PIN, RADIO built-in speaker = enable sound output;
PCB not connected = no sound output from the speaker
Driver Installation:
- USB sound card chip: the Windows operating system has an integrated driver; hence, installation is not needed.
- USB mouse middle key detection chip: the Windows operating system also has an integrated driver; hence, driver installation is not needed.
- But you need to install the USB serial driver, the download link is as below:-
http://avrtx.cn/download/USB%20driver/CH340/CH340%20DRIVER.ZIP
http://www.wch-ic.com/search?t=all&q=CH340 (CH341 Driver compatible)
Important function microphone settings:
System audio management interface, do not select the microphone to enhance or AGC, if you select the option , the audio of another party will be very loud and noisy。
Motorola CDM-1250 connected to R1-2020 use and settings
CDM-1250 accessory connector definition:

Use” 6-pin to 16-pin conversion board” to insert CDM-1250 accessory connector 1-16
CDM-1250 “CPS” programming setting:

CHOLINK and MMSTV Connect to use:


ECHOLINK Set reference

Select audio input and output as USB PNP sound device
Input and output volume setting, please set to the system audio management interface
→ Important function microphone settings:
System audio management interface, do not select the microphone to enhance or AGC, if you select the option , the audio of another party will be very loud and noisy。

Set receive control as: Serial DSR
Select: USB serial number

USB serial number, see the hardware manager

Set the launch control as Serial port RTS
Select: USB serial number
Note 5:
Regarding this R1 appliance box, please be informed that when
PC is restarted, it will become abnormal. Please power off/turn off the radio power supply first, then only restart the PC.
The reason for the above problem is related to the driving control principle of the R1 and PC. There is no solution on this problem yet.
For the extra info, if the R1 control encounter abnormality after the
PC turned off, please set “PC shutdown = USB no power supply” in the
PC BIOS.
MMSTV Set reference

Select RX MODE : AUTO

Select: USB serial COM number, Select Exclusive Lock and RTS While Scan
Below is the connection to use in ZeLLO:-


The “set reference” for ZeLLO:-

1, set the audio on both input and output to USB PnP Sound Device (windows operating system already has the integrated driver)
→ Important function microphone settings:
System audio management interface, do not select the microphone to enhance or AGC, if you select the option, the audio of another party will be very loud and noisy。

2,Set Push to talk on ZeLLO to “Middle Mouse Button”
AllstarLink Connect to use:

Allstarlink settings and Raspberry Pi system mirror download URL:
https://allstarlink.org/
https://hamvoip.org/
Raspberry Pi system settings Rx Voice Level Value:
Log in to PI and run the command: Sudo asl-menu
Pop-up list:
- Run first-time menu
- Run node-setup menu
- Run radio-tune-menu for USBradio configuration
- Run simpleusb-tune-menu for SimpleUSB configuration
- ASL Asterisk CLI
- ASL Configuration Edit Menu
- Operating System Menu
- System Security Menu
- System Diagnostics Menu
0 Information
Select “4” , Pop-up list:
1) Select USB device
2) Set Rx Voice Level (using display)
3) Set Transmit A Level
4) Set Transmit B Level
E) Toggle Echo Mode (currently Disabled)
F) Flash (Toggle PTT and Tone output several times)
P) Print Current Parameter Values
S) Swap the Current USB device with another USB device
T) Toggle Transmit Test Tone/Keying (Currently Disabled)
W) Write (Save) Current Parameter Values
0) Exit Menu
Select:” 2” 2) Set Rx Voice Level (using display)
Value range:000-999
R1-2020, recommended values:
Minimum 001 Max 111 Default 030
The actual value is confirmed by a radio test.
Connection to use in YY: ( YY is only available in the Chinese Simplified version)

On the YY channel, select both the microphone input and speaker output to “USB PnP Sound
Device” on the system audio management interface, please do not select microphone enhancement or
AGC, if you select the option, the audio of another party will be very loud and noisy 
If you want to set the external radio to receive the audio sent through the network from each other, choose to press the mouse to speak: the middle button (selected the green point, and click the middle mouse button).
External radio transmission is the internal default control, it does not need to be set.
Tip: The middle mouse button control function should be reserved for YY software. In order to avoid mis-forwarding network communications, other software can not overlap/reuse/override the middle mouse button.

The last two suggestions are to disable the voice prompt function. This is to avoid miss triggers in communication.
Accessories list :

R1 controller 1 PCS
USB-D Cable 2 PCS
6 PIN Cable 1 PCS
6PIN-16PIN conversion board 1 PCS ( 6PIN-16PIN or 6PIN-26PIN conversion board, Optional, choose one of two )
Manual Download URL:http://avrtx.cn/
Contact E-mail:[email protected] [email protected]
manufacture: BH7NOR (Old callsign: BI7NOR) Manual Fix: 9W2LWK
R1-2020 Manual version 1.8 January 7, 2021




















