
AMX526
Paging Microphone
INSTALLATION AND OPERATION MANUAL
The AMX526 has been an industry standard in desk paging applications for over a decade. It offers a great-sounding, rugged microphone for cost-sensitive applications.
SPECIFICATIONS
| TRANSDUCER TYPE | Dynamic |
| POLAR PATTERN | Cardioid |
| FREQUENCY RESPONSE | 80Hz – 12Khz |
| SENSITIVITY | -70dB ±- 3dB |
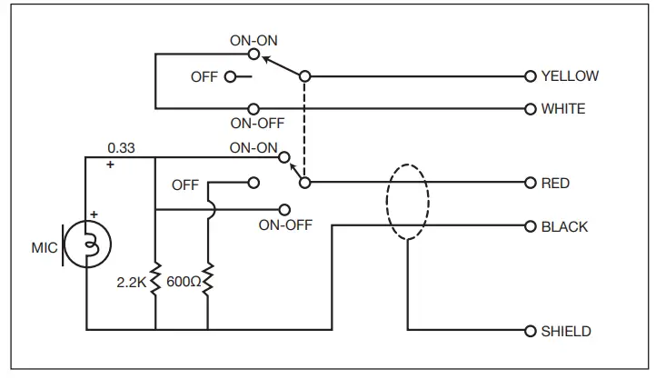
| ELECTRICAL IMPEDANCE | 6000 |
| FINISH | Matte black with silver faceplate |
| CABLE | XLR 3 pin terminated 5 core cable 2.0 meters |
| AUDIO CONNECTION | Pin 2 + (Red) Pin 3 – (Black) Pin 1 Earth (Shield) |
| DRY CONTACT | Yellow and White conductors inside XLR connector |
| NET WEIGHT | 980g |
| SHIPPING DIMENSIONS H x W x D | 270 x 185 x 130 mm |

DIMENSIONS

ENGINEERED BY AUSTRALIAN MONITOR
Address: Unit 1, 2 Daydream Street, Warriewood, NSW Australia.
Website: www.australianmonitor.com.au
International enquiries email: [email protected]
ABN 35 007 573 417



















