Mous C222 Apple MagSafe Charger Module

Apple MagSafe Charger Module
The MagSafe Charger Module enables accessories to wirelessly charge MagSafe-capable devices.
Examples of accessories benefiting from including the MagSafe Charger Module include charging cables, docks, and Battery Packs.
Accessory Integration
All MagSafe Charger Module accessories shall:
- ● Provide power to the device. See Electrical (page 628).
● Permit the device to move relative to the MagSafe Charger Module. - The MagSafe Charger Module is available in the following variants:
- ● MagSafe Charger Module (C222).
● MagSafe Charger Module (C222x) for increased design flexibility.
● MagSafe Charger Module (C223) with increased attach force.
Examples of accessories benefiting from the increased attach force of the MagSafe Charger Module (C223) include vent mounted chargers, battery packs, and tripod mounts.
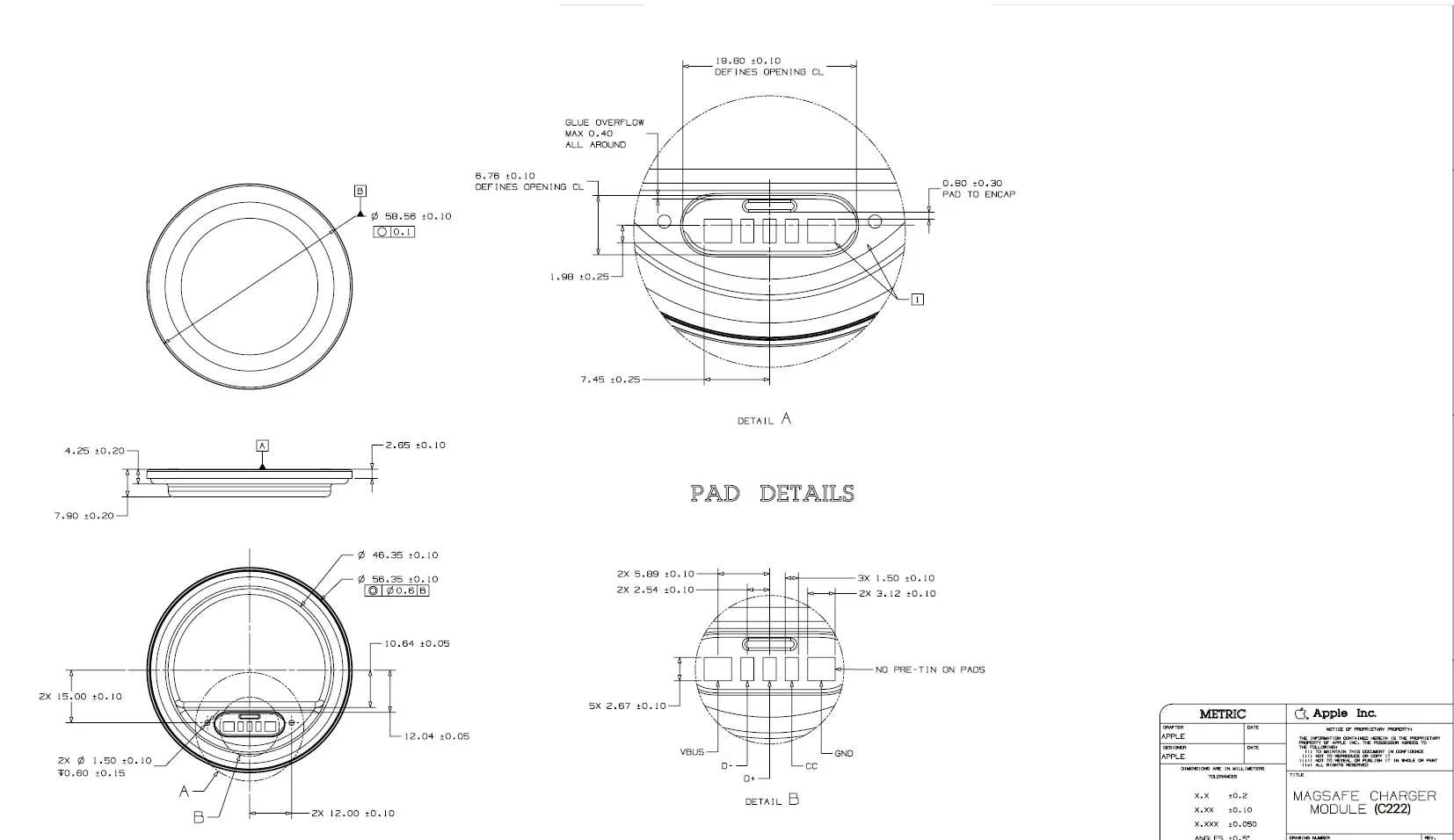
Figure MagSafe Charger Module (C222) 70-1

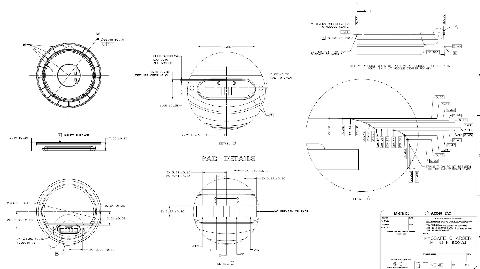
Figure MagSafe Charger Module (C222x) 70-2

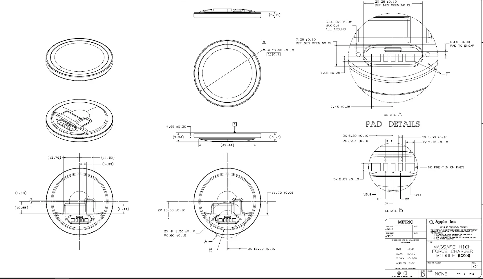
Figure MagSafe Charger Module (C223) 70-3

Mechanical
See the following for dimensional drawings:
- MagSafe Charger Module (C222) Dimensions 1 of 2
- MagSafe Charger Module (C222) Dimensions 2 of 2
- MagSafe Charger Module (C222x) Dimensions
- MagSafe Charger Module (C223) Dimensions 1 of 2
- MagSafe Charger Module (C223) Dimensions 2 of 2
The accessory shall not interfere with or cause Scratches and Damage (page 53) to the device.
To avoid interference with devices, accessories shall:
- Mount the MagSafe Charger Module (C222) or MagSafe Charger Module (C223) so its surface is proud of the accessory surface.
- Not exceed 30 mm from the center of the MagSafe Charger Module surface towards the top edge of the device for all supported device orientations. If the device can be attached in any orientation, the accessory shall not exceed 30 mm in radius around the center of the MagSafe Charger Module surface.
- Maintain a clearance of 5 mm from the back of the device (mating surface) for any part of the accessory past the 30 mm keep-in constraint.
- Meet enclosure integration requirements found in module dimensional drawings.
Figure MagSafe Charger Module accessory clearance 70-4

To avoid interference with wireless charging, accessories:
- Shall not cover the MagSafe Charger Module (C222x) with radio frequency absorbing Materials and Coatings (page 64).
- Should not mount the MagSafe Charger Module near ferromagnetic metals or alloys.
Accessory mounts designed for use in vehicles shall include an Orientation Magnet (page 368) unless the mating surface is guaranteed to be horizontal (such as when integrated into the vehicle or permanently mounted), in which case an orientation magnet is not required. Mounting designs should consider factors such as mount stiffness and mounting location.
Accessories integrating the MagSafe Charger Module (C222x) should have a mating surface with a kinetic friction coefficient against stainless steel greater than 0.35.
MagSafe Charger Module storage temperature range is from -20 °C to 40 °C.
Electrical
Accessories integrating a MagSafe Charger Module shall comply with the electrical requirements in this section.
Power
Accessories integrating a MagSafe Charger Module shall provide power from either:
- An internal power supply.
- An external USB power source.
If the accessory integrates an Internal Power Supply (page 629), it:
- May accept external power using any of the following integrated connectors so long as the accessory actively conditions and regulates the power:
- USB-C Receptacle (page 831).
- USB-C Plug (page 829).
- Non-USB connector.
- May consume some of the external power for its own purposes so long as all MagSafe Charger Module power requirements are met.
If the accessory relies on an External USB Power Source to provide power to the MagSafe Charger Module and does not contain its own internal power supply, it:
- Shall connect to the external USB power source using a USB-C Plug.
- Shall not consume any power from the external USB power source.
- Shall not monitor or modify the USB D+/D- or CC signals from the external USB power source.
The accessory shall integrate reverse voltage protection (RVP) between the MagSafe Charger Module power and ground.
The MagSafe Charger Module maximum average current is 2.5 A at 9 V. The current is further limited based on the power source identification (for example, USB PD, USB D+/D- resistor network values, or USB enumeration).
The MagSafe Charger Module includes:
- Overvoltage protection (OVP).
- Overcurrent protection (OCP).
- Overtemperature protection (OTP).
- Foreign object detection (FOD).
Internal Power Supply
A MagSafe Charger Module powered by an accessory’s internal power supply shall be configured to operate in 9 V mode using the PowerMode (page 635) command. After configuration, the USB D+/D-and CC pads shall be left Not Connected (NC) as specified in Pads and Assignments (page 630).
The accessory’s internal power supply for the MagSafe Charger Module shall:
- Support a load of 0 W to 20 W (2.22 A at 9 V). Apple recommends supporting up to 22.5 W (2.5 A at 9 V).
- Regulate input voltage at the PWR pad of the MagSafe Charger Module to 9.0 V ±5% under any supported load.
- Hold PWR ripple below:
- 180 mVpp from 1 kHz to 4 kHz under any supported load.
- 400 mVpp below 1 kHz or above 4 kHz under any supported load.
- Have a PWR rise time (10% to 90%) of less than 10 ms during power on.
- Tolerate a transient current up to 4.5 A for up to 1 ms.
External USB Power Source
A MagSafe Charger Module powered by an external USB power source shall be configured to operate in USB mode using the PowerMode (page 635) command.
Accessories relying on an external USB power source to provide power to the MagSafe Charger Module shall:
- Have maximum 112 mΩ round trip DCR (USB VBUS to Ground) between the MagSafe Charger Module connector and the accessory’s USB-C Plug .
- Have a VBUS DCR less than 92 mΩ assuming 1 m cable.
- Have a GND DCR less than 20 mΩ assuming 1 m cable.
- Have a D+/D- DCR less than 1013 mΩ assuming 1 m cable.
- Have a CC DCR less than 5580 mΩ assuming 1 m cable.
- Pass the USB-IF Full Speed signal quality test. See Full Speed USB (page 826) and Full Speed USB .
- Meet the USB-IF inrush current specification of 51.5 µC.
See the USB-IF Full and Low Speed Electrical and Interoperability Compliance Test Procedure and Gold Suite Test Procedure for USB-IF test procedures.
If the accessory implements additional OCP, the maximum round trip DCR shall include the on-resistance of the OCP circuit.
If the accessory bundles an external USB power source, it shall provide at least 20 W (2.22 A at 9 V). Apple recommends supporting up to 22.5 W (2.5 A at 9 V).
Charging Efficiency
Accessories integrating a MagSafe Charger Module shall not impair device’s ability to efficiently charge from provided power.
Pads and Assignments
The module pad assignments are shown in dimensional drawings.
Table 70-1 MagSafe Charger Module Pads
The module housing is grounded internally and shall not be directly connected to an external ground. Care should be taken to ensure any connection to the GND pad does not short to the enclosure.
Signals from the USB D+ and D- pads shall be routed as a differential pair.
All pads support up to 20 AWG wires.
ESD
Accessories shall ensure there is no arcing path to the MagSafe Charger Module housing.
Air gaps between the accessory housing and the module should be covered using a non-conductive coating or other material to prevent arcing.
If air gaps cannot be covered, the module’s metal housing near the gap should be insulated with a coating, such as:
- >250 µm polyurethane.
- >100 µm parylene.
EMC
Accessories integrating the MagSafe Charger Module should be designed for Electromagnetic Compatibility (EMC) (page 328).
The wires connected to the module pads should be part of a shielded cable. The shield and drain/ground wires should be tied together and connected to the GND pad of the module. The shield shall not be connected to the module housing.
Avoid coupling from the accessory enclosure to the module housing.
Cable bundles should be physically isolated from the module housing to minimize unwanted coupling. A spacer or absorber material may be placed between the cable bundle and the module housing for additional isolation. The material should be 1 mm thick and should be one of the following:
- RF absorber material effective at 30-100 MHz.
- Spacer with relative permittivity εr = 1 (for example, foam).
RF absorber material may be wrapped around the cable core to further attenuate EMI noise and reduce emissions. Wrap the absorber material around the shield before applying the jacket. The absorber should be >35 µm thick and should have:
- μ’ > 90, μ” > 35 @ 30 MHz.
- μ’ > 60, μ” > 40 @ 100 MHz.
A common mode choke effective at 30-100 MHz should be included in the accessory’s internal power supply or in any bundled power adapters. The common mode choke should have:
- Z > 200 Ω @ 30 MHz.
- Z > 500 Ω @ 100 MHz.
If the accessory includes a bundled power adapter, a ferrite core with high impedance in 30-100 MHz frequency range may be added to the power cord to reduce emissions. The ferrite core should have:
- Z > 130 Ω @ 25 MHz.
- Z > 260 Ω @ 100 MHz.
To reduce common mode noise potential, the accessory may include grounded metal outside of the module area to increase capacitance between the accessory and the device.
SAR
Accessories integrating a MagSafe Charger Module in “portable” conditions may exceed 0 mm H-field measurement limits. Collaborating with Ansys, Apple developed a software tool to perform Specific Absorption Rate (SAR) (page 65) simulations. See the Simulation Tool for RF Exposure Assessment document in the MFi Portal for more information.
Inductive Coil
The MagSafe Charger Module inductive coil has 10.6 turns with an outer diameter of ≈39.3 mm.
Charging Status
To monitor charging status, accessories may use the HID report with ID 0xA1 on interface 2, consisting of HID Vendor Page (0xFF00) Usage ID 0x0011, a uint8 value representing the following charging states:
- 0 – Empty.
- 1 – Charging up to 5 W.
- 2 – Charging up to 7.5 W.
- 3 – Charging up to 15 W.
The charging status report is sent once per second and can be used to determine if the module is powered.
Accessories may indicate to the user when the module is powered and its charging state, using an LED or other means. For example, a multi-color LED may use green to indicate the charger is powered and other color(s) to indicate the charging state when a device is present.
Controlling Power in 9 V Mode
Available power to the MagSafe Charger Module may be adjusted dynamically when using an Internal Power Supply (page 629) in 9 V PowerMode (page 635).
To configure the available power, the host may send a HID report with ID 0xA0 on interface 1, consisting of HID Vendor Page (0xFF00) Usage ID 0x0046, a uint8 value for the available power in W.
Charging may be disabled at any time by setting the available power to ‘0’. The minimum value required to enable inductive charging is 12 W. When the Charging Status (page 632) is:
- 0′ or ‘3’, the value may be dynamically adjusted.
- ‘1’ or ‘2’, values are not dynamically adjustable. Charging has to be stopped before setting a new available power value.
Firmware Update Over USB
MagSafe Charger Module supports firmware updates over USB-C from Mac computers. To register an accessory for this support, email a request to [email protected] with the following:
- Email subject containing the:
- Module name (for example, “C222” or “C223”).
- Accessory’s USB VID/PID in hex (for example, “XXXX/XXXX”).
Email body containing:
- Requesting company’s name.
- MFi Product Plan UID (PPUID) from the MFi portal (for example, “XXXXXXXXXXXXXXXX”).
- MFi Product Plan ID (PPID) from the MFi portal (for example, “XXXXXX-XXXXXX”).
- Enable after date (optional).
Factory Configuration
The MagSafe Charger Module exposes a USB Virtual COM Port (page 637) (VCP) to use for factory configuration. Connect the pads to a cable terminating in a USB-C plug to access the interface.
The MagSafe Charger Module factory configuration interface provides commands to set and read configuration parameters. Commands are terminated by a newline character and take two forms:
- “VendorSet ParameterName Value” to set the value of a parameter.
- “VendorGet ParameterName” to read the current value of a parameter.
Command responses for both VendorSet and VendorGet take the form:
“<ParameterName-CurrentValue>”. This response may be used to confirm the value has been set correctly.
Hexadecimal values shall be prefixed with 0x.
The VendorSet command takes exactly two arguments separated by spaces. If the value to set is a string containing spaces (for example, “Charging Cable Model Name”), each space shall be represented
by an underscore character (for example, “VendorSet ProductName
Charging_Cable_Model_Name”).
Parameters
The following parameters shall be configured at the time of accessory manufacturing:
- VendorID
- ProductID
- ProductPlanUID
- VendorName
- ProductName
- ModelNumber
- HardwareVersion
- SerialNumber
- PowerMode
- LockConfig
Every MagSafe Charger Module:
- Shall set the Vendor ID (VID) as assigned by the USB-IF and a unique Product ID (PID) assigned by the accessory developer. The VID shall correspond to the brand name appearing on the accessory or its packaging. See USB Host Mode (page 491).
- Shall set the Vendor Name, Product Name, and Model Number to human-readable strings matching names appearing on the accessory or its packaging.
- Shall not be configured with empty strings or generic string values.
- Shall be configured with a unique serialized Serial Number.
The TempConfig (page 635) parameter may be used to verify the configuration before permanently locking the MagSafe Charger Module.
VendorID
A string representation of the hex value of the vendor ID (VID) from the manufacturer, including the 0x prefix.
Product ID
A string representation of the hex value of the product ID (PID) from the manufacturer, including the 0x prefix.
Product Plan UID
A string representation of the Product Plan’s UID (PPUID) from the MFi portal (up to 36 UTF8 characters). Note: the Product Plan UID is different from the Product Plan ID.
Vendor Name
A string representation of the vendor name from the manufacturer (up to 64 UTF8 characters).
Product Name
A string representation of the product name from the manufacturer (up to 64 UTF8 characters).
Model Number
A string representation of the model number from the manufacturer (up to 32 UTF8 characters).
Hardware Version
A string representation of the hardware version from the manufacturer (1 byte), provided as a decimal or hex value.
Serial Number
A string representation of the serial number from the manufacturer (up to 32 UTF8 characters).
Power Mode
A number indicating the power mode:
- 1 = USB / USB-PD mode.
- 2 = 9 V mode. Input voltage and operating current range is fixed.
- All other values are reserved.
TempConfig
A number indicating the configuration mode:
- 0 = Default.
- 1 = Temporarily use the configured parameters to enumerate over USB on the next boot, then return to VCP mode on the following boot. This setting may be used to verify the parameters have been set correctly. This setting does not enable inductive charging.
- All other values are reserved.
Lock Config
A number indicating the configuration lock mode:
- 0 = Unlocked.
- 1 = Permanently lock configuration on the next boot. This setting shall be used for all production units.
- All other values are reserved.
Examples
Configure, Verify, and Lock
The following is an example factory configuration sequence which permanently locks the MagSafe Charger Module immediately after configuration:
- Apply power to the MagSafe Charger Module and connect to the USB VCP interface.
- Issues all VendorSet ParameterName Value commands to configure the module:
- VendorSet VendorID 0x1234
- VendorSet ProductID 0x5678
- VendorSet ProductPlanUID ABCDEFGH12345678
- VendorSet VendorName Example_Product_Developer
- VendorSet ProductName Example_Product
- VendorSet ModelNumber ABC_123
- VendorSet HardwareVersion 0x01
- VendorSet SerialNumber ABCDEF123456
- VendorSet PowerMode 1
- Verify all command responses match the expected values:
- <VendorID-0x1234>
- <ProductID-0x5678>
- <ProductPlanUID-ABCDEFGH12345678>
- <VendorName-Example Product Developer>
- <ProductName-Example Product>
- <ModelNumber-ABC 123>
- <HardwareVersion-1>
- <SerialNumber-ABCDEF123456>
- <PowerMode-1>
- Issue VendorSet LockConfig 1 (permanently lock firmware configuration).
- Disconnect power.
Configure and Test
The following is an example manual configuration sequence to tests the configuration, but does not permanently lock the MagSafe Charger Module:
- Apply power to the MagSafe Charger Module and connect to the USB VCP interface.
- Issue all VendorSet ParameterName Value commands to configure the module:
- VendorSet VendorID 0x1234
- VendorSet ProductID 0x5678
- VendorSet ProductPlanUID ABCDEFGH12345678
- VendorSet VendorName Example_Product_Developer
- VendorSet ProductName Example_Product
- VendorSet ModelNumber ABC_123
- VendorSet HardwareVersion 0x01
- VendorSet SerialNumber ABCDEF123456
- VendorSet PowerMode 1
- Issue VendorSet TempConfig 1 (next boot will use configured parameter values for testing).
- Cycle power.
- The MagSafe Charger Module boots, enumerating using the configured parameters.
- Verify the MagSafe Charger Module has been correctly configured using the following procedure on a Mac (or its equivalent for another computer/operating system combination):
- Open System Information on the Mac.
- Select USB under the Hardware category on the left pane.
- Verify the “Example Product” is listed in the USB device tree.
- Select the “Example Product” and verify all displayed values, for example: Product Name, Product ID, Vendor ID, Serial Number, Manufacturer (Vendor Name).
- Cycle power and connect to the USB VCP interface to continue configuration.
USB Virtual COM Port
The USB Virtual COM Port (VCP) enables configuration of the MagSafe Charger Module.
Mac
When using a Mac, the MagSafe Charger Module is recognized as a USB serial device. The accessory will appear as /dev/tty.usbmodem-<identifier>. The interface may be accessed using various serial interface programs (for example, executing screen /dev/tty.usbmodem-<identifier> given the appropriate identifier in a terminal).
Windows XP/7/8
When using a computer running Windows XP/7/8, first install the STM32 Virtual COM Port Driver (part number STSW-STM32102) from https://www.st.com/en/development-tools/stsw-stm32102.html. Once installed, edit the stmcdc.inf file to add Apple VID 0x05AC and the MagSafe Charger Module (C222) PID 0x0501 & MagSafe Charger Module (C223) PID 0x139B to the DeviceList sections as follows:
[DeviceList.NT]
%DESCRIPTION%=DriverInstall,USB\VID_0483&PID_5740 %DESCRIPTION%=DriverInstall,USB\VID_05AC&PID_0501 %DESCRIPTION%=DriverInstall,USB\VID_05AC&PID_139B [DeviceList.NTamd64]
%DESCRIPTION%=DriverInstall,USB\VID_0483&PID_5740 %DESCRIPTION%=DriverInstall,USB\VID_05AC&PID_0501 %DESCRIPTION%=DriverInstall,USB\VID_05AC&PID_139B
If the VCP is not identified properly upon connection, update the driver using the Windows Device Manager. If the accessory is listed as a Composite device, select it and update the driver (choose “Have Disk”, and browse to the folder containing the updated stmcdc.inf file).
MagSafe Charger Module (C222) Dimensions 1 of 2
NOTESı (UNLESS OTHERWI SE PECI FIED
- NO ELECTRICAL SHORTS BETWEEN GND PAD AND SURROUND I NG METAL .
- ENCLOSURE REFERS TO ANY PART SURROUNDI NG THE MODULE. OUTER SURF ACE OF ENCLOSURE AREA REPRESENTS MAX MATERIAL cOND I T ION FOR EXTERIOR ENCLOSURE SURFACE. ENCLOSURE GEOMETRY MUST BE CONTA I NED WITHIN AREA SHOWN
- FOR NON AXISYMMETR IC APPLICATIONS, ENCLOSURE AREA REPRESENTS MAX MATERI AL CONDI T I ON WHEN VIEWED ALONG A HORI ZONTAL AXIS OR AXISYMMETRIC APPLICATIONS, A REVOLUT I ON OF THE ENCLOSURE AREA AROUND THE Z AXIS THROUGH THE CENTER POINT OF THE MODULE REPRESENTS THE MAX MATERIAL COND I T ION 4 ANY CURVATURE DEVIATING OUTWARD OF ENCLOSURE AREA TO EXIST BEYOND 5MM Z CLEARANCE FROM TOP OF MODULE
HOT BAR OPENING


NOTES (UNLESS OTHERWI SE SPEC IFIED)
- ENCLOSURE SPLINE REPRESENTS MAX MATERIAL CONDI TION FOR EXTERIOR PRODUT SURFACE. ENCLOSURE GEOMETRY SHOULD BE CONTA I NED WI THIN
- FOR NON AxISYMMETRIC APPLICATIONS, SPLINE REPRESENTS MAX MATERIAL CONDI T1ON KEEP-IN WHEN VIEWED ALONG X AXIS
- FOR AXISYMMETRIC APPL ICATIONS, A REVOLUT I ON OF THE SPLINE AROUND THE Z AXIS 3. THROUGH THE CENTER POINT OF THE
- MODULE REPRESENTS THE MAX MATERIAL CONDITION KEEP-IN MODULE MAGNETS TO BE USED AS ASSEMBLY Z DATUM TOP SURFACE OF MODULE TO EXIST 0.875MM BELOW CHARGI NG SURF ACE 5 6ANY CURVATURE DEV IATING BEYOND SPLI NE TO EXIST BEYOND 5mm Z CLEARANCE FROM TOP OF PRODUCT
- NO ELECTRICAL SHORTS BETWEEN GND PAD AND SURROUND I NG METALL.
- ADHES I VE SHOULD BE APPL IED TO COIL, MAGNETS, AND MODULE EDGE TO PROPERLY SECURE MODULE FINAL PRODUCT ENCLOSURE.
HOT BAR OPENING



Test Procedures
Test procedures for accessories integrating the MagSafe Charger Module are contained in this section.
Product Design
- Verify the accessory:
- Does not scratch or damage the device when attached.
- Does not exceed the 30 mm keep-in from the center of the MagSafe Charger Module surface towards the top edge of the device for all supported device orientations.
- Does not exceed the 5 mm clearance past the 30 mm keep-in.
- Does have at least 5 mm of clearance to the device surface (mating surface) past the 30 mm keep-in.
- Verify the MagSafe Charger Module surface is proud of the surface of the accessory using calipers depth probe.
- Verify the bottom edge of the MagSafe Charger Module cap is not visible.
Orientation Magnet
If the accessory includes a MagSafe orientation magnet:
- Use a straight edge to verify the device contact surfaces of the MagSafe Charger Module and orientation magnet are coplanar (aligned in the same plane).
- Attach a MagSafe-capable device to the accessory and align it with the orientation magnet. Verify there are no gaps between the:
- MagSafe Charger Module and device.
- MagSafe orientation magnet and device.
Power
Equipment
- MagSafe-capable device running iOS 16.0 or later.
- MagSafe Certification Assistant app.
- USB-C power adapter supporting at least 22.5 W (2.5 A at 9 V) (if applicable).
Procedure
- Go to: Settings > Battery > Battery Health and turn off Optimized Battery Charging.
- Open the MagSafe Certification Assistant app on the device.
- Verify the battery temperature and the battery charge test requirements are met. They will have green checkmarks.
- Connect the device to the accessory and verify the charger is detected by the app. It will have a green checkmark.
- Select Run Max Power Test.
- Verify the test passes.
Low Battery
Equipment
- MagSafe-capable device running iOS 16.0 or later.
- USB-C power adapter supporting at least 22.5 W (2.5 A at 9 V) (if applicable).
Test Conditions
- Device battery charge level of 0%.
- Ambient temperature of 22 °C to 25 °C.
Procedure
- Drain the battery of the device to 0%. (Play a video at maximum brightness with the flashlight on.)
- Once the device battery is depleted, wait for at least 30 minutes to allow the device to cool.
- Verify the ambient temperature is within the range.
- Connect the device to the accessory and measure the time until the device boots.
- Verify the boot time is within 15 minutes.



















