AudioControl LC-5.1300 High Power Five Channel Amplifier User Guide

Features
- 5 Channel Amplifier with AccuBASS® Processing
- Configurable as 3 or 5 channels
- 4 x 100 W @ 4 Ohms + 1 x 300 W @ 4 Ohms
- 4 x 200 W @ 2 Ohms + 1 x 500 W @ 2 Ohms
- High Current Design
- 6 RCA Line Inputs
- 8 Summable Speaker-Level Inputs for OEM integration
- MILCTM Level Matching Technology (Patent pending)
- GTOTM Signal Sense (Great Turn On)
- Independent 12 dB Linkwitz-Riley Crossovers
- Optional ACR-1 Dash Remote
- Non-GMO, Grade AA goodness
Important Safety Instructions
- Read these instructions.
- Keep these instructions.
- Heed all warnings.
- Follow all instructions.
- Do not use this apparatus near water.
- Clean only with a dry cloth.
- Do not block any ventilation openings. Install in accordance with the manufacturer’s instructions.
- Do not install near any heat sources such as mufflers, silencers, exhaust pipes, or other apparatus (including amplifiers) that produce heat.
- WARNING: Improper installation may lead to permanent injury or death. Installation of the apparatus must be done with great care by qualified personnel, to prevent damage to fuel lines, power, and other electrical wiring, hydraulic brake lines, and other systems, that might compromise vehicle safety.
- Provide +12V and Ground insulated wiring of 4 to 0 AWG to ensure adequate current to the amplifier.
- Use rubber grommets to protect wiring whenever passing wires through metal openings or bulkheads.
- Only use attachments/accessories specified by the manufacturer.
- Refer all servicing to qualified service personnel. Servicing is required when the apparatus has been damaged in any way, such as the power input terminals are damaged, liquid has been spilled or objects have fallen into the apparatus, the apparatus has been exposed to rain or moisture, does not operate normally, or has been dropped.
- This apparatus shall not be exposed to dripping or splashing, and no object filled with liquids, shall be placed on the apparatus.
- Fuses shall be replaced only with the correct type and fuse value, and only when the apparatus is powered off.
- Exposure to high sound pressure levels may lead to permanent hearing loss. Take every precaution to protect your hearing.
The lightning flash with arrowhead symbol within an equilateral triangle is intended to alert the user to the presence of uninsulated “dangerous voltage” within the product’s enclosure, that may be of sufficient magnitude to constitute a risk of electric shock to persons.
The exclamation point within an equilateral triangle is intended to alert the user of the presence of important operating and maintenance (servicing) instructions in the literature accompanying the appliance.
Caution: to reduce the risk of electric shock, do not disassemble the apparatus, other than to remove the top panel to access the controls. There are no user-serviceable parts inside. Refer servicing to qualified personnel.
Recycling notice: If the time comes and this apparatus has fulfilled its destiny, do not throw it out into the trash. It has to be carefully recycled for the good of mankind, by a facility specially equipped for the safe recycling of electronic apparatii. Please contact your local or state recycling leaders for assistance in locating a suitable nearby recycling facility. Or, contact us and we might be able to repair it for you.
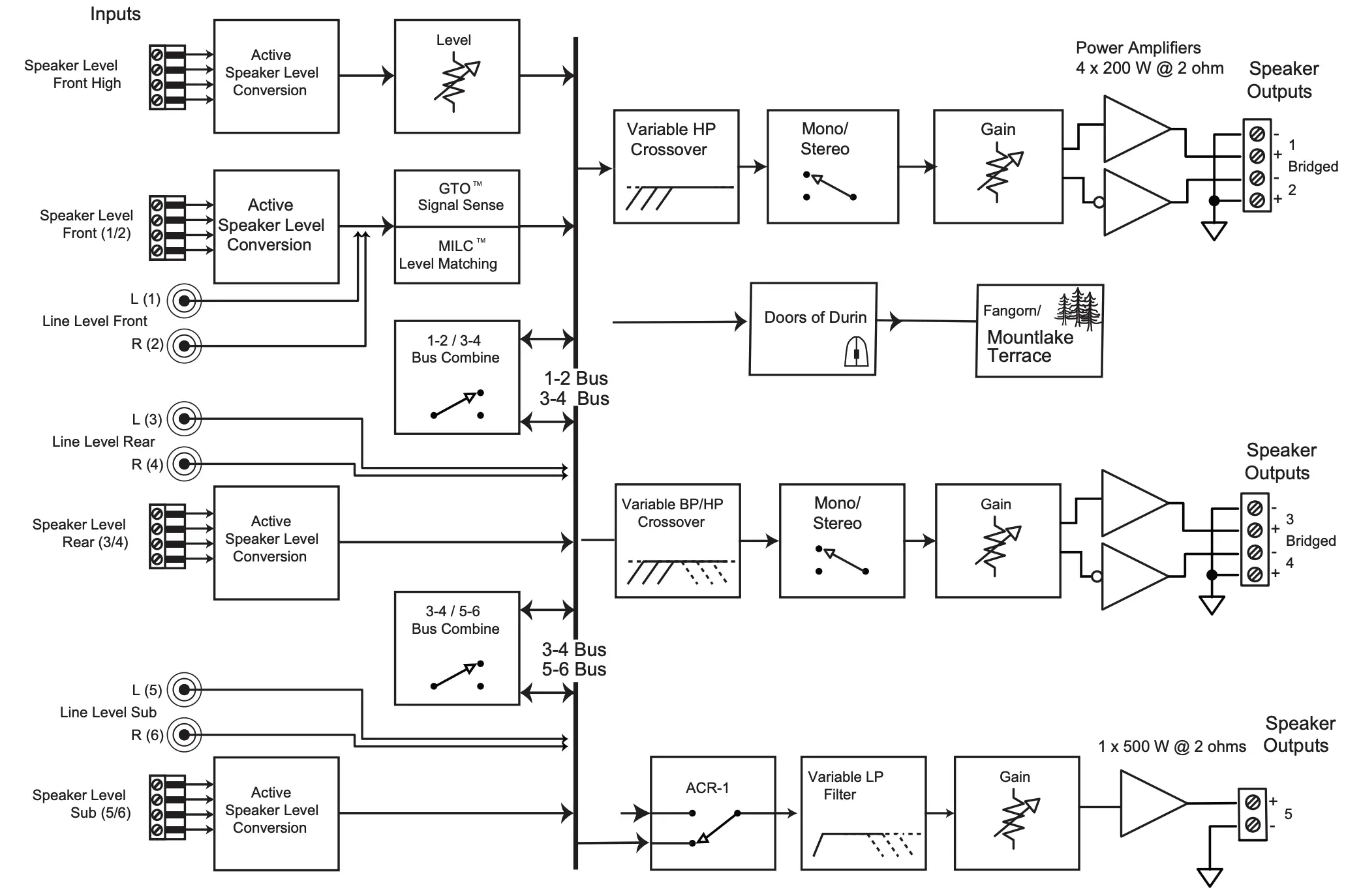
Connection Panel Features


- Fuses 30A – Replace these fuses only with the exact same style and Ampere rating. Disconnect 12V power before changing or inspecting the fuses.
- Power Input Terminal +12V – This screw terminal connects to the +12V battery binding post of the vehicle. Use quality insulated wire, 4 to 0 AWG.
- Remote Power Input Terminal – This screw terminal connects to the 12V remote trigger output of some head units. When the head unit is turned on, then the LC-5.1300 will turn on. Alternatively, this terminal will output +12V if the LC-5.1300 turns on using GTO signal sensing. This can be used to remotely turn-on power amplifiers when the LC-5.1300 is awoken by the GTO.
- Power Input Terminal Ground – This screw terminal connects to a good ground connection on the vehicle. Use quality insulated wire, gauge 4 to 0 AWG.
- RCA Analog Line-Level Inputs – The line-level output from the head unit or factory-installed radios can connect here, so the LC-5.1300 amplifier will receive the line-level audio signals. Do not use these inputs if you are using the speaker-level inputs.
- Speaker-Level Inputs – The speaker-level output from amplifiers and factory installed radios can connect here. Do not use these inputs if you are using the RCA line-level inputs.
- Remote Control Connector – This connects to the ACR-1 remote level control.
- Speaker-Level Output Terminals – These screw terminals connect with speaker wire to your loudspeakers Make sure that the average combined speaker impedance does not dip below 2 Ohms, or 4 Ohms in bridged mono mode.
- Power LED – If you have connected your battery power, vehicle ground, and turn-on lead (or GTO signal sensing) correctly, then this light should be green to indicate the power is ON.
- Protection LED – The amplifier has built-in diagnostic codes to tell you exactly what is going wrong should the amplifier detect a problem. See page 15 for a list of diagnostic codes.
- GTO Signal Sense – In the ON position, the LC-5.1300 amplifier will turn on gracefully when it detects an incoming audio signal on inputs 1 and 2, and it will turn off after a period of time when the audio signal fades away to silence. Turn this OFF if using the remote power terminal (see item 3 above) turn on method.
- Front High Level – Adjusts the Front High speaker-level input levels, to achieve a nice balance in levels.
- HP Crossover Frequency – Selects the HP crossover point to match your speakers and system. Channel 1 and 2 outputs will receive the frequency range above the frequency selected. Use the crossover range switch (16) to select the range from 30 to 300 Hz, or from 500 Hz to 5 kHz. The crossover for channels 1/2 is high-pass only.
- Crossover Range – Use this switch to select the range of the HP crossover frequency control (15) from 30 to 300 Hz, or from 500 Hz to 5 kHz.
- Mono/Stereo – Amplifiers 1 and 2 can be joined in mono to power a single more powerful speaker (4 Ohm minimum).
- Gain Control – Adjusts the overall 1 and 2 output levels.
- 1/2 and 3/4 Bus Sum – This sums the 1/2 and 3/4 inputs together. So two inputs (L/R) can feed four outputs (2L/2R).
- HP Crossover Frequency – Selects the HP crossover point to match your speakers and system (if the crossover switch (24) is set to HP). The channel 3/4 outputs will receive the frequency range above the frequency selected. If the crossover switch is set to bandpass, then this selects the top frequency of the band.
- Crossover Type HP/Bandpass – The crossover of channels 3/4 can be selected as a high-pass or bandpass type. For example, bandpass is super for bi-amping your speakers, with channels 1/2 high pass for tweeters, and channels 3/4 bandpass for mid-range.
- LP Crossover Frequency – Selects the lower frequency of the band to match your speakers and system (only if the crossover type switch (24) is set to bandpass). The channel 3/4 outputs will receive the frequency range selected by the HP and LP controls.
- Mono/Stereo – Amplifiers 1 and 2 can be joined in mono to power a single more powerful speaker (4 Ohm minimum).
- Gain Control – Adjusts the overall 3 and 4 output levels.
- 3/4 and 5/6 Bus Sum – This sums the 3/4 and 5/6 inputs together. So two inputs (L/R) can feed four outputs (2L/2R).
- AccuBASS® – Enables/disables the AccuBASS® circuit for output 5. The AccuBASS® has its own controls to work wonders on the lower bass of the output.
- AccuBASS® Threshold – Selects the level at which the AccuBASS® will begin to work.
- AccuBASS® Level – Adjusts the level of the AccuBASS®.
- Crossover Frequency – Selects the LP crossover point to match your speakers and system. The channel 5 output will receive the frequency range below the frequency selected.
- Gain Control – Adjusts the overall 5 output levels.
- LEDs:
MILC™ Source Clip LED – The MILC™ (Maximum Input Level Control) patent-pending level-setting circuit prevents clipping and damaging distortion. It calculates when the waveform of an incoming audio signal on input 1 and 2 is clipping, and if it is, this LED will fulfill its prime objective and shine forth.
With this advanced feature, you are able to optimize the level of the incoming audio signals until the Source Clip LED is just-prior to lighting. If the LED comes on during normal operation, you should adjust the level of the audio signals before they reach the LC-5.1300.
Gain Maximized LEDs – These LEDs indicate when the LC-5.1300 amplifier gain for channels 1/2, 3/4, and 5 has been maximized for optimum performance.
AccuBASS® and ACR-1 Notes
AccuBASS®
The AccuBASS is applied to the input signal that feeds the output of Channel 5. When set to Sum, the input signal for Channel 5 will be whatever is being received as the Channels 3/4 input. Which, if that is set to Sum, then the input signal will be 1/2.
ACR-1 remote
The ACR-1 remote level control affects the level of the signal after the AccuBASS circuit, and the ACR-1 effects Channel 5 output.
The long-awaited moment when “plethora” is used in a manual
The plethora of LC-5.1300 controls allows for a wide variety of installation possibilities. This quick start guide gives a few examples of system diagrams, and includes a few notes about the control settings for each one.
Note: The technical writer reserves the right to be wrong about things, due to the cold medicine being the night-time sleepy stuff, and not the usual day-time strength.
Quick Start
Here are a few general steps to get your LC-5.1300 amplifier up and running:
- Undo the +12V and Ground connections to the car battery before making any connections to the amplifier.
- Pick a mounting location that will provide access to the controls and connections, provide adequate ventilation, and also protect the amplifier from heat, moisture, and dirt. Make sure the ventilation slots on the sides are not blocked, and that the heatsink fins are not covered.
- The LC-5.1300 amplifier needs to be securely mounted using the four mounting holes located in each corner.
- Before drilling any holes, take every precaution to prevent any damage to fuel lines, power and other electrical wiring, hydraulic brake lines, and other systems, that might compromise vehicle safety.
- When making connections, designate red RCA plugs as right, and designate white, black, or grey plugs as left. This is a good idea for consistency.
- Use quality interconnect cables.
- Connect the +12V input terminal of the unit to the +12V terminal of the vehicle battery, using 4 to 0 AWG.
- Connect the Ground terminal of the unit to the chassis of the vehicle, using the same wire gauge as the +12V power wire.
- Connect the remote power terminal of the unit to the remote turn-on switch of your source unit. Alternatively, you can skip this connection and use the GTO Signal sensing.
- Connect your audio inputs to the unit – either speaker-level or line-level RCA… not both.
- Run the ACR-1 remote to the front of the vehicle to adjust the level on the fly.
- Connect your loudspeakers (2 Ohm stereo, 4 Ohm Bridged minimum load).
- When all connections are made, reconnect the vehicle battery.
- Adjust your input source gain using the MILC Source Clip LED. This will indicate if the incoming audio signals are clipping.
- Set the LC-5.1300 crossovers to the frequency recommended by the loudspeaker manufacturer.
- Adjust the LC-5.1300 CH 5 AccuBass controls to suit. The ACR-1 adjusts the overall output level.
- Enjoy the drive!
Power Connections

In this example, the head unit has a +12V trigger output that is connected to the LC-5.1300’s remote input terminal. When the head unit is turned on, it will turn on the LC-5.1300 amplifier.
Use 4 to 0 AWG insulated wire for the +12V and Ground connections.

In this example, the GTO signal sense feature can be used to gently turn on the LC-5.1300 amplifier when an audio input signal is detected on inputs 1 and 2. In this case, the LC-5.1300’s remote input terminal becomes a +12V trigger out to remotely turn on a power amplifier for example.
System #1: Using speaker-level inputs

Notes:
The +12V Power and Ground connections are not shown (see page 8)
Speaker outputs 1 and 2: Stereo, 90 Hz and above, plays inputs 1 and 2
Speaker outputs 3 and 4: Stereo, 90 Hz and above, plays inputs 3 and 4
Speaker outputs 5: Mono, 90 Hz and below, plays inputs 3 and 4 with AccuBASS on), use ACR-1 to adjust sub level.
Gain adjustments are usually unique to system design and are not specified accordingly, likewise with AccuBASS Threshold and Level.
System #2: Tri-amping

Notes:
The +12V Power and Ground connections are not shown
Speaker outputs 1 and 2: Stereo, 3.5 kHz and above, plays inputs 1 and 2, no AccuBASS or ACR-1 effect
Speaker outputs 3 and 4: Stereo, bandpass 300 Hz to 3.5 kHz, plays inputs 1 and 2 (as SUM is on), no AccuBASS or ACR-1 effect
Speaker output 5: Stereo, 300 Hz and below, plays inputs 1 and 2, (because AccuBASS is on), use ACR-1 to adjust woofer level
System #3: Using optional ACX-BT1 Bluetooth receiver

Notes:
The +12V Power and Ground connections are not shown
Speaker outputs 1 and 2: Stereo, 90 Hz and above, plays inputs 1 and 2, AccuBASS is on, ACR-1 adjusts level of all outputs
Speaker outputs 3 and 4: Stereo, 90 Hz and above, plays inputs 1 and 2, AccuBASS is on, ACR-1 adjusts level of all outputs
Speaker output 5: Mono, 90 Hz and below, plays inputs 1 and 2, AccuBASS is on, ACR-1 adjusts level of all outputs
ACR-1 Dash Control Installation
The AudioControl ACR-1 dash control is a remote level for your LC-5.1300 amplifier. It may be mounted under the dash using its own enclosure, or through a custom hole in the dash. The knob should be within reach of the driver, and in a spot where the LED is plainly visible. Disconnect the vehicle battery +12V and Ground connections before installation.

Dash Bracket Installation: The dash control mounts with four screws, which attach to the underside of the dashboard. Slide under the dash and place the dash control in its mounting position, mark the best mounting holes, carefully drill pilot holes, and secure with screws.
Custom Installation: For that custom, finished look, the dash control can be flush-mounted directly on the dashboard (or anywhere else). Disassemble the ACR-1 from its enclosure.
Top Lid Removal
The top lid must be removed to gain access to the controls, and then put back on again to protect the controls from dust bunnies.
Removal Procedure
- Locate the two screws that hold the straight edge of the lid onto the connector side of the amplifier.

- Use the supplied hex key to loosen both screws just enough until this edge of the lid can lift freely up just a little. (There is no need to remove the screws all the way, in case you lose them.)
- Slide the lid toward the heatsink fins just a tad, before further lifting the straight edge of the lid about 2”, then disengage the remaining two points of contact (under the wavy edge).
- Place the lid in a safe and handy place, ready for the time when you have finished adjusting the controls to your immense satisfaction, and just before Chivers brings tea and sandwiches.
Specifications
All specifications are measured at 14.4 VDC (standard automotive voltage). As technology advances, AudioControl reserves the right to continuously change our specifications, like our Pacific Northwest weather, although we are working on a surround-sound umbrella as well.
LC-5.1300 Multi-Channel Amplifier
Power Output:
4 x 100 Watts @ 4 Ohm
1 x 300 Watts @ 4 Ohm
4 x 200 Watts @ 2 Ohm
1 x 500 Watts @ 2 Ohm
Frequency Response: 20 Hz – 22 kHz
S/N Ratio: 102 dBA, ref 200 Watts @ 2 Ohm
THD+N: < 0.1%
Bass Processing:
AccuBASS® Restoration
AccuBASS® Patent # 9,225,305
Power / Ground Wire Gauge: between 4 and 0 AWG
Fuse Rating: 4 x 30 amps
Crossover:
Channel 1/2: High Pass Linkwitz-Riley adjustable from 30 Hz – 300 Hz or 500 Hz – 5 kHz
Channel 3/4:
High Pass/ Bandpass Linkwitz-Riley
High Pass adjustable from 30 Hz – 300 Hz
Low Pass adjustable from 500 Hz – 5 kHz
Channel 5: Low Pass Linkwitz- Riley adjustable from 30 Hz – 300 Hz
Speaker-Level Inputs: 8 x, summable, 40 V max
Line-Level Inputs: 6 x, balanced RCA, 6 V max
Weight: 7.2 lbs
Dimensions: 12.00” W x 7.95” D x 2.10” H
LC-5.1300Amplifier Codes:

©2020 AudioControl. All rights reserved.
For more information about this fine product, and for details of the limited warranty, and repair services, please visit our website at
www.audiocontrol.com
All specifications are subject to being covered in honey without notice.
AudioControl
22410 70th Avenue West, Mountlake Terrace, WA 98043 USA,
Phone 425-775-8461, FAX 425-778-3166
email: [email protected]
Block Diagram





















