ReVent RVLH80 Bathroom Exhaust Fan with Adjustable LED Lighting

Specifications
RVLH80
| performance at 4″ ducting | ||||
| Static Pressure (in wg) | Airflow (cfm) | Sound (sones) | Energy (watts) | Duct Size |
| 0.1 | 80 | 0.8 | 20 | 4 in |
| 0.25 | 63 | 19.5 | 4 in | |
| Voltage | 120 V |
| Frequency | 60 Hz |
| LED Watts | 13 W |
| LED Brightness | 900, 1000, or 1000 Lumens |
| LED Color Temp | 2700, 4000, or 5000 Kelvin |
| Fan Weight | 5.25 Lbs ( 2.4 Kg ) |
| Shield Size | 11 x 11 in ( 27.9 x 27.9 cm ) |
| Housing Length* | 8 3/8 in ( 21.3 cm ) |
| Housing Width* | 7 7/8 in ( 20 cm ) |
| Housing Depth* | 5 1/8 in ( 13 cm ) |
This may require modification of your current opening. Some hand tools are required. Power tools may also be necessary.
What’s Inside The Box

USED FOR NEW CONSTRUCTION ONLY
Safety Information
- WARNING – TO REDUCE THE RISK OF FIRE, ELECTRIC SHOCK, OR INJURY TO PERSONS, OBSERVE THE FOLLOWING:
- Installation work and electrical wiring must be done by a qualified person(s) in accordance with all applicable codes and standards, including fire-rated construction.
- Sufficient air is needed for proper combustion and exhausting of gases through the flue (chimney) of fuel-burning equipment to prevent back drafting. Follow the heating equipment manufacturer’s guidelines and safety standards, such as those published by the National Fire Protection Association (NFPA), the American Society for Heating, Refrigeration and Air Conditioning Engineers (ASHRAE), and the local code authorities.
- When cutting or drilling into a wall or ceiling, do not damage electrical wiring and other hidden utilities.
- Ducted fans must always be vented to the outdoors.
- If this unit is to be installed over a tub or shower, it must be marked as appropriate for the application and be connected to a GFCI (Ground Fault Circuit Interrupter) – protected branch circuit.
- Use this unit only in the manner intended by the manufacturer. If you have questions, contact the manufacturer.
- Before servicing or cleaning the unit, switch the power off at the service panel and lock the service disconnecting means to prevent power from being switched on accidentally. When the service disconnecting means cannot be locked, securely fasten a prominent warning device, such as a tag, to the service panel.
- This ventilation fan is approved for use over a bathtub or shower when installed in a GFCI-protected circuit. Do not use unapproved fans over a bathtub or shower that are not approved for that application.
- Install ductwork in a straight line with minimal bends.
- Use 120 V, 60 Hz for the electrical supply and properly ground the unit. Follow all local safety and electrical codes.
- Do not use this fan with any solid-state control device; such as a dimmer switch. Solid-state controls may cause harmonic distortion, which can cause a motor humming noise, as well as increase the risk of fire or electric shock.
- To reduce the risk of fire or electric shock, do not block air entry shields.
- Mount with the lowest moving parts at least 8.2 ft (2.5 m) above floor or grade level.
- Never place a switch where it can be reached from a tub or shower.
- Type IC for use in direct contact with thermal insulation not to exceed R-50. 12.) Not for use in cooking areas. (See PAGE 5 for details)
- This product must properly connect to the grounding conductor of the supply circuit.
Follow the heating equipment manufacturer’s guidelines and safety standards, such as those published by the National Fire Protection Association (NFPA), the American Society for Heating, Refrigeration and Air Conditioning Engineers (ASHRAE), and the local code authorities.
- WARNING: Not suitable for use as a range hood.
- CAUTION: For General Ventilating Use Only – Do Not Use To Exhaust Hazardous Or Explosive Materials And Vapors.
- CAUTION: Do not install in locations where the temperature will exceed 104°F (40°C).
- IMPORTANT: Exercise care to not damage existing wiring when cutting or drilling into walls or ceilings.
- NOTE: Make sure duct work size is a minimum of the discharge. Do not reduce. Reducing the duct size can increase fan noise.
- IMPORTANT: You may want to consult with a qualified licensed electrician regarding the wiring of your ventilation fan.
- WARNING: To reduce the risk of electric shock, please disconnect the electrical supply circuit before servicing.
- CAUTION: This product must be properly grounded.
Planning Your Installation
When installing the ventilation fan in a new construction site, install the main body of the FAN and ductwork during the rough-in construction of the building. The SHIELD should be installed after the finished ceiling is in place.
When installing in existing construction, use the provided cutout TEMPLATE for the ceiling. The SHIELD edge should overlap the finished ceiling. Not for use in the cooking area – see the diagram below.
Do not install a ventilation fan in areas where the ductwork will require configuration as shown.
NOTE: If installing in existing construction, you may need to have access to space above and below the installation location.
There are multiple installation configurations possible for this ventilation fan. Not all configurations are shown. If your installation requires a variation other than those shown, consult with a licensed contractor to determine the best installation for your project. If you are replacing an existing fan, ensure that the new FAN will adequately cover the existing opening.
Connecting the Duct
- Install a circular duct to the outlet and secure it with duct tape or clamps.
- Install the duct to the outlet with a gradient of 1°~2° to the outside as shown.
- The ducting from this FAN to the outside of the building has a strong effect on the airflow, noise, and energy use of the fan. Use the shortest, straightest duct routing possible for the best performance, and avoid installing the FAN with smaller ducts than recommended. Insulation around the ducts can reduce energy loss and inhibit mold growth. Fans installed with existing ducts may not achieve their rated airflow.
- 4 in (10.16 cm) round is recommended for best performance.
- Ensure duct joints and exterior penetrations are sealed with caulk or other similar material to create an air-tight path, minimize building heat loss and gain, and reduce the potential for condensation.
- Place/wrap insulation around the duct and/or FAN in order to minimize possible condensation buildup within the duct, building heat loss and gain.

Removing Your Old Fan
- Disconnect the electrical power supply and lock out the service panel for the existing fan.
- Remove the grille from the existing fan. Pull the grille down to expose its two springs. Squeeze each spring together and pull down again to release the springs from the motor plate slots.

- Your existing fan may be attached in several ways. Look for attachment screws in the ceiling and remove them. Your fan may also be attached on the attic side, which will require you to access it from the attic. Locate attic attachment screws and remove them. Fan removal can be the most difficult step, please watch this video: reventfans.com/how-to-remove-an-old-bath-fan.

- Remove the old fan. This may require cutting and pulling. Wear gloves and eye protection.

SheetLock Easy Roomside Installation
Watch the video: reventfans.com
WARNING: Disconnect all AC Power Breakers or Fuses before attempting to cut into your ceiling.
- Place the provided sheetrock cutout TEMPLATE on the ceiling where you wish the FAN to be (DAMPER and electrical positions shown on the TEMPLATE). We suggest using painter’s masking tape to hold the template in place while cutting. If there is a pre-existing fan opening, use aligning windows to find it’s edges. Either cut through the provided guide slots in the TEMPLATE or mark your cut lines with a pencil and remove the TEMPLATE. Use a sheetrock jab saw to cut your fan opening in the ceiling.

- Use a flathead screwdriver to raise the DAMPER away from the notch in the FAN body, then slide the DAMPER up half way until the notch in the side of the DAMPER aligns with the upper set of guides. Remove the DAMPER from the FAN.

- Attach DAMPER to ducting. Tape DAMPER to ducting with duct tape. Set the connected DAMPER and ducting in the ceiling opening, then set the FAN in the ceiling opening as well.

- Attach conduit with wiring to FAN.

- Reattach the DAMPER to the FAN inside the ceiling, the damper should click into place securely.

- Select a set of holding tabs, depending on the thickness of your sheetrock.

- Bend the holding tabs you selected outward.

- Set FAN into place in the opening using holding tabs, now the tabs hold the fan in position in the ceiling opening.
WARNING: Disconnect the AC power before any work is done to any part of the circuit ReVent is connected to. If you do not understand this warning, seek the services of a qualified licensed electrician.
WARNING: Copper to copper only. Do not use aluminum wire.
WARNING: Follow all local electrical and safety codes, and NEC (National Electrical Codes).
CAUTION: If your house wires do not match these colors, determine what each house wire represents before connecting. You may need to consult a qualified licensed electrician to determine this safely. - Disconnect the FAN motor from the electrical enclosure. Remove the electrical cover set screw and slide open the electrical enclosure.

- Connect wiring using the provided WIRE NUTS.
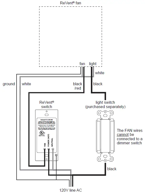
Wire connection for fan and light on separate switches:
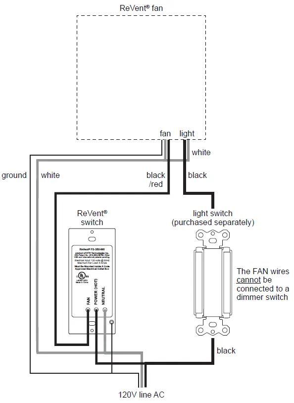
Wire connection for fan and light on one switch:
SWITCHES NOT INCLUDED, USE EXISTING OR MUST BE PURCHASED SEPARATELY
Always follow all safety instructions included with the switch you purchase. Do not exceed maximum electrical ratings.
- Once connected, reattach the electrical enclosure.

- Press and bend the final securing tabs flat against the ceiling to lock the FAN in place.

- Align the TRIM RING notch to the vent (DAMPER) position. Attach TRIM RING to FAN. TRIM RING attaches to the FAN body and clicks into place when secure.

- Select desired LED color temperature by sliding the selector switch on the back of the SHIELD.

- Connect the LED wire to the LED plug. Attach the SHIELD by squeezing the mounting springs together and inserting the springs into the spring guides in the FAN.

Installation For New Construction Framing
NOTE:
Even with new construction, you can use the SheetLock® installation method; however, ReVent® can still be installed using a method home builders would be more familiar with, as outlined in this section.
WARNING:
Disconnect all AC Power Breakers or Fuses before attempting to cut into your ceiling.
- Select a set of holding tabs, depending on the thickness of your sheetrock.

- Bend the holding tabs you selected outward.

- Attach FAN to ceiling joists with BRACKETS using ROUNDHEAD WOOD SCREWS, then install the sheetrock for your ceiling.

- Attach conduit with wiring to FAN.

- Attach DAMPER to ducting.

WARNING: Disconnect the AC power before any work is done to any part of the circuit ReVent is connected to. If you do not understand this warning, seek the services of a qualified licensed electrician.
WARNING: Copper to copper only. Do not use aluminum wire.
WARNING: Follow all local electrical and safety codes, and NEC (National Electrical Codes).
CAUTION: If your house wires do not match these colors, determine what each house wire represents before connecting. You may need to consult a qualified licensed electrician to determine this safely. - Disconnect the FAN motor from the electrical enclosure. Remove the electrical cover set screw and slide open the electrical enclosure.

- Connect wiring using the provided WIRE NUTS.
Wire connection for fan and light on separate switches:
Wire connection for fan and light on one switch:
SWITCHES NOT INCLUDED, MUST BE PURCHASED SEPARATELY
Always follow all safety instructions included with the switch you purchase. Do not exceed maximum electrical ratings.
- Once connected, reattach the electrical enclosure.

- Press and bend the final securing tabs flat against the ceiling to lock the FAN in place.

- Align the TRIM RING notch to the vent (DAMPER) position. Attach TRIM RING to FAN. TRIM RING attaches to the FAN body and clicks into place when secure.

- Select desired LED color temperature by sliding the selector switch on the back of the SHIELD.

- Connect the LED wire to the LED plug. Attach the SHIELD by squeezing the mounting springs together and inserting the springs into the spring guides in the FAN.

Care and Cleaning
WARNING:
To reduce the risk of electric shock, fire, or injury to persons, disconnect or turn off the breaker and lock the power supply at the panel to prevent the power from being turned on before servicing or cleaning the unit.
- Remove the SHIELD by squeezing the springs and pulling them down.
- Remove dust and dirt from the FAN with a vacuum cleaner.
- Dampen cloth with dish detergent. Wipe the FAN and dry it with a cloth. 4.) Replace the SHIELD.
Installing The Control
WARNING:
Turn off the circuit breaker or remove the fuse(s) and test that power is off before wiring. Wiring the control life can cause a serious risk of electrical shock and/or damage the control, voiding the warranty. For safety, this product must be installed in a grounded wall enclosure. If you are unfamiliar with methods of installing electrical wiring, secure the services of a qualified licensed electrician. Use only copper wire, do not use aluminum wire with this device.
ELECTRICAL SHOCK WARNING:
This control is automatic on the device. At no time should a person work on the fan/light or any appliance connected to this control without the electrical circuit breaker or fuse is switched off. This CONTROL could turn on the attached device by the unintended presence of condensation while the work is being performed. Always disconnect the AC power before any work is done to any part of the circuit this CONTROL is connected to. If you do not understand this warning, seek the services of a qualified licensed electrician.
CAUTION:
- Never place the CONTROL where it can be reached from a tub or shower.
- Use only a 120V AC 60Hz power supply connection.
- For indoor use only.
- Do not exceed the CONTROL’s maximum electrical load ratings, as indicated on the product label.
- Must be installed and used in accordance with your local electrical codes.
- If a bare copper or green ground connection is not available in the wall box, contact a qualified licensed electrician for installation.
- For use with permanently installed 120V AC-powered fans only.
- Use only #14 or #12 copper wire connections.
IMPORTANT:
Read each step carefully and perform it in sequence. The CONTROL will not work or will become damaged if wires are connected incorrectly. To prevent damage, connect the CONTROL exactly as shown in the installation diagrams, otherwise, the warranty will be voided. Prior to wiring, straighten or clip the ends of the wire such that the ends of each wire are straight (if using the CONTROL to replace an existing switch). Strip wire insulation at the end of each wire to expose 16 mm (0.63 in) of copper. Where instructed to make a connection, twist the ends of stripped wires together and twist a proper connector clockwise until secure.
WARNING:
To avoid fire or risk of electrical shock, turn off the power at the circuit breaker or disconnect the fuse. Test the power is off before you begin wiring.
- For new installations, install an 8.9 cm (3.5 in) deep single-gang or multi-gang electrical wall enclosure, or (replacement of existing switch) remove the existing wall plate and switch device being replaced.
- Attach 120V AC 60Hz 3-wire power (Hot / Neutral / Ground) inside the wall enclosure with a minimum of 15.2 cm (6 in) leads. Attach fan three wire leads inside the wall enclosure also with a minimum of 15.2 cm (6 in) leads. If an existing power connection is used in an existing wall enclosure you must confirm proper AC 120V Hot / Neutral / Ground are available.
- Attach wires. Make sure the wall enclosure, fan, and CONTROL are properly grounded. Make sure the ground wire is securely fastened. Tighten all ground screws or wire nuts securely. Use the proper-sized wire nut for #14 or #12 wire. Make sure to strip back the copper wire 1.6 cm (5/8 in) and twist the wire and nut clockwise.

- Tuck wires into the wall enclosure and fasten the CONTROL to the wall enclosure with the two screws provided.

- Attach the wall plate.

Wall plates that fit this control can be purchased at any hardware store. This control can be used with any decora-style wall plate (examples below).
Using The Control
BLUE LED LIGHT:
Lets you know when your fan is on (especially useful for fans with low sound levels).
CONDENSATION SENSOR:
Senses condensation (humidity) in the room and turns your fan on and off automatically.
TIMER AND SENSOR SETTINGS:
Minutes per hour (MPH) timer (left) and moisture sensitivity (right) settings (hidden behind a removable cover)
FAN ON/OFF:
Turns 20-minute countdown timer on and off (can be used to temporarily override CONDENSATION SENSOR).
Changing The Settings:
By default, the CONTROL comes with the condensation (humidity) sensitivity set to average levels, and the MPH timer set to 0 minutes. To change the settings, remove the TIMER AND SENSOR SETTINGS cover by taking off the face plate and then inserting the end of the SETTINGS TOOL (or a non-metal tool of your own) into the two holes on either side of the CONTROL. Use the SETTINGS TOOL to turn the settings into dials. The MPH timer can be set between 0‒60 minutes. The CONDENSATION SENSOR can be set at low, average, or high sensitivity. Once you change a setting, the changes will take effect after the next on/off cycle, so it’s recommended that you turn your fan on and then off after you make a change to the settings.
Manual On/Off:
Press the FAN ON/OFF button once to manually turn the fan on, and again to turn the fan off.
Minutes Per Hour (MPH) Timer:
This timer runs your fan for a selected amount of time every hour, to help ensure good indoor air quality (it’s also designed to help you more easily comply with indoor air quality standards). For example, set to “0”, the MPH timer will never turn on. Set to “10”, the MPH timer will turn your fan on 10 minutes every hour. Set to “60”, the MPH timer will run your fan all the time.
Condensation Sensitivity:
The minus sign is low condensation (humidity) sensitivity and the plus sign is high sensitivity; the dial can be set anywhere in between. In a very wet environment, lower sensitivity may be needed to avoid excessive fan run-time. In a very dry environment, higher sensitivity may be needed for the sensor to detect condensation. When the CONDENSATION SENSOR senses condensation, the BLUE LED LIGHT will pulse slowly.
Setting Sensitivity:
The deal is similar to a clock. The factory setting of the condensation (humidity) sensitivity dial is set to the noon position. If you feel the factory setting is too slow in turning on your fan, turn the dial to the right an hour at a time. Or, if you feel the factory setting turns your fan on too quickly, turn the dial to the left an hour at a time until the desired sensitivity level is reached.
Testing The Control
- After you have completely installed the CONTROL, you can turn on the breaker to apply power.
WARNING: If the breaker trips or the fuse blows, Stop and call a qualified licensed electrician to investigate the problem. Turn the breaker off until the problem has been corrected. - Press the FAN ON/OFF button to see the fan turn on, press the button again to see the fan turn off.
- With the fan off, you can test the CONDENSATION SENSOR by blowing into the sensor as if you were blowing on a mirror to steam it. Use three puffs of breath and the fan will come on automatically. The BLUE LED LIGHT will pulse slowly; this shows you the CONTROL is sensing condensation.
- Sensor Shut-Off: To turn off the sensor and make the control just a manually activated adjustable timer, hold down the FAN ON/OFF button for 15 seconds. To enable the sensor again, simply repeat the process.
Air Drafts In Wall Enclosure
Older homes may experience air flowing (drafts) from the inside wall cavity into or out of the wall enclosure depending on the draft situation. If this CONTROL is experiencing problems sensing condensation, sealing any enclosure openings is needed. The walled enclosure is easy to seal with standard painter’s caulking and a caulking gun. To begin you must disconnect all electrical power to the CONTROL before sealing the openings. Unscrew all box switches and pull them forward to allow access to the back of the enclosure. Apply caulking into all openings in the enclosure, even the very small ones. Seal every opening and around electrical wires at their entering point. Also, seal the perimeter around the enclosure between the wallboard and the enclosure. This will stop heat loss and allow this CONTROL to sense the room and not the drafts in the walls.
(Example)
Wall enclosures vary in design; seal any openings found.
Frequently Asked Questions
(Fan)
Q: How do I clean my FAN?
A: It’s important to clean the SHIELD cover from time to time. Dust particles can build up on the SHIELD. See PAGE 18 for care and cleaning instructions.
Q: What is CFM?
A: CFM is a measurement of air movement (cubic feet per minute). The higher the CFM, the more air movement.
Q: What is a sone?
A: Sone is the rating used to describe the sound level. The lower the sone the quieter the fan. A sone is not a decibel. Fans around 1 sone or less are considered quiet while fans around 2 sone or more are considered loud.
Q: Can I install my bathroom ventilation FAN directly over a bathtub or shower?
A: Yes, but your FAN must be rated for over a shower/bath installation (all ReVent models are) and must be on a GFCI-protected circuit. Consult a qualified licensed electrician about ground fault-protected safety circuits.
Q: Do I have to vent my FAN to the outside?
A: Yes. All spot ventilation fans must be vented to the outside. Follow your local code and consult it for advice. See PAGE 5 for national venting installation suggestions and guidelines.
Q: Why do the windows and mirrors fog even when the FAN is running?
A: If windows and mirrors are very cold, condensation can still form on those surfaces. If the bathroom is sealed tightly, replacement air may not be entering the room fast enough to displace moist air. You need a gap under the bathroom entrance door to allow air to enter the bathroom. If your home uses 3-inch diameter ducting, upgrading the duct pipe to a 4-inch diameter can greatly increase the airflow. The vent pipe length should be 10 feet or less with minimal bends (See PAGE 5). Ensure that the vent pipe is not blocked.
Q: My FAN is operating, but the air is moving slower than normal
A: Check for obstructions in the ductwork. A common problem is a debris blocking the roof cap or outside wall vent. Older homes may have 3-inch diameter ducting and changing the duct pipe to a 4-inch diameter can greatly increase airflow.
Q: Why is there water dripping from my FAN?
A: Dripping water is typically condensation from a cold vent pipe. Insulating the ductwork and FAN housing can help solve condensation problems. Running the FAN longer will ensure moisture is completely removed from the duct. Another possibility is rain entering the vent pipe through the roof vent opening.
Q: I have installed my FAN and it is not working, what do I do?
A: Make sure the black and white plug-in connector on the FAN is clicked into place. Check all electrical connections like wire nuts and quick connects. Make sure the circuit breaker is turned ON after completing all the electrical work. If you have any concerns consult a licensed electrician.
Q: How do I change the color temperature of the LED light?
A: The color temperature can be adjusted by sliding the selector switch on the back of the SHIELD (See PAGE 12).
Q: Can the LED light be connected to a dimmer switch?
A: Yes. The LED light can be connected to a dimmer switch, but the dimmer must be made to work with dimmable LED’s. If you are using a dimmer, you cannot connect the FAN and LED light together on the dimmer switch. The FAN wires cannot be connected to a dimmer switch.
Q: I only have 1 switch. Can I wire the LED light and FAN together?
A: Yes. See PAGES 9-11 for instructions on how to do this. However, if you are using a dimmer, you cannot connect the FAN and LED light together on the dimmer switch. The FAN wires cannot be connected to a dimmer switch.
(Control)
Q: My existing switch only has two wires. How do I properly connect the CONTROL to the FAN?
A: You will need to test these wires with a voltage tester to determine which one is power and which one goes to the fan. The black wire on the CONTROL connects to the wire that is tested to be the incoming power. The red wire on the CONTROL connects to the wire that is tested and confirmed to connect to the FAN. You will need a neutral and a ground. Please refer to PAGES 19-21 for instructions on how to properly wire the CONTROL. If you have any concerns, we suggest consulting a licensed electrician.
Q: Will the CONTROL still work without a neutral wire?
A: A neutral is required to operate the CONTROL. Generally, there will be a neutral wire available in your junction box (wall box). Older homes or homes where code was not followed can make it a problem to find a neutral. If that’s the case for you, then you’ll need an electrical testing device to find a neutral wire. We suggest you use a qualified licensed electrician to do this work.
Q: How do I set the CONTROL’s sensitivity for my specific bathroom?
A: This is easy, see PAGES 22-23 for instructions on how to do this.
Q: The FAN comes on too early or too frequently. How can I fix this?
A: This means the CONTROL’s sensitivity is set too high. Simply turn the sensitivity dial counterclockwise slightly to reduce the sensitivity. We suggest small increments at a time. See PAGES 22-23 for more details.
Q: The FAN doesn’t come on quickly enough. How do I fix this?
A: If you want the CONTROL to come on faster, rotate the sensitivity dial clockwise to make the CONTROL more sensitive. Move the dial in small increments until you find the right setting. See PAGES 22-23 for more details.
Q: Is it possible to disable the humidity sensing?
A: Yes! To disable the humidity sensing, first make sure the FAN is off. Then push down and hold the button on the CONTROL, releasing the button after 15 seconds. To enable the sensor again, simply repeat the process.
Q: If I disable the CONDENSATION SENSOR, can I still operate the FAN manually?
A: Yes, manual and timer operation is not affected.
Q: I use an air conditioner during the day in the summer and turn it off at night. When I do this my FAN turns on. What’s happening?
A: Sometimes, when the air conditioning is turned off, the house will start to attract condensation (humidity). The effect is similar to taking a shower or a bath. The CONTROL senses the increased condensation (humidity) and turns the FAN on. To avoid this, you can reduce the CONTROL’s sensitivity level. See PAGES 22-23 for instructions on how to do this.
Q: The BLUE LED LIGHT is pulsing. What does that mean?
A: The pulsing is telling you that the CONTROL is sensing condensation (humidity) and is running the FAN to remove the condensation. When the BLUE LED LIGHT is solid (not pulsing on/off) the FAN is on and either in manual timer mode or in sensor-operated drying mode. Note: When the CONTROL senses condensation, it will run the FAN as long as it takes to return the room to its normal state. After a shower or bath, this is typically 25-35 minutes. The manual timer setting does not change the drying time. The manual timer is for smell removal time only.
Q: I lost the SETTINGS TOOL that came with the CONTROL SCREW KIT, can I use a screwdriver to make adjustments?
A: Yes. You can use any small tool, just be careful not to break the sensitivity and timer dials.
Q: What happens if someone turns the FAN off before the room is fully dried?
A: The CONTROL knows when your room needs to be dried. If someone turns the CONTROL off manually it will still sense the condensation and turn on again after 1 minute to finish drying the room.
Q: What is an MPH Timer?
A: MPH means Minutes Per Hour. This allows you to set how many minutes the fan will run and refresh air in the room every hour. Set the timer at 10 minutes and then every hour the fan will come ON and run for 10 minutes then turn back OFF. The timer setting range is 0-60 minutes.
Q: Why would I use an MPH (Minutes Per Hour) timer?
A: The MPH timer is extremely useful. Homes need fresh air and when the fan is ON it is expelling stale air and that allows fresh air to come into the home. This is like you opening and closing the front or back door to your home, allowing fresh air to enter. The MPH timer also lets you meet the newest codes that require fresh air into the new and more airtight homes. Another name for our MPH timer is Fresh Air Timer™.
Q: If I use the MPH timer, can I still turn ON/OFF the fan manually?
A: Yes you can. At any time, you can use your fan’s ON/OFF switch to operate the fan.
Q: When the FAN is on, the CONTROL is clicking and the BLUE LED LIGHT is turning on and off. How do I fix this?
A: The CONTROL may be wired incorrectly. Check the wiring diagram on PAGES 19-21 and ensure that the power, neutral, fan, and ground wires are connected correctly.
Q: Can I use the CONTROL in a 3-way wiring configuration?
A: Yes, the CONTROL can be used in multi-switch and/or multi-fan configurations. The instructions and wiring diagrams for these configurations can be found at www.reventfans.com/wiring.
Q: I still have additional questions.
A: Contact us at [email protected] or call our service department at (877) 543-8698. We are happy to assist you with any additional questions.
3-Year Limited Warranty
GTR Technologies Inc. (GTR) warrants to the original purchaser of its products that such products will be free from defects in materials and workmanship for a period of three years from the date of the original purchase. There are no other warranties, express or implied, including but not limited to, implied warranties of merchantability or fitness for a particular purpose.
During this three-year period, GTR will, at its option, repair or replace, without charge, any product or part which is found to be defective under normal use and service. This warranty does not extend to lighting such as LEDs, Fluorescent, Incandescent, tubes, starters, or bulbs.
This warranty does not cover:
- normal maintenance and service or
- any maintenance or repair, faulty installation, or installation contrary to recommended installation instructions.
The duration of any implied warranty is limited to the three-year period as specified for the express warranty. Some areas do not allow limitations on how long an implied warranty lasts, so the above limitation may not apply to you.
GTR’s obligation to repair or replace, at GTR’s option, shall be the purchaser’s sole and exclusive remedy under this warranty. GTR shall not be liable for incidental, consequential, or special damages arising out of or in connection with product use or performance. Some areas do not allow the exclusion or limitation of incidental or consequential damages, so the above limitation may not apply to you. This warranty gives you specific legal rights, and you may also have other rights, which vary from area to area. This warranty supersedes all prior warranties. This warranty is only valid inside the boundaries of the USA and Canada.
To qualify for warranty service, you must:
- notify GTR via phone at 1-877-543-8698 (English) or 1-800-615-5439 (French) or via email at [email protected],
- give the model number identification, and
- describe the nature or any defect in the product or part.
At the time of requesting warranty service, you must provide evidence of the original purchase receipt. GTR Technologies Inc. www.reventfans.com.
Need Help?
Watch the installation video at: reventfans.com
Questions? Call
1- 877-543-8698 (English) or 1- 800-615-5439 (French) [email protected].
ReVent® is a product of GTR Technologies Inc. All rights reserved. USA Patent No. US 9,360,228 B2. The other USA and international patents are pending. PART# RVP-156-WH-01 092321.












WARNING: Disconnect the AC power before any work is done to any part of the circuit ReVent is connected to. If you do not understand this warning, seek the services of a qualified licensed electrician.











































