BROAN NuTone 9093WH Heater Exhaust Vent Fan
IMPORTANT INSTRUCTIONS
READ ALL INSTRUCTIONS BEFORE INSTALLING OR USING THIS HEATER.
To reduce the risk of fire, electric shock, or injury to persons, observe the following:
- Use this unit only in the manner intended by the manufacturer. If you have questions, contact the manufacturer at the address or telephone number listed in the warranty.
- Before servicing or cleaning unit, switch power off at service panel and lock the service disconnecting means to prevent power from being switched on accidentally. When the service disconnecting means cannot be locked, securely fasten a prominent warning device, such as a tag, to the service panel.
- Installation work and electrical wiring must be done by a qualified person(s) in accordance with all applicable codes and standards, including fire-rated construction codes and standards.
- When cutting or drilling into wall or ceiling, do not damage electrical wiring and other hidden utilities.
- This heater is hot when in use. To avoid burns, do not let bare skin touch hot surfaces. Keep combustible materials, such as furniture, pillows, bedding, papers, clothes, etc. and curtains at least 3 feet (0.9 m) from the front of the heater.
- Extreme caution is necessary when any heater is used by or near children or invalids and whenever the heater is left operating and unattended.
- Do not operate any heater after it malfunctions. Disconnect power at service panel and have heater inspected by a reputable electrician before reusing.
- Do not use outdoors.
- To disconnect heater, turn controls to off, and turn off power to heater circuit at main disconnect panel (or operate internal disconnect switch, if provided).
- Do not insert or allow foreign objects to enter any ventilation or exhaust opening, as this may cause an electric shock or fire, or damage the heater.
- To prevent a possible fire, do not block air intakes or exhaust in any manner.
- A heater has hot and arcing or sparking parts inside. Do not use it in areas where gasoline, paint, or flammable vapors or liquids are used or stored.
- Use this heater only as described in this manual. Any other use not recommended by the manufacturer may cause fire, electric shock, or injury to persons.
- Install heater at least 6 inches from floor or any adjacent wall.
- To avoid electrical shock: Do not install unit in a tub or shower enclosure or any location where it may come in contact with water. Never place a switch where it can be reached from a tub or shower.
- This product is designed for installation in ceilings up to a 12/12 pitch. Duct connector must point up. DO NOT MOUNT THIS PRODUCT IN A WALL.
- Do not connect heater to dimmer switch or speed control.
- Ducted fans must always be vented to the outdoors.
- This product must be grounded.
INSTALLATION
WARNING: To reduce the risk of fire, do not store or use gasoline or other flammable vapors and liquids in the vicinity of the heater.
CAUTION: High temperature, risk of fire, keep electrical cords, drapery, furnishings, and other combustibles at least 3 feet (0.9 m) from the front of the heater and away from the side and rear.
- Remove complete assembly from carton. Loosen screws holding grille and remove the grille.
- Loosen power unit mounting screws and remove power unit from rough-in housing.
- Remove tape from back draft damper and be certain the damper opens and closes freely.
MOUNTING TO OPEN JOISTS
Refer to Figure 1.
- Insert hanger bar on mounting bracket opposite discharge opening and mount rough-in housing to ceiling joists at desired location.
- Install mounting brackets into slots in housing and adjust housing so flange will be flush to proposed finished ceiling line. Tighten screws securely.
- Attach 4″ round duct and vent to outside through wall or ceiling.
- Remove junction box cover and desired knockout from junction box in housing.

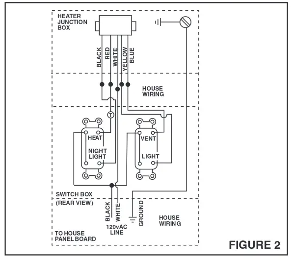
WIRING
Installation work and electrical wiring must be done by a qualified person(s) in accordance with all applicable codes and standards, including fire-rated construction codes and standards.
Refer to Figure 2.
- Run five (5) wires and ground of 12 gauge from heater’s junction box to wall switch.

- The switch installs in a double-gang outlet box. When a thermostat or timer is used, connect at point marked ”T”.
- Replace junction box cover in heater housing when wiring is complete.
COMPLETING INSTALLATION
Refer to Figure 3.
- Insert hooked hinge on power unit to hanger bracket in rough-in housing.
- Swing fan and heater unit into place over mounting bracket screws and tighten securely.
- Plug in fan and heater assembly to receptacle in junction box cover.
Refer to Figure 4. - Install 100 watt bulb and 7 watt lamp for night light.
- Mount grille and lens assembly over mounting screws in housing. Tighten securely.
INSTALLATING IN EXISTING CONSTRUCTION
- Review “WIRING” section of these instructions.
- Drill a small hole in ceiling in proposed location (locate this hole in attic or crawl space).
- In attic, mark ceiling for cutout by using the housing as a template. Mark around outside of plaster flange. Make cutout along this line.
- Connect wires from switch to heater before mounting the housing.
- Install a header between ceiling joists and nail housing to one joist and header.
NOTE: The two (2) hanger bars (separate pieces) and two mounting brackets (on the housing) are not needed for this type of installation. - Install ductwork.
- Install power unit, light bulbs and grille/lens assembly. Refer to “COMPLETING INSTALLATION”.
NOTE: Please refer to your NuTone catalog for a complete listing of optional accessory items.
OPERATION
Before using heater, make sure heater has been properly installed according to installation steps beginning with the “INSTALLATION” section on page 2.
MAINTENANCE
The following maintenance and cleaning tasks can be performed by the user. All other servicing must be performed by an authorized technician If you have any questions, please consult with our customer service department at: 800-558-1711.
TO REPLACE BULB
Use bulb rated up to 100 watts only and 7 watts only for night light.
LUBRICATION
The heater is permanently lubricated and never needs oiling or disassembly.
CLEANING
Clean heater once a month as follows:
- Turn off power at service panel.
- Make sure heating element is cool.
- Use a soft brush attachment to gently vacuum grille openings or wipe grille clean with a soft cloth.
- Restore power.
CAUTION: METAL AND ELECTRICAL PARTS SHO ULD NEVER BE IMMERSED IN WATER.
Service Parts
| Key No/ Repere / Clave N° | Part Number N° de piece/ N° de pieza | Description |
| 1 | 44388000 | Hanger Bar Set |
| 2 | 101284000 | Ceiling Mtg. Bracket Assembly – Set of 3 |
| 3 | 35962000 | Outlet Box |
| 4 | 35963000 | Outlet Box Cover |
| 5 | 30124000 | Receptacle/ Socket/ Wire Assembly |
| 6 | 11390000 | Duct Assembly |
| 7 | 27544000 | Heat Box Assembly |
| 8 | 99271494 | Thermal Protector |
| 9 | 69314000 | Insulator Bushing Set (2 req.) |
| 10 | 27546000 | Element Support (5 req.) |
| 11 | 58120000 | Heating Element – 1500 Watt |
| 12 | 69355000 | Power Unit – Heater |
| 13 | 99080772 | Motor – Heater |
| 14 | 57767000 | Motor Mounting Plate |
| 15 | 79020059 | Blower Wheel – Heater |
| 16 | 79020060 | Blower Wheel – Ventilator |
| 17 | 36271000 | Grille Assembly |
| 18 | 28058015 | Screw – for Lens Mounting Brackets |
| 19 | 56706000 | Lens Mounting Bracket |
| 20 | 27561000 | Lens |
| 21 | 0469AOOO | Grille with Lens Mounting Brackets |
| 22 | 52858015 | Grille Screw |
| 23 | 1100680 | Switch Assembly |
| 24 | 1100676 | Switch – Double Toggle |
| 25 | 1100677 | Wall Plate |
| 26 | 99080773 | Motor |

One Year Limited Warranty
WARRANTY OWNER: Broan-NuTone warrants to the original consumer purchaser of its products that such products will be free from defects in materials or workmanship for a period of one (1) year from the date of original purchase. THERE ARE NO OTHER WARRANTIES, EXPRESS OR IMPLIED, INCLUDING, BUT NOT LIMITED TO, IMPLIED WARRANTIES OF MERCHANTABILITY OR FITNESS FOR A PARTICULAR PURPOSE.
During this one year period, Broan-NuTone will, at its option, repair or replace, without charge, any product or part which is found to be defective under normal use and service. THIS WARRANTY DOES NOT EXTEND TO FLUORESCENT LAMP STARTERS OR TUBES, FILTERS, DUCT, ROOF CAPS, WALL CAPS AND OTHER ACCESSORIES FOR DUCTING. This warranty does not cover (a) normal maintenance and service or (b) any products or parts which have been subject to misuse, negligence, accident, improper maintenance or repair (other than by Broan-NuTone), faulty installation or installation contrary to recommended installation instructions.
The duration of any implied warranty is limited to the one year period as specified for the express warranty. Some states do not allow limitation on how long an implied warranty lasts, so the above limitation may not apply to you.
BROAN-NUTONE’S OBLIGATION TO REPAIR OR REPLACE, AT BROAN-NUTONE’S OPTION, SHALL BE THE PURCHASER’S SOLE AND EXCLUSIVE REMEDY UNDER THIS WARRANTY. BROAN-NUTONE SHALL NOT BE LIABLE FOR INCIDENTAL, CONSEQUENTIAL OR SPECIAL DAMAGES ARISING OUT OF OR IN CONNECTION WITH PRODUCT USE OR PERFORMANCE. Some states do not allow the exclusion or limitation of incidental or consequential damages, so the above limitation or exclusion may not apply to you. This warranty gives you specific legal rights, and you may also have other rights, which vary from state to state. This warranty supersedes all prior warranties.
WARRANTY SERVICE: To qualify tor warranty service, you must (a) notify Broan-NuTone at the address or telephone number below, (b) give the model number and part Identification and (c) describe the nature of any defect In the product or part. At the time of requesting warranty service, you must present evidence of the original purchase date.
Date of Installation
Builder or Installer
Model No. and Product Description
IF YOU NEED ASSISTANCE OR SERVICE· CONTACT:
Broan-NuTone LLC Hartford, Wisconsin
www.nutone.com
888-336-3948
Broan-NuTone Canada Mississauga, Ontario
www.nutone.ca
877-896-1119




Refer to Figure 4. 
















