BOSCH RFRP2 Radion Wireless Repeater

Whats in the Box

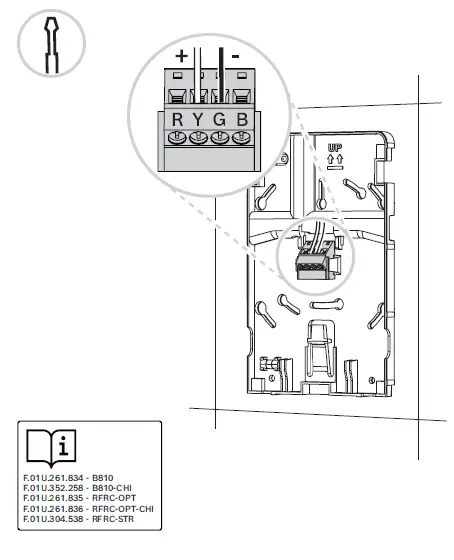
Installation








![]() | WEEE Directive, Waste Electrical and Electronic Equipment, must be disposed of in accordance with local regulations |
![]() | IN DOOR USE ONLY |
![]() | 3150 mAH (Not user replaceable) |
![]() | 433.42 MHz 10 mW maximum |
![]() | 0 – 93% Non-condensing humidity |
![]() | Functional range: -10°C to +49°C (+14°F to +120°F) UL only: 0°C to +49°C (+32°F to +120°F) |
| Region | Agency | Certification |
| USA | FCC | FCC ID: XXX-RFRP2 |
| ISED | ISED ID: XXXX-RFRP2 | |
FCC
This device complies with part 15 of the FCC Rules.
Operation is subject to the following two conditions:
- This device may not cause harmful interference, and
- this device must accept any interference received, including interference that may cause undesired operation.
Caution: Changes or modifications not expressly approved by the party responsible for compliance could void the user’s authority to operate this equipment.
Industry Canada (IC) Rules This device complies with Industry Canada licenceexempt RSS standard(s).
Operation is subject to the following two conditions: (1) this device may not cause interference, and (2) this device must accept any interference, including interference that may cause undesired operation of the device. Cet appareil est conforme avec Industrie Canada exempts de licence standard RSS (s). Son fonctionnement est soumis aux deux conditions suivantes: (1) cet appareil ne doit pas provoquer d’interférences et (2) cet appareil doit accepter toute interférence, y compris celles pouvant causer un mauvais fonctionnement de l’appareil.
Health Canada RF Exposure Warning Statement This device complies with Health Canada’s Safety Code. The installer of this device should ensure that RF radiation is not emitted in excess of the Health Canada’s requirement. Information can be obtained at http://www.hc-sc.gc.ca/ewh-semt/pubs/radiation/radio_guide-lignes_direct/indexeng.php
Bosch Security Systems B.V.
Torenallee 49
5617 BA Eindhoven
Netherlands
www.boschsecurity.com
© Bosch Security Systems B.V., 2021
BOSCH RFRP2 Radion Wireless Repeater
























