LB WHITE CE3.0 Volt 3 Electric Fan Heater

View this manual online at www.lbwhite.com
Attention
Read and understand this manual before assembling, starting or servicing the heater. Improper use of heater can cause serious injury. Keep this manual for future reference.FOR PROFESSIONAL USE ONLY www.lbwhite.com
Congratulations!
You have purchased the finest electric fan heater available. Your new L.B. White heater incorporates the benefits from the most experienced manufacturer of heating products using state-of-the-art technology. We, at L.B. White, thank you for your confidence in our products and welcome any suggestions or comments you may have… contact us at 1-800-345-7200, or email us at [email protected].
SCAN THIS
with your smartphone or visit https://bit.ly/3qjEEkw to view maintenance videos for L.B.White heaters.
- Requires an app like QR Droid for Android or for iPhone
IMPORTANT INSTRUCTIONS
READ ALL INSTRUCTIONS BEFORE USING THIS HEATER
- THIS HEATER IS HOT WHEN IN USE. TO AVOID BURNS, DO NOT LET BARE SKIN TOUCH HOT SURFACES. USE HANDLE WHEN MOVING THIS HEATER. KEEP COMBUSTIBLE MATERIALS AT LEAST 6 FEET (2 METER) FROM THE FRONT OF THE HEATER AND KEEP THEM AWAY FROM SIDES AND REAR
- EXTREME CAUTION IS NECESSARY WHEN THE HEATER IS USED NEAR CHILDREN OR INVALIDS AND WHENEVER THE HEATER IS LEFT UNATTENDED
- ALWAYS UNPLUG THE HEATER WHEN NOT IN USE
- DO NOT OPERATE ANY HEATER WITH A DAMAGED CORD OR PLUG OR AFTER THE HEATER MALFUNCTIONS, HAS BEEN DROPPED OR DAMAGED IN ANY MANNER. RETURN HEATER TO AUTHORIZED SERVICE FACILITY FOR EXAMINATION, ELECTRICAL OR MECHANICAL ADJUSTMENT OR REPAIR
- DO NOT USE OUTDOORS
- THIS HEATER IS NOT INTENDED FOR USE IN BATHROOMS, LAUNDRY AREAS AND SIMILAR INDOOR LOCATIONS. NEVER LOCATE THE HEATER WHERE IT MAY FALL INTO A BATHTUB OR OTHER LIQUID CONTAINER
- DO NOT RUN CORD UNDER CARPETING. DO NOT COVER CORD WITH THROW RUGS, RUNNERS, OR THE LIKE. ARRANGE CORD AWAY FROM TRAFFIC AREA AND WHERE IT WILL NOT BE TRIPPED OVER
- TO DISCONNECT HEATER, TURN CONTROLS TO OFF, THEN REMOVE PLUG FROM OUTLET
- CONNECT TO PROPERLY GROUNDED OUTLETS ONLY
- DO NOT INSERT OR ALLOW FOREIGN OBJECTS TO ENTER ANY VENTILATION OR EXHAUST OPENING AS THIS MAY CAUSE AN ELECTRIC SHOCK OR FIRE, OR DAMAGE THE HEATER
- TO PREVENT A POSSIBLE FIRE, DO NOT BLOCK AIR INTAKES OR EXHAUST IN ANY MANNER. DO NOT USE ON SOFT SURFACES, WHERE OPENINGS MAY BECOME BLOCKED
- A HEATER HAS HOT AND ARCING OR SPARKING PARTS INSIDE. DO NOT USE IN AREAS WHERE GASOLINE, PAINT OR FLAMMABLE LIQUIDS ARE USED OR STORED
- DO NOT POINT AT FLAMMABLE MATERIALS
- USE HEATER ONLY AS DESCRIBED IN THIS MANUAL. ANY OTHER USE NOT RECOMMENDED BY THE MANUFACTURER MAY CAUSE FIRE, ELECTRIC SHOCK OR INJURY TO PERSONS
- ALWAYS PLUG HEATERS DIRECTLY INTO A WALL OUTLET/RECEPTACLE. NEVER USE WITH AN EXTENSION CORD OR RELOCATABLE POWER TAP (OUTLET/POWER STRIP)
- READ THIS OWNER’S MANUAL BEFORE INSTALLING OR USING THIS PRODUCT.
- ONLY PERSONS WHO CAN READ, UNDERSTAND, AND FOLLOW THE INSTRUCTIONS SHOULD USE OR SERVICE THIS HEATER.
- SAVE THIS OWNER’S MANUAL FOR FUTURE USE AND REFERENCE.
- FOR ASSISTANCE, SEE WEBSITE OR CONTACT L.B. WHITE AT 1-800-345-7200.
WARNING
- Cancer and reproductive harm. See www.P65Warnings.ca.gov.
Specifications
| Volt™ 3 | |
| Power (kW) | 3 |
| Maximum Output per Hour (BTU/H) | 10,200 |
| Airflow (CFM) | 205 |
| Electrical Connection (VAC/Hz/Phase) | 240/60/1 |
| Amperage Draw (A) | 12.5 |
| Power Cord | 3×16 AWG |
| Plug | NEMA 6-15P |
| Ambient Thermostat Temperature Range | 32 – 100 °F (0 – 40 °C) |
| Length (in.) | 11.8 |
| Width (in.) | 10.2 |
| Height (in.) | 15.2 |
| Weight (lbs.) | 20.3 |
General Information
Volt electric heaters are designed for professional use. The heat is generated in sealed heating elements inside the inner barrel of the heater. Heated air is then distributed by an electric motor-driven fan blowing air through the heater.
Although effectively cooled by the fan, the heating elements have high surface temperatures. That is why combustible materials must be kept at a safe distance from the heater and care must be taken that no combustible particles enter the heater with the air sucked in by the fan. Keep the heater clean of dust at any time. Dust may cause fire when heated. Make sure that the fan blades can rotate unobstructed at all times. Do not block air intakes or exhaust in any manner.
Contact your local L. B. White distributor or the L.B. White Co., LLC for assistance, or if you have any questions about the use of the heater or its application. The L.B. White Co., LLC has a policy of continuous product improvement. It reserves the right to change specifications and design without notice.
Operation Instructions
REVIEW AND UNDERSTAND ALL WARNINGS IN THIS MANUAL. THEY ARE ESSENTIAL FOR SAFE USE OF THE HEATER.
FOLLOW ALL LOCAL CODES.
This heater is for use on 240 volts. The cord has a plug as show in the figure below.
The type of outlet is a 240-volt grounding outlet. When properly installed, it provides a ground connection through the cord to the heater to protect the operator from electric shock.
TO START HEATING
- Place the heater on a stable and level surface. Make sure that no explosive or combustible fumes or dust are present
- Connect power cord of heater into 240 V / 60 Hz power source. See paragraph “Specifications” in this manual for correct amperage rating
- Set the room thermostat from “heat off” position to a temperature above the ambient room temperature by turning the knob. Note! The heater will start heating only if the thermostat “calls for heat” meaning that it is set to higher than the surrounding ambient temperature
- The heater will now operate automatically, controlled by the thermostat
TO STOP HEATING
- Turn the room thermostat into position “heat off”
- Disconnect the power supply plug
NOTE!
THE HEATER IS EQUIPPED WITH AN OVERHEAT LIMIT SWITCH WHICH MAY CAUSE THE HEATER TO STOP. CHECK AND REMOVE THE CAUSE FOR OVERHEATING BEFORE RESTARTING.
Maintenance
WARNING
- NEVER SERVICE THE HEATER WHILE IT IS PLUGGED IN, RUNNING OR HOT. SEVERE BODILY INJURY OR ELECTRIC SHOCK MAY OCCUR.
- ONLY QUALIFIED PERSONS ARE ALLOWED TO OPEN HEATER FOR SERVICE. NO USER-SERVICEABLE PARTS INSIDE.
- Keep heater clean. Use pressurized air to blow fan blades clean. Note! Use moderate pressure to avoid damage to fan blades
- Inspect heater before and after each use
- The fan motor is sealed and has permanently lubricated bearings
Storage Instructions
When not in use, the heater must be disconnected from power source, cleaned of dust and stored in a dry place. The power supply cord should be loosely wound around the handle of the heater.
Wiring Diagram

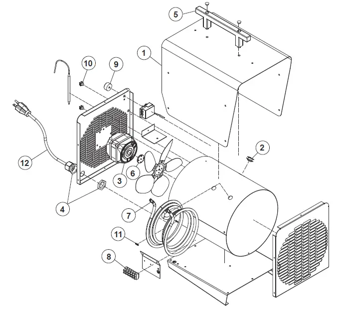
Service Parts Identification Schematic – Volt™ 3

Parts List – Volt™ 3
| Item | Description | Part # | Item | Description | Part # |
| 1 | Outer Cover (White) | 474373 | 7 | Heating Element | 474362 |
| 1 | Outer Cover (Green) | 474373G | 8 | Terminal Block | 474351 |
| 2 | Overheat Limit Switch | 474337 | 9 | Knob for Thermostat | 474382 |
| 3 | Fan Motor | 474323 | 10 | Plastic Bracket for Thermostat | 474358 |
| 4 | Strain Reliever | 474381 | 11 | Guard Ring/Wire Bushing | 474354 |
| 5 | Handle | 474366 | 12 | Power Cord & Plug | 474379 |
| 6 | Fan Hub, Plastic | 474332 | |||
Warranty Policy
HEATER (LIMITED WARRANTY)
L.B. White electric fan heater products are professional construction heaters. They are warranted for twelve (12) months from original date of purchase. The warranty does not cover products modified outside our factory, damage or failure caused by acts of God, abuse, misuse, use on other than rated voltage, abnormal usage, faulty or improper installation, failure to provide recommended maintenance or any repairs other than those provided by an authorized L.B. White service center.
THERE ARE NO OBLIGATIONS OR LIABILITIES ON THE PART OF L.B. WHITE COMPANY, LLC FOR CONSEQUENTIAL DAMAGES ARISING OUT OF OR IN CONNECTION WITH THE USE OR PERFORMANCE OF THE PRODUCT OR OTHER INDIRECT DAMAGES WITH RESPECT TO LOSS OF PROPERTY, REVENUES, OR PROFIT, OR COST OF REMOVAL, INSTALLATION OR REINSTALLATION. THIS WARRANTY CONSTITUTES THE EXCLUSIVE REMEDY OF ANY PURCHASER OF EQUIPMENT SOLD BY THE MANUFACTURER AND ITS DEALERS AND DISTRIBUTORS AND IS IN LIEU OF ALL OTHER WARRANTIES, EXPRESS OR IMPLIED.
During the warranty period, L.B. White will, at its sole option, repair or replace any defective parts or products returned, freight prepaid, to L.B. White or such other location as L.B. White may designate. Returned products must be packaged carefully, and L.B. White shall not be responsible for damage in transit. When returning parts, the owner must provide the model number of the product and the nature of difficulty being experienced. This warranty does not oblige L.B. White to bear the cost of labour in replacing any assembly, unit or component or part thereof, nor does the company assume any liability for secondary charges, expenses of removal or installing, freight or damages. There will be charges rendered for product repair after our warranty period has expired. Proof of purchase, including date, must accompany request for in-warranty service.
PARTS
L.B. White Company, LLC warrants that replacement parts purchased from the company and used on the appropriate L. B. White equipment are free from defects both in material and workmanship for 12 months from the date of purchase by the end user. Warranty is automatic if a component is found defective within 12 months of the date code marked on the part. If the defect occurs more than 12 months later than the date code but within 12 months from the date of purchase by the end user, a copy of a bill of sale will be required to establish warranty qualification.
The warranty set forth above is the exclusive warranty provided by L.B. White, and all other warranties, including any implied warranties or merchantability or fitness for a particular purpose, are expressly disclaimed. In the event any implied warranty is not hereby effectively disclaimed due to operation of law, such implied warranty is limited in duration to the duration of the applicable warranty stated above. The remedies set forth above are the sole and exclusive remedies available hereunder. L.B. White will not be liable for any incidental or consequential damages directly or indirectly related to the sale, handling or use of the equipment, and in any event L.B. White’s liability inconnection with the equipment, including for claims based on negligence or strict liability, is limited to the purchase price. Some states do not allow limitations on how long an impliedwarranty lasts, so the above limitation may not apply to you. Some states do not allow the exclusion or limitation of incidental or consequential damages, so the above limitation or exclusion may not apply to you. This warranty gives you specific legal rights, and you may also have other rights which vary from state to state. To register your product and ensure full warranty, go to
https://www.lbwhite.com/customer-care-center/registration-info. Please have the serial number(s) and model(s) handy for the products you are registering.
Service
Contact your local L.B. White dealer for replacement parts and service. You may also call the L.B. White Company, LLC at 1-800-345-7200, for assistance, or email us at [email protected]. Be sure that you have your heater model number when calling.
WORLD PROVIDER – INNOVATIVE HEATING SOLUTIONS 411 Mason Street, Onalaska, WI 54650 800-345-7200 • 608-783-5691 608-783-6115 (fax) [email protected] www.lbwhite.com


















