ASUS P2B-L Motherboards Mainboards Drivers

FEATURE
- Device Type Mainboard
- Processor Pentium II
- Processor Speed 233/266/300/333/350/400MHz
- Chip Set Intel 440BX
- Maximum Onboard Memory 512MB (SDRAM & PC100 supported)
- Cache 256/512KB (located on Pentium II CPU)
- BIOS Unidentified
- Dimensions 305mm x 244mm
- I/O Options 32-bit PCI slots (4), Ethernet 10BaseT connector, floppy drive interface, green PC connector,IDE interfaces (2), parallel port, PS/2 mouse port, serial ports (2), IR connector, USB connectors (2), ATX power connector, AGP slot, SB-link connector.

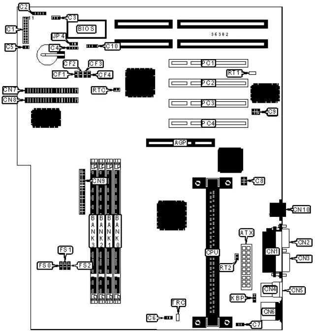
CONNECTIONS
| Purpose | Location | Purpose | Location |
| AGP slot | AGP | SB-link connector | C9 |
| ATX power connector | ATX | External battery | C10 |
| Turbo LED | C1/pins 2 & 3 | Parallel port | CN1 |
| Green PC connector | C1/pins 4 & 5 | Serial port 2 | CN2 |
| Soft off power supply | C1/pins 6 & 7 | Serial port 1 | CN3 |
| Reset switch | C1/pins 9 & 10 | USB connector 1 | CN4 |
| Power LED & keylock | C1/pins 11 – 15 | USB connector 2 | CN5 |
| Speaker | C1/pins 17 – 20 | PS/2 mouse port | CN6 |
| IR connector | C2 | IDE interface 1 | CN7 |
| Chassis fan power | C3 | IDE interface 2 | CN8 |
| Chassis intrusion connector | C4 | Floppy drive interface | CN9 |
| IDE interface LED | C5 | Ethernet 10BaseT connector | CN10 |
| CPU fan power | C6 | Power supply heat sensor | RT2 |
| Power fan power | C7 | 32-bit PCI slots | PC1 – PC4 |
| LAN LED | C8 |
USER CONFIGURABLE SETTINGS
| Function | Label | Position | |
| » | Factory configured – do not alter | JP4 | Unidentified |
| » | Keyboard power up disabled | KBP | Pins 1 & 2 closed |
| Keyboard power up enabled | KBP | Pins 2 & 3 closed | |
| » | CMOS memory normal operation | RTC | Open |
| CMOS memory clear | RTC | Closed | |
| » | Factory configured – do not alter | RT1 | Unidentified |
| » | Factory configured – do not alter | TRC | Unidentified |
DIMM CONFIGURATION
| Size | Bank 0 | Bank 1 |
| 8MB | (1) 1M x 64 | None |
| 16MB | (1) 2M x 64 | None |
| 16MB | (1) 1M x 64 | (1) 1M x 64 |
| 24MB | (1) 2M x 64 | (1) 1M x 64 |
| 32MB | (1) 4M x 64 | None |
| 32MB | (1) 2M x 64 | (1) 2M x 64 |
| 40MB | (1) 4M x 64 | (1) 1M x 64 |
| 48MB | (1) 4M x 64 | (1) 2M x 64 |
| 64MB | (1) 8M x 64 | None |
| 64MB | (1) 4M x 64 | (1) 4M x 64 |
| 72MB | (1) 8M x 64 | (1) 1M x 64 |
| 80MB | (1) 8M x 64 | (1) 2M x 64 |
| 96MB | (1) 8M x 64 | (1) 4M x 64 |
| 128MB | (1) 8M x 64 | (1) 8M x 64 |
| Size | Bank 0 | Bank 1 |
| 128MB | (1) 16M x 64 | None |
| 164MB | (1) 16M x 64 | (1) 1M x 64 |
| 144MB | (1) 16M x 64 | (1) 2M x 64 |
| 160MB | (1) 16M x 64 | (1) 4M x 64 |
| 192MB | (1) 16M x 64 | (1) 8M x 64 |
| 256MB | (1) 16M x 64 | (1) 16M x 64 |
| 256MB | (1) 32M x 64 | None |
| 264MB | (1) 32M x 64 | (1) 1M x 64 |
| 272MB | (1) 32M x 64 | (1) 2M x 64 |
| 288MB | (1) 32M x 64 | (1) 4M x 64 |
| 320MB | (1) 32M x 64 | (1) 8M x 64 |
| 384MB | (1) 32M x 64 | (1) 16M x 64 |
| 512MB | (1) 32M x 64 | (1) 32M x 64 |
| Note: Board accepts SDRAM & PC100 memory. | ||
CACHE CONFIGURATION
Note: 256KB/512KB cache is located on the Pentium II CPU
CPU SPEED SELECTION
| CPU speed | Clock speed | Multiplier | FS0 | FS1 | FS2 |
| 233MHz | 66MHz | 3.5x | 2 & 3 | 1 & 2 | 1 & 2 |
| 266MHz | 66MHz | 4x | 2 & 3 | 1 & 2 | 1 & 2 |
| 300MHz | 66MHz | 4.5x | 2 & 3 | 1 & 2 | 1 & 2 |
| 300MHz | 100MHz | 3x | 1 & 2 | 1 & 2 | 1 & 2 |
| 333MHz | 66MHz | 5x | 2 & 3 | 1 & 2 | 1 & 2 |
| 350MHz | 100MHz | 3.5x | 1 & 2 | 1 & 2 | 1 & 2 |
| 400MHz | 100MHz | 4x | 1 & 2 | 1 & 2 | 1 & 2 |
| Note: Pins designated should be in the closed position. | |||||
| CPU speed | Clock speed | Multiplier | CF1 | CF2 | CF3 | CF4 |
| 233MHz | 66MHz | 3.5x | Open | Open | Closed | Closed |
| 266MHz | 66MHz | 4x | Closed | Closed | Open | Closed |
| 300MHz | 66MHz | 4.5x | Open | Closed | Open | Closed |
| 300MHz | 100MHz | 3x | Closed | Open | Closed | Closed |
| 333MHz | 66MHz | 5x | Closed | Open | Open | Closed |
| 350MHz | 100MHz | 3.5x | Open | Open | Closed | Closed |
| 400MHz | 100MHz | 4x | Closed | Closed | Open | Closed |



















