Stanley – SL18116P Wet/Dry Vacuum, 6 Gallon, 4 Horsepower

PRODUCT SPECIFICATIONS

WARNING
Use only extension cords that are rated for outdoor use. Extension cords in poor condition or that are too small in wire size can pose fire and shock hazards.
To reduce the risk of these hazards when using an extension cord, be sure it is in good condition and that the connection does not come into contact with liquid. To keep power loss to a minimum, use the following table to choose the minimum wire size extension cord.

PACKAGE CONTENTS



SAFETY INFORMATION
IMPORTANT SAFETY INSTRUCTIONS & GROUNDING INSTRUCTIONS
When using an electrical appliance, basic precautions should be always followed, including the following: READ ALL INSTRUCTIONS BEFORE USING THIS APPLIANCE.
ATTENTION!
Read all safety rules carefully before attempting to operate. Retain for future reference.
DANGER!
Never operate this unit when flammable materials or vapors are present because electrical devices produce arcs or sparks that can cause a fire or explosion.
NEVER LEAVE THE OPERATING VACUUM UNATTENDED!
WARNING!
To reduce the risk of fire, electric shock, or injury:
- Do not leave appliance when plugged in. Unplug from outlet when not in use and before servicing. Connect to a properly grounded outlet only. See Grounding Instructions.
- Do not expose to rain. Store indoors.
- Always disconnect the plug from the wall outlet before removing the tank cover.
- Do not allow to be used as a toy. Close attention is necessary when used by or near children.
- Do not use with damaged cord or plug. If appliance is not working as it should, has been dropped, damaged, left outdoors or dropped into water, contact service center for assistance.
- Do not: pull or carry by cord, use cord as a handle, close a door on cord or pull cord around sharp edges or corners. Do not run appliance over cord. Keep cord away from heated surfaces.
- Do not unplug by pulling on cord. To unplug, grasp the plug, not the cord.
- Do not handle plug or appliance with wet hands.
- Do not put any object into openings. Do not use with any openings blocked; keep free of dust, lint, hair and anything that may reduce air flow.
- Keep hair, loose clothing, fingers and all parts of body away from openings and moving parts.
- Do not pick up anything that is burning or smoking, such as cigarettes, matches or hot ashes.
- Do not use without dust bag and/or filters in place.
- Turn off all controls before unplugging.
- Use extra care when cleaning on stairs.
- Do not use to pick up flammable or combustible liquids such as gasoline or use in areas where they may be present.
- Do not use your cleaner as a sprayer of flammable liquids such as oil-based paint, lacquers, etc.
- Do not vacuum toxic, carcinogenic, combustible or other hazardous materials such as asbestos, arsenic, barium, beryllium, lead, pesticides or other health endangering materials.
- Do not pick up soot, cement, plaster or drywall dust without filter and dust bag in place. These are very fine particles that may affect the performance of the motor or be exhausted back into the air. Additional dust bags are available.
- Do not leave the cord lying on the floor once you have finished the cleaning job. It can become a tripping hazard.
- Use special care when emptying heavily loaded tanks.
- To avoid spontaneous combustion, empty tank after each use.
- The operation of a utility vac can result in foreign objects being blown into eyes, which can result in eye damage. Always wear safety goggles when operating vacuum.
- STAY ALERT. Watch what you are doing and use common sense. Do not use vacuum cleaner when you are tired, distracted or under the influence of drugs, alcohol or medication causing diminished control.
NOTE: Use only as described in this manual. Use only manufacturer’s recommended attachments. - This appliance is provided with double insulation. Use only identical replacement parts. See instructions for servicing double insulated appliances.
- Unplug before connecting the hose, nozzle and the like.
WARNING!
SERVICING OF DOUBLE-INSULATED WET/DRY VAC
In a double-insulated Wet/Dry Vac, two systems of insulation are provided instead of grounding. No grounding means is provided on a double-insulated appliance, nor should a means for grounding be added. Servicing a double-insulated Wet/Dry Vac requires extreme care and knowledge of the system and should be done only by qualified service personnel. Replacement parts for a double-insulated Wet/Dry Vac must be identical to the parts they replace. Your double-insulated Wet/Dry Vac is marked with the words “DOUBLE INSULATED” and the symbol (square within a square) may also be marked on the appliance.
To reduce the risk of injury from electrical shock, unplug power cord before
servicing the electrical parts of the Wet/Dry Vac.
IMPORTANT!
If the supply cord is damaged, it must be replaced by the manufacturer or its service agent or a similarly qualified person in order to avoid a hazard.
IMPORTANT!
Remove the plug from the socket before performing maintenance. Before using the machine make sure that the frequency and voltage shown on the rating plate correspond with the mains voltage. Specifications and details are subject to change without prior notice. The accessories shown in the pictures may vary from model to model.
IMPORTANT SAFEGUARDS
The symbol on the product or packaging indicates that the product must not be treated as domestic refuse. Instead, it should be handed in to a collection point for the recycling of electrical and electronic components. By ensuring the product is treated in the correct manner, you will help prevent any negative impact on the environment and health that might arise were the product to be discarded as ordinary refuse. For further information about recycling, you should contact your local authorities, refuse collection service or the sales outlet where you bought the goods.

WARNING!
This product or its power cord may contain chemicals, including lead, known to the state of California to cause cancer and birth defects or other reproductive harm. Wash hands after handling.
OPERATING INSTRUCTIONS
UNPACKING & SET-UP SUMMARY
- Pull lid latches in an outward motion, remove power head and some accessories that may have been shipped in the tank.
- Attach the casters according to the instruction in this manual.
- Before replacing power head, refer to this manual to ensure you have the proper filters installed for your cleaning operation.
- Replace power head, and apply pressure with thumb to each latch until it snaps tightly in place. Make sure all lid latches are clamped securely.
- Insert the flexible hose end into inlet of tank.
- Attach the extension wands to the accessor end of the hose. Apply slight pressure until fitting is tight.
- Attach one of the cleaning accessories (depending on your cleaning requirements) on the extension wands. Twist slightly to tighten the connection.
- Plug the cord into the wall outlet. Your cleaniner is ready for use.
CASTER / ACCESSORY HOLDER ASSEMBLY
- Invert dust tank, take the dolly to align the tank bottom sinking place. Secure with screws provided.
- Return dust tank assembly upright.

WARNING
To reduce the risk of fire or explosion, do not operate this vac in areas with flammable gases, vapors or explosive dust in the air. Flammable gases or vapors include but are not limited to: lighter fluid, solvent-type cleaners, oil-based paints, gasoline, alcohol or aerosol sprays. Explosive dusts include but are not limited to: coal, magnesium, aluminum, and grain or gun powder. Do not vacuum explosive dust, flammable or combustible liquids or hot ashes. Do not use this vac as a sprayer for any flammable or combustible liquid. To reduce the risk of health hazards from vapors or dusts, do not vacuum toxic materials.
WARNING
The operation of any utility vac can result in foreign objects being blown into the eyes, which can result in severe eye damage. Always wear safety eyewear complying with ANSI Z87.1 or in Canada, CSA Z94.3 before starting operation.
CAUTION
To reduce risk of hearing damage, wear ear protectors when using the vac for extended hours or when using it in a noisy area. This 6-gallon wet/dry vac is assembled at the factory and ready for use when you remove it from the carton. The unit is ready for dry vacuuming or blowing. After you plug the power cord into the wall receptacle, turn the unit “ON” by pushing the switch from position “O” to position “I”. The “O” is the “OFF” position and the “I” is the “ON” position.

- The filter must always be in correct position to reduce the risk of leaks and possible damage to vac. Make sure that the filter is completely covering the filter cage and that the clamp ring is as close to the lid as possible. Make sure there are no gaps between the filter and the lid. (See illustration). It is very important to assemble the filter to the cage without allowing any possible leaks or tears. Any leaks will allow the picked up debris to be blown out of the blowing port and back into the surrounding environment.
- When using your vac to pick up very fine dust, it will be necessary to empty the dust tank and clean or replace the filter at more frequent intervals to maintain peak vac performance.
NOTE
A dry filter is necessary to pick up dry material. If you use your vac to pick up dust when the filter is wet, the filter will clog quickly and be very difficult to clean. If the filter gets wet, replace it before continuing to do dry pickups.
INSTALLING DISPOSABLE FILTER BAG
- Slide the cardboard collar opening firmly onto the vacuum port deflector until it stops against the deflector wall.
- Position the bag so that it is distributed around the inside of the tank.
- Replace and secure the power head onto the tank.

WET PICK-UP
- Remove reusable filter and replace it with foam filter when you do wet pickups.
- This wet/dry vac is equipped with a float mechanism which will rise automatically to cut off the airflow when the liquid in the tank reaches a predetermined level. When this happens, turn off vac, unplug the power cord, and empty the dust tank. You will know that the float has shut the airflow off because the suction ceases and the motor noise becomes higher in pitch due to increased motor speed. The liquid capacity may vary with the rate of pickup.
IMPORTANT: To reduce the risk of damage to the vac, do not run motor with float in raised position.

EMPTY THE TANK
WARNING:
To reduce the risk of injury from accidental starting, unplug power cord before emptying the dust tank.
- Remove the power head assembly of the wet/dry vac by pulling outward on the lid clips located on each side of the vac. Lift off the power head assembly.
- Dump the tank contents into the proper waste disposal container.

BLOWING OPERATION
WARNING
Always wear safety eyewear complying with ANSI Z87.1 or in Canada CSA Z94.3 when using as a blower.
WARNING
To avoid injury to bystanders, keep them clear of blowing debris.
CAUTION
Wear a dust mask if blowing creates dust which might be inhaled.
CAUTION
To reduce the risk of hearing damage, wear ear protectors when using the vac/blower for extended hours or when using it in a noisy area. Your vac contains a blowing feature. It has the capability to blow sawdust and other debris. It can be used to blow dust and debris out of garages or off patios and driveways. Follow the steps below to use your vac as a blower.
- Locate blowing port on your vac.
- Insert one end of the 1-1/4 in. x 6 ft. hose into the blowing port.
- Turn vac “ON”.

CARE AND MAINTENANCE
FILTER REPLACEMENT
WARNING: To reduce the risk of injury from accidental starting, unplug power cord before changing or cleaning the filter.
Your filter should be cleaned often to maintain peak vac performance.
IMPORTANT: To avoid damage to the blower wheel and motor, always reinstall the reusable filter before using the vac for dry pickups and always reinstall the foam filter before using the vac for wet pickups.
IMPORTANT: After cleaning, check the filter for tears or small holes. Do not use a filter with holes or tears in it. Even a small hole can cause a lot of dust to come out of your vac. Replace it immediately.
NOTE: Before installing the filter on the vac, clean the area of the lid so that the clamp ring will seal the bag against the lid and stop small particles from bypassing the filter bag.
If the filter is clean and not damaged, replace it on the filter cage. If it cannot be reused, place a new filter over the filter cage.
NOTE: Clean the filter in an open area. Cleaning should be done outdoors and not in living quarters.
WARNING: Do not remove filter cage and float. The float prevents water from entering the impeller and damaging the motor. The cage prevents fingers from touching the moving impeller.
CLEANING
To keep your wet/dry vac looking its best, clean the outside with a cloth dampened with warm water and mild soap.
To clean the tank
- Dump out debris.
- Wash tank thoroughly with warm water and mild soap.
- Wipe out with dry cloth.
STORAGE
Before storing your vac, the dust tank should be emptied and cleaned. The cord should be wrapped and hung on the unit and the accessories should be kept in the accessory holder so they can be readily available. The vac should be stored indoors.
TROUBLESHOOTING
WARNING!
TO REDUCE THE RISK OF INJURY FROM MOVING PARTS AND/OR ELECTRICAL SHOCK, TURN POWER SWITCH OFF AND DISCONNECT GROUNDED PLUG FROM ELECTRICAL OUTLET BEFORE PERFORMING TROUBLESHOOTING CHECKS.
Minor problems often can be fixed without calling customer service.

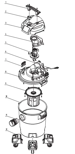
EXPLODED VIEW / PARTS LIST


WARRANTY
Alton Industry Ltd. Group
1-year Limited Warranty
This warranty covers any defects in materials or workmanship of the enclosed product. Alton Industry Ltd. Group will repair or replace any defective materials due to the craftsmanship of the product. This warranty does not cover any problem caused by misuse, abuse, accidents or acts of God, such as floods or hurricanes. Consequential and incidental damages are not covered under this warranty. Coverage terminates if you sell or otherwise transfer the ownership. If you feel you have a defective product, please submit a copy of your receipt to the address below and call 1-888-899-0146 for instructions prior to returning this item to the store or sending it back to:
Alton Industry Ltd. Group 1031 North Raddant Rd
Batavia, Illinois 60510
We will inspect the product and contact you within 72 hours to give you the results of our inspection. We reserve the right to repair or replace the product at our discretion. However, we may replace the product with one of similar but not exact features. Parts and Service Information are available call Alton Industry at 1-888-899-0146. This warranty gives you specific legal rights. You may have other rights which vary from state to state.
Frequently Asked Questions
How do I know if my vacuum is grounded?
If your vacuum is not properly grounded, you may see sparks or hear a buzzing noise. Remove the power cord from the electrical outlet. Carefully examine the three-prong plug. The plug will have three blades and a round grounding pin. The round pin in the center of the plug must be connected to the ground wire inside the vacuum cleaner. If the plug is not properly grounded, replace it with a properly grounded plug, available at most hardware stores. Make sure that all other electrical appliances in use are properly grounded. Reattach the power cord to the electrical outlet and turn on your vacuum cleaner.
Why does my vacuum smell like something is burning?
This may be caused by a motor that’s overheating or a clog in your vacuum cleaner’s hose or attachments. Turn off your vacuum cleaner and unplug it from its electrical outlet. Then carefully remove any clogs from your hose or attachments and clean out any dust or debris that may have collected inside your vacuum cleaner’s canister or dirt cup. If you still smell an odor after you’ve cleaned out these areas, please contact Customer Service at 1-800-237-7691 for assistance.
Why does my vacuum not turn on?
Your vacuum may not be plugged in or turned on. Check to make sure that your vacuum is plugged into an electrical outlet and turned on before attempting to use it again. If the power switch doesn’t turn on when you push it down, check to see if there are any obstructions blocking its movement. If there are no obstructions, please contact Customer Service at 1-800-237-7691 for assistance.
Why does my motor sound louder than usual?
Your motor may be overloaded by too much weight or hair wrapped around its brushes. Remove any excess weight or hair from your brush roll before using again to prevent overheating of your motor and damage to your vacuum cleaner’s electrical system. Contact Customer Service at 1-800-237-7691 for assistance if you continue to experience problems with loud noises coming from your vacuum cleaner’s motor after removing excess weight and hair from its brush roll.
Do I just use the foam insert for wet vacuuming, or do I also remove the dry filter and dust bag? thx
When vacuuming wet, you do really always remove the foam filter.
Do I need to remove the foam filter when using a dry vac? Additionally, the clamp ring appears to be loose and is lost. Advice is valued.
The filter is optional; you can use it either way. But by failing to use the filter when I should have, I killed a handful of these. plasterboard fragments were caught in the motor’s brushes. However, removing the filter gives you greater power, so you have an option. Choose carefully. You have some loose clamp rings, I guess.
Does the foam filter remain in place while vacuuming while wet or dry?
The instruction booklet says that the foam filter should only be used for wet applications, yet without the foam filter in place, the retaining ring will not fit securely. I’ve come to the conclusion that the foam filter must always be on. Simply take out the bag and dry filter for wet use.
Do you think acorns on the lawn would work with this?
Technically, yes; provided that they are small acorns. Only one inch is the hose’s inlet diameter. On the other hand, if you vacuum on the lawn, you might also pick up dirt, sand, grass, etc. that could clog the hose. Using a rake is preferable! Js.
Can you alter this vacuum from 120 V to 220 V?
It is 12V DC, period, if you’re looking at the same model as I am, the SL18125DC.
Can you turn off the blower? Does it constantly blow?
There is no on/off button for the blower, thus it will continuously blow to keep the engine running.
The hose doesn’t seem to be the right size to latch onto the shop vac; it comes off loosely. Will I require a full replacement?
Use the foam filter or the pleated drum filter if you can’t find the right bag. Use a cardboard layer adhered or stapled to the cardboard ring of the bag to gently enlarge or reduce the hole size if you must use that paper bag but it does not fit. an unofficial adapter ring.
Is it safe to use this to suck up dangerous dust? such as pottery dust
The hazardous dust can be cleaned with this vacuum. The actual vacuum cleaner is secure. However, you should be concerned for the operator, who needs some security.
Can you use it to blow up pool lines buried underground?
You may blow out the water lines on an above-ground pool by placing the hose on the exhaust port. I’m not sure if it could support an inground. But it’s surprisingly potent.




















