XD304-B1 Piezo Fast Steering Mirror
User Manual

Version: V1.0
XD304-B1 Piezo Fast Steering Mirror
This document describes the following products:
■ XD304.T1S-B1 ■ XD304.T1K-B1
■ XD304.T2S-B1 ■ XD304.T2K-B1

DECLARATION
Thank you for choosing Core Tomorrow (Core Morrow for short) products!
This user manual is applicable to XD304-B1 piezo fast steering mirror, for your smooth and correct use of this product, Please read this manual carefully before use, and follow the relevant instructions in the manual for installation and use. Improper operation may cause injury to the operator and/or damage to the product, so it is required that the entire installation and operation process should be completed by professionals with a certain foundation and a certain understanding of product principles, or under the guidance of a professional.
If you disassemble or transform the product without permission, our company will not be responsible for any consequences arising therefrom.
To change the product model and other false sales of our company’s products are illegal, users should be vigilant. Once found, you should actively report or contact our company, jointly crack down on illegal acts, and prevent fraud and economic losses. Core Morrow will investigate for the legal responsibility of the illegal subject and related parties.
With the continuous development and innovation of technology, Core Morrow will timely add the latest information to the manual as required. If you need, please contact us, or to our website www.coremorrow.
com for download, we apologize for any inconvenience caused to you.
Introduction
1.1 Purpose and content
- This manual is mainly for your smooth and correct use of the piezo products
- The manual contains all the necessary information for XD304-B1
- Introduction of the precautions during installation and use
1.2 Symbol and meaning
DANGER: Improper handling may could cause injury to the operator.
Attention: Improper handling can cause damage to the equipment.
- No order between items.
1. Please operating in order.
1.3 Users of This Manual
The default user of this manual has knowledge of piezoelectric products and controllers, and has a certain basis for their installation and use.
1.4 Manual Lost and Reissued
If this manual is lost, please contact Core Morrow. We will send you the latest version of the user manual.
Safety Guide
XD304-B1 piezo fast steering mirror is designed with the most advanced technology and safety standards for your own safety and the correct use of the product, please observe the following points when in use.
A change in temperature and pressure will charge the piezoelectric actuator, and the actuator will remain charged for a period of time when it is disconnected from the controller, so the operator should pay attention to when in use.
- Do not disassemble XD304-B1 piezo fast steering mirror.
- Discharge XD304-B1 before mounting, which can be done by connecting to the controller.
- Do not unplug the wire connecting with controller during operation.
- Before use, check whether the connection wire of the product is in good condition and whether the product and the controller are effectively grounded. During operation, strictly standardize the operation. Do not touch the product (up to 150V voltage) with your hand when power on, in case of danger.
In order to prevent damage to the product caused by improper operation, the following points should be paid attention to the following points when in use.
- XD304-B1 piezo fast steering mirror should be used in a dust-free, oil-free and lubricant-free environment.
- As the product is designed with flexible structure, it is recommended that the load should not exceed load capacity of product. When loading, DO NOT apply torque force and DO NOT pry or twist the load surface, so as not to damage the structure.
- Recommended voltage range is 0~120V for long-term use and lifetime.
- Do not disassemble the product to avoid damage.
- Avoid stretching and bending the cable interface to prevent damage to the cable.
- Use the dedicated cable provided by Core Morrow to connect XD304-B1 piezo fast steering mirror to controller.
- Do not connect via an extension cable casually, if you need a longer cable, please contact Core Morrow.
Product Overview
3.1 Product Introduction
XD304-B1 piezo fast steering mirror has the following advantages:
- High performance piezo stack:
XD304-B1 piezo fast steering mirror is driven by a highly reliable ceramic actuator with a fully insulated structure, so its performance and service life are far better than the traditional actuator. The insulating layer can effectively prevent the piezoelectric ceramic from being damaged when exposed to moisture. Therefore, the stability of piezoelectric ceramics can be guaranteed under extreme circumstances. Compared with traditional driving mechanism, there are no transmission parts and friction. Therefore, ceramic actuator has the characteristics of no rebound, no maintenance, and no wear, etc.
Flexible hinge structure:
XD304-B1 piezo fast steering mirror adopting flexible hinge mechanism has advantages of no friction, high positioning accuracy. Flexible hinge is an element not affected by static and dynamic friction, based on the elastic deformation of metal material (e.g., steel) , there is no rolling and sliding parts. Flexible unit has very high load capacity and stiffness. Hinge guide needs no maintenance and no wear and tear. Suitable for a wide range of temperatures, no lubricating oil is required.
Strain sensor
Strain sensor detects the position information by its own expansion. They are fixed in the proper position of the transmission part and measure the displacement of the moving part. This type of position measurement is made by contact and indirect measurement. So the displacement of the moving platform is measured by measuring lever, guide hinge, or piezoelectric ceramic stack.
XD304-B1 Piezo Fast Steering Mirror is specially designed for small size, micro stroke and high frequency applications. It can perform θx θy two-dimensional precision angular deflection motion. It is an ideal compact fast-reflection mirror, which is very suitable for deflection adjustment of small reflective mirrors.
3.2 Product Features
- θx, θy tilt
- Optional closed loop sensor
- Small size
- High resonant frequency
3.3 Principle
The piezo control principle is as follows:

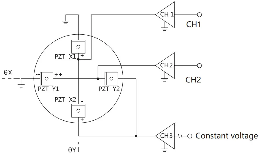
Piezo tilt stage(two-axis motion) is based on parallel kinematic design with coplanar axis and moving platform. Four piezo actuators are placed at a 90° angle interval, paired differential control distribution. Two pairs of differentially driven actuators provide the highest achievable angular stability over a wide temperature range. Its tilt motion is achieved by two pairs of piezo actuators in a push-pull motion, controlled by a bridge connection circuit.
The deflection angle can be calculated as follows
The tilt angle in θx:
Wherein:
Similarly, the tilt angle in θy:
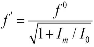
Dynamic characteristics of XD304-B1 piezo fast steering mirror:
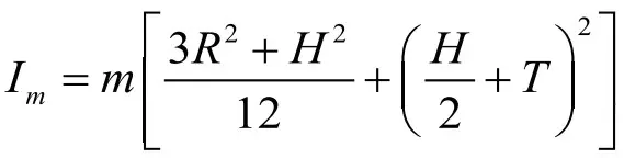
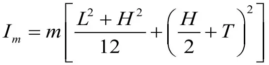
Operating frequency of XD304-B1 depends on its resonant frequency. In order to estimate its resonant frequency after loading mirror (moving surface and mirror), the moment of inertia of mirror must be taken into account. The moment of inertia of mirror is calculated as follows:
the moment of inertia of a cylindrical mirror:
The moment of inertia of a rectangular mirror:
Wherein:
m – Quality of mirror
– The moment of inertia of mirror
L – Length of the mirror perpendicular to the rotation axis
H – Thickness of mirror
T – Distance between the axis of rotation and the surface of the platform
R – Radius of mirror
The resonant frequency of after loading mirror can be calculated by using unloaded resonant frequency and the moment of inertia of mirror. The calculation formula is as follows:
Wherein:
3.4 Motion Direction

XD304-B1 connection mark and motion direction are as follows:
| Model | Motion direction | Description | Connection Mark |
| XD500 | AXIS1 | Drive cable | CH1 |
| Sensor cable | 1 | ||
| AXIS2 | Drive cable | CH2 | |
| Sensor cable | 2 | ||
| Constant voltage | Drive cable | CH3 |
Operating environment
- Operating temperature: -20~80℃
- Environment free of dust, clean, and non-corrosive substances
- Relative humidity: <60%
- Recommended voltage between 0 and 120V for long-term and high-reliability operation
Installation and operation
Before installation, first check the safety, such as whether the cable is damaged or broken, and whether the power supply has grounding protection.
5.1 Installation and connection
XD304-B1 installation diagram is as follows:

- Before attach the mirror, please clean the mirror and motion surface. After the mirror is glued, please wait for a period of time until adhesive solidify.

- You need to use M2.5 screws to mount the XD304-B1, and you also can adopt a adapter. And before mount, please clean the mounting surface and adapter.
- Mount XD304-B1 on the mounting surface directly or by a adapter. Please contact us, if you don’t mount it with stand, such as lean or lateral mounting.
Mounting notes:
- Do not knock the moving part of the product to prevent flexure hinge deformation affecting the movement accuracy, or even damage the product.
- Do not drop the mirror adhesive into the gap at the moving end, and do not have other objects to hinder the movement, so as not to affect the accuracy or damage the
equipment. - Please select appropriate screw for the mounting connection, to prevent the mounting is not firm and mirror falls off, causing permanent damage.
- Please pay attention to standard operation during the whole mounting and operation process. Users should carry out relevant operation under the guidance of professionals.
5.2 Load
When installing the load, ensure that the load mass is less than the max load of XD304-B1, and install the load as much as possible at the center of the moving surface.
The correct placement of the load is shown below:
For protection, we don’t recommend the load is too high. If it is used a higher load, please reduce the position center of the load gravity. The error placement method is as follows:
Try not to let the load center of gravity exceed the stage
It is forbidden to load the load on one side of the piezo stage, which would cause serious damage to the product, as shown in the following figure:
Do not load longer loads and add to the side of the piezo stage
Notice:
- When mounting the load, tighten the load slowly. The torque should not be too large to prevent damage to the mechanism.
- Avoid stretching and bending cables.
- Use the dedicated cable provided by Core Morrow to connect XD304-B1 and the controller.
- Do not connect via an extension cable casually, if you need a longer cable, please contact Core Morrow.
5.3 Operating
Please reconfirm the following information before turning on the power:
- XD304-B1 has been grounded protection
- Operating environment meets the operating requirements of XD304-B1
- Fixed screws must be tightened
After the above information is confirmed, relevant controller operations can be carried out:
- Please read the user manual of the controller carefully before operation, and then start the controller.
- Set the controller’ output voltage to zero first.
- Check no abnormal phenomenon, then input voltage value (via keyboard or analog control) according to specified input voltage range.
- Operating normally within the rated voltage range of piezo products.
- After use, please carry out voltage reset operation.
Please take light steps when XD304-B1 in operation, do not knock the product, so as not to affect the use of the product or even damage the product.
In order to achieve better motion precision of XD304-B1, it is recommended to use our company’s supporting controller. Please refer to the user manual of the controller for the specific operation to ensure correct operation before relevant operation.
Notice:
- Do not remove the grounding protection during the operation. If you need to remove it temporarily, please reconnect the grounding protection before starting it again.
- The driving voltage shall not exceed the voltage range of XD304-B1.
- If any abnormal noise or oscillation occurs during use, turn off the power immediately and check the parameter setting.
Transportation and inspection
6.1 Transportation
This product is packed in cartons. Transportation is carried out under the packaging conditions. This product can be transported by various means of transport under normal
circumstances. In the process of transportation, direct rain and snow, corrosive substances, strong collision, extrusion, irregular placement and other improper behaviors should be avoided as far as possible.
6.2 Open-Box Inspection
Inspection content:
- Before opening the package, please check the outer packing carefully to see if there is any breakage, wetting, dampness, deformation, etc.
- Please check the completeness of package contents one by one according to the supply contract and packing list.
- Check whether the surface of the product has obvious damage.
- Check whether the product identification is clear and complete.
- Check whether the connector is loose and the connector wire is broken or damaged.
In case of any of the above, please make a detailed record and take a photo of it.
Meanwhile, please contact us for processing immediately.
Attention:
- Please handle with care when opening the package, so as not to knock against the product and cause permanent damage to it.
- Please do not use heavy tools or rough way to open.
- Please do not discard all the packaging materials which are needed for repair and return.
Maintenance and Treatment
7.1 Problem Handling
FAQ are shown in the table below.
| Problem description | Possible reason | Solution |
| No displacement or less displacement | The connection wire is not connected properly or poor contact | Check the connection wire |
| Excessive load | Load according to the product’s load capacity | |
| Sensor zero drift | Check the sensor | |
| Low accuracy | Mounting surface unevenness | Mount the platform on a flat surface |
| Low accuracy | Loose connection | Fasten connection |
| Wrong connection | Check if the wiring is correct | |
| Vibration or inaccurate positioning at startup | Incorrect input control parameters | Stop immediately and check the parameter Settings |
| Resonance occurs | Make drive frequency less than resonance frequency |
If the user cannot solve the problem by himself in the process of using, please record the problem in detail and contact Core Morrow, and professional technical personnel will help to solve.
Problems caused by improper operation are not covered by the warranty.
Core Morrow is not responsible for any problems caused by dismantling products without permission.
7.2 Daily maintenance
If the product is not used for a long time, please store it in a dust-free, well-ventilated, clean and non-corrosive indoor environment after packaging.
In the daily maintenance, please do not loosen the bolts on the product structure, so as not to affect the movement accuracy of the product.
Daily cleaning:
Please disconnect the product from the controller before cleaning the surface of the product.
When cleaning, gently wipe the surface of the product with a towel dipped in a small amount of detergent, and then clean it with alcohol. Please do not use ultrasonic cleaner.
When cleaning the surface, try not to pick up the product. If you have to pick up the product, it is better to put the sponge under the product for protection. The product should not be too high from the sponge, in case the product falls off.
7.3 Disposal
Waste products should be disposed according to national and local rules and regulations.
In order to fulfill our responsibility as a product manufacturer, we will dispose all old equipment’s on the market in an environmentally friendly manner. If you have equipment that cannot be disposed, you can ship it to Core Morrow.
Address: Building I2, No.191 UEFA Road, Nongang District, Harbin, HLJ, China
Tel: +86-451-86268790
Connector
8.1 Driving and Sensor cable
The connector adopts J30J-15 aerospace special connector. The pins are defined as follows:
| No. | Function | Description |
| 1, 9 | 100V power supply | |
| 2 | AXIS1 | X-axis control signal |
| 10 | AXIS2 | Y-axis control signal |
| 3, 11 | 100V_GND | |
| 5 | AGND | X-axis SG ground |
| 6 | -Vin_X | X-axis SG negative |
| 7 | +Vin_X | X-axis SG positive |
| 8 | 5Vref | X-axis SG power |
| 12 | AGND | Y-axis SG ground |
| 13 | -Vin_Y | Y-axis SG negative |
| 14 | +Vin_Y | Y-axis SG positive |
| 15 | 5Vref | Y-axis SG power |
Customer Service
If you have questions about the products you are currently using, please let us know the following information:
- Product model and relevant number
- The controller model
- Software driver version
- Computer operating system that installs supporting software
Contact us
Harbin Core Tomorrow Science & Technology Co., Ltd.
Tel: +86-451-86268790
Email: [email protected]
Website: www.coremorrow.com
Address: Building I2, No.191 UEFA Road, Nongang District, Harbin, HLJ, China
Core Morrow Official and CTO WeChat are below:
![]() | ![]() |
| http://weixin.qq.com/r/PEzawqnEyfS2re2h9xku | https://u.wechat.com/EAOWfcTPsTfQdVIeK41V9hg |






















