A/GPUM3 13.4 SEER2 “M” SERIES With R-410A
Single Package Gas-Electric Ultra-Low Nox Heating & Cooling Unit
Instruction Manual

![]()
GPUM34208041 Single Package Gas-Electric Ultra-Low Nox Heating and Cooling Unit
Affix this manual and Users Information Manual adjacent to the unit.
ATTENTION INSTALLING PERSONNEL:
Prior to installation, thoroughly familiarize yourself with this Installation Manual. Observe all safety warnings. During installation or repair, caution is to be observed.
It is your responsibility to install the product safely and to educate the customer on its safe use.
RECOGNIZE THIS SYMBOL AS A SAFETY PRECAUTION.
WARNING
Only personnel that have been trained to install, adjust, service, maintenance or repair (hereinafter, “service”) the equipment specified in this manual should service the equipment. The manufacturer will not be responsible for any injury or property damage arising from improper service or service procedures. If you service this unit, you assume responsibility for any injury or property damage which may result. In addition, in jurisdictions that require one or more licenses to service the equipment specified in this manual, only licensed personnel should service the equipment. Improper installation, adjustment, servicing, maintenance or repair of the equipment specified in this manual, or attempting to install, adjust, service or repair the equipment specified in this manual without proper training may result in product damage, property damage, personal injury or death.
WARNING
Do not bypass safety devices.
These installation instructions cover the outdoor installation of self contained package air conditioners and heating units. See the Specification Sheets applicable to your
model for information regarding accessories.
*NOTE: Please contact your distributor or our website for the applicable Specification Sheets referred to in this manual.
This Forced Air Central Unit Design Complies With Requirements Embodied In The American National Standard / National Standard of Canada Shown Below.
ANSI Z21.47•CSA-2.3 Central Furnaces.
HIGH ALTITUDE KIT
Manifold pressure adjustments and ID plug change are required for all installations above 4500 ft. The conversion from “standard altitude” (as shipped from the factory) to
“high altitude” requires:
- Replacing ID plug
- Adjusting manifold pressure
Before proceeding, shut OFF gas supply at manual shut-off and turn off power to the unit.
| Gas Input (BTU / HR) | 0 – 4,500 Feet | 4,500 Feet & Above |
| 40,000 | No Change | HAUR40 |
| 60,000 | No Change | HAUR60 |
| 80,000 | No Change | HAUR80 |
Replacing ID Plug
To replace ID plug:
- Turn OFF power to unit.
WARNING
HIGH VOLTAGE
Disconnect all power before servicing or installing this unit. Multiple power sources may be present. Failure to do so may cause property damage, personal injury or death. - Locate the PCB in the unit’s control section. Locate the “ID Plug” on terminal labeled J9 on the PCB.
- Remove the standard altitude ID plug by detaching it from the PCB.
- Install high altitude ID plug supplied in the high-altitude kit. Verify that the ID plug is completely seated and attached with the PCB or else the unit might not function as intended.
![]()

Adjusting Gas Manifold Pressure
Use the below manifold pressure settings:
| Gas Input (BTU/HR) | Manifold Pressure up till 4,500 Ft. | Manifold Pressure at 5,000 Ft. | Manifold Pressure at 7,500 Ft. |
| 40,000 | 3.0” w.c. | 2.7” w.c. | 2.2” w.c |
| 60,000 | 3.0” w.c | 2.7” w.c. | 2.2” w.c. |
| 80,000 | 3.0” w.c. | 2.7” w.c. | 2.2” w.c. |
REPLACEMENT PARTS
Ordering Parts
When reporting shortages or damages, or ordering repair parts, give the complete unit model and serial numbers as stamped on the unit’s nameplate.
Replacement parts for this appliance are available through your contractor or local distributor. For the location of you nearest distributor, see website www.goodmanmfg.com or contact:
HOMEOWNER SUPPORT DAIKIN COMFORT TECHNOLOGIES MANUFACTURING, L.P. 19001 KERMIER ROAD WALLER, TEXAS 77484855-770-5678
SAFETY INSTRUCTIONS
To The Installer
Before installing this unit, please read this manual to familiarize yourself on the specific items which must be adhered to, including maximum external static pressure to
unit, air temperature rise, minimum or maximum CFM and motor speed connections.
Keep this literature in a safe place for future reference.
Safety Considerations
IMPORTANT NOTE: This unit is designed to meet the NOX requirement of 14Ng/J maximum as required by the South Coast Air Quality Management District and the San Joaquin Valley Air Pollution Control District, both in the State of California, and is intended for installation in those districts only.
This unit has a Control System that compensates for certain installation and environmental conditions. This unit must:
- Be properly installed, operated, and maintained per the instructions.
- Be serviced only by properly trained Service Technicians.
This unit is not approved for use with gases other than Natural Gas.
Units that are not installed, maintained, or operated properly may result in “noisy” operation during the Heating Cycle. If this unit is making unusual or objectionable noises
during the Heating Cycle, turn the heat off at the thermostat and contact a qualified Service organization right away.
Adhere to the following warnings and cautions when installing, adjusting, altering, servicing, or operating the furnace. To ensure proper installation and operation, thoroughly read this manual for specifics pertaining to the installation and application of this product.
This furnace is manufactured for use with natural gas only.
Never test for gas leaks with an open flame. Use commercially available soap solution made specifically for the detection of leaks to check all connections, as specified in GAS PIPING section of this manual.
Always install a furnace to operate within the furnace’s intended temperature-rise range with a duct system which has external static pressure within the allowable range, as
specified on the rating plate.
WARNING
If the information in these instructions is not followed exactly, a fire or explosion may result causing property damage, personal injury or loss of life.
- do not store or use gasoline or other flammable vapors and liquids in the vicinity of this or any other appliance.
- WHAT TO DO IF YOU SMELL GAS:
- Do not try to light any appliance.
- Do not touch any electrical switch; do not use any phone in your building.
- Immediately call your gas supplier from a neighbor’s phone. Follow the gas supplier’s instructions. If you cannot reach your gas supplier, call the fire department.
- Installation and service must be performed by a qualified installer, service agency or the gas supplier.
WARNING
Should overheating occur or the gas supply fail to shut off, turn off the manual gas shutoff valve external to the furnace before turning off the electrical supply.
WARNING
Do not connect to or use any device that is not design certified by the manufacturer for use with this unit. Serious property damage, personal injury, reduced unit performance and/or hazardous conditions may result from the use of such non-approved devices.
WARNING
Heating unit should not be utilized without reasonable, routine, inspection, maintenance and supervision. If the building in which any such device is located will be vacant, care should be taken that such device is routinely inspected, maintained and monitored. In the event that the building maybe exposed to freezing temperatures and will be vacant, all water-bearing pipes should be drained, the building should be properly winterized, and the water source closed. In the event that the building maybe exposed to freezing temperatures and will be vacant, any hydronic coil units should be drained as well and, in such case, alternative heat sources should be utilized.
WARNING
FIRE OR EXPLOSION HAZARD
Failure to follow the safety warnings exactly could result in serious injury, death or property damage.
Never test for gas leaks with an open flame.
Use a commercially available soap solution made specifically for the detection of leaks to check all connections. A fire or explosion may result causing property damage, personal injury or loss of life.
DANGER
PELIGRO
![]()
CARBON MONOXIDE POISONING HAZARD
Special Warning for Installation of Furnace or Air Handling Units in Enclosed Areas su ch as Garages, Utility Rooms or Parking Areas Carbon monoxide producing devices (such as an automobile, space heater, gas water heater, etc.) should not be operated in enclosed areas such as unventilated garages, utility rooms or parking areas because of
the danger of carbon monoxide (CO) poisoning resulting from the exhaust emissions. If a furnace or air handler is installed in an enclosed area such as a garage, utility room or parking area and a carbon monoxide producing device is operated therein, there must be adequate, direct outside ventilation.
This ventilation is necessary to avoid the danger of CO poisoning which can occur if a carbon monoxide producing device continues to operate in the enclosed area. Carbon monoxide emissions can be (re)circulated throughout the structure if the furnace or air handler is operating in any mode.
CO can cause serious illness including permanent brain damage or death.
B10259-216
WARNING
To avoid property damage, personal injury or death, do not use this unit if any part has been under water. Immediately call a qualified service technician to inspect the furnace
and to replace any part of the control system and any gas control having been under water.
WARNING
This unit must not be used as a “construction heater” during the finishing phases of construction on a new structure. This type of use may result in premature failure of the unit due to extremely low return air temperature and exposure to corrosive or very dirty atmospheres.
WARNING
HIGH VOLTAGE
Disconnect all power before servicing or installing this unit. Multiple power sources may be present. Failure to do so may cause property damage, personal injury or death.
WARNING
To prevent the risk of property damage, personal injury, or death, do not store combustible materials or use gasoline or flammable liquids or vapors in the vicinity of this appliance.
GENERAL INFORMATION
WARNING
To prevent property damage, personal injury or death, due to fire, explosions, smoke, soot, condensation, electric shock or carbon monoxide, this unit must be properly installed repaired, operated, and maintained.
This unit is approved for outdoor installation ONLY. Rated performance is achieved after 20 hours of operation. Rated performance is delivered at the specified airflow. See outdoor unit specification sheet for split system models or product specification sheet for packaged and light commercial models. Specification sheets can be found at www.goodmanmfg.com for Goodman® products. Within the website, please select the residential or commercial products menu and then select the submenu for the type of product to be installed, such as air conditioners or heat pumps, to access a list of product pages that each contain links to that model’s specification sheet.
To assure that your unit operates safely and efficiently, it must be installed, operated, and maintained in accordance with these installation and operating instructions, all local building codes and ordinances, or in their absence, with the latest edition of the National Fuel Gas Code NFPA 54/ANSI Z223.1 and National Standard of Canada CAN/CSA B149 Installation Codes.
The heating and cooling capacities of the unit should be greater than or equal to the design heating and cooling loads of the area to be conditioned. The loads should be calculated by an approved method or in accordance with A.S.H.R.A.E. Guide or Manual J – Load Calculations published by the Air Conditioning Contractors of America.
Obtain from:
American National Standards Institute 25 West 43rd Street, 4th Floor New York, NY 10036
Transportation Damage
Check the carton upon arrival for external damage. If damage is found, a request for inspection by carrier agent should be made in writing immediately.
Carefully inspect the unit for damage including damage to the cabinetry. Any bolts or screws which may have loosened in transit must be re-tightened. In the event of damage, the receiver should:
- Make notation on delivery receipt of any visible damage to shipment or container.
- Notify carrier promptly and request an inspection.
- In case of concealed damage, carrier should be notified as soon as possible-preferably within 5 days.
- File the claim with the following supporting documents:
a. Original Bill of Lading, certified copy, or indemnity bond.
b. Original paid freight bill or indemnity in lieu thereof.
c. Original invoice or certified copy thereof, showing trade and other discounts or reductions.
d. Copy of the inspection report issued by carrier representative at the time damage is reported to the carrier. The carrier is responsible for making prompt inspection of damage and for a thorough investigation of each claim. The distributor or manufacturer will not accept claims from dealers for transportation damage.
NOTE: When inspecting the unit for transportation damage, remove all packaging materials. Recycle or dispose of the packaging material according to local codes.
WARNING
CARBON MONOXIDE POISONING HAZARD
Failure to follow the steps outlined below for each appliance connected to the venting system being placed into operation could result in carbon monoxide poisoning or death.
The following steps shall be followed with each appliance connected to the venting system placed in operation, while any other appliances connected to the venting system are not in operation:
- Seal any unused openings in the venting system.
- Inspect the venting system for proper size and horizontal pitch, as required by the National Fuel Gas Code, ANSI Z223.1 or the Natural Gas and Propane Installation Code, CSA B149.1-15 and these instructions. Determine that there is no blockage or restriction, leakage, corrosion and other deficiencies which could cause an unsafe condition.
- As far as practical, close all building doors and windows and all doors between the space in which the appliance(s) connected to the venting system are located and other spaces of the building.
- Close fireplace dampers.
- Turn on clothes dryers and any appliance not connected to the venting system. Turn on any exhaust fans, such as range hoods and bathroom exhausts, so they shall operate at maximum speed. Do not operate a summer exhaust fan.
- Follow the lighting instructions. Place the appliance being inspected in operation. Adjust thermostat so appliance shall operate continuously.
- Test for spillage from draft hood appliances at the draft hood relief opening after 5 minutes of main burner operation. Use the flame of a match or candle.
- If improper venting is observed during any of the above tests, the venting system must be corrected in accordance with the National Fuel Gas Code ANSI Z223.1/ NFPA 54 and/or National Gas and Propane Installation Code CSA B149.1-15.
- After it has been determined that each appliance connected to the venting system properly vents when tested as outlined above, return doors, windows, exhaust fans, fireplace dampers and any other gas burning appliance to their previous conditions of use.
UNIT LOCATION
WARNING
To prevent possible equipment damage, property damage, personal injury or death, the following bullet points must be observed when installing the unit.
IMPORTANT NOTE: Remove wood shipping rails prior to installation of the unit.
All Installations:
- For proper flame pattern within the heat exchanger and proper condensate drainage, the unit must be mounted level.
- The flue outlet hood must be at least 12 inches from any opening through which flue gases could enter a building,and at least three feet above any forced air inlet located within ten feet. The economizer/ manual fresh air intake/motorized fresh air intake and combustion air inlet mounted on the unit are not affected by this restriction.
- To avoid possible corrosion of the heat exchanger, do not locate the unit in an area where the outdoor air (i.e. combustion air for the unit) will be frequently contaminated by compounds containing chlorine or fluorine. Common sources of such compounds include swimming pool chemicals and chlorine bleaches, paint stripper, adhesives, paints, varnishes, sealers, waxes (which are not yet dried) and solvents used during construction and remodeling. Various commercial and industrial processes may also be sources of chlorine/ fluorine compounds.
- To avoid possible illness or death of the building occupants, do NOT locate outside air intake device (economizer, manual fresh air intake, motorized fresh air intake) too close to an exhaust outlet, gas vent termination, or plumbing vent outlet. For specific distances required, consult local codes.
- Allow minimum clearances from the enclosure for fire protection, proper operation, and service access (see appendix). These clearances must be permanently maintained.
- The combustion air inlet and flue outlet hoods on the unit must never be obstructed. If used, do not allow the economizer/manual fresh air damper/ motorized fresh air damper to become blocked by snow or debris. In some climates or locations, it may be necessary to elevate the unit to avoid these problems.
- Damper must be in open position when appliance main burner(s) is operating. Le registre doit être ouvert lorsque tout brûleur principal de l’appareil est en état de fonctionnement.
- When the unit is heating, the temperature of the return air entering the unit must be between 50° F and 100° F.
- Units manufactured on or after May 1, 2017 are not permitted to be used in Canada for heating of buildings or structures under construction.
Ground Level Installations Only:
When the unit is installed on the ground adjacent to the building, a level concrete (or equal) base is recommended. Prepare a base that is 3” larger than the package unit footprint and a minimum of 3” thick.
- The base should also be located where no runoff of water from higher ground can collect in the unit.
- The top of the unit should be completely unobstructed. If units are to be located under an overhang, there should be a minimum of 48” clearance and provisions made to deflect the warm discharge air out from the overhang.
- Close to the wall application assures free, unobstructed air to the other two sides. In more confined application spaces, such as corners provide a minimum 12” clearance on all air inlet sides. Allow 36” minimum for service access to the compressor compartment and controls.
- Unit should be located a minimum of 4” away from the wall with the connections facing the wall.

NOTE: Roof overhang should be no more than 36″.
Outside Slab Installation
Rooftop Installations Only:
NOTE: To ensure proper condensate drainage, unit must be installed in a level position.
- To avoid possible property damage or personal injury, the roof must have sufficient structural strength to carry the weight of the unit(s) and snow or water loads as required by local codes. Consult a structural engineer to determine the weight capabilities of the roof.

- The unit may be installed directly on wood floors or on Class A, Class B, or Class C roof covering material.
- To avoid possible personal injury, a safe, flat surface for service personnel should be provided.
Roof Curb Installations Only:
- Sufficient structural support must be determined prior to locating and mounting the curb and package unit.
- Ductwork must be constructed using industry guidelines. The duct work must be placed into the roof curb before mounting the package unit.
- Curb insulation, cant strips, flashing and general roofing material are furnished by the contractor.

| Model | Roof Curb |
| A/GPUM3(24-61)***41** | D14CRBPGCHMA |
RIGGING DETAILS
WARNING
To prevent property damage, the unit should remain in an upright position during all rigging and moving operations. To facilitate lifting and moving when a crane is used, place the unit in an adequate cable sling.
IMPORTANT NOTE: If using bottom discharge with roof curb, ductwork should be attached to the curb prior to installing the unit. Ductwork dimensions are shown in roof curb installation instructions.
Refer to the Roof Curb Installation Instructions for proper curb installation. Curbing must be installed in compliance with the National Roofing Contractors Association Manual.
Lower unit carefully onto roof mounting curb. While rigging unit, center of gravity will cause condenser end to be lower than supply air end.
Unit should be lifted by the 4 holes located at the base frame corners. Lifting cables should be attached to the unit with shackles. While rigging unit, center of gravity will
cause the condenser end (heavier) to be lower than supply air end. The distance between the unit and the crane hook up should not be less than 60”. The spreaders bars should span over the unit to prevent damage to the cabinet from the lifting cables.

GAS PIPING
IMPORTANT NOTE: This unit is factory set to operate on natural gas at the altitudes shown on the rating plate.
The rating plate is stamped with the model number, type of gas and gas input rating. Make sure the unit is equipped to operate on the type of gas available.
| INLET GAS PRESSURE | |
| Natural | Mi n. 5.0″ W.C., Ma x. 10.0″ W.C. |
Inlet Gas Pressure Must be within the Minimum and the Maximum Value Shown in the Inlet Gas Pressure Table. The minimum supply pressure should not vary from that shown in the table because this could prevent the unit from having dependable ignition. In addition, gas input to the burners must not exceed the rated input shown on the rating plate. Overfiring of the unit could result in premature heat exchanger failure.
CAUTION
To prevent unreliable operation or equipment damage, the inlet gas supply pressure must be as specified on the unit rating plate with all other household gas fired appliances operating.
Piping
WARNING
To avoid possible unsatisfactory operation or equipment damage due to underfiring of equipment, use the proper size of natural gas piping needed when running pipe from the meter to the furnace.
The rating plate is stamped with the model number, type of gas and gas input rating. Make sure the unit is equipped to operate on the type of gas available. The gas line
installation must comply with local codes, or in the absence of local codes, with the latest edition of the National Fuel Gas Code NFPA 54/ANSI Z223.1.
Natural Gas Connection
| Natural Gas Capacity of Pipe in Cubic Feet of Gas Per Hour (CFH) | |||||
| Length of Pipe in Feet | Nominal Black Pipe Size (inches) | ||||
| 1/2 | 3/4 | 1 | 1 1/4 | 1 1 /2 | |
| 10 | 132 | 278 | 520 | 1050 | 1600 |
| 20 | 92 | 190 | 350 | 730 | 1100 |
| 30 | 73 | 152 | 285 | 590 | 980 |
| 40 | 63 | 130 | 245 | 500 | 760 |
| 50 | 56 | 115 | 215 | 440 | 670 |
| 60 | 50 | 105 | 195 | 400 | 610 |
| 70 | 46 | 96 | 180 | 370 | 560 |
| 80 | 43 | 90 | 170 | 350 | 530 |
| 90 | 40 | 84 | 160 | 320 | 490 |
| 100 | 38 | 79 | 150 | 305 | 460 |
Pressure= .50 PSIG or less and Pressure Drop of 0.3″ W.C. (Based on 0.60 Specific Gravity Gas)

- Refer to the Proper Piping Practice drawing for the general layout at the unit. The following rules apply:
- Use black iron pipe and fittings for the supply piping. The use of a flex connector and/or copper piping is permitted as long as it is in agreement with local codes.
- Use pipe joint compound on male threads only. Pipe joint compound must be resistant to the action of the fuel used.
- Use ground joint unions.
- Install a drip leg to trap dirt and moisture before it can enter the gas valve. The drip leg must be a minimum of three inches long.
- Use two pipe wrenches when making connection to the gas valve to keep it from turning.
- Install a manual shut-off valve in a convenient location (within six feet of unit) between the meter and the unit.
- Tighten all joints securely.
- The unit must be connected to the building piping by one of the following methods:
- Rigid metallic pipe and fittings
- Semirigid metallic tubing and metallic fittings (Aluminum alloy tubing must not be used in exterior locations)
- Listed gas appliance connectors used in accordance with the terms of their listing that are completely in the same room as the equipment.
- In the prior two methods above the connector or tubing must be protected from physical and thermal damage. Aluminum alloy tubing and connectors must be coated to protect against external corrosion when in contact with masonry, plaster or insulation or are subject to repeated wettings by liquids (water – not rain water, detergents or sewage).

NOTE: The unit gas supply entrance is factory sealed with plugs. Keep plugs in place until gas supply is ready to be installed. Once ready, replace the plugs with the supplied grommets and install gas supply line.
Gas Piping Checks
WARNING
To prevent property damage or personal injury due to fire, the following instructions must be performed regarding gas connections and pressure testing:
- The unit and its gas connections must be leak tested before fire, never use a match or open flame to test for leaks. Never exceed specified pressures for testing. Higher pressure may damage gas valve and cause overfiring which may result in premature heat exchanger failure
- This unit and its shut-off valve must be disconnected from the gas supply during any pressure testing of that system at pressures in excess of 1/2 PSIG (3.48 kPA).
- This unit must be isolated from the gas supply system by closing its manual shut-off valve during any pressure testing of the gas supply piping system at test pressures equal to or less than 1/2 PSIG (3.48 kPA).
WARNING
To avoid property damage or personal injury, be sure there is no open flame in the vicinity during air bleeding.
There will be air in the gas supply line after testing for leaks on a new installation. Therefore, the air must be bled from the line by loosening the ground joint union until pure gas is expelled. Tighten union and wait for five minutes until all gas has been dissipated in the air. Be certain there is no open flame in the vicinity during air bleeding procedure. The unit is placed in operation by closing the main electrical disconnect switch for the unit.
ELECTRICAL WIRING
Thermostat Location
Mount the thermostat approximately five feet above the floor, in an area that has an inside, vibration-free wall and has good air circulation.
Movement of air must not be obstructed by furniture, door, draperies, etc. The thermostat must not be mounted where it will be affected by drafts, hot or cold water pipes or air ducts in walls, radiant heat from fireplace, lamps, the sun, television, etc. Consult the Instruction Sheet packaged with thermostat for mounting instructions.
NOTE: All units have one stage of heating and either one or two stages of mechanical cooling. If the unit has two stages of mechanical cooling, the thermostat must also be two stage. Refer to figures later in this section for wiring.
WARNING
To avoid personal injury, electrical shock or death, disconnect electrical power before servicing or changing any electrical wiring.
The units are designed for operation on 60 hertz current and at voltages as shown on the rating plate. All internal wiring in the unit is complete. It is necessary to bring in the
power supply to the contactor as shown on the unit wiring diagram which is supplied with each unit. The low voltage wiring must be connected between the unit control panel and the room thermostat.

Refer to the unit wiring diagram for electrical connections. When installed, the unit must be electrically grounded in accordance with local codes or in the absence of local codes, with the National Electrical Code, ANSI/NFPA No. 70, and/or the CSA C22.1 Electrical Code. Ensure low voltage connections are waterproof.
WARNING
To avoid the risk of electrical shock, wiring to the unit must be polarized and grounded.
CAUTION
To avoid property damage or personal injury due to fire, use only copper conductors.
CAUTION
To avoid property damage or personal injury due to fire, use only copper conductors.
For unit protection, use a fuse or hacr circuit breaker that is in excess of the circuit ampacity, but less than or equal to the maximum overcurrent protection device. DO NOT
EXCEED THE MAXIMUM OVERCURRENT DEVICE SIZE SHOWN ON UNIT DATA PLATE.
DO NOT use gas piping, or conduit as an electrical ground.
A dedicated ground wire must be run from the unit to the electrical panel.
NOTE: Units are equipped with a single pole contactor. Caution must be exercised when servicing as only one leg of the power supply is broken with the contactor.
All line voltage connections must be made through weatherproof fittings. All exterior power supply and ground wiring must be in approved weatherproof conduit. Low voltage wiring from the unit control panel to the thermostat requires coded cable. See below for ground level and rooftop wiring.
Unit Voltage
| Rated Voltage | Minimum Supply Voltage | Maximum Supply Voltage |
| 208/230V | 197 | 253 |
The unit transformer is factory connected for 240V operation. If the unit is to operate on 208V, reconnect the transformer primary lead as shown on the unit wiring diagram. The induced draft blower on some models is equipped with a low speed 240V lead (blue) and a low speed 208V lead (black). If equipped, connect the induced draft blower low speed 208V lead (black) in place of the low speed 240V lead (blue). Place the unused 240V lead on the “PARK” terminal located on ignition control.
NOTE: Connect incoming power leads to terminals L1 & L2 on contactor in the electrical control section, using wire sizes specified in wiring table.
| BRANCH CIRCUIT AMPACITY | 15 | 20 | 25 | 30 | 35 | 40 | 45 | 50 |
| SUPPLY WIRE LENGTH – FEET | ||||||||
| 200 | 6 | 4 | 4 | 4 | 3 | 3 | 2 | 2 |
| 150 | 8 | 6 | 6 | 4 | 4 | 4 | 3 | 3 |
| 100 | 10 | 8 | 8 | 6 | 6 | 6 | 4 | 4 |
| 50 | 14 | 12 | 10 | 10 | 8 | 8 | 6 | 6 |
Wiring Table
CIRCULATING AIR AND FILTERS
Airflow Conversion
Units can easily be converted from horizontal to downdischarge airflow delivery. In down-discharge or high static installations, the installer should measure the total external static and review the blower performance charts before performing the installation. In some installations it will be necessary to change the blower speed to provide proper air flow.
Horizontal Air Flow
Single phase models are shipped without horizontal duct covers. If needed, these kits may be ordered through Goodman’s Service Parts department.

Down Discharge Applications
Cut insulation around bottom openings and remove panels from the bottom of the unit, saving the screws holding the panels in place.
NOTE: Single phase models require installation of horizontal duct kit #20464501NGK (medium chassis) and #20464502NGK (large chassis). See “Unit Dimensions”section for chassis sizes.
Ductwork
Duct systems and register sizes must be properly designed for the C.F.M. and external static pressure rating of the unit. Ductwork should be designed in accordance with the recommended methods of Air Conditioning Contractors of America Manual D (Residential) or Manual Q (Commercial). All ductwork exposed to the outdoors must include a weatherproof barrier and adequate insulation.
A duct system should be installed in accordance with Standards of the National Board of Fire Underwriters for the Installation of Air Conditioning, Warm Air Heating and Ventilating Systems. Pamphlets No. 90A and 90B.
The supply duct from the unit through a wall may be installed without clearance. However, minimum unit clearances as shown in the appendix must be maintained. The supply duct should be provided with an access panel large enough to inspect the air chamber downstream of the heat exchanger. A cover should be tightly attached to
prevent air leaks.
For duct flange dimensions on the unit refer to the Unit Dimension illustration in the appendix.
For down-discharge applications, the ductwork should be attached to the roof curb prior to installing the unit.
Ductwork dimensions are shown in the roof curb installation manual.
If desired, supply and return duct connections to the unit may be made with flexible connections to reduce possible unit operating sound transmission.
Filters
CAUTION
To prevent property damage due to fire and loss of equipment efficiency or equipment damage due to dust and lint build-up on internal parts, never operate the unit without an air filter installed in the return air system.
Even though a return air filter is not supplied with this unit, there must be a means of filtering all return air. All units may be externally filtered.
Refer to the unit filter size chart in the appendix for filter size information.
Filters installed external to the unit should be sized in accordance with their manufacturer recommendations. A throwaway filter must be sized for a maximum face velocity
of 300 feet per minute.
Filter Installation
IMPORTANT NOTE: When installing a filter, the air flow arrows on the filter must point toward the circulator blower.
| UNIT | 2 Ton | 2 1/2 Ton | 3 Ton | 3 1/2 & 4 Ton | 5 Ton |
| Min. Filter Size | (1)20 x 20 x 1 | (1)20 x 25 x1 | (1)25 x 25 x1 | (2)20 x 20 x 1 | 2(20) x 25 x1 |
Filter Size Recommendations
VENTING
NOTE: Venting is self-contained. Do not modify or block.
Installation – Flue Hood Exhaust
- Locate the flue hood assembly box in the unit.
- Slide screen over flanges on the lower flue hood.
- Slide screen and lower flue hood into hood.
- Using the three screws provided, attach the hood (with the opening facing down) over the flue exhaust opening in the utility panel.

Installation – Combustion Air Intake Hood
- Locate the second hood.
- Using the three screws provided, attach the hood (with the opening facing down) to the heat exchanger access door.

CONDENSATE DRAIN
Condensate Drain Connection
A 3/4” NPT drain connection is supplied for condensate piping. An external trap must be installed for proper condensate drainage.

NORMAL SEQUENCES OF OPERATION
Heating
This unit is equipped with an ignition control that automatically lights the main burner. DO NOT attempt to light the main burners by any other method.
- R and W thermostat contacts close, initiating a call for heat.
- Integrated control module performs safety circuit checks.
- Inducer draft blower is energized for 30 second prepurge period causing pressure sensor contacts to close.
- At the end of pre-purge period, integrated control module transitions the induced draft blower to light-off setting.
- Once the light-off pressure setting is verified by the integrated control module, the spark igniter and gas valve are energized for 4 seconds.
NOTE: The igniter produces a very intense electrical spark that ignites the gas. - Integrated control module monitors flame presence. Gas valve will remain open only if the flame is detected
- The 5-second HEAT FAN ON delay time begins after main burner lights.
- The unit delivers heat to the conditioned space until the thermostat is satisfied; integrated control module monitors safety circuits continuously
- R and W thermostat contacts open, completing the call for heat; gas valve de-energizes.
- Induced draft blower keeps operating for 30-second post purge.
- Ignition control begins timing the HEAT FAN OFF delay. There is an adjustable HEAT FAN OFF delay of approximately 90/120/150/180 seconds (factory set at 150).

NOTE: This delay allows any additional heat in the heat exchanger to be transferred to the conditioned space. After the HEAT FAN OFF delay time has elapsed, the blower will de-energize.
Cooling
- Thermostat calls for low or high stage cooling.
- If the thermostat call is for low stage cooling, the compressor and outdoor fan are energized at low stage. If the thermostat call is for high stage cooling, the compressor and outdoor fan are energized at high stage.
- The indoor blower will energize approximately 6 seconds later
- The unit delivers cooling to the conditioned space until the thermostat is satisfied.
- The compressor and outdoor fan will be de-energized when the thermostat opens.
- The indoor blower continues to run at low cool speed for approximately 60 seconds after the thermostat is satisfied. This allows additional cooling from the indoor coil to be transferred to the conditioned space. Then, the indoor blower is de-energized.
NOTE: A 180-second anti-short cycle is integral to the control and prevents recycling of the compressor.
Fan Only
- Thermostat calls for FAN ONLY by energizing “G”.
- Indoor blower is energized at fan only speed.
- The indoor blower is immediately de-energized once thermostat call for FAN is removed.
STARTUP, ADJUSTMENTS, AND CHECKS
Heating Startup
This unit is equipped with an electronic ignition device to automatically light the main burners. It also has a power vent blower to exhaust combustion products.
On new installations, or if a major component has been replaced, the operation of the unit must be checked.
Check unit operation as outlined in the following instructions. If any sparking, odors, or unusual sounds are encountered, shut off electrical power and check for wiring errors, or obstructions in or near the blower motors. Duct covers must be removed before operating unit.
Burner Limit Control
The burner temperature switch is mounted on the burner box assembly to monitor the burner box temperature. It is normally closed (electrically), auto-reset sensor. An input
to the control is provided by the normally closed blocked burner switch. An open blocked burner switch interrupts current to the gas valve which closes the valve. This switch guards against the burner flames not being properly drawn into the heat exchanger.
Secondary Limit Control
The secondary limit control is located on the top of the blower scroll assembly. This control opens when elevated temperatures are sensed. Elevated temperatures at the
control are normally caused by blower failure. The reason for the opening should be determined and repaired prior to resetting.
If the power to the unit is interrupted during the heating cycle, it may cause the secondary limit to trip. Once the blower compartment temperature drops below the limit
reset temperature, the limit will automatically reset.

Pre-Operation Checks
- Close the manual gas valve external to the unit.
- Turn off the electrical power supply to the unit.
- Set the room thermostat to its lowest possible setting.
- Remove the heat exchanger door on the side of the unit by removing screws.
- This unit is equipped with an ignition device which automatically lights the main burner. DO NOT try to light burner by any other method.
- Move the gas control valve switch to the OFF position. Do not force.
- Wait five minutes to clear out any gas
- Smell for gas, including near the ground. This is important because some types of gas are heavier than air. If you have waited five minutes and you do smell gas, immediately follow the warnings near the beginning of this manual. If having waited for five minutes and no gas smell is noted, move the gas control valve switch to the ON position.
- Replace the heat exchanger door on the side of the unit.
- Open the manual gas valve external to the unit.
- Turn on the electrical power supply to the unit.
- Set the thermostat to desired setting.
Gas Supply And Manifold Check
Gas supply pressure and manifold pressure with the burners operating must be as specified on the rating plate.
Gas Supply Pressure Measurement
NOTE: Use adapter kit #0151K00000S to measure gas pressure on White-Rodgers 36J22Y gas valves.
CAUTION
To prevent unreliable operation or equipment damage, the inlet gas supply pressure must be as specified on the unit rating plate with all other household gas fired appliances operating.
The line pressure supplied to the gas valve must be within the Inlet Gas Supply Pressure range specified. The supply pressure can be measured at the gas valve inlet pressure tap or at a hose fitting installed in the gas piping drip leg. The supply pressure must be measured with the unit OFF. To measure inlet pressure, use the following procedure.

- Turn OFF gas to furnace at the manual gas shutoff valve external to the furnace.
- Turn OFF all electrical power to the system.
- Inlet pressure tap connections:
a. White-Rodgers Valve: Back inlet pressure test screw (inlet pressure tap out one turn (counterclockwise, not more than one turn). - Connect manometer (or appropriate pressure gauge) at either the gas valve inlet pressure tap or the gas piping drip leg. See White-Rodgers 36J22Y-204 gas valve for location of inlet pressure tap.
- Turn ON the gas supply.
- Turn On power and operate the furnace and all other gas consuming appliances on the same gas supply line. 5. Using a leak detection solution or soap suds, check for leaks at screw (White-Rodgers valve). Bubbles forming indicate a leak. SHUT OFF GAS AND REPAIR ALL LEAKS IMMEDIATELY!
- Measure the gas supply pressure with burners firing. Adjust supply pressure using the Inlet Gas Supply Pressure table shown below. If supply pressure reading differs from the table, make necessary adjustments to pressure regulator, gas piping size, etc., and/or consult with local gas utility.
White-Rodgers Model 36J22 Connected to ManometerINLET GAS SUPPLY PRESSURE Natural Gas Mi n. 5.0″ W.C., Ma x. 10.0″ W.C. - urn OFF all electrical power and gas supply to the system.
- Remove the manometer hose from the hose barb fitting or inlet pressure Tap.
- Replace inlet pressure tap:
a. White-Rodgers Valve: Turn inlet pressure test screw in to seal pressure port (clockwise, 7 in-lb minimum). - Retest for leaks. If bubbles form, shut down gas and repair leaks immediately.
- If there are no leaks, turn ON electrical power and gas supply to the system.
- Turn valve switch ON.
NOTE: If measuring gas pressure at the drip leg, a field-supplied hose barb fitting must be installed prior to making the hose connection. If using the inlet pressure Tap on the White-Rodgers gas valve, then use the 36G/J Valve Pressure Check Kit, Goodman Part No. 0151K00000S.
Gas Manifold Pressure Measurement and
Adjustment
CAUTION
To prevent unreliable operation or equipment damage, the gas manifold pressure must be as specified on the unit rating plate. Only minor adjustments should be made by adjusting the gas valve pressure regulator.
Only small variations in gas pressure should be made by adjusting the gas valve pressure regulator. The manifold pressure must be measured with the burners operating.
To measure and adjust the manifold pressure, use the following procedure.
- Turn OFF gas to furnace at the manual gas shutoff valve external to the furnace.
- Turn OFF all electrical power to the system.
- Outlet pressure tap connections:
a. White-Rodgers Valve: Back outlet pressure test screw (outlet pressure Tap) out one turn (counterclockwise, not more than one turn). - Connect manometer (or appropriate pressure gauge) at the gas valve outlet pressure tap. See WhiteRodgers 36J22Y-204 gas valve for location of outlet pressure tap.
- Turn ON the gas supply.
- Turn ON power and close thermostat “R” and “W” contacts to provide a call for heat.
- Using a leak detection solution or soap suds, check for leaks at outlet pressure tap screw (White-Rodgers valve). Bubbles forming indicate a leak. SHUT OFF GAS AND REPAIR ALL LEAKS IMMEDIATELY!
- Measure the gas manifold pressure with burners firing. Adjust manifold pressure using the following Manifold Gas Pressure table.
White-Rodgers Model 36J22 Connected to ManometerManifold Gas Pressure Natural Gas 2.8″ – 3.2″ w.c. The Manifold Gas Pressure must be within the range specified.
- Remove regulator cover screw from the outlet pressure regulator and turn screw clockwise to increase pressure or counterclockwise to decrease pressure. Replace regulator cover screw.
- Turn OFF all electrical power and gas supply to the system.
- Remove the manometer hose from the hose barb fitting or outlet pressure tap.
- Replace outlet pressure tap:
a. White-Rodgers Valve:
Turn outlet pressure test screw in to seal pressure port (clockwise, 7 in-lb minimum). - Turn ON electrical power and gas supply to the system.
- Close thermostat contacts to provide a call for heat.
- Retest for leaks. If bubbles form, SHUT OFF GAS AND REPAIR ALL LEAKS IMMEDIATELY!
Gas BTU Input (Natural Gas Only) Check
To measure the gas input use a gas meter and proceed as follows:
- Turn off gas supply to all other appliances except the unit.
- With the unit operating, time the smallest dial on the
meter for one complete revolution. If this is a 2 cubic foot dial, divide the seconds by 2; if it is a 1 cubic foot dial, use the seconds as is. This gives the seconds per cubic foot of gas being delivered to the unit. - INPUT=GAS HTG VALUE x 3600 / SEC. PER CUBIC FOOT
Example: Natural gas with a heating value of 1000 BTU per cubic foot and 36 seconds per cubic foot as determined by
Step 2, then:
Input = 1000 x 3600 / 36 = 100,000 BTU per Hour.
NOTE: BTU content of the gas should be obtained from the gas supplier. This measured input must not be greater than shown on the unit rating plate. - Relight all other appliances turned off in step 1. Be sure all pilot burners are operating.
Temperature Rise Check
Check the temperature rise through the unit by placing thermometers in supply and return air registers as close to the unit as possible. Thermometers must not be able to
sample temperature directly from the unit heat exchangers, or false readings could be obtained.
- All registers must be open; all duct dampers must be in their final (fully or partially open) position and the unit operated for 15 minutes before taking readings.
- The temperature rise must be within the range specified on the rating plate.

Checking Temperature Rise
NOTE: Air temperature rise is the temperature difference between supply and return air.
With a properly designed system, the proper amount of temperature rise will normally be obtained when the unit is operated at rated input with the recommended blower
speed.
If the correct amount of temperature rise is not obtained, it may be necessary to change the blower speed. A higher blower speed will lower the temperature rise. A slower
blower speed will increase the temperature rise.
NOTE: Blower speed MUST be set to give the correct air temperature rise through the unit as marked on the rating plate.
External Static Pressure Check
The total external static pressure must be checked on this unit to determine if the airflow is proper.
- Using a digital manometer measure the static pressure of the return duct at the inlet of the unit (Negative Pressure).

- Measure the static pressure of the supply duct (Positive Pressure).
- Add the two readings together.
NOTE: Both readings may be taken simultaneously and read directly on the manometer is so desired. - Consult proper table for quantity of air.
If the external static pressure exceeds the minimum or maximum allowable statics, check for closed dampers, dirty filters, undersized or poorly laid out ductwork.
Blower Speed Adjustments
WARNING
To avoid personal injury or death due to electric shock, remove electrical power from the unit before changing speed taps on the blower motors.
EEM Motors
NOTE: Refer to the wiring diagram in the appendix to verify speed tap settings.
A/GPU3 models are equipped with EEM motors. EEM motors are constant torque motors with very low power consumption. This motor is energized by 24V. Adjust the
CFM for the unit by changing the 24V low voltage leads to the speed terminal block on the motor.
| FAN ONLY | HEATING | COOLING | ||||||
| SPEED TAP | DEFINITION | LEAD COLOR | SPEED TAP | DEFINITION | LEAD COLOR | SPEED TAP | DEFINITION | LEAD COLOR |
| T1 | Fan Only | Green | T2 | High Speed | T4 | Low Speed | Yellow | |
| T3 | Low Speed | White | T5 | High Speed | ||||
Single Stage Models
NOTE: Heating airflow must be adjusted to provide the temperature rise shown on rating plate.
Limit Check
Check limit control operation after 15 minutes of operation by blocking the return air grille(s).
- After several minutes the main burners must go OFF. Blower will continue to run.
- Remove air restrictions and main burners will relight after a cool down period of a few minutes.
Adjust the thermostat setting below room temperature.
- Main burners must go OFF.
- Circulating Air Blower will continue to run for 90, 120, 150 or 180 seconds, depending on the setting.
NOTE: If necessary, adjust fan OFF delay settings to obtain satisfactory comfort level.
WARNING
This unit must be used as a “construction heater” during the finishing phases of construction on a new structure. This type of use may result in premature failure of the unit die to extremely low return air temperatures and exposure to corrosive or very dirty atmosphere.
Unit Shutdown
- Set the thermostat to lowest setting.
- Turn off the electrical power supply to the unit.
- Remove the heat exchanger door on the side of the unit by removing screws.
- Move the gas control valve switch to the OFF position. Do not force.
- Close manual gas shutoff valve external to the unit.
- Replace the heat exchanger door on the unit.
- If cooling and/or air circulation will be desired, turn ON the electrical power.
Cooling Startup
NOTE: The outdoor temperature must be 60°F or higher before making adjustments to charge.
NOTE: Check all manual reset limit controls in heating circuit if cooling mode does not operate.
Compressor Protection Devices
The compressor includes components which are designed to protect the compressor against abnormal operating conditions.
WARNING
To prevent personal injury or death, always disconnect electrical power before inspecting or servicing the unit. NOTE: All compressor protection devices reset automatically, energizing the contactor and outdoor fan.
WARNING
Do not bypass safety devices.
Refrigerant Charge Check
After completing airflow measurements and adjustments the unit’s refrigerant charge must be checked. The unit comes factory charged, but this charge is based on 325 CFM per ton and minimum ESP per AHRI test conditions (generally between .15-.28 ESP). When air quantity or ESP is different than above, the refrigerant charge must be adjusted to the proper amount. All package units with fixed orifice devices are charged using the super heat method at the compressor suction line.
After superheat is adjusted it is recommended to check unit sub-cooling at the condenser coil liquid line out. For charge adjustments, see superheat and sub-cooling charts show for each model.
Checking Subcooling
NOTE: Units with a TXV should be charged to Subcooling only.
SUBCOOLING FORMULA = SATURATED LIQUID LINE TEMPERATURE – LIQUID LINE TEMPERATURE
EXAMPLE:
a. Liquid Line Pressure = 417 PSI
b. Corresponding Temp. = 120°F
c. Thermometer on Liquid line = 109°F.
To obtain the amount of subcooling, subtract 109°F from 120°F. The difference is 11° subcooling. See the specification sheet or technical information manual for the
design subcooling range for your unit.
SUBCOOLING FORMULA = SATURATED LIQUID LINE TEMPERATURE – LIQUID LINE TEMPERATURE
Checking Superheat
EXAMPLE:
a. Suction Pressure = 143 PSI
b. Corresponding Temp. = 50°F
c. Thermometer on Suction Line = 59°F
To obtain the degrees temperature of superheat, subtract 50.0 from 59.0°F. The difference is 9° Superheat. The 9° Superheat would fall in the ± range of allowable superheat.
SUPERHEAT = SUCTION LINE TEMP – SAT. SUCTION TEMP.
Superheat Adjustment
NOTE: Superheat adjustments should not be made until indoor ambient conditions have stabilized. This could take up to 24 hours depending on indoor temperature and humidity. Before checking superheat run the unit in cooling for 10-15 minutes or until refrigerant pressures stabilize. Use the fol¬lowing guidelines and methods to check unit
operation and ensure that the refrigerant charge is within limits.
For TXV systems, to adjust superheat, unscrew the cover from the expansion valve, locate the adjustment screw, and turn it clockwise (in) to increase superheat or counterclockwise (out) to decrease superheat. It is recommended to make small adjustments at a time, 1/8-1/4 turn increments. Replace adjustment cap. Wait a minimum
of 10 minutes between adjustments to allow time for the TXV and pressures to stabilize.
Refrigerant Charge Check
NOTE: For optimal performance, follow charging instructions below.
(Units with Fixed Orifice Devices)
All package units with fixed orifice devices are charged using the superheat method at the compressor suction line. To increase super heat, remove charge and to decrease
super heat, add charge. After superheat is adjusted, it is recommended to check unit subcooling at the condenser coil liquid line. See Design Superheat and Subcooling table
for targets on each model.
(Units with Expansion valve (TXV))
Single Stage Cooling Application: Refer to the Design Superheat & Subcooling table.
Two-Stage Cooling Application: Run unit on Low Stage cooling and refer to Design Superheat & Subcooling table.
- Purge gauge lines. Connect service gauge manifold to access fittings. Run system at least 10 minuets to allow pressure to stabilize.
- Temporarily install thermometer on liquid (small) line near liquid line access fitting with adequate contact and insulate for best possible reading.
- Check subcooling and superheat. System should have a subcooling and superheat within the range listed on the Design Superheat and Subcooling table.
a. If subcooling and superheat are low, adjust TXV superheat, then check subcooling.
NOTE: To adjust superheat, turn the valve stem clockwise to increase and counterclockwise to decrease.
b. If subcooling is low and superheat is high, add charge to raise subcooling then check superheat.
c. If subcooling and superheat are high, adjust TXV valve superheat, then check subcooling.
d. If subcooling is high and superheat is low, adjust TXV valve superheat and remove charge to lower the subcooling.
NOTE: Do NOT adjust the charge based on suction pressure unless there is a gross undercharge. - Disconnect manifold set, installation is complete.
| Design Superheat & Subcool | |||||
| Model | Superheat ±2°F | Subcooling ±1°F | Expansion Device | Cooling Stage | Outdoor Ambient (°F ) |
| *PUM324***41 | 7 | – | Piston | high | 95 |
| *PUM330***41 | 4 | – | Piston | high | 95 |
| *PUM336***41 | 5 | – | Piston | high | 95 |
| *PUM342***41 | 7 | – | Piston | high | 95 |
| *PUM348***41 | 15 | – | Piston | high | 95 |
| *PUM361***41 | 6 | 8 | TXV | low | 82 |
Cooling Operation
NOTE: Mechanical cooling cannot be reliably provided at ambient temperatures below 50° F.
- Turn on the electrical power supply to the unit.
- Place the room thermostat selector switch in the COOL position (or AUTO if available, and if automatic changeover from cooling to heating is desired).
- Set the room thermostat to the desired temperature.
TROUBLESHOOTING
Ignition Control Error Codes
The following presents probable causes of questionable unit operation. Refer to Diagnostic Indicator Chart for an interpretation of the signal and to this section for an
explanation.
Remove the control box access panel and note the number of diagnostic LED flashes. Refer to Diagnostic Indicator Chart for an interpretation of the signal and to this section for an explanation.
Fault Recall
The ignition control is equipped with a momentary pushbutton switch that can be used to display on the diagnostic LED the last five faults detected by the control. Any time the control is powered, the fault code history can be retrieved for display by depressing and releasing the button once (less than 5 seconds); the LED will flash the Fault Code History (up to 5 fault codes from newest to oldest). The Fault Code History is retained between power cycles until cleared. A fault code is added to the history log as it is encountered if it differs from the most recent history log item. If the history log is already full, then the oldest entry is dropped from the log and the remaining entries are moved down in the Fault Code History so that the new fault can be added to the Fault Code History as the most recent fault.
NOTE: Do not hold for longer than 5 seconds. Holding the button for 5 seconds or higher will erase the memory!

Resetting From Lockout
An external lockout occurs if the integrated ignition control determines that a measurable combustion cannot be established within three (3) consecutive ignition attempts. If flame is not established within the four (4) second trial for ignition, the gas valve is de-energized, 30 second interpurge cycle is completed, and ignition is re-attempted. The control will repeat this routine three times if a measurable combustion is not established. The control will then shut off the induced draft blower and go into a lockout state. If flame is established but lost, the control will energize the circulator blower at the heat speed and then begin a new ignition sequence. If flame is established then lost on subsequent attempts, the control will recycle the ignition sequence.
The diagnostic fault code is 1 flash for a lockout due to failed ignition attempts. The integrated control will automatically reset after one hour, or it can be reset by removing the thermostat signal or disconnecting the electrical power supply for over five seconds.
IMPORTANT NOTE: If you have to frequently reset your gas/electric package unit, it means that a problem exists that should be corrected. Contact a qualified servicer for further information.
Pressure Sensor
The pressure sensor is mounted near induced draft blower. Its function is to regulate the induced draft blower’s speed in order to maintain proper air-fuel ratio for clean and reliable combustion. The electrical output signal from the sensor is expected to be proportional to the magnitude of the differential pressure between the inducer inlet negative pressure and the ambient air pressure. The pressure sensor also guards against insufficient airflow (combustion air and flue products) through the heat exchanger. At the beginning of a call for heat, the control ensures the inducer is in an off state, then checks the pressure sensor output for the proper null offset value. If the pressure sensor output is outside the acceptable range for the null value, the control enters a five minute lockout. After the lockout timer has expired, the control resumes normal operation.
During inducer operation, including all operating modes except for the null test, the control monitors the pressure sensor output for expected values. The control limits
during normal operation are expected to be within certain tolerances of the target pressures. In response to a pressure sensor span error, the control enters a five minute
lockout. After the lockout timer has expired, the control resumes normal operation.
Primary Limit
A primary limit will open due to excessive supply air temperatures. This can be caused by a dirty filter, excessive duct static, insufficient air flow, or a faulty limit. Check filters, total external duct static, blower motor, blower motor speed tap (see wiring diagram), and limit. This limit will automatically reset once the temperature falls below a preset level.
If a limit switch opens, the gas valve is immediately deenergized, the induced draft and air circulating blowers are energized. The induced draft and air circulator blowers remain energized for 5 minutes or until the limit switch recloses, whichever happens first.
NOTE: If the primary limit opens three (3) times within the same call for heat, the ignition control will lock out for one (1) hour with the air circulating blower energized at high heat speed.
Flame Detected with Gas Valve Closed
If flame is detected with the gas valve de-energized, the combustion and air circulator blowers are energized. The control can be reset by removing the power supply to the unit or it will automatically reset after one hour. Miswiring is the probable cause for this fault. The initial lockout period is 5 minutes. After that time, the control continues to monitor the flame sense input and resumes normal operation when flame is no longer sensed.
Low Flame Signal
Under some conditions, the fuel or air supply can create a nearly invisible coating on the flame sensor. This coating acts as an insulator causing a drop in the flame signal. If
the flame signal drops below a predetermined value, the ignition control will display an error code of (1) flash on the amber diagnostic LED. The unit will continue to operate
until the control can no longer detect flame.
Burner Temperature Switch
The burner temperature switch is mounted on the burner box assembly to monitor the burner box temperature. It is normally closed (electrically), auto-reset switch. This switch guards against the burner flames not being properly drawn into the heat exchanger.
The control senses an open blocked burner switch, indicating that the burner temperature/pressure has exceeded its set point. The control de-energizes the gas valve, energizes the inducer to the pre-purge setting and energizes the indoor blower. The initial lockout period is five minutes. After this time elapses, the control evaluates the
state of the blocked burner switch. If the switch is closed, the control resumes normal operation. The control will enter a one hour lockout state if the blocked burner switch fails to reset before the recovery timer has expired.
ID Plug
The control operational parameters are stored in ID Plug which connects on the circuit board. The control requires a valid ID plug present to operate in heating mode. If a valid ID plug is not present the control will not respond to a call for heat. However, the control will respond to thermostat inputs “Y” or “G”, operating the appropriate fan output. The cooling delays are ignored in this operating mode. The control puts the burner into hard lockout and will not respond to heating requests until the power is cycled with a valid ID plug installed.
Abnormal Operation – Cooling
Short Cycle Compressor Delay
In the event of intermittent power losses or intermittent thermostat operation, the control system will delay output to the compressor contactor for three minutes from the time power is restored or thermostat call for cooling is restored. (Compressor is off a total of three minutes).
NOTE: Some electronic thermostats also have a built-in compressor short cycle timer that may be longer than the three minute delay given above. If you are using an electronic thermostat and the
compressor has not started after three minutes, wait an additional five minutes to allow the thermostat to complete its short cycle delay time.
High Pressure Switch/Low Pressure Switch
Some models include a high pressure cutout switch and/ or a low pressure switch. The high pressure cutout switch protects the refrigeration system from excessive operating
pressures. The low pressure switch protects the refrigeration system from very low operating pressures due to a loss of refrigerant. Compressor operation will be disabled if either of these devices opens.
MAINTENANCE
WARNING
HIGH VOLTAGE
Disconnect ALL power before servicing or installing this unit. Multiple power sources may be present. Failure to do so may cause property damage, personal injury or death.
Have the gas heating section of the unit checked at least once a year before the heating season begins, to be sure that the combustion air inlet and flue outlet hoods are not blocked by debris, which would prevent adequate combustion air and a properly operating vent system.
Filter Replacement or Cleaning
A return air filter is not supplied with this unit; however, there must be a means of filtering all of the return air. The filter(s) may be located in the return air duct(s), or return air filter grille(s). Consult with your installing dealer for the actual location of the return air filter(s) for your unit. Dirty filters are the most common cause of inadequate heating or cooling performance. Filter inspection should be made at least every two months; more often if necessary because of local conditions and usage.
Dirty throwaway filters should be discarded and replaced with a new, clean filter. Dirty permanent filters should be washed with water, thoroughly dried and sprayed with a filter adhesive before being reinstalled (Filter adhesives may be found at many hardware stores). Permanent filters should last several years. However, should one become torn or uncleanable, it should be replaced.
Cabinet Finish Maintenance
Use a fine grade automotive wax on the cabinet finish to maintain the finish’s original high luster. This is especially important in installations with extended periods of direct
sunlight.
Clean Outside Coil (Qualified Servicer Only)
The coil with the outside air flowing over it should be inspected annually and cleaned as frequently as necessary to keep the finned areas free of lint, hair and debris. Condenser, Evaporator, and Induced Draft Motors Bearings on the air circulating blower motor, condenser motor and the combustion fan motor are permanently lubricated. No additional oiling is required.
Flame Sensor (Qualified Servicer Only)
A drop in the flame current can be caused by a nearly invisible coating on the flame sensor. This coating, created by the fuel or combustion air supply, can be removed by carefully cleaning the flame sensor with steel wool.
NOTE: After cleaning, the microamp signal should be stable and in the range of 5-10 microamps DC.
Flue Passages (Qualified Servicer Only)
At the start of each heating season, inspect and, if necessary, clean the unit flue passage.
Cleaning Flue Passages (Qualified Servicer Only)
- Shut off electric power and gas supply to the unit.
- Remove burner assembly by disconnecting the gas line and removing the manifold bracket from the partition panel.
- Remove the flue from the induced draft blower and the collector box cover from the partition panel.
- The primary heat exchanger tubes can be cleaned using a round wire brush attached to a length of high grade stainless steel cable, such as drain cleanout cable. Attach a variable speed reversible drill to the other end of the spring cable. Slowly rotate the cable with the drill and insert it into one of the primary heat exchanger tubes. While reversing the drill, work the cable in and out several times to obtain sufficient cleaning. Use a large cable for the large tube, and then repeat the operation with a small cable for the smaller tube. Repeat for each tube.
- When all heat exchanger tubes have been cleaned, replace the parts in the reverse order in which they were removed.
- To reduce the chances of repeated fouling of the heat exchanger, perform the steps listed in “Startup, Adjustments, and Checks”.
Burners

WARNING
To avoid personal injury or death due to electric shock, do not remove any internal compartment covers or attempt any adjustment. Contact a qualified servicer at once if an
abnormal flame should develop.
The Ultra low NOx models are equipped with premix burner. The burner box is sealed to achieve safe and reliable operation. The burner box should not have any blockage near the air-gas mixer inlet.
CAUTION
Label all wires prior to disconnection when servicing controls. Wiring errors can cause improper and dangerous operation.
CAUTION
Always verify proper operation after servicing.
For further information on the yearly inspection, consult the User Manual. It is recommended that a qualified servicer inspect and service the unit at least once each year. Turn the unit on at the thermostat. Wait a few minutes, since any dislodged dust will alter the normal flame appearance. Flames should be predominantly blue and directed into the tubes. They should not be yellow. They should extend directly outward from the burner ports without curling downward, floating or lifting off the ports.
ACCESSORIES AND FUNCTIONAL PARTS
Sheet Metal Accessories
Additional accessories can be purchased to fit specific application needs. Parts and instructions are available from your distributor.
FUNCTIONAL PARTS
| Auxiliary Limit Switch | Gas Orifice |
| Blower Housing | Gas Valve |
| Blower/Collector Box Gasket | Gas Manifold |
| Blower Wheel | Heat Exchanger |
| Burner Box | High Limit Switch |
| Burner Box Gasket | High Pressure Switch |
| Burner Temperature Switch | ID Plug |
| Capacitor | Igniter |
| Circulator Blower Motor | Ignition Control |
| Compressor | Induced Draft Blower |
| Condenser Coil | Pressure Sensor |
| Condenser Fan Blade | Pressure Sensor Hose |
| Condenser Fan Motor | Spark Igniter Module |
| Contactor | Thermostatic Expansion Valve |
| ECM Interface Module | Transformer |
| Evaporator Coil | Time Delay Relay |
| Flame Sensor | Low Pressure Switch |
General Information
- Refer to the description in Functional Parts List when ordering any of the listed functional parts. Be sure to provide the unit model and serial numbers with the order.
- Although only functional parts are shown, all sheet metal parts, doors, etc. may be ordered by description.
- Parts are available from your distributor.
APPENDIX
Diagnostic Chart
THE STATUS LIGHT ON THE FURNACE CONTROL MAY BE USED AS A GUIDE TO TROUBLESHOOTING THIS APPLIANCE. SOME MORE USEFUL STATUS LIGHT CODES ARE BELOW:

¹THE FAULT CONDITION MUST BE CLEARED FOR 30 SECONDS BEFORE NORMAL OPERATION CAN RESUME. A POWER CYCLE WILL ASLO RESET ANY LOCKOUT.
Unit Dimensions

| Model | Unit Dimensions (Inches) | Chassis Size | |||
| Height | |||||
| W | D | A | B | ||
| A/GPUM324***41** | 47 | 51 | 32 | 34 1/2 | Medium |
| A/GPUM330***41** | 47 | 51 | 32 | 34 1/2 | Medium |
| A/GPUM336***41** | 47 | 51 | 32 | 34 1/2 | Medium |
| A/GPUM342***41** | 47 | 51 | 40 | 42 1/2 | Large |
| A/GPUM348***41** | 47 | 51 | 40 | 42 1/2 | Large |
| A/GPUM361***41** | 47 | 51 | 40 | 42 1/2 | Large |

| Model | Duct Openings | |||
| Supply | Return | |||
| W | H | W | H | |
| A/GPUM324***41** | 16 | 16 | 16 | 16 |
| A/GPUM330***41** | 16 | 16 | 16 | 16 |
| A/GPUM336***41** | 16 | 16 | 16 | 16 |
| A/GPUM342***41** | 16 | 18 | 16 | 18 |
| A/GPUM348***41** | 16 | 18 | 16 | 18 |
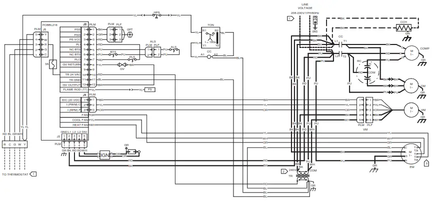
WIRING DIAGRAM
A/GPUM3 [24/30/36/42/48]***41
WARNING
HIGH VOLTAGE!
DISCONNECT ALL POWER BEFORE SERVICING OR INSTALLING THIS UNIT. MULTIPLE POWER SOURCES MAY BE PRESENT. FAILURE TO DO SO MAY CAUSE PROPERTY DAMAGE, PERSONAL INJURY OR DEATH.

COMPONENT LEGEND
| ALS | AUXILIARY LIMIT SWITCH |
| BTS | BURNER TEMPERATURE SWITCH |
| CC | COMPRESSOR CONTACTOR |
| CCH | CRANKCASE HEATER |
| CM | CONDENSER MOTOR |
| COMP | COMPRESSOR |
| EM | EVAPORATOR MOTOR |
| FPS | FREEZE PROTECTION SWITCH |
| FS | FLAME SENSOR |
| GND | EQUIPMENT GROUND |
| GPT | GAS PRESSURE TRANSDUCER |
| GV | GAS VALVE |
| HPS | HIGH PRESSURE SWITCH |
| IGN | IGNITOR |
| PLF | FEMALE PLUG/CONNECTOR |
| PLM | MALE PLUG/CONNECTOR |
| PLS | PRIMARY LIMIT SWITCH |
| RC | RUN CAPACITOR |
| TON | ON – DELAY TIMER RELAY |
| TR | TRANSFORMER |
| VM | VENT MOTOR |
WIRE CODE
| BK | BLACK |
| BL | BLUE |
| BR | BROWN |
| GR | GREEN |
| GY | GRAY |
| OR | ORANGE |
| PK | PINK |
| PU | PURPLE |
| RD | RED |
| TN | TAN |
| WH | WHITE |
| YL | YELLOW |
NOTES
- REPLACEMENT WIRE MUST BE SAME SIZE AND TYPE OF INSULATION AS ORIGINAL (AT LEAST 105° C). USE COPPER CONDUCTORS ONLY. USE N.E.C. CLASS 2 WIRE FOR ALL LOW VOLTAGE FIELD CONNECTIONS. USE COPPER CONDUCTORS FOR UNIT SUPPLY POWER.
- FOR 208V SUPPLY POWER, MOVE WIRES FROM THE 240V TAP TO THE 208V TAP.
- TO CHANGE COOLING SPEED, MOVE YL WIRE TO EITHER THE T4 (LOW COOL) OR T5 (HIGH COOL) SPEED TAP. TO CHANGE THE HEATING SPEED, MOVE WH WIRE TO EITHER THE T2 (LOW HEAT) OR T3 (HIGH HEAT) SPEED TAPS.
FACTORY WIRING
HIGH VOLTAGE
LOW VOLTAGE
OPTIONAL HIGH VOLTAGE
OPTIONAL LOW VOLTAGE
CHASSIS GROUND
FIELD WIRING
HIGH VOLTAGE
LOW VOLTAGE
EARTH GROUND
THE STATUS LIGHT ON THE FURNACE CONTROL MAY BE USED AS A GUIDE TO TROUBLESHOOTING THIS APPLIANCE. SOME MORE USEFUL STATUS LIGHT CODES ARE BELOW:
¹THE FAULT CONDITION MUST BE CLEARED FOR 30 SECONDS BEFORE NORMAL OPERATION CAN RESUME. A POWER CYCLE WILL ALSO RESET ANY LOCKOUT.
0140G04631-A
Wiring is subject to change. Always refer to the wiring diagram on the unit for the most up-to-date wiring.
WARNING
HIGH VOLTAGE!
DISCONNECT ALL POWER BEFORE SERVICING OR INSTALLING THIS UNIT. MULTIPLE POWER SOURCES MAY BE PRESENT. FAILURE TO DO SO MAY CAUSE PROPERTY DAMAGE, PERSONAL INJURY OR DEATH.

COMPONENT LEGEND
| ALS | AUXILIARY LIMIT SWITCH |
| BTS | BURNER TEMPERATURE SWITCH |
| CC | COMPRESSOR CONTACTOR |
| CCH | CRANKCASE HEATER |
| CM | CONDENSER MOTOR |
| COMP | COMPRESSOR |
| EM | EVAPORATOR MOTOR |
| FPS | FREEZE PROTECTION SWITCH |
| FS | FLAME SENSOR |
| GND | EQUIPMENT GROUND |
| GPT | GAS PRESSURE TRANSDUCER |
| GV | GAS VALVE |
| HPS | HIGH PRESSURE SWITCH |
| IGN | IGNITOR |
| PLF | FEMALE PLUG/CONNECTOR |
| PLM | MALE PLUG/CONNECTOR |
| PLS | PRIMARY LIMIT SWITCH |
| RC | RUN CAPACITOR |
| TON | ON – DELAY TIMER RELAY |
| TR | TRANSFORMER |
| VM | VENT MOTOR |
WIRE CODE
| BK | BLACK |
| BL | BLUE |
| BR | BROWN |
| GR | GREEN |
| GY | GRAY |
| OR | ORANGE |
| PK | PINK |
| PU | PURPLE |
| RD | RED |
| TN | TAN |
| WH | WHITE |
| YL | YELLOW |
NOTES
- REPLACEMENT WIRE MUST BE SAME SIZE AND TYPE OF INSULATION AS ORIGINAL (AT LEAST 105° C). USE COPPER CONDUCTORS ONLY. USE N.E.C. CLASS 2 WIRE FOR ALL LOW VOLTAGE FIELD CONNECTIONS. USE COPPER CONDUCTORS FOR UNIT SUPPLY POWER.
- FOR 208V SUPPLY POWER, MOVE WIRES FROM THE 240V TAP TO THE 208V TAP.
FACTORY WIRING
HIGH VOLTAGE
LOW VOLTAGE
OPTIONAL HIGH VOLTAGE
OPTIONAL LOW VOLTAGE
CHASSIS GROUND
FIELD WIRING
HIGH VOLTAGE
LOW VOLTAGE
EARTH GROUND
THE STATUS LIGHT ON THE FURNACE CONTROL MAY BE USED AS A GUIDE TO TROUBLESHOOTING THIS APPLIANCE. SOME MORE USEFUL STATUS LIGHT CODES ARE BELOW:

¹THE FAULT CONDITION MUST BE CLEARED FOR 30 SECONDS BEFORE NORMAL OPERATION CAN RESUME. A POWER CYCLE WILL ALSO RESET ANY LOCKOUT.
0140G04631-A
Wiring is subject to change. Always refer to the wiring diagram on the unit for the most up-to-date wiring.
BLOWER PERFORMANCE DATA
| A/GPUM32404041 – Rise Range: 25° – 55° | |||||||||||||
| E.S.P. | T1 FAN ONLY SPEED | T2 HEATING SPEED | T3 HEATING SPEED | T4 COOLING SPEED | T5 COOLING SPEED | ||||||||
| CFM | WATTS | RISE | CFM | WATTS | RISE | CFM | WATTS | RISE | CFM | WATTS | CFM | WATTS | |
| 0.1 | 700 | 76 | 48 | 1080 | 197 | 42 | 733 | 65 | 34 | 1020 | 153 | 1119 | 208 |
| 0.2 | 665 | 84 | 51 | 1032 | 204 | 44 | 703 | 74 | 36 | 985 | 160 | 1110 | 216 |
| 0.3 | 614 | 91 | 55 | 988 | 212 | 46 | 664 | 83 | 38 | 946 | 168 | 1083 | 222 |
| 0.4 | 561 | 98 | 60 | 948 | 220 | 47 | 604 | 91 | 41 | 905 | 175 | 1052 | 229 |
| 0.5 | 505 | 105 | 67 | 902 | 225 | 50 | 536 | 98 | 44 | 863 | 183 | 1017 | 237 |
| 0.6 | 438 | 114 | 77 | 859 | 231 | 52 | 483 | 105 | 49 | 813 | 190 | 979 | 243 |
| 0.7 | 374 | 119 | 90 | 813 | 238 | 55 | 430 | 111 | X | 759 | 199 | 934 | 250 |
| 0.8 | 318 | 125 | 106 | 770 | 245 | 58 | 381 | 119 | X | 701 | 206 | 879 | 259 |
| A/GPUM33006041 – Rise Range: 30° – 60° | ||||||||||||
| E.S.P. | T1 FAN ONLY SPEED | T2 HEATING SPEED | T3 HEATING SPEED | T4 COOLING SPEED | T5 COOLING SPEED | |||||||
| CFM | WATTS | CFM | WATTS | RISE | CFM | WATTS | RISE | CFM | CFM | WATTS | ||
| WATTS | ||||||||||||
| 0.1 | 891 | 113 | 1196 | 190 | 34 | 891 | 113 | 44 | 1202 | 246 | 1285 | 278 |
| 0.2 | 831 | 119 | 1147 | 197 | 36 | 831 | 119 | 46 | 1173 | 251 | 1238 | 284 |
| 0.3 | 780 | 127 | 1102 | 204 | 37 | 780 | 127 | 47 | 1143 | 258 | 1189 | 293 |
| 0.4 | 714 | 135 | 1054 | 212 | 38 | 714 | 135 | 50 | 1110 | 265 | 1146 | 300 |
| 0.5 | 639 | 146 | 1009 | 221 | 39 | 639 | 146 | 54 | 1073 | 272 | 1105 | 306 |
| 0.6 | 555 | 153 | 955 | 230 | 40 | 555 | 153 | 60 | 1035 | 278 | 1058 | 314 |
| 0.7 | 502 | 159 | 897 | 238 | 41 | 502 | 159 | X | 994 | 285 | 1011 | 324 |
| 0.8 | 444 | 165 | 828 | 245 | 42 | 444 | 165 | X | 947 | 293 | 948 | 329 |
| A/GPUM3606041 – Rise Range: 30° – 60° | ||||||||||||
| E.S.P. | T1 FAN ONLY SPEED | T2 HEATING SPEED | T3 HEATING SPEED | T4 COOLING SPEED | TS COOLING SPEED | |||||||
| CFM | WATTS | CFM | WATTS | RISE | CFM | WATTS | RISE | CFM | WATTS | CFM | WATTS | |
| 0.1 | 870 | 107 | 1216 | 228 | 31 | 870 | 107 | 42 | 1448 | 342 | 1533 | 408 |
| 0.2 | 792 | 118 | 1149 | 234 | 32 | 792 | 118 | 44 | 1403 | 343 | 1470 | 419 |
| 0.3 | 685 | 130 | 1083 | 246 | 33 | 685 | 130 | 48 | 1358 | 354 | 1416 | 428 |
| 0.4 | 623 | 138 | 1014 | 252 | 34 | 623 | 138 | 51 | 1319 | 361 | 1360 | 434 |
| 0.5 | 549 | 143 | 919 | 265 | 38 | 549 | 143 | 54 | 1277 | 366 | 1307 | 446 |
| 0.6 | 479 | 144 | 850 | 272 | 41 | 479 | 144 | 55 | 1232 | 376 | 1247 | 455 |
| 0.7 | 411 | 155 | 781 | 280 | 43 | 411 | 155 | 58 | 1176 | 386 | 1177 | 468 |
| 0.8 | 343 | 161 | 717 | 285 | 44 | 343 | 161 | X | 1120 | 395 | 1104 | 478 |
| A/GPUM34208041 – Rise Range: 30° – 60° | ||||||||||||
| E.S.P. | T1 FAN ONLY SPEED | T2 HEATING SPEED | 13 HEATING SPEED | T4 COOLING SPEED | T5 COOLING SPEED | |||||||
| CFM | WATTS | CFM | WATTS | RISE | CFM | WATTS | RISE | CFM | WATTS | CFM | WATTS | |
| 0.1 | 1090 | 146 | 1363 | 249 | 40 | 1304 | 221 | 43 | 1542 | 392 | 1637 | 444 |
| 0.2 | 1024 | 156 | 1305 | 256 | 42 | 1242 | 230 | 45 | 1494 | 403 | 1593 | 454 |
| 0.3 | 960 | 165 | 1247 | 269 | 45 | 1185 | 241 | 46 | 1437 | 409 | 1541 | 459 |
| 0.4 | 867 | 173 | 1189 | 276 | 46 | 1126 | 249 | 49 | 1392 | 419 | 1497 | 473 |
| 0.5 | 791 | 183 | 1130 | 285 | 48 | 1054 | 258 | 52 | 1342 | 430 | 1450 | 478 |
| 0.6 | 710 | 191 | 1048 | 294 | 50 | 967 | 270 | 54 | 1295 | 440 | 1407 | 485 |
| 0.7 | 644 | 196 | 966 | 305 | 52 | 899 | 278 | 56 | 1238 | 447 | 1357 | 493 |
| 0.8 | 587 | 206 | 901 | 315 | 54 | 832 | 285 | 59 | 1183 | 454 | 1304 | 502 |
X = Not recommended for heat application
| A/GPUM34808041 – Rise Range: 30° – 60° | ||||||||||||
| E.S.P. | 71 FAN ONLY SPEED | 72 HEATING SPEED | 13 HEATING SPEED | T4 COOLING SPEED | TS COOLING SPEED | |||||||
| CFM | WATTS | CFM | WATTS | RISE | CFM | WATTS | RISE | CFM | WATTS | CFM | WATTS | |
| 0.1 | 1090 | 146 | 1363 | 249 | 40 | 1304 | 221 | 43 | 1851 | 679 | 1928 | 626 |
| 0.2 | 1024 | 156 | 1305 | 256 | 42 | 1242 | 230 | 45 | 1803 | 688 | 1874 | 639 |
| 0.3 | 960 | 165 | 1247 | 269 | 45 | 1185 | 241 | 46 | 1754 | 696 | 1836 | 647 |
| 0.4 | 867 | 173 | 1189 | 276 | 46 | 1126 | 249 | 49 | 1706 | 702 | 1780 | 658 |
| 0.5 | 791 | 183 | 1130 | 285 | 48 | 1054 | 258 | 52 | 1665 | 710 | 1735 | 671 |
| 0.6 | 710 | 191 | 1048 | 294 | 50 | 967 | 270 | 54 | 1619 | 719 | 1683 | 677 |
| 0.7 | 644 | 196 | 966 | 305 | 52 | 899 | 278 | 56 | 1573 | 727 | 1629 | 686 |
| 0.8 | 587 | 206 | 901 | 315 | 54 | 832 | 285 | 59 | 1528 | 739 | 1578 | 693 |
| A/GPUM36108041 – Rise Range: 30° – 60° | |||||||||||
| E.S.P. | Ti FAN ONLY SPEED | T2 HEATING SPEED | T3 LOW STAGE | T4 HIGH STAGE | 15 COOLING SPEED | ||||||
| CFM | WATTS | CFM | WATTS | RISE | CFM | WATTS | CFM | WATTS | CFM | WATTS | |
| 0.1 | 1156 | 158 | 1283 | 200 | 42 | 1420 | 284 | 2044 | 757 | 2107 | 602 |
| 0.2 | 1077 | 163 | 1224 | 210 | 44 | 1371 | 294 | 1996 | 770 | 2060 | 616 |
| 0.3 | 1015 | 172 | 1152 | 216 | 46 | 1318 | 302 | 1955 | 779 | 2015 | 622 |
| 0.4 | 930 | 179 | 1098 | 228 | 49 | 1268 | 313 | 1913 | 785 | 1972 | 644 |
| 0.5 | 839 | 193 | 1025 | 236 | 51 | 1217 | 326 | 1871 | 796 | 1930 | 649 |
| 0.6 | 759 | 200 | 945 | 249 | 53 | 1163 | 341 | 1828 | 803 | 1888 | 660 |
| 0.7 | 697 | 206 | 867 | 264 | 56 | 1101 | 347 | 1788 | 809 | 1850 | 664 |
| 0.8 | 632 | 216 | 806 | 271 | 61 | 1041 | 358 | 1742 | 822 | 1805 | 676 |
HOMEOWNER’S ROUTINE MAINTENANCE RECOMMENDATIONS
PA C K A G E U N I T S – D u a l F u e l & G a s
HOMEOWNER’S Routine Maintenance Recommendations
We strongly recommend a bi-annual maintenance checkup be performed by a qualified service agency before the heating and cooling seasons begin
WARNING
HIGH VOLTAGE
Disconnect all power before servicing or installing this unit. Failure to do so may cause property damage, personal injury or death.
Replace or Clean Filter
IMPORTANT NOTE: Never operate unit without a filter installed as dust and lint will build up on internal parts resulting in loss of efficiency, equipment damage and possible fire.
A return air filter is not supplied with this unit; however, there must be a means of filtering the return air. An indoor air filter must be used with your comfort system. A properly maintained filter will keep the indoor coil of your comfort system clean. A dirty coil could cause poor operation and/or severe equipment damage.
The installer of your unit can tell you where your filter(s) are and how to clean or replace them.
Check your return filter(s) at least once every two months. When they are dirty, replace or clean as required Disposable type filters should be replaced. Reusable type
filters may be cleaned.
NOTE: Reusable type filters should be washed with warm water, dried completely and sprayed with an adhesive according to the manufacturers recommendations.
You may want to ask your dealer about high efficiency filters. High efficiency filters are available in both electronic and non-electronic types. These filters can do a better job
of catching small airborne particles.
Improper filter maintenance is the most common cause of inadequate heating or cooling performance. Filters should be cleaned (permanent) or replaced (disposable) every two months or as required. When replacing a filter, it must be replaced with a filter of the same type and size and always make certain the air flow arrows on the filter point in the proper direction.
- Check the thermostat to confirm that it is properly set.
- Check the disconnect switch near the unit to confirm that it is closed.
- Check the electrical panel for tripped circuit breakers or failed fuses. Reset the circuit breakers or replace fuses as necessary.
- Check for blockage of the indoor air inlets and outlets. Confirm that they are open and have not been blocked
Condenser, Evaporator and Induced Draft Motors
The bearings on the air circulating blower motor, condenser motor and the combustion fan motor are permanently lubricated and require no further lubrication.
Compressor
The compressor motor is hermetically sealed and does not require additional oiling.
Annual Inspection (Qualified Servicer Only)
Your package unit should be inspected by a qualified installer, or service agency at least twice every year. This check should be performed before the heating and cooling seasons begin. This will ensure that adequate combustion air is being drawn and the vent system is working properly. Particular attention should be paid to the following items. Repair as necessary.
- Check physical support of the unit. Ensure it is sound without any sagging, cracks, or gaps, around the base.
- Check for obvious signs of deterioration of the unit.
- Flue Hood and Combustion Air Inlet. Check for blockage (wasp nest, etc.) and corrosion.
- Flue Hood (Qualified Servicer Only)
- Return Air Connection. Check for physical soundness and ensure that the connection is firmly sealed to the package unit casing.
- Heat exchanger. Check for corrosion and/or obstructions within the heat exchanger passageways.
- Burners. Check for proper ignition, burner flame, and flame sense.
- Wiring. Check wires for damage. Check electrical connections for tightness and/or corrosion.
- Filters. Check that filters are clean and in the proper placement in the unit or duct system.
- Louvers. Inspect air inlet louvers inside the heat exchanger compartments. Ensure the area is clean and free of dirt and debris.
Clean Outside Coil (Qualified Servicer Only)
The outdoor coil should be inspected annually. It is important to keep the outdoor coil clean. Dirt, leaves, or debris could restrict the airflow. If cleaning of the outdoor coil becomes necessary, hire a qualified servicer. Inexperienced people could easily puncture the tubing in the coil. by objects (rugs, curtains or furniture).
Before Calling Your Servicer
- Check for obstructions on the unit. Confirm that it has not been covered on the sides or the top. Remove any obstruction that can be safely removed. If the unit is
covered with dirt or debris, call a qualified servicer to clean it. - Check the filter. If it is dirty, clean or replace it.
STARTUP CHECKLIST
Residential Package – (Indoor Section)
Model Number……………………..
Serial Number………………………
ELECTRICAL
| Line Voltage (Measure L1 and L2 Voltage) | L1 – L2 | |
| ELECTRICAL Secondary Voltage (Measure Transformer Output Voltage) | R – C | |
| Blower Amps | ||
| Heat Strip 1 – Amps | ||
| Heat Strip 2 – Amps |
BLOWER EXTERNAL STATIC PRESSURE
| Return Air Static Pressure | IN. W.C. | |
| Supply Air Static Pressure | IN. W.C. | |
| Total External Static Pressure (Ignoring +/- from the reading above, add total here) | IN. W.C. |
TEMPERATURES
| Return Air Temperature (Dry bulb / Wet bulb) | DB °F | WB °F | |
| Cooling Supply Air Temperature (Dry bulb / Wet bulb) | DB °F | WB °F | |
| Heating Supply Air Temperature | DB °F | ||
| Temperature Rise | DB °F | ||
| Delta T (Difference between Supply and Return Temperatures) | DB °F |
GAS PRESSURES
| Gas Inlet Pressure | IN. W.C. | |
| Gas Manifold Pressure (Low Fire) | IN. W.C. | |
| Gas Manifold Pressure (High Fire) | IN. W.C. | |
| Gas Type (NG) = Natural Gas / (LP) = Liquid Propane |
Residential Package – (Outdoor Section)
ELECTRICAL
| Supply Voltage (Measure L1 and L2 Voltage | L1 – L2 | |
| Compressor Amps | ||
| Condenser Fan Amps |
PRESSURES / TEMPERATURES
| Suction Circuit (Pressure / Suction Line Temperature) | PSIG | TEMP | °F | ||
| Liquid Circuit (Pressure / Liquid Temperature) | PSIG | TEMP | °F | ||
| Outdoor Air Temperature (Dry bulb / Wet bulb) | SH | DB °F | WB °F |
SUPERHEAT / SUBCOOLING
Additional Checks
| Check wire routings for any rubbing | |
| Check product for proper draining | |
| Check for kinked pressure switch tubing. | |
| Check flue elbow for alignment and clamp tightness. | |
| Check screw tightness on blower wheel. | |
| Check factory wiring and wire connections. | |
| Check screw tightness on Outdoor Motor and Blade | |
| Check product for proper clearances as noted by installtion instructions |
°F to °C formula: (°F – 32) divided by 1.8 = °C °C to °F formula: (°C multiplied by 1.8) + 32 = °F
CUSTOMER FEEDBACK
We are very interested in all product comments.
Please fill out the feedback on one of the following links:
Goodman® Brand Products: (http://www.goodmanmfg.com/about/contact-us).
Amana® Brand Products: (http://www.amana-hac.com/about-us/contact-us).
You can also scan the QR code on the right for the product brand
you purchased to be directed to the feedback page.
![]() | ![]() |
| https://www.goodmanmfg.com/about/contact-us | http://www.amana-hac.com/about-us/contact-us |
Our continuing commitment to quality products may mean a change in specifications without notice.
19001 Kermier Rd, Waller, TX 77484
www.goodmanmfg.com
www.amana-hac.com
© 2022 Daikin Comfort Technologies Manufacturing, L.P.
® is a registered trademark of Maytag Corporation or its related companies and is used under license. All rights reserved.

White-Rodgers Model 36J22 Connected to Manometer
White-Rodgers Model 36J22 Connected to Manometer




















