caple FOS/4IN1/SS FOSSO 4 in 1 Steaming Water Tap Gunmetal

SAFETY INSTRUCTIONS
This steaming hot water tap is not intended for use by persons (including children) with reduced physical, sensory or mental capabilities, or lack of experience and knowledge unless they have been given supervision or instruction concerning the use of the appliance by a person responsible for their safety. Children should be supervised to ensure that they do not play with the appliance. Cleaning and user maintenance must not be made by children without supervision. This appliance is intended to be used in household and similar applications such as:
- Staff kitchen areas in shops, offices and other working environments.
- Farm Houses.
- By clients in hotels, motels and other residential type environments.
- Bed and breakfast type environments.
To avoid all risk, if the plug or power cable is damaged, it must only be replaced by a Caple appointed engineer. Do not wash children, hair or any pets in a sink within reach of this steaming water tap. Although there are safety features in place, the steaming water could cause scalding by release of near boiling water.This appliance can be used by children aged from 8 years and above if they have been given supervision or instruction concerning use of the appliance in a safe way and if they understand the hazard involved. Cleaning and user maintenance must not be made by children unless they are older than 8 and supervised. Keep the appliance and its cord out of the reach of children aged less than 8 years. Appliances can be used by persons with reduced physical, sensory or mental capabilities or lack of experience and knowledge if they have been given supervision or instruction concerning use of the appliance in a safe way and understand the hazards involved. Children must not play with this appliance. When not in use and before cleaning, always unplug the appliance.
IMPORTANT
Read the instruction manual carefully before using the appliance for the first time. This appliance is designed solely to dispense hot and cold water, also to dispense near boiling water. Other types of use are not permitted and may prove dangerous. Caple will not be held liable for any damage caused by the incorrect use of the appliance. Do not use any accessories or attachments not recommended by Caple as this may result in fire, electric shock or injury. To protect against fire, electrical shock and injury to persons, do not immerse cord or plugs in water or any other liquid. Never touch the under-counter parts of the appliance with wet or damp hands. Never touch the plug with wet or damp hands. Make sure the socket used is freely accessible at all times, enabling the appliance to be unplugged when necessary. Unplug directly from the plug only. Never pull the power cable as you could damage it. If the appliance is faulty, do not attempt to repair it. Unplug from the mains electric socket and contact Caple Service either by phone 0117 938 7420 or email [email protected].
Keep all packaging (including plastic bags, polystyrene foam etc) out of the reach and away from children. This appliance produces very hot, near boiling water and steam may form while it is in operation. Avoid contact with splashes of hot water or hot steam. Always follow the instructions and use the lever handles to control the product. Do not rest large or unstable objects on any part of the appliance. Do not rest vessels containing liquids, inflammable or corrosive materials on top of any part of the appliance.
IMPORTANT
Caple cannot be held responsible for injuries or losses caused by incorrect use or installation of this product. Please note that Caple reserve the right to invalidate the guarantee supplied with this product following incorrect installation or misuse of the appliance. The guarantee may become void in the event of the water filter not being replaced at the required six month intervals or it not being set to the correct setting as outlined in the filter installation instructions. Under no circumstances should any external covers be removed for servicing or maintenance except by suitably qualified personnel.
ENVIRONMENTAL PROTECTION
Waste electrical products should not be disposed of with household waste. Please recycle where facilities exist. Check with your Local Authority or retailer for recycling advice. This appliance is marked according to the European directive on Waste Electrical and Electronic Equipment (WEEE). By ensuring this product is disposed of correctly, you will help prevent potential negative consequences for the environment and human health, which could otherwise be caused by inappropriate waste handling of this product. The symbol on the product indicates that this product may not be treated as household waste. Instead it shall be handed over to the applicable collection point for the recycling of electrical and electronic equipment. Disposal must be carried out in accordance with local environmental regulations for waste disposal. For more detailed information about treatment, recovery and recycling of this product, please contact your local council, your household waste disposal service or the retailer where you purchased the product.
WARRANTY
Your new appliance is covered by warranty. The warranty card is enclosed – if it is missing, you must provide the following information to your retailer in order to receive a replacement: date of purchase, model and serial number. Registration can also be completed online by visiting www.caple.co.uk. Ensure you keep your warranty card safe, you may need to show it to Caple Service together with proof of purchase. If you fail to show your warranty card you will incur all repair charges. Spare parts are only available from Caple Service and spare parts authorised centres.
CE DECLARATIONS OF CONFORMITY
This appliance has been manufactured to the strictest standards and complies with all applicable legislation, Low Voltage Directive (LVD) and Electromagnetic Compatibility (EMC).
UKCA DECLARATIONS OF CONFORMITY
This appliance has been manufactured to the strictest standards and complies with all applicable legislation.
ACCESSORIES SUPPLIED
You will receive 3 separate boxes for this product:
- Tap
- BOILER3 – boiler tank
- PURITI8 – Filter and fixings
The contents of the boxes should be as follows:
TAP
- 1 x Tap and relevant fixings (including all flexi tails for hot, cold and boiling water connections)
BOILER
- 1 x Boiler
- 1 x Electronic Valve
- 1 x Flexi tail for electronic valve inlet (boiling water)
- 1 x Flexi tail for electronic valve inlet (filtered water)
- 1 x Steam release valve
- 1 x Flexi tail for boiler inlet
- 1 x Clear silicone steam release tube with threaded metal connector for plumbing
- 1 x Instruction book
- 1 x Hanging Plate
INCLUDED IN THE PURITI8 FILTER BOX:
- 1 x T-piece connector for main cold water to supply
- 2 x Push fit to thread adaptor
- 1 x Claris Ultra filter with installation guide
- 1 x Adjustable filter head and fittings
- 1 x Blue tube
- 2 x Water hardness testing strips
- 1 x Splitter for blue tube

INSTALLING THE FOSSO 4IN1 STEAMING HOT WATER TAP
- In order to prevent an electric shock, do not place electrical wires, plugs or the dispenser in a wet or damp location.
- If any cables or sockets have signs of damage, do not connect the appliance to the power supply. These should be replaced by a Caple Service agent.
- When installing the dispenser, you should allow 10 to 15cm of space around it for ventilation.
- You must never use a spare part which is not recommended by Caple.
- The temperature adjustment controls the water temperature, not the water flow.
- Do not ‘dry heat’ the water tank as this can cause heating of the pipes and the water tank will become damaged. You must ensure the tank has been filled with water before switching the boiler on at the mains.

FOSSO 4IN1 INSTALLATION
- The power outlet must be correctly earthed and also be able to be isolated by a switch.
- Use a separate circuit for the boiler, which is also correctly earthed.
- The tap can be installed into the sink or the worktop using a 35mm hole.
- The handle and electronic buttons will each require a 35mm cut-out into the worktop.
- Install the water boiler vertically, it must not be placed on its side. It can be stood on the base of the cabinet, but it is recommended to fix the boiler in position using the brackets provided.
INSTALLATION STEPS
- Install the tap, hot/cold handle and electronic buttons onto the sink or the worktop as shown below, and tighten the fixing screw.

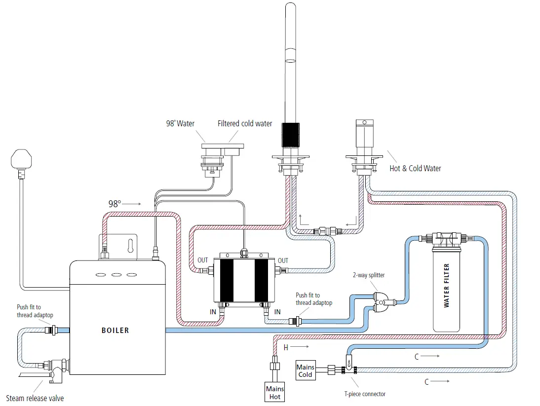
- Screw the Hot & Cold flexi hoses into the base of the hot/cold handle. The red hose connects to the hot water, the blue hose connects to the cold water. The boiling water flexible hose and the filtered water flexible hose connect to the base of the spout. The handle then needs to be connected to the spout via the additional flexi hose, as shown in the diagram here:

- Attach the T-piece connector to the Cold mains water supply, to allow a separate flow to go direct to the water filter. The Blue tube supplied with the filter, will need to be cut into 4 appropriate pieces. Connect one piece to the T-piece connecter via the push fit connection. The opposite end can then be attached to the inlet on the filter head. The filter comes supplied with a splitter. Using another piece of the blue piping, connect the filter head outlet to the splitter.

- Follow the instructions supplied with the filter and filter head to ensure it is installed correctly, and set to the correct setting for the water hardness in your area. Failure to do this will invalidate your guarantee.
- The hot & cold tap tails can be connected directly to the hot & cold mains water, and the boiling water and filtered water flex tails can connect to the outlets on the top of the electronic valve. The boiling water tail connects to the red ‘Out’ and the filtered water tail connects the blue ‘Out’ on the electronic valve.
- Attach the Boiler inlet flexi tail onto the valve on the side of the boiler. Connect the other end of the tail to one of the remaining blue tubes using the push fit to threaded adaptor. Connect the other end of the blue tube to one of the connections on the push fit splitter.

- Attach the cold valve inlet flexi tail to the blue ‘In’ on the electronic valve. Connect the other end of the tail to the remaining blue tube using the push fit to threaded adaptor. Connect the other end of the blue tube to one of the connections on the push fit splitter.
- Attach the hot valve inlet flexi tail to the red ‘In’ on the electronic valve. Connect the other end of the tail to the outlet on the top of the boiler.
- The clear silicone hose connects to the steam release valve on the side of the boiler, and can then be attached to the existing plumbing using the threaded metal connector.

- Once all of the connections have been made, turn on the standard cold/hot water supply by using the hot/cold handle to test the cold water (blue colour indicator) and hot water (red colour indicator). Switch it off after the flow becomes normal.
- Before powering on the boiler, turn on the boiling water supply (with child safety lock, press the boiling water button twice and then hold), until the water completely fills the boiler tank and begins to flow from the tap continuously. Let the water flow for at least 5 minutes in order to flush the tubes, boiler and filter.
WARNING:
Ensure this is done before the boiler is turned on to avoid dry boiling the tank and damaging the boiler. Only once the boiler has been flushed and is full of water should it finally be switched on. - Check all connections to ensure that no tubes are stretched or twisted and there are no leakages, then fix the boiler in the final location using the brackets supplied. The boiler must be installed upright.
To fix the boiler to the cabinet, remove the hanging plate from the packaging:- Mark the fixing location of the hanging bracket on the inside of the cabinet and install the bracket fixing screws into the cabinet.
- Using the nut and thread on the top of the boiler, fit the bracket.
- Fix the boiler in position by locating the bracket on the screws previously fixed into the cabinet.
- Tighten all screws to securely fix in place.

- Connect the boiler to the power supply. (PLEASE ENSURE THE BOILER TANK IS FULL OF WATER BEFORE SWITCHING ON, ANY DAMAGE CAUSED BY NOT FOLLOWING THIS INSTRUCTION WILL NOT BE COVERED BY THE GUARANTEE).
- Test the dispenser. Adjust the temperature of the boiler to the highest setting, wait for 10 minutes until you can hear the water boiling. The ‘HEATING’ light will illuminate whilst the boiler is heating. Once it has reached the desired temperature, ‘READY’ will be displayed.
NOTE:
It may take a few seconds for the water to begin to flow as it makes the way up the tube (the time will vary depending on the length of the tube). Always allow the water to run for a few seconds before using the steaming water to make a drink. This will ensure any water which may have cooled in the tube has been expelled first, allowing for a steaming hot beverage to be made.
OPERATION
Turn on the boiler press the button. To adjust the water temperature, press the and arrows on the control panel to increase and decrease the temperature. The temperature can be adjusted from approximately 25°C to 98°C. 
Once the required temperature has been selected, ‘HEATING’ will illuminate until the boiler has reached the set temperature. Once the set temperature has been reach, the ‘HEATING’ light will turn off, and ‘READY’ will illuminate to show the boiler is now ready to use.
To begin using the boiling water:
NOTE:
- Due to a safety feature, the boiling water will not start with a single press of the button.
- Press Boiling water button twice and then hold. Release the button to stop the boiling water.
- To begin using the filtered water:
- Press filtered water button once for water. Press again to stop the filtered water.
- In order to guarantee the performance and quality of your steaming water tap, do not stretch the tubes after installation, take extreme care not to touch any of the tubes or fixings.
- If the flow reduces this may be due to the filter needing replacement. The water filter must be replaced at least once every 6 months, failure to do this may invalidate the guarantee.
- If the boiler is not going to be used for a long period of time, please turn it off, and disconnect it from the power supply. Allow the steaming water to flow from the tap until it runs cold.
- When you are ready to use the boiler again, ensure you fill the tank completely before connecting the boiler to the power supply and setting the temperature control to the desired temperature setting. Failure to fill the tank prior to switching on may cause damage and invalidate the guarantee.
- It is important that the water filter is replaced at least every 6 months and installed according to the instructions supplied with the filter. Failure to correctly set the filter head to the correct setting or replace the filter when required will affect the performance of the boiler and cause scale build-up, this may invalidate the guarantee.
BOILER HEATING TIME
The below table shows the effect on the temperature of the water as water is drawn from the boiler. For example, if you take 1250ml of boiling water (enough for around 9 cups of tea) in one go, the remaining water in the boiler will drop to 96˚C and take around 245 seconds to heat back to 98˚C. ‘HEATING’ will illuminate on the temperature adjustment screen when the temperature drops below the set temperature. ‘READY’ will illuminate when it has heated back to the desired temperature.
NOTE:
The above data is based on tested water taken directly from the boiler tank, not the tap. The water temperature from the tap will be different depending on the length of the hose between the boiler and the tap.
TAP DIMENSIONS
FOS/4IN1

- Worktop cut-outs 35mm required
BOILER TECHNICAL SPECIFICATION
BOILER3


CARE AND MAINTENANCE
IMPORTANT
You must not perform any care or maintenance on this product without first switching off the power supply and disconnecting the boiler from the mains.
CLEANING
This product can be cleaned by simply using warm water with a small amount of mild detergent added. Use a soft cloth (not a scouring pad as this will damage the surface) and wipe the exterior of the boiler and tap. DO NOT use any abrasive cream cleaners (including Cif and Cillit Bang), these cleaning fluids can also damage the surface and remove the markings on the tank and tap surface.
REPLACING THE FILTER
Replacing a filter cartridge:
- Slowly unscrew the used cartridge by turning it counterclockwise. This will unlock it from the filter head and enable it to be removed. During this process, incoming tap water supply and outgoing filtered water valves in the filter head shut-off automatically.
The system will expand and a small amount of expansion water may escape from the flush hose due to peaks in pressure. Please keep this in mind and place a suitable container underneath the flush hose. - Open the flush/pressure release valve (see figure 1) and lead the rinsing hose into a suitable container (e.g. bucket) or to the drain.

- Remove the new filter cartridge from its packaging and check for any damage.
- Insert the filter cartridge into the filter head and turn the cartridge clockwise until it stops and end position is reached. The flow in the filter head is reopened and the system vented and flushed via the flush/ pressure release valve. Flush filter for 10 litres.
- Close the flush/pressure release valve (see figure 2) – the system is now ready for use.

- After replacing the filter cartridge, check all components for seal integrity, water must not escape from any point.
NOTE:
The flush water will be milky or cloudy at first. This is due to the dispersing air and will clear up quickly after flushing the cartridges with an appropriate volume of water. Now check that the cartridge position is correct by ensuring the mark on the filter cartridge aligns with the larger recession of the wall mounting bracket. When inserting the cartridge, check the position of the cartridge label. This should face forwards once in the end position so that all of the necessary information is visible. For further information please refer to the manual supplied with your filter.
TROUBLESHOOTING
Below is a table of possible malfunctions, this should help you to solve any problems without the need to contact Caple Service. 
If you have a problem which cannot be resolved by using the troubleshooting table please contact Caple Service, by telephone on 0117 938 7420 or by email at
Caple Service
- Fourth Way
- Avonmouth
- Bristol
- BS11 8DW
- T: 0117 938 1900
- E: [email protected] www.caple.co.uk






























