EUROTECH ED-WD106WH 10kg Washing Machine and 6kg Dryer Combination

PREFACE
This washing machine conforms to current safety requirements. Inappropriate use can, however, lead to personal injury and damage to property.
To avoid the risk of accidents and damage to the washing machine, please read this manual carefully before using it for the first time. They contain important information on its installation, safety, use and maintenance.
Keep this manual in a safe place for future reference.
Safety Notices
WARNING: Read and understand thoroughly these safty instructions before use.
The items indicated here are very important safety precautions.which must be followed .We cannot be held liable for damage caused by non-compliance with the warning and safety instructions of resulting from incorrect use of operation.
This appliance can be used by children aged from 8 years and above and persons with reduced physical sensory or mental capablilities of lack of experience and knowledge if they have been given supervison of instruction concerning used of the appliance in a safe way and understand the hazards involved.Children shall not paly with appliance.Cleaning and user maintenance shall not be made by children without supervision.Children of less than 3 years should be kept away unless continuously supervised.
Technical safty
- Before setting the washer-dryer, check it for any externally visible damage. Do not install or use a damaged washer-dryer .
- Before connceting the washer-dryer,ensure that the connection data on the plate(voltage and current)match the electricity supply.if in any doubt,consult a qualifiled electrician.
- The electrical safety of this washer-dryer can only be guaranteed when
continuity is complete between it and an effective earthing system which complies 0 with current local and national safety regulations.It is most important that this basic safety requirement is present and regularly tested,and where there is any doubt the household wiring system should be inspected by a qualified electrician. The manufacturer cannot be heldliable for the consequences of an inadequate earthing system. - Do not connect the washer-dryer to the mains electricity supply by an extension lead.Extension
leads do not guarantee the required safety of the appliance. - Unauthorized repairs could result in unforeseen dangers for the user,for which manufacturer can not accept liability. Repairs should only be undertaken by an approved service technician.Ensure current is not supplied to the machine until after maintenance of repair work has been carried out.
- If the connection cable is damaged or broken, it must only be replaced by an approved service technician to protect the user from danger.
- Faulty components must only be replaced by genuine manufacturer original spare parts.Only when these parts are fitted can the saftey standards of the machine be guaranteed.

Note THIS WASHER-DRYER MUST BE EARTHED.
Correct use
- To avoid the risk of personal injury of damage the washer-dryer,do not install it in place where it is damp and where it suffers from rainfall.
- Do not install the washer-dryer in place where if suffers from the sun directly,in which plastic or components will be damaged .It will be the life of your washer-dryer .
- Do not install the washer-dryer in place where temperatures below freezing may occur.Frozen hoses may burst or split.The reliability of the elecronic control unit may be impaired at temperatures below freezing point.
- Do not shoot the washer-dryer with water when you clean it.
- Keep the washer-dryer away from fire or heat sources.
- Before using the washer-dryer for the first time,check that the transit bolts at the rear of the machine have been removed.During spinning,transit bolts which is still in place may result in damage to both the machine and adjacent furniture or appliances.
- Turn off the tap if the machine is to be left any length of time (e.g.holiday),especially if there is no floor drain(gully) in the immediate vicinity.
- Take care to ensure that foreign objects(e.g.nails,pins,coins,paper clips) do not find their way into the machine with the laundry.These may damage components of the machine (e.g.drum),which in turn can result in damage to the laundry.
- Do not wash water-repellent things(e.g.raincoats) with washer-dryer.
- Only remove laundry from the washer-dryer once the drum has stopped turning.Reaching into a moving drum is extremly dangerous and could result in injury.

Safety with children
- Keep children away from the washer-dryer at all times.To avoid the risk of injury do not allow children to play on or near it or to play with its controls.Supervise children whilst you are using it.
- Older children may only use the washer-dryer if its operation has been clearly explained to them and they are able to use it safety, recongnising the dangers of misuse.
- For machine with a “prothole”door,remember that the porthole glass will be hot when washing at very high temperatures. Do not let children touch it.

Parts and features


Note: The drawing of machine in the manual is only use for instruction. It may be vary from the model y ou buy.
Backout packing
- Remove all the packing(include the foam base) or the vibration and noise may occur.
- Dispose all the wrappage safety and keep them out of the reach of children.Danger of suffocation!
- It is normal that water drops appear on the packing plastic bag and the door glass, which are resulted from the water left in the tub for checking out.

Accessories
Make sure that you have received all of the items shown below.

Removing transit bolts
- Remove all the transit bolts at the back of the machine with tools.
- Plug the holes with the transit bolts caps supplied.
- Keep the transit bolts for future transportation. whenever the machine is transported,the transit bolts must be refitted.
Note Strong vibration,noise or failures may occur if hte transit boltsare not removed.

Installation
Installation place requirement
- A concrete floor is the most suitable installation surface for a washerdryer, being far less prone to vibration during the spin cycle than wooden floorboards or carpeted surface.
- The machine must be level and securely positioned. The distance between the machine and wall must be more than 10 cm .
- To avoid vibrations during spinning.the machine should not be installed on softfloor coverings.

Level adjustment
The machine must stand perfectly level on all four feet to ensure safe and proper operation.Incorrect installation may increase electricity and water comsuption and may cause the machine to move about.
To do these when the machine is not level:
- Using the spanner turn locknut in clockwise direction. T hen turn locknuts together with adjust feet to unscrew.
- To avoid vibrations during spinning.the machine should not be installed on soft floor coverings.
- To avoid vibrations during spinning.the machine should not be installed on soft floor coverings.

Note Vibration and noise may occur if the locknuts do not sit firmly up against the houses.
Drain hose connection
- Direct into a sink
If the outlet spigot has not been used before.remove any blanking plug that may be in place.
Push the drain hose onto the spigot and secure with a clip if required,ensure a loop is formed in the drain hose to prevent waste from the sink entering the washer-dryer. If required,the drain hose can be extended to a length of 4 m.
- Connected securely to a standpipe
Firstly form a hook in the end of the drain hose using “U” piece supplied.
Place the drain hose into your standpipe,which should have an internal diameter of approximately 30mm thus ensuring there is an air break between the drain hose and standpipe.
When discharging into a standpipe ensure that the top fo the standpipe is no more than 90cm and no less than 60cm above floor level.

Water inlet connection
Connect the inlet hose supplied with the machine to a tap with a 3/4″ thread.
Do not use previously employed hoses.
Installation should comply with local water authority and building regulations ‘ requirements.

Connect a water supply to the inlet valve at back of the machine. Follow the indication of the picture below to complete the connection.

Functions of the control panel
The operation panel is used models:XQG100-DT614VE

- Start/pause ( 1>00 )
Press this button to start or pause a wash cycle. The door can not be open when the machine pauses.
You can press this button for 3 seconds to pause wash cycle and add clothes, but if the water level or the temperature of the drum is high, the door will not open. - Dry
Select the time for drying. If you want to dry laundries after washing, select this button.
Press the button repeatedly to select drying times orderly: 0,60,90, 120,150,180,210,240,270, 300,330 ,360,390 minutes. The required lamp will light up for identification. - Temp
Press this button repeatedly to change the wash temperature. The detail is in the form on page 7. - Speed Press this button repeatedly to change the spin speed. The detail is in the form on page 7.
- Rinse+ Press this button repeatedly to change the rinse times. The detail is in the form on page 7.
- Knob
Turn this knob clockwise or anticlockwise to select the required wash program. Once the “Start/Pause” button is pressed and the machine is running, the program can not be changed.
The detail is in the form on page 7.
(Note: At the end of a wash cycle, the knob must be turned to the position “O”)
Note: For your safety, please not turn the knob to the position “o” and get clothes while the machine is running. Because the temperature of water may be high and it may scald you. The door lock will open automatically at the end of a wash cycle while the temperature of the drum is cool down.
Child lock (“Rinse+” + “Speed”)
The function of “Child lock” is to lock the control panel to prevent the misuse by children.
- press the “Rinse+” and “Speed” buttons at the same time for 3 seconds.
When the icon “c(w” is lighted up on the screen, the function works.This function can be selected during a washing cycle. - When this function works , all keys and knob are not available , except for the knob turn to the position “O”.
Mute (” Temp”)
The function of “Mute” is to close all the prompt tone and alert sounds.
How to start this function: Press the “Temp” button for 3 seconds.
How to cancel this function: Press the “Temp” button for 3 seconds again.
Icon explanation
Digital display: This icon shows the time, speed, rinse times, Error code.
Remaining time: this icon will shinning once the display show the remaining time.
Delay time: this icon will shinning once the display show the delay time.
Child lock: this icon will shinning once child lock function is selected, otherwise will gone.
Door lock: this icon will shinning when door lock is working, otherwise will gone.
Dry: the logo will be bright when selected the dry function, the logo will be flicked durinq the drvinq process.
Main wash: The logo will be bright in standby condition when selected the program with main wash function, the logo will be flicked when machine during operation, and the logo will stay bright when machine in pause condition, the logo will be t urn off when machine finishes operation.
Rinse: The logo will be bright in standby condition when selected the program with rinse function, the logo will be flicked when machine during operation, and the logo will stay bright when machine in pause condition, the logo will be turn off when machine finishes operation.
Final spin:The logo will be bright in standby condition, the logo will be flicked when machine during operation, and the logo will stay bright when machine in pause condition, the logo will be turn off when machine finishes operation.
The selectable options and functions of different programs

Note:
- These kinds of clothes should not be used for the dry program: clothes has the logo” 181, woolen clothes, silk, clothes contains leather or foam rubber, clothes washed by volatile solvent such as detergents and gasoline.
- For drying the clothes washing by hands, please choose the highest spin speed to spin the clothe , then choose the suitable dry program to dry the clothe.
- The clothes using to dry should not more than the weight marked in the table on page 7.
- The drying must use the tap water ,so be sure the tap is be opened and the water is cold.
- If drying to much clothes at one time, the drying effect is not ideal and the time may be long. If the clothes is not fully dry, please dry the clothes in several parts.
- For preventing burns, the machine will reduce the temperature of the drum before the dry program ended. It is normal that the time stops reducing on the display. Do not stop the machine during the cooling, since the temperature of the drum is still high, the door will not be opened.
- If you select the dry function, the default spinning speed and time will be the max. You can select the speed and time by yourself, according to the clothes washed.
- The program “Refresh” is using the dry function to refresh the clothes, so please make sure the water tap is open and don not put any detergent or softener into the machine.
How to use washer-dryer
Before washing clothes for the first time, you must run a complete cycle without clothes. Connect the power and turn on the tap ,turn the knob to position “Daily” and press “start/pause”.
It can remove the water which is left in the tub because of manufacturer’s checking out.
Washing preparation
1. Connect the inlet hoses well and turn on the tap.
2. After making sure the power socket is grounded reliably, insert the power plug into the power socket.
3. Place the drain hose well.
Preparation of clothes
- Sort the laundry by colour and by care label. Most garments have a textile care label in the collar or side seam.
- Make sure all the pockets are empty, Foreign objects (e.g. nails, coins, paper clips, etc.) can cause damage to garments and components in the machine. Diagram 1
- Close any zips, fasten hooks and eyes etc before washing.
- Dark textiles often contain excess dye and should be washed separately several times before being included in a mixed load. Always wash whites and coloureds separately.
- Badly soiled areas, stains etc. should be pre-treated with liquid detergent.stain removers etc.,,,
- Turn over the clothes which pill easily and is with the woolen surface before putting them into the machine.


Put clothes into the washer-dryer
Unfold the laundry and load loosely in the drum. Mixing both large and small items gives better wash results and also helps distribute the load evenly during spinning.
The most efficient use of energy and water is achieved when a full load is washed.
However, do not overload as this causes creases and reduces cleaning efficiency.

Make sure that no garments are caught between the door and the seal.
Using the detergent drawer
- Open the drawer and add adequate detergent into main wash compartment marked “\.!!J” or ” II “.
- Add the fabric softener into compartment marked. Do not exceed the maximum level mark.
- Add the detergent into the pre-wash compartment marked or” I “according to the program you select.
- Close the drawer.
The right amount to dispenser will depend on the following:- The quantity of laundry
- The soiling level of the laundry
- Lightly soiled : no visible dirt or stains. Possibly slight body odour.
- Normally soiled: visibly dirty and/or just a few slight stains.
- Heavily soiled : visible dirt and stains and/or dried on soiling.
- The water hardness level.

Note: It is recommended to use low foaming powder for all washing temperature programs.
Washing steps
- Turn on the water tap, and connect the power.
- Open the door, and put the cloth into the drum one by one.
- Close the door, and put suitable amount of detergent and fabric softener into the dispenser, then close the drawer.
- Choose a programme you need by turning the knob .
- Press the “Temp.” button and select a wash temperature.
- Press” Start/Pause” button to start the washer-dryer.
- When the cycle is finished, there is a warning tone sounds.
Programme chart

NOTE When washing cycle is finished, the machine will change into standby mode. And the power will be off after 1 O minutes without any control on the control panel.
Cleanness and maintenance
Disconnect the machine from the mains electricity supply and withdraw the plug from the socket before cleaning the machine.
The washer-dryer must not be hosed down.
Cleaning the exterior
Clean the exterior with a mild non-abrasive cleaning agent or soap and water using a well wrung-out cloth. Wipe dry with a soft cloth.
Do not use solvents, abrasive cleaners, glass cleaners or all-purpose cleaning agents.
These might damage plastic surfaces and other components because of the chemicals they contain.
The washing drum
Clean the drum every 3 months by using the “Drum Clean” program.
Cleaning the drawer
Remove detergent residues regularly. Clear the drawer following these:
- Pull out the drawer until a resistance is felt. Press down the release catch and at the same timepull the drawer right out of the machine.
- Remove the siphon from compartment and clean it.
- Clean the dispenser using a brush and warm water.

Cleaning the drawer housing
Use a bottle brush to remove detergent residuesinside the drawer housing.
Cleaning the water inlet filter
Use pointed nose pliers to with draw the plastic filter.Clean, put back and secure. These filter should be checked every 6 months or so, or more often if there are frequent interruptions to the water supply.

Cleaning the drain pump filter

- Disconnect the machine from the mains electricity supply and open the lower cover with a screwdriver.
- Place a container under the pump. Unscrew and remove the filter.
- Clean the filter carefully
Important: If the machine is exposed to temperatures below 0°C, certain precautions should be taken.
- Turn off the water tap.
- Unscrew the inlet hose.
- Unhook the drain hose from the rear support and position the end of this hose and that of the inlet hose in a bowl. Run the spin programme.
- Disconnect the appliance.
- Screw the inlet hose and reposition the drain hose.
- When you intend to start the machine up again, make sure that the room temperature is above 0°C.
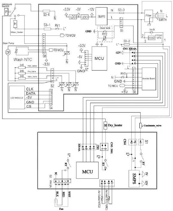
Eelctric Diagram

Oil-affected items can ignite spontaneously, especially when exposed to heat sources such as in a tumble dryer. The items become warm, causing an oxidation reaction in the oil. Oxidation creates heat. If the heat cannot escape, the items can become hot enough to catch fire. Piling, stacking or storing oil-affected items can prevent heat from escaping and so create a fire hazard.
If it is unavoidable that fabrics that contain vegetable or cooking oil or have been contaminated by hair care products be placed in a tumble dryer they should first be washed in hot water with extra detergent – this will reduce, but not eliminate, the hazard.
Environmental Protection
Correct Disposal of this product
This marking indicates that this product should not be disposed with other house hold wastes throughout the EU. To prevent possible harm to the environment or human health from uncontrolled waste disposal,recycle it responsibly to promote the sustainable reuse of material resources. To return your used device, please use the return and collection systems or contact the retailer where the product was purchased.They can take this product for environmental safe recycling.
TROUBLESHOOTING
| Problem | Error Code | Possible Cause | Solutions |
| The machine fills overtime. | “E01” is on the screen. |
|
|
| There is a Door lock alarm. | “E02” is on the screen. |
|
|
| The machine drains overtime. | “E03” is on the screen. |
|
|
| Water overflows the machine. / Water sensor works abnormal. | “E04” is on the screen. |
|
|
The motor does not work. | “E05” is on the screen. |
|
|
| There is a heating tube fault. | “E06” is on the screen. |
|
|
| There is a temperature sensor fault. | “E0T’ is on the screen. |
|
|
| long cooling | “Ede” is on the screen. | 1 .The dry cooling time is over ten minute at the end of drying. |
|
| Inverter fails to start | “E09” is on the screen. |
|
|



















