LEDISONS LDM90-1 IR Motion Sensor

IR MOTION SENSOR
FUNCTIONS

- Day/night function: The motion sensor switches your lights on as soon as you want. With the LUX button you can set from how much lux the lamps should be switched on. This can be up to 10 lux (turn towards the minus). If you turn the knob all the way to the right, the motion detector can also be used during the day.
- Time delay: You can use the TIME button to set how long the lamps should remain lit after a movement is detected (10 sec to 7 min). Each newly recognized movement resets the timer.
INSTALLATION
- Turn off the power.
- Loosen the screw in the back and unload the bottom. (Fig. 1)

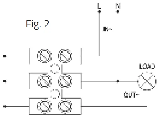
- Loose the screws in the connection terminal, and then connect the power to connection terminal of sensor according to connection wire diagram. (Fig. 2)

- Fix the bottom with the screw into the selected position. (Fig. 1)
- Install the sensor.
- Turn on the power and test the sensor.
TEST BEFORE USE
- Turn the TIME knob anti-clockwise on the minimum (10s).Turn the LUX knob clockwise on the maximum (sun).
- Switch on the power; the sensor and its connected lamp will have no signal at the beginning. After Warm-up 30sec, the sensor can start work .If the sensor receives the induction signal, the lamp will turn on. While there
is no another induction signal any more, the load should stop working within 10 sec ± 3 sec and the lamp would turn off. - Turn LUX knob anti-clockwise on the minimum (-). If the ambient light is more than 3LUX, the sensor would not work and the lamp stop working too. If the ambient light is less than 10LUX (darkness), the sensor would work. Under no induction signal condition, the sensor should stop working within 10 sec ± 3 sec.
TECHNICAL DATA
| MAIN VOLTAGE & FREQUENCE | 220-240V ~ 50Hz | OPERATING TEMPERATURE | -20°C – +40°C |
| AMBIENT LIGHT | <10-2000 LUX | RATED LOAD | Max. 1200 W / 300W LED |
| TIME DELAY | Min. 10 sec (± 3 sec) Max. 7 min (± 2 min) | DETECTION RANGE | 180° |
| DETECTION DISTANCE | 12m max (<24°C) | POWER CONSUMPTION | 0,5 Watt |
| OPERATING HUMIDITY | <93% RH | INSTALLATION HEIGHT | 1,8 – 2,5 m |
| DETECTION MOVING SPEED | 0,6 – 1,5 m/s |
PROBLEM SOLVING
THE LOAD DOES NOT WORK
- Please check if the connection of power source and load is correct.
- Please check if the ambient temperature is too high.
- Please check if the settings of working light correspond to ambient light.
THE SENSITIVITY IS POOR
- Please check if there is any hindrance in front of the detector to affect it to receive the signals.
- Please check if the ambient temperature is too high.
- Please check if the induction signal source is in the detection field.
- Please check if the installation height corresponds to the height required in the instruction.
- Please check if the moving orientation is correct.
THE SENSOR CAN NOT SHUT OFF THE LOAD AUTOMATICALLY
- Please check if there is continual signal in the detection field.
- Please check if the time delay is set to the maximum position.
- Please check if the power corresponds to the instruction.
WARNINGS
- When testing in daylight, please turn LUX knob to (SUN) position, otherwise the sensor lamp could not work!
- If the lamp is more than 60W, the distance between lamp and sensor should be 60cm at least.
- Avoid pointing the detector towards objects with highly reflective surfaces, such as mirrors etc.
- Avoid mounting the detector near heat sources, such as heating vents, air conditioning units, light etc.
- Avoid pointing the detector towards objects that may move in the wind, such as curtains, tall plants etc.
- Must be installed by professional electrician.
- Danger of death through electric shock!
www.ledisons.com
Rendementstraat 5
8094 RA Hattemerbroek
The Netherlands

















