Electrolux LIT604 60cm Induction Hob

SAFETY INFORMATION
Before the installation and use of the appliance, carefully.The manufacturer is not responsible for any injuries or damage that are the result of incorrect installation or usage. Always keep the instructions in a safe and accessible location for future reference.
Children and vulnerable people safety
This appliance can be used by children aged from 8 years and above and persons with reduced physical, sensory or mental capabilities or lack of experience and knowledge if they have been given supervision or instruction concerning the use of the appliance in a safe way and understand the hazards involved. Children of less than 8 years of age and persons with very extensive and complex disabilities shall be kept away from the appliance unless continuously supervised. Children should be supervised to ensure that they do not play with the appliance. Keep all packaging away from children and dispose of it appropriately.
WARNING
The appliance and its accessible parts become hot during use. Keep children and pets away from the appliance when in use and when cooling down. If the appliance has a child safety device, it should be activated. Children shall not carry out cleaning and user maintenance of the appliance without supervision.
General Safety
This appliance is for cooking purposes only. This appliance is designed for single household domestic use in an indoor environment. This appliance may be used in, offices, hotel guest rooms, bed & breakfast guest rooms, farm guest houses and other similar accommodation where such use does not exceed (average) domestic usage levels.
WARNING
The appliance and its accessible parts become hot during use. Care should be taken to avoid touching heating elements.Unattended cooking on a hob with fat or oil can be dangerous and may result in fire. Never use water to extinguish the cooking fire. Switch off the appliance and cover flames with e.g. a fire blanket or lid. The appliance must not be supplied through an external switching device, such as a timer, or connected to a circuit that is regularly switched on and off by a utility.
CAUTION
The cooking process has to be supervised. A short term cooking process has to be supervised continuously.
WARNING
Danger of fire: Do not store items on the cooking surfaces. Metallic objects such as knives, forks, spoons and lids should not be placed on the hob surface since they can get hot. Do not use the appliance before installing it in the built-in structure. Do not use a steam cleaner to clean the appliance. After use, switch off the hob element by its control and do not rely on the pan detector. If the glass ceramic surface / glass surface is cracked, switch off the appliance and unplug it from the mains. In case the appliance is connected to the mains directly using junction box, remove the fuse to disconnect the appliance from power supply. In either case contact the Authorised Service Centre. If the supply cord is damaged, it must be replaced by the manufacturer, an authorized Service or similarly qualified persons in order to avoid a hazard. Use only hob guards designed by the manufacturer of the cooking appliance or indicated by the manufacturer of the appliance in the instructions for use as suitable or hob guards incorporated in the appliance. The use of inappropriate guards can cause accidents.
SAFETY INSTRUCTIONS
Installation
WARNING
Only a qualified person must install this appliance. Risk of injury or damage to the appliance
- Remove all the packaging.
- Do not install or use a damaged appliance.
- Follow the installation instructions supplied with the appliance.
- Keep the minimum distance from other appliances and units.
- Always take care when moving the appliance as it is heavy.
- Always use safety gloves and enclosed footwear.
- Seal the cut surfaces with a sealant to prevent moisture from causing swelling.
- Protect the bottom of the appliance from steam and moisture.
- Do not install the appliance next to a door or under a window.
- This prevents hot cookware from falling from the appliance when the door or the window is opened.
- Each appliance has cooling fans on the bottom.
- If the appliance is installed above a drawer:
- Do not store any small pieces or sheets of paper that could be pulled in, as they can damage the cooling fans or impair the cooling system.
- Keep a distance of minimum 2 cm between the bottom of the appliance and parts stored in the drawer.
- Remove any separator panels installed in the cabinet below the appliance.
Electrical Connection
WARNING
Risk of fire and electric shock.
- All electrical connections should be made by a qualified electrician.
- The appliance must be earthed.
- Before carrying out any operation make sure that the appliance is disconnected from the power supply.
- Make sure that the parameters on the rating plate are compatible with the electrical ratings of the mains power supply.
- Make sure the appliance is installed correctly. Loose and incorrect electricity mains cable or plug (if applicable) can make the terminal become too hot.
- Use the correct electricity mains cable.
- Do not let the electricity mains cable tangle.
- Make sure that a shock protection is installed.
- Use the strain relief clamp on the cable.
- Make sure the mains cable or plug if applicable does not touch the hot appliance or hot cookware, when you connect the appliance to a socket.
- Do not use multi-plug adapters and extension cables.
- Make sure not to cause damage to the mains plug if applicable or to the mains cable.
- Contact our Authorised Service Centre or an electrician to change a damaged mains cable.
- The shock protection of live and insulated parts must be fastened in such a way that it cannot be removed without tools.
- Connect the mains plug to the mains socket only at the end of the installation.
- Make sure that there is access to the mains plug after the installation.
- If the mains socket is loose, do not connect the mains plug.
- Do not pull the mains cable to disconnect the appliance.
- Always pull the mains plug.
- Use only correct isolation devices: line protecting cut outs, fuses screw type fuses removed from the holder, earth leakage trips and contactors.
- The electrical installation must have an isolation device which lets you disconnect the appliance from the mains at all poles.
- The isolation device must have a contact opening width of minimum 3 mm.
Use
WARNING
Risk of injury, burns and electric shock
- Do not change the specification of this appliance.
- Remove all the packaging, labelling and protective film if applicable before first use.
- Make sure that the ventilation openings are not blocked.
- Do not let the appliance stay unattended during operation.
- Set the cooking zone to off after each use.
- Do not put cutlery or saucepan lids on the cooking zones. They can become hot.
- Do not operate the appliance with wet hands or when it has contact with water.
- Do not use the appliance as a work surface or as a storage surface.
- If the surface of the appliance is cracked, disconnect immediately the appliance from the power supply. This to prevent an electrical shock.
- Users with a pacemaker must keep a distance of minimum 30 cm from the induction cooking zones when the appliance is in operation.
- When you place food into hot oil, it may splash.
WARNING
Risk of fire and explosion
Fats and oil when heated can release flammable vapours. Keep flames or heated objects away from fats and oils when you cook with them. The vapours that very hot oil releases can cause spontaneous combustion.Used oil, that can contain food remnants, can cause fire at a lower temperature than oil used for the first time. Do not put flammable products or items that are wet with flammable products in, near or on the appliance.
Risk of damage to the appliance
Do not keep hot cookware on the control panel. Do not put a hot pan cover on the glass surface of the hob. Do not let cookware boil dry. Be careful not to let objects or cookware fall on the appliance. The surface can be damaged. Do not activate the cooking zones with empty cookware or without cookware. Do not put aluminium foil on the appliance. Cookware made of cast iron or with a damaged bottom can cause scratches on the glass / glass ceramic. Always lift these objects up when you have to move them on the cooking surface.
Care and cleaning
- Clean the appliance regularly to prevent the deterioration of the surface material.
- Switch off the appliance and let it cool down before cleaning.
- Do not use water spray and steam to clean the appliance.
- Clean the appliance with a moist soft cloth. Use only neutral detergents. Do not use abrasive products, abrasive cleaning pads, solvents or metal objects.
Service
To repair the appliance contact the Authorised Service Centre. Use original spare parts only. Concerning the lamp inside this product and spare part lamps sold separately: These lamps are intended to withstand extreme physical conditions in household appliances, such as temperature, vibration, humidity, or are intended to signal information about the operational status of the appliance. They are not intended to be used in other applications and are not suitable for household room illumination.
Disposal
WARNING
Risk of injury or suffocation
Contact your municipal authority for information on how to dispose of the appliance.Cut off the mains electrical cable close to the appliance and dispose of it.
INSTALLATION
Before the installation
Before you install the hob, write down the information below from the rating plate. The rating plate is on the bottom of the hob.Serial number.
Built in hobs
Only use the built-in hobs after you assemble the hob into correct built-in units and work surfaces that align to the standards.
Connection cable
For a single phase or two phase connection, use the cable type: H03V2V2-F or H05BB-F which withstands a temperature of 90 °C or higher. To replace the damaged mains cable, use the cable: H03V2V2-F or H05BB-F which withstands a temperature of 90 °C or higher. Contact an Authorised Service Centre. The connection cable may only be replaced by a qualified electrician.
Assembly
If you install the hob under a hood, please see the installation instructions of the hood for the minimum distance between the appliances.

If the appliance is installed above a drawer, the hob ventilation can warm up the items stored in the drawer during the cooking process.
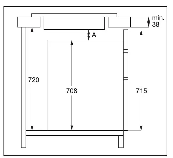
Combination with standard oven

Combination with double oven

- A = min. 6 mm, for double ovens from AEG, Electrolux and Zanussi.
- A = min. 12 mm, for double ovens from other brands.
- Find the video tutorial How to install your Electrolux Induction Hob Worktop installation by typing out the full name indicated in the graphic below.

PRODUCT DESCRIPTION
Cooking surface layout
Induction cooking zone.- Control panel
Control panel layout

Use the sensor fields to operate the appliance. The displays, indicators and sounds tell which functions operate.

Heat setting displays

OptiHeat Control 3 step Residual heat indicator
WARNING
As long as the indicator is on, there is a risk of burns from residual heat. As long as the indicator is on, there is a risk of burns from residual heat.The induction cooking zones produce the heat necessary for the cooking process directly in the bottom of the cookware. The glass ceramic is heated by the heat of the cookware. The indicators appear when a cooking zone is hot. They show the level of the residual heat for the cooking zones you are currently using. The indicator may also appear for the neighbouring cooking zones even if you are not using them, when hot cookware is placed on cold cooking zone, when the hob is deactivated but the cooking zone is still hot.The indicator disappears when the cooking zone has cooled down.
DAILY USE
WARNING
Activating and deactivating
Touch for 1 second to activate or deactivate the hob.
Automatic Switch Off
The function deactivates the hob automatically if all cooking zones are deactivated you do not set the heat setting after you activate the hob you spill something or put something on the control panel for more than 10 seconds a pan, a cloth, etc. An acoustic signal sounds and the hob deactivates. Remove the object or clean the control panel. the hob gets too hot e.g. when a saucepan boils dry. Let the cooking zone cool down before you use the hob again. you use incorrect cookware. The symbol comes on and the cooking zone deactivates automatically after 2 minutes. you do not deactivate a cooking zone or change the heat setting. After some time comes on and the hob deactivates. The relation between the heat setting and the time after which the hob deactivates.
The heat setting
To set or change the heat setting: Touch the control bar at the correct heat setting or move your finger along the control bar until you reach the correct heat setting.

Automatic Heat Up
Activate this function to get a desired heat setting in a shorter time. When it is on, the zone operates on the highest setting in the beginning and then continues to cook at the desired heating setting. To activate the function the cooking zone must be cold.To activate the function the cooking zone must be cold.To activate the function for a cooking
zone: touch ( comes on). Immediately touch a desired heat setting. After 3 seconds comes on. To deactivate the function: change the heat setting.
PowerBoost
This function makes more power available to the induction cooking zones. The function can be activated for the induction cooking zone only for a limited period of time. After this time the induction cooking zone automatically sets back to the highest heat setting.To activate the function for a cooking zone: touch . comes on. To deactivate the function: change the heat setting.
Timer
Count Down Timer
You can use this function to set the length of a single cooking session. First set the heat setting for the cooking zone, then set the function. To set the cooking zone: touch repeatedly until the indicator of a cooking zone appears. To activate the function: touch of the timer to set the time (00 – 99 minutes). When the indicator of the cooking zone starts to flash, the time counts down. To see the remaining time: touch to set the cooking zone. The indicator of the cooking zone starts to flash. The display shows the remaining time. To change the time: touch to set the cooking zone. Touch or To deactivate the function: touch to set the cooking zone and then touch . The remaining time counts down to 00. The indicator of the cooking zone disappears.When the countdown ends, an acoustic signal sounds and 00 flashes. The cooking zone deactivates.To stop the sound touch.
CountUp Timer
You can use this function to monitor how long the cooking zone operates. To set the cooking zone: touch repeatedly until the indicator of a cooking zone appears.
To activate the function: touch of the timer. appears. When the indicator of the cooking zone starts to flash, the time counts up. The display switches between and the counted time in minutes.
To see how long the cooking zone operates
Touch to set the cooking zone. The indicator of the cooking zone starts to flash. The display shows how long the zone operates. To deactivate the function: touch and
then touch or . The indicator of the cooking zone disappears.
Minute Minder
You can use this function when the hob is activated and the cooking zones do not operate. The heat setting display shows.To activate the function: touch and then touch or of the timer to set the time. When the time finishes, an acoustic signal sounds and 00 flashes.
To stop the sound
Touch The function has no effect on the operation of the cooking zones.
Pause
This function sets all cooking zones that operate to the lowest heat setting. When the function operates, all other symbols on the control panels are locked. The function does not stop the timer functions. Press to activate the function comes on. The heat setting is lowered to To deactivate the function: press previous heat setting comes on.
Lock
You can lock the control panel while cooking zones operate. It prevents an accidental change of the heat setting.
Set the heat setting first
To activate the function: touch . comes on for 4 seconds. The Timer stays on. To deactivate the function touch.The previous heat setting comes on.When you deactivate the hob, you also deactivate this function.
Child Safety Device
This function prevents an accidental operation of the hob. To activate the function: activate the hob with . Do not set any heat setting. Touch for 4 seconds. comes on. Deactivate the hob with. To deactivate the function: activate the hob with . Do not set any heat setting. Touch for 4 seconds. comes on. Deactivate the hob with to override the function for only one cooking time: activate the hob with comes on. Touch for 4 seconds. Set the heat setting in 10 seconds. You can operate the hob. When you deactivate the
hob with the function operates again.
Off Sound Control Deactivating and activating the sounds)
Deactivate the hob. Touch for 3 seconds. The display comes on and goes out. Touch for 3 seconds. or comes on. Touch of the timer to choose one of the following
- The sounds are off the sounds are on.
- To confirm your selection wait until the hob deactivates automatically.
- When the function is set to you can hear the sounds only when you touch.
- Minute Minder comes down
- Count Down Timer comes down you put something on the control panel.
Power management
If multiple zones are active and the consumed power exceeds the limitation of the power supply, this function divides the available power between all cooking zones. The hob controls heat settings to protect the fuses of the house installation. Cooking zones are grouped according to the location and number of the phases in the hob. Each phase has a maximum electricity loading (3700 W). If the hob reaches the limit of maximum available power within one phase, the power of the cooking zones will be automatically reduced. The heat setting of the cooking zone selected last is always prioritised. The remaining power will be divided between the previously activated cooking zones in
reverse order of selection. The heat setting display of the reduced zones changes between the initially selected heat setting and the reduced heat setting. Wait until the display stops flashing or reduce the heat setting of the cooking zone selected last. The cooking zones will continue operating with the reduced heat setting. Change the heat settings of the cooking zones manually, if necessary. Refer to the illustration for possible combinations in which power can be distributed among the cooking zones.

Hob Hood
It is an advanced automatic function which connects the hob to a special hood. Both the hob and the hood have an infrared signal communicator. Speed of the fan is defined
automatically on basis of mode setting and temperature of the hottest cookware on the hob. You can also operate the fan from the hob. For most of the hoods the remote system is originally deactivated. Activate it before you use the function.
Operating the function automatically
To operate the function automatically set the automatic mode to H1 – H6. The hob is originally set to H5. The hood reacts whenever you operate the hob. The hob
recognizes temperature of the cookware automatically and adjusts the speed of the fan.
Automatic modes
The hob detects the boiling process and activates fan speed in accordance with automatic mode. The hob detects the frying process and activates fan speed in accordance with automatic mode. This mode activates the fan and the light and does not rely on the temperature.
Changing the automatic mode
- Deactivate the appliance.
- Touch for 3 seconds. The display comes on and goes off.
- Touch for 3 seconds.
- Touch a few times until comes on.
- Touch of the Timer to select anNautomatic mode.
- To operate the hood directly on the hood panel deactivate the automatic mode of the function.
- When you finish cooking and deactivate the hob, the hood fan may still operate for a certain period of time.
- After that time the system deactivates the fan automatically and prevents you from accidental activation of the fan for the next 30 seconds.
Operating the fan speed manually
You can also operate the function manually. To do that touch when the hob is active. This deactivates automatic operation of the function and allows you to change the fan
speed manually. When you press you raise the fan speed by one. When you reach an intensive level and press again you will set fan speed to 0 which deactivates the hood fan. To start the fan again with fan speed 1 touch . To activate automatic operation of the function, deactivate the hob and activate it again.
Activating the light
You can set the hob to activate the light automatically whenever you activate the hob. To do so set the automatic mode to H1 – H6. The light on the hood deactivates 2 minutes after deactivating the hob.
HINTS AND TIPS
Cookware
For induction cooking zones a strong electro-magnetic field creates the heat in the cookware very quickly. Use the induction cooking zones with suitable cookware. The bottom of the cookware must be as thick and flat as possible. Ensure pan bases are clean and dry before placing on the hob surface. In order to avoid scratches, do not slide or rub the pot across the ceramic glass.
Cookware material
Correct cast iron, steel, enamelled steel, stainless steel, multi-layer bottom with a correct marking from a manufacturer not correct: aluminium, copper, brass, glass, ceramic, porcelain. Cookware is suitable for an induction hob if water boils very quickly on a zone set to the highest heat setting a magnet pulls on to the bottom of the
cookware
Cookware dimensions
Induction cooking zones adapt to the dimension of the bottom of the cookware automatically.The cooking zone efficiency is related to the diameter of the cookware. The
cookware with a diameter smaller than the minimum receives only a part of the power generated by the cooking zone. For both safety reasons and optimal cooking results, do not use cookwarelarger than indicated in Cooking zones specification. Avoid keeping cookware close to the control panel during the cooking session. This might impact the
functioning of the control panel or accidentally activate hob functions
The noises during operation
- If you can hear crack noise cookware is made of different materials (a sandwich construction)
- Whistle sound you use a cooking zone with a high power level and the cookware is made of different materials a sandwich construction.
- Humming: you use a high power level.
- Clicking electric switching occurs.
- Hissing, buzzing: the fan operates.
- The noises are normal and do not indicate any malfunction.
Oko Timer (Eco Timer)
To save energy, the heater of the cooking zone deactivates before the count down timer sounds. The difference in the operation time depends on the heat setting level and
the length of the cooking operation.
Examples of cooking applications
The correlation between the heat setting of a zone and its consumption of power is not linear. When you increase the heat setting, it is not proportional to the increase of the
consumption of power. It means that a cooking zone with the medium heat setting uses less than a half of its power.The data in the table is for guidance only.
| 1 | sary | ||
| 1 – 3 | Hollandaise sauce, melt: butter, choco‐ late, gelatine. | 5 – 25 | Mix from time to time. |
| 1 – 3 | Solidify: fluffy omelettes, baked eggs. | 10 – 40 | Cook with a lid on. |
| 3 – 5 | Simmer rice and milkbased dishes, heat up ready-cooked meals. | 25 – 50 | Add at least twice as much liquid as rice, mix milk dishes halfway through the procedure. |
| 5 – 7 | Steam vegetables, fish, meat. | 20 – 45 | Add a couple of tablespoons of liquid. |
| 7 – 9 | Steam potatoes | 20 – 60 | Use max ¼ l of water for 750 g of po‐ tatoes. |
| 7 – 9 | Cook larger quantities of food, stews and soups | 60 – 150 | Up to 3 l of liquid plus ingredients. |
| 9 – 12 | Gentle fry: escalope, veal cordon bleu, cutlets, rissoles, sausages, liver, roux, eggs, pancakes, doughnuts. | as neces sary | Turn halfway through. |
| 12 – 13 | Heavy fry, hash browns, loin steaks, steaks. | 5 – 15 | Turn halfway through. |
Hints and Tips for Hob Hood
When you operate the hob with the function. Protect the hood panel from direct sunlight. Do not spot halogen light on the hood panel. Do not cover the hob control panel. Do not interrupt the signal between the hob and the hood e.g. with the hand, a cookware handle or a tall pot. See the picture. The hood in the picture is only exemplary
Other remotely controlled appliances may block the signal. Do not use any such appliances near to the hob while Hob²Hood is on. Cooker hoods with the Hob²Hood function
To find the full range of cooker hoods which work with this function refer to our consumer.
CARE AND CLEANING
General information
Clean the hob after each use. Always use cookware with a clean base. Scratches or dark stains on the surface have no effect on how the hob operates. Use a special cleaner suitable for the surface of the hob. Use a special scraper for the glass.
Cleaning the hob
Remove immediately: melted plastic, plastic foil, sugar and food with sugar, otherwise, the dirt can cause damage to the hob. Take care to avoid burns. Use a special hob
scraper on the glass surface at an acute angle and move the blade on the surface. Remove when the hob is sufficiently cool limescale rings, water rings, fat stains, shiny metallic
discoloration. Clean the hob with a moist cloth and a non- abrasive detergent. After cleaning, wipe the hob dry with a soft cloth. Remove shiny metallic discoloration use a solution of water with vinegar and clean the glass surface with a cloth.
TROUBLESHOOTING
What to do if
| Problem | Possible cause | Remedy |
| You cannot activate or operate | The hob is not connected to an elec‐ | Check if the hob is correctly connected |
| the hob. | trical supply or it is connected incor | to the electrical supply. |
| rectly. | ||
| The fuse is blown. | Make sure that the fuse is the cause of | |
| the malfunction. If the fuse is blown | ||
| again and again, contact a qualified | ||
| electrician. | ||
| You do not set the heat setting for | Activate the hob again and set the | |
| 10 seconds. | heat setting in less than 10 seconds. |
| Problem | Possible cause | Remedy |
| You touched 2 or more sensor fields at the same time. | Touch only one sensor field. | |
| Pause operates. | Daily use. | |
| There is water or fat stains on the control panel. | Clean the control panel. | |
| An acoustic signal sounds and | You put something on one or more | Remove the object from the sensor |
| the hob deactivates. An acoustic signal sounds when the hob is deactivated. | sensor fields. | fields. |
| The hob deactivates. | You put something on the sensor | Remove the object from the sensor |
| field . | field. | |
| Residual heat indicator does not | The zone is not hot because it oper‐ | If the zone operated sufficiently long to |
| come on. | ated only for a short time or the sensor is damaged. | be hot, speak to an Authorised Service Centre. |
| Hob²Hood does not work. | You covered the control panel. | Remove the object from the control panel. |
| You use a very tall pot which blocks the signal. | Use a smaller pot, change the cooking zone or operate the hood manually. | |
| Automatic Heat Up does not operate. | The zone is hot. | Let the zone become sufficiently cool. |
| The highest heat setting is set. | The highest heat setting has the same power as the function. | |
| The heat setting changes be‐ tween two levels. | Power management operates. | Daily use. |
| The sensor fields become hot. | The cookware is too large or you put it too near to the controls. | Put large cookware on the rear zones, if possible. |
| There is no sound when you touch the panel sensor fields. | The sounds are deactivated. | Activate the sounds. Refer to Daily use |
If you cannot find a solution
If you cannot find a solution to the problem yourself, contact your dealer or an Authorised Service Centre. Give the data from the rating plate. Give also three digit letter code for the glass ceramic it is in the corner of the glass surface and an error message that comes on. Make sure, you operated the hob correctly. If not the servicing by a service technician or dealer will not be free of charge, also during the warranty period. The information about guarantee period and Authorised Service Centres are in the guarantee booklet.
TECHNICAL DATA
Rating plate
- Model LIT604:PNC 949 596 745 01
- Typ 61 B4A 00 AA: 220 – 240 V / 400 V 2N 50 – 60 Hz
- Induction 7.35 kW : Made in: Germany
- Ser.Nr.7.35 kW
- ELECTROLUX
Cooking zones specification
| Cooking zone | Nominal power (maximum heat setting) [W] | PowerBoost [W] | PowerBoost maximum dura‐ tion [min] | Cookware diame‐ ter [mm] |
| Left front | 2300 | 3700 | 10 | 125 – 210 |
| Left rear | 1800 | 2800 | 10 | 145 – 180 |
| Right front | 1400 | 2500 | 4 | 125 – 145 |
| Right rear | 1800 | 2800 | 10 | 145 – 180 |
The power of the cooking zones can be different in some small range from the data in the table. It changes with the material and dimensions of the cookware.
For optimal cooking results use cookware no larger than the diameter in the table.
ENERGY EFFICIENCY
Product Information Sheet according to UK Ecodesign Regulation
| Model identification | LIT604 | |
| Type of hob | Built-In Hob | |
| Number of cooking zones | 4 | |
| Heating technology | Induction | |
| Diameter of circular cooking zones (Ø) | Left front Left rear Right front Right rear | 21.0 cm 18.0 cm 14.5 cm 18.0 cm |
| Energy consumption per cooking zone (EC electric | Left front | 178.4 Wh / kg |
| cooking) | Left rear Right front Right rear | 184.9 Wh / kg 183.2 Wh / kg 184.9 Wh / kg |
| Energy consumption of the hob (EC electric hob) | 182.9 Wh / kg |
BS EN 60350-2 – Household electric cooking appliances
Energy saving
You can save energy during everyday cooking if you follow below hints. When you heat up water, use only the amount you need. If it is possible, always put the lids on the
cookware. Before you activate the cooking zone put the cookware on it. Put the smaller cookware on the smaller cooking zones. Put the cookware directly in the centre of
the cooking zone. Use the residual heat to keep the food warm or to melt it.
ENVIRONMENTAL CONCERNS
Recycle materials with the symbol . Put the packaging in relevant containers to recycle it. Help protect the environment and human health by recycling waste of electrical
and electronic appliances. Do not dispose of appliances marked with the symbol with the household waste. Return the product to your local recycling facility or contact your
municipal office.


Induction cooking zone.


















