eipl CD425 industrial DEHUMIDIFIER Owner’s Manual
INTRODUCTION
Dehumidifiers remove moisture from the air that is circulating through the unit. The resulting reduction of relative humidity helps prevent rust, rot, mould, mildew and condensation within the room, or other enclosed spaces where the dehumidifier is used.
A dehumidifier consists of a motor-compressor unit, a refrigerant condenser, an air circulating fan, a refrigerated surface, a means of collecting and disposing the condensed moisture and a cabinet to house these components.
The fan draws air through the refrigerated surface and cools it below its dew point, removing moisture which is collected and led away. The cool air then passes the hot condenser, where it is reheated. With the addition of other radiated heat the air is discharged into the room at a higher temperature but lower relative humidity than when the air entered the unit. Continuous circulation of the room air through the dehumidifier unit gradually reduces the relative humidity in the room.
The CD425 is a self contained low temperature dehumidifier. All electrical contactors, overloads, etc, are housed in an electrical box built inside the unit. The unit is equipped with a defrost valve which energises every 42 minutes to clear any ice formation on the evaporator coils. This allows the unit to operate at much lower temperatures. The control panel gives indication of the set humidity, drying and defrosts status.
The appliance is not intended for use by persons (including children) with reduced physical, sensory or mental capabilities, or lack of experience and knowledge, unless they have been given supervision or instruction concerning
use of the appliance by a person responsible for their safety. Children should be supervised to ensure that they do not play with the appliance.
SPECIFICATIONS
- Model: CD425
- Height: 1190mm
- Width: 1100mm
- Depth: 460mm
- Weight: 160 Kg
- Airflow: 3000 M3/hr
- Power Supply: 380-415V, 3 ph, 50Hz
- Power 6.0 Kw (max)
- Finish: Vinyl coated steel
- Refrigerant Type/Qty: R407c (2.5Kg)
“This product contains fluorinated greenhouse gases covered by the Kyoto Protocol. The refrigeration system is hermetically sealed.
The Global Warming Potential (GWP) of refrigerants used in products manufactured by Ebac Industrial Products Ltd is as follows
R134a – 1300
R407c – 1610
For type and weight of refrigerant contained in this unit, please refer to the product data label”
INSTALLATION
POSITIONING
The CD425 is designed for indoor use only.
Position the dehumidifier unit in the centre of the room to be conditioned if at all possible. Using a spirit level ensure the unit is level in both directions. Failure to do so may result in the drain tray overflowing and flooding of the chamber.
NOTE: Both inlet grille and outlet grille of the dehumidifier unit must have clear space around them and not be obstructed in anyway. Minimum installation requirements.

A gap of at least 1000mm is required above the dehumidifier.
WIRING
The CD425 should be connected to a suitably protected, 16A, 3 phase mains power supply.
A recognized means of disconnecting the dehumidifier from the supply must be incorporated into the fixed wiring to the unit in accordance with the latest wiring regulations.
Connect the supply cable to the MAINS T/B terminal block inside the electrical box located at the control panel end of the machine.
Wiring connections to MAINS Terminal Block

DRAINAGE:
Connect the outlet from the drain tray (located behind the front grille and under the evaporator coils) to a permanent drain. Please ensure that the drainage does not rise above the level of the CD425’s drain tray. Failure to observe this requirement will result in internal flooding of the dehumidifier unit.
OPERATION
The operation of the dehumidifier is to remove moisture from the air by having it condense on the cold tubes of the evaporator coil. The air then passes over the hot condenser coil and returns to the conditioned space slightly warmer and dryer than when it entered the dehumidifier unit. To concentrate drying all doors and windows should be kept closed.
Test for Correct Operation
WARNING:
DO NOT RUN THE MACHINE WITHOUT THE COVERS IN PLACE FOR ANY LONGER THAN NECESSARY. DO NOT REMOVE/REPLACE THE COVERS WITH THE POWER ON.
- After unpacking connect the unit to a 380/415V, 3Ph, 50Hz – 4 wire power supply
- Switch the machine to the on position and check for correct fan rotation. (Air blows out of the top of the machine).
- Check dehumidification process:
b) Check actual relative humidity inside the area
c) Set humidity control to a lower value than the actual relative humidity
d) After approximately 6 minutes check the compressor is running
e) Leave the machine to run for 15 minutes.
(NOTE: ensure that the set humidity, see c) above, is set very low as the compressor will switch off when the actual RH coincides with the set point)
f) Observe the evaporator coils
i) If the air temperature is below 20°C, an even coating of ice should cover the entire evaporator coil
i) If the temperature is above 20°C, droplets of condensed water should cover the entire evaporator coil. - Leave the unit to run for a further 27 minutes, after which the unit should go through a 4 minute defrost cycle.
During the defrost cycle the defrost solenoid valve is energized and a warming of the evaporator coil can be felt.
If after carrying out the above checks the unit does not appear to function correctly, refer to your supplier.
ROUTINE SERVICE
WARNING:
ENSURE THAT THE POWER CORD TO THE MACHINE HAS BEEN DISCONNECTED BEFORE CARRYING OUT ROUTINE SERVICE. THE SERVICING AND REPAIR OF THIS UNIT SHOULD ONLY BE CARRIED OUT BY A SUITABLY QUALIFIED PERSON.
To ensure continued full efficiency of the dehumidifier, maintenance procedures should be performed as follows:
- Clean the surface of the evaporator and condenser coils by blowing the dirt out from behind the fins with compressed air. Hold the nozzle of the air hose away from the coil (approx 6”) to avoid damaging the fins. Alternatively, vacuum clean the coils.
WARNING:
DO NOT STEAM CLEAN REFRIGERATION COILS
Check that the fan is firmly secured to the motor shaft and that the fan rotates freely.
THE FAN IS SEALED FOR LIFE AND DOES NOT NEED LUBRICATING. - To check the refrigerant charge, run the unit for 15 minutes (with humidistat set to maximum) and briefly remove the cover. The evaporator coil should be evenly frost coated across its surface. At temperatures above 20°C, the coil may be covered with droplets of water rather than frost. Partial frosting accompanied by frosting of the thin capillary tubes, indicates loss of refrigerant gas or low charge.
- Check all wiring connections.
- The bolts retaining the compressor and fan should be inspected to ensure they have not become loose. Check the insulation sleeves on the refrigeration Pipe work have not become detached.
- Inspect the drain tray for water marking. If marking is excessive check the drain pipe for blockage.
- To check the operation of the defrost system, switch the machine on and leave it running for approximately 55 minutes in temperatures below 20°C. The machine will then enter defrost mode for approximately 5 minutes, before returning to normal operation. If the unit will not defrost, replace the printed circuit board. If the machine is still not defrosting, replace the by-pass valve. Check the machine again after a further hour of operation to determine that the valve is working correctly.
IF ANY OF THE PRECEDING PROBLEMS OCCUR, CONTACT THE EBAC SERVICE CENTER PRIOR TO CONTINUED OPERATION OF THE UNIT TO PREVENT PERMANENT DAMAGE.
REPAIRS
- Should an electrical component fail, consult the Factory Service
Center to obtain the correct replacement part. - If refrigerant gas is lost from the machine, it will be necessary to use
a refrigeration technician to correct the fault. Contact the Factory Service Center prior to initiating this action.
Any competent refrigeration technician will be able to service the equipment. The following procedure must be used:
a. The source of the leak must be determined and corrected.
b. The machine should be thoroughly evacuated before recharging.c. The unit must be recharged with refrigerant measured accurately by weight.
d. For evacuation and recharging of the machine, use the crimped and brazed charging stub attached to the side of the refrigerant compressor.
The charging stub should be crimped and rebrazed after servicing. NEVER allow permanent service valves to be fitted to any part of the circuit. Service valves may leak causing further loss of refrigerant gas. - The refrigerant compressor fitted to the dehumidifier is a durable unit that should give many years of service. Compressor failure can result from the machine losing its refrigerant gas. The compressor can be replaced by a competent refrigeration technician.
Failure of the compressor can be confirmed by the following procedure:
a. Establish that power is present at the compressor terminals using a voltmeter.
b. With the power disconnected, check the continuity of the internal winding by using meter across the compressor terminals. An open circuit indicates that the compressor should be replaced.
c. Check that the compressor is not grounded by establishing that
a circuit does not exist between the compressor terminals and the shell of the compressor.
TROUBLESHOOTING
| SYMPTOM | CAUSE | REMEDY |
| Little or no airflow |
|
|
| Little or no water extraction |
|
|
| Little or no defrost when required |
|
|
| Unit vibrates excessively |
|
|
| Water flooding inside machine |
|
|
CD425 SPARE PARTS LIST
| NUMBER | DESCRIPTION | PART | QUANTITY |
| NUMBER | |||
| / | / | / | / |
| 1 | Compressor | 3944919 | 1 |
| 2 | Axial Fan | 3040119 | 1 |
| 3 | 12V LED Bulb | 3932327 | 1 |
| 4 | Condenser Coil | 3020725 | 1 |
| 5 | Evaporator Coil | 3020733 | 3 |
| 6 | Reversible Filter Dryer | 3020930 | 1 |
| 7 | Fan Motor Assembly | 3030130 | 1 |
| 8 | Defrost Valve | 3020835 | 1 |
| 9 | Defrost Timer | 1619506 | 1 |
| 10 | Aux Contactor | 3030354 | 5 |
| 11 | Aux Contactor | 3030350 | 1 |
| 12 | Terminal Block | 3031418 | 1 |
| 13 | Solenoid Coil | 3030454 | 1 |
| 14 | Contactor | 3030362 | 1 |
| 15 | Delay Timer | 1602400 | 1 |
| 16 | Drain Tray | 2014413 | 1 |
| 17 | Drain tube clip | 3032467 | 2 |
| 18 | Drain Tubing | 3014315 | 6m |
Spare parts available online : http://www.eipldirect.com/
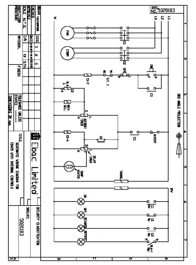
WIRING SCHEMATIC

WARNINGS
This appliance can be used by children from 8 years and above and persons with reduced physical, sensory or mental capabilities or lack of experience and knowledge if they have been given supervision or instruction concerning use of the application in a safe way and understand the hazards involved.
Children shall not play with the appliance.
Cleaning and user maintenance shall not be made by children without supervision.
If the SUPPLY CORD is damaged, it must be replaced by the manufacturer, its service agent or similarly qualified person in order to avoid hazard.
This product contains fluorinated greenhouse gases covered by the Kyoto Protocol. The refrigeration system is hermetically sealed.
The Global Warming Potential (GWP) of refrigerants used in products manufactured by Ebac Industrial Products Ltd is as follows
R134a – 1300
R407c – 1610
For type and weight of refrigerant contained in this unit, please refer to the product data label
Due to the high pressures within the refrigeration circuit, under no circumstances must direct heat be applied to the evaporator coil in an attempt to remove the build-up of ice.
No attempt should be made to cut open any part of the refrigeration circuit due to high pressures and gas involved.
If the unit is switched off at the mains power supply for any reason, the unit must be allowed to stand at rest for at least three minutes before restarting.
Customer Service
UK Head Office
Ebac Industrial Products Ltd
St Helens Trading Estate
Bishop Auckland
County Durham
DL14 9AD
Tel: +44 (0) 1388 664400
Fax: +44 (0) 1388 662590
www.eipl.co.uk
American Sales Office
Ebac Industrial Products Inc
700 Thimble Shoals Blvd.
Suite 109, Newport News
Virginia, 23606-2575
USA
Tel: +01 757 873 6800
Fax: +01 757 873 3632
www.ebacusa.com
[email protected]
German Sales Office
Ebac Industrial Products Ltd.
Gartenfelder Str. 29-37
Gebäude 35
D-13599, Berlin
Germany
Tel: +49 3043 557241
Fax: +49 3043 557240
www.eip-ltd.de
[email protected]
Get In Touch
Call: 0845 6880112
Email: [email protected]
Our Address
Puravent, Adremit Limited, Unit 5a, Commercial Yard,
Settle, North Yorkshire, BD24 9RH



















