Panasonic ER-GC71 AC Rechargeable Hair Clipper

Safety precautions
To reduce the risk of injury, loss of life, electric shock, fire, and damage to property, always observe the following safety precautions.
The following symbols are used to classify and describe the level of hazard, injury, and property damage caused when the denotation is disregarded and improper use is performed.
- DANGER Denotes a potential hazard that will result in serious injury or death.
- WARNING Denotes a potential hazard that could result in serious injury or death.
- CAUTION Denotes a hazard that could result in minor injury or property damage.
The following symbols are used to classify and describe the type of instructions to be observed. This symbol is used to alert users to a specific operating procedure that must not be performed.This symbol is used to alert users to a specific operating procedure that must be followed in order to operate the unit safely.
WARNING
Power supply
Do not connect or disconnect the adaptor to a household outlet with a wet hand.
- Doing so may cause electric shock or injury.
- Do not immerse the AC adaptor in water or wash with water.
- Do not clean with water when the AC adaptor is attached.
- Do not place the AC adaptor over or near water filled sink or bathtub.
- Never use the appliance if the AC adaptor is damaged or if the power plug fits loosely in a household outlet.
- Do not damage or modify, or forcefully bend, pull, or twist the cord.
- Also, do not place anything heavy on or pinch the cord.
- Do not use in a way exceeding the rating of the household outlet or the wiring.
- Do not use anything other than the supplied AC adaptor for any purpose. Also, do not use any other product with the supplied AC adaptor. (See page 7.) – Doing so may cause burn or fire due to a short circuit.
WARNING
Always ensure the appliance is operated on an electric power source matched to the rated voltage indicated on the AC adaptor.
Fully insert the adaptor.
- Failure to do so may cause fire or electric shock.
Always unplug the adaptor from a household outlet when cleaning.
- Failure to do so may cause electric shock or injury.
Regularly clean the power plug and the appliance plug to prevent dust from accumulating.
- Failure to do so may cause fire due to insulation failure caused by humidity.
Disconnect the adaptor and wipe with a dry cloth.
In case of an abnormality or malfunction Immediately stop using and remove the adaptor if there is an abnormality or malfunction.
- Failure to do so may cause fire, electric shock, or injury. <Abnormality or malfunction cases>
- The main unit or AC adaptor is deformed or abnormally hot.
- The main unit or AC adaptor smells of burning.
- There is abnormal sound during use or charging of the main unit or AC adaptor.
This product
This product has a built-in rechargeable battery. Do not throw into flame or heat.
- Doing so may cause fluid leak, overheating, or explosion.
Never disassemble except when disposing of the product.
- Do not modify or repair.
- Doing so may cause fire, electric shock, or injury. Contact an authorized service center for repair (battery change, etc.).
Preventing accidents
Do not store within the reach of children or infants. Do not let them use it.
- Putting the blade, the cleaning brush and/or oil container in the mouth may cause accidents and injury.
If the oil is consumed accidentally, do not induce vomiting, drink a large amount of water, and contact a physician.
If the oil comes into contact with eyes, immediately wash thoroughly with running water, and contact a physician.
- Failure to do so may result in physical problems.
This appliance is not intended for use by persons (including children) with reduced physical, sensory or mental capabilities, or lack of experience and knowledge, unless they have been given supervision or instruction concerning use of the appliance by a person responsible for their safety. Children should be supervised to ensure that they do not play with the appliance.
- Failure to do so may cause an accident or injury.
The supply cord cannot be replaced. If the cord is damaged, the AC adaptor should be scrapped.
- Failure to do so may cause an accident or injury.
CAUTION
Protecting the skin
Do not press the blade against the skin.
Do not use this product for any purpose other than trimming beard and hair.
Do not directly apply the blades on ears or rough skin (such as swellings, injuries or blemishes).
- Doing so may cause skin injury.
Check that the blades are not damaged or deformed before use.
- Failure to do so may cause skin injury.
Note the following precautions
Do not allow metal objects or trash to adhere to the power plug or the appliance plug.
- Doing so may cause electric shock or fire due to a short circuit.
- Do not drop or hit against other objects.
- Doing so may cause injury.
- Do not wrap the cord around the adaptor when storing.
- Disconnect the adaptor from the household outlet when not using.
- Failure to do so may cause electric shock or fire due to electrical leakage resulting from insulation deterioration.
Disconnect the adaptor or the appliance plug by holding onto the adaptor or the appliance plug instead of the cord.
- Failure to do so may cause electric shock or injury.
Handling of the removed battery when disposing
DANGER
The rechargeable battery is exclusively for use with this clipper. Do not use the battery with other products.
Do not charge the battery after it has been removed from the product.
- Do not throw into fire or apply heat.
- Do not solder, disassemble, or modify the battery.
- Do not let the positive and negative terminals of the battery get in contact with each other through metallic objects.
- Do not carry or store the battery together with metallic jewellery such as necklaces and hairpins.
- Never peel off the tube.
WARNING
After removing the rechargeable battery, do not keep it within reach of children and infants.
- The battery will harm the body if accidentally swallowed. If this happens, consult a physician immediately.
WARNING
If the battery fluid leaks out, do not touch the battery with your bare hands.
- The battery fluid may cause blindness if it comes in contact with your eyes.
Do not rub your eyes. Wash immediately with clean water and consult a physician. - The battery fluid may cause inflammation or injury if it comes in contact with the skin or clothes.
Wash it off thoroughly with clean water and consult a physician.
Intended use
- Before using an attachment, check that it has been installed correctly. Failure to do so may cause hair to be cut too short.
- The appliance should not be used on animals.
- Before and after each use, apply oil at the places marked with arrows. (See page 13.)
- Failure to apply the oil may cause the following problems.
- The clipper has become blunt.
- Shorter operating time.
- Louder sound.
- Do not use thinner, benzine, alcohol or other chemicals. Doing so may cause failure, cracking or discoloration of the main body. Clean the main body only with a soft cloth slightly dampened with tap water or soapy tap water.
Store the clipper in a place with low humidity after use. Failure to do so may cause malfunction due to condensation or rust. - The following symbol indicates that a specific detachable power supply unit is required for connecting the electrical appliance to the supply mains. The type reference of power supply unit is marked near the symbol.
Parts identification

- A Main body
- 1 Trimming height indication mark
- 2 Dial (Height adjustment control)
- 3 Power switch [ / ]
- 4 Charge indicator lamp ( )
- 5 Appliance socket
- 6 Water inlet
- Blade
- 7 Cleaning lever
- 8 Moving blade
- 9 Stationary blade
- Mounting hook
- C Comb attachment [ ] (1 mm to 10 mm)
- D Comb attachment [ ] ER‑GC71 (11 mm to 20 mm)
- E AC adaptor (RE9‑52)
- Adaptor
- Power plug
- Cord
- Appliance plug
- Accessories
- F Cleaning brush
- G Oil
- H Pouch ER‑GC71
Preparation
Charging the clipper
- Make sure that the clipper is turned off.

- Connect the appliance plug to the appliance socket.
- Plug in the adaptor into a household outlet.
- Charging is completed after approx. 8 hours.
- Check that the charge indicator lamp
- Disconnect the adaptor after charging is completed.
(for safety and to reduce energy usage)
The charge indicator lamp ( ) continues to glow after charging is complete. There is no indication to show that “charging is complete”.
Notes
- If there is crackling noise on radios or other devices while charging, charge the clipper using a different household outlet.
- When the appliance is not used for 6 months or more, the battery will weaken (leak battery fluid, etc.). Fully charge the battery once every 6 months.
- When charging the clipper for the first time or when it has not been in use for more than 6 months, the charging time may change or the lamp on the main body may not glow for a few minutes. Please charge it for more than 16 hours in such cases.
- Recommended ambient temperature for charging is 0 °C – 35 °C. Battery performance may decrease outside of the recommended temperature.
- A full charge supplies enough power for approximately 40 minutes of use.
The operating time may differ depending on the frequency of use, the operating method and the ambient temperature.
You can charge the battery before it is completely discharged. However, it is recommended to charge when the battery is completely discharged. The battery life depends strongly on factors such as how it is used and stored.
Using the clipper
- Make sure that the clipper is turned off.
- Apply the oil to the clipper before and after each use. (See page 13.)
- The appliance may not operate in an ambient temperature approximately 0 °C or lower.
- Mount the desired comb attachment and adjust the trimming height as needed. (See page 9.)
- It can also be used without the comb attachment. (Trimming height: approx. 0.5 mm) 2 Slide the power switch on the main body to the “ ” position to turn on the power.
AC operation
If you connect the AC adaptor to the clipper in the same way as for charging, and turn on the power, you can use it.
- If the remaining battery is too low, the blades may move slowly or stop, even with the AC operation. In this case, charge the battery for 3 minutes or more.
- The battery will be discharged, even with the AC operation.
Removing and mounting the comb attachments
Mounting the comb attachment
Mount the comb attachment to the main body until it clicks.
- If the comb attachment is not attached correctly, it may shift and end up cutting too much during use.

- Removing the comb attachment
Hold the main body securely and remove the comb attachment from the main body.
How to adjust the trimming height
- Make sure that the clipper is turned off.
Notes
- Actual hair length will be a little longer than the height you set.
- Setting of 10.5 mm is unavailable.
- It can also be used without the comb attachment. (Trimming height: approx. 0.5 mm)
Trimming hair
- Do not use when the hair is wet.
A wet hair may stick to the skin or bunch up, making it difficult to trim. - To maintain sharpness, remove hair trimmings between usages.
- Before trimming, comb your hair with a comb.
Adjusting the length around the ears and sides

- Holding the clipper with the power switch facing outwards, trim around the ears and sides by lifting the tip of the comb attachment little by little from the hairline.
- Trim your hair while holding down your ear with one hand.
How to align the length at the neckline and at the back of your head
Holding the clipper with the power switch facing outwards, trim from the neckline to the back of your head by lifting the tip of the comb attachment little by little from the hairline.
Shaping your sideburns
Without comb attachment
Holding the clipper with the power switch at the bottom, keep the blade at an angle of 90° against the sideburns and move the clipper from top to bottom along the skin to trim the sideburns.
Trimming the downy hair around the neckline
Without comb attachment
Holding the clipper with the power switch at the bottom, touching the blade perpendicular to the area of downy hair, and move the clipper downward along the skin.
Trimming to an even length
Holding the clipper with the power switch facing outwards, trim slowly while crisscrossing from various directions to avoid missing any spots.
Notes
- It is recommended to ask someone else to trim around your own ears and neckline.
- The desired results may not be achieved if hair is too long. In this case, trim the hair to a length of about 2 cm before using the clipper.

Trimming beard
- Do not use with shaving foam applied or when the beard is wet. A wet beard may stick to the skin or bunch up, making it difficult to trim.
- Before trimming, comb your moustache with a comb.
Trimming to an even length
Holding the clipper with the power switch facing outwards, trim by bringing the blade in contact with the skin and moving the clipper against the flow of the beard.
- Hair trimmings may collect inside the comb attachment when a large volume of beard is cut, so discard hair trimmings after each use.
Trimming the downy hair
Without comb attachment
- Holding the clipper with the power switch facing outwards, trim by bringing the blade in contact with the skin.
- The clipper cannot trim hair to lengths less than 0.5 mm.
Cleaning the clipper
- Clean the clipper and the blade after each use. (If not cleaned, the motion will become poor and the sharpness will worsen.)
- Make sure that the clipper is turned off.
- Remove the clipper from the AC adaptor.
- Remove the comb attachment and turn the clipper on.
- Run water down the water inlet at the front of the main body, rinse thoroughly for approximately 20 seconds, and then turn the clipper off.

- Rinse with water and shake up and down several times to remove the water.
- Remove the comb attachment and blade.
- Clean the clipper, the blade and the comb attachments with running water.
- Rinse with water and shake up and down several times to remove the water.

- Rinse with water and shake up and down several times to remove the water.
- Wipe off the water with a towel and let it dry naturally. It will dry faster with the blade removed.

- Apply the oil to the blade after drying. (See page 13.)
The mark on the left means suitable for cleaning under an open water tap.
Cleaning with the brush
- Remove the blade. (See page 13.)
- Brush off any hair trimmings from the main body and from around the blade.
- Brush off the hairs from the blade edge.
- Brush any hair trimmings out from between the stationary blade and the moving blade while pressing down the cleaning lever (a) to raise the moving blade.
- Apply the oil to the blade. (See page 13.)
Lubrication
- Apply the oil to the clipper before and after each use. Make sure that the clipper is turned off.

- Remove the blade.
- Apply a drop of the oil to each indicated point.
- Attach the blade to the main body, turn on the power and allow to run for approximately 5 seconds.
Removing and mounting the blade
Removing the blade
Hold the clipper with the switch facing upward and push the blade with your thumb while catching the blade in your other hand.
Mounting the blade
Fit the mounting hook (B) into the blade mounting (A) on the clipper and then push in until you hear a click.

Troubleshooting


Perform the following actions.
If the problems still cannot be solved, contact the store where you purchased the unit or a service center authorized by Panasonic for repair.
Blade life
Blade life varies according to the frequency and period of use of the clipper.
For example, the blade life is approximately 2 years when using the clipper for 20 minutes twice a month. Replace the blades if cutting efficiency reduces substantially despite proper maintenance.
Battery life
Battery life will vary according to the frequency and length of use. If the battery is charged once a month, the service life will be approximately 3 years.
If the operating time is significantly shorter even after a full charge, the battery has reached the end of its life.
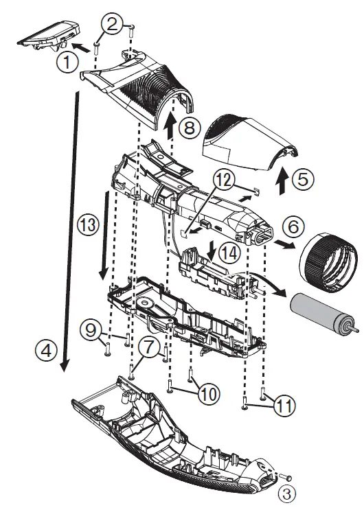
Removing the built-in rechargeable battery
Remove the built-in rechargeable battery before disposing of the clipper.
Please make sure that the battery is disposed of at an officially designated location if there is one.
This figure must only be used when disposing of the clipper, and must not be used to repair it. If you dismantle the clipper yourself, it will no longer be waterproof, which may cause it to malfunction.
- Remove the clipper from the AC adaptor.
- Slide the power switch to turn on the power and then keep the power on until the battery is completely discharged.
- Perform steps 1 to > and lift the battery, and then remove it.
- Take care not to short circuit the positive and negative terminals of the removed battery, and insulate the terminals by applying tape to them.

For environmental protection and recycling of materials This clipper contains a Nickel‑Metal Hydride battery.
Please make sure that the battery is disposed of at an officially assigned location, if there is one in your country.
Specifications
- Power source See the name plate on the AC adaptor. (Automatic voltage conversion)
- Motor voltage 1.2 V
- Charging time Approx. 8 hours
This product is intended for household use only.

























