MARKET FORGE ST-E Steam It Electric Counter Pressure Cooker

Introduction
WARNING
Improper installation, adjustment, alteration, service or maintenance can cause property damage, injury or death. Read the installation, operating and maintenance instructions thoroughly before installing or servicing this equipment.
SAFETY PRECAUTIONS
Before installing and operating this equipment, be sure everyone involved in its operation is fully trained and aware of precautions. Accidents and problems can be caused by failure to follow fundamental rules and precautions.
The following symbols, found throughout this manual, alert you to potentially dangerous conditions to the operator, service personnel, or to the equipment.
DANGER This symbol warns of immediate hazards that will result in severe injury or death.
WARNING This symbol refers to a potential hazard or unsafe practice that could result in injury or death.
CAUTION This symbol refers to a potential hazard or unsafe practice that could result in injury, product damage, or property damage.
NOTICE This symbol refers to information that needs special attention or must be fully understood, even though not dangerous
IMPORTANT NOTES FOR INSTALLATION AND OPERATION
WARNING
This is the safety alert symbol. It is used to alert you to potential personal injury hazards. Obey all safety messages that follow this symbol to avoid possible injury or death.
WARNING
Improper installation, operation, adjustment, alteration, service or maintenance can cause property damage, injury or death. Read the installation, operating and maintenance instructions thoroughly before installing, operating or servicing this equipment.
WARNING
FOR YOUR SAFETY:
Do not store or use gasoline or other flammable vapors or liquids in the vicinity of this or any other appliance.
NOTICE
This product is intended for commercial use only. NOT FOR HOUSEHOLD USE.
NOTICE
This manual should be retained for future reference.
IMPORTANT
The information contained in this manual is important for the proper installation, use, and maintenance of this kettle.
Adherence to these procedures and instructions will result in satisfactory baking results and long, trouble free service.
Please read this manual carefully and retain it for future reference.
ERRORS: Descriptive, typographic or pictorial errors are subject to correction. Specifications are subject to change without notice.
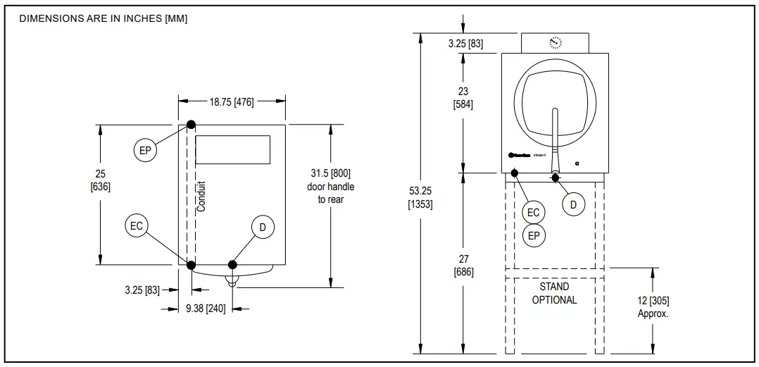
Service Connections

SERVICE CONNECTIONS
| SYMBOL | DESCRIPTION |
| EC | Electrical Connection – Connection for incoming power supply wires on terminal block |
| EP | Power Supply – 1-1/4” threaded access hole for power supply wires. Use wire suitable for at least 90°C. Nominal amps per line. |
| D | Drain – 1/2” 13mm O.D. tubing. Air break required for drain connection supplied by others |
ELECTRICAL CHARACTERISTICS
| Volts | Phase | AMPS | ||
| 9kW | 12kW | 12.5kW | ||
| 208 | 1 | 43 | – | – |
| 3 | 25 | – | – | |
| 240 | 1 | – | 50 | – |
| 3 | – | 29 | – | |
| 440 | 3 | – | 16 | – |
| 480 | 3 | – | – | 16 |
| Details of other electrical systems available upon request. | ||||
Installation
Description
Steam-It shall have a 3/16” (5mm) aluminum welded seamless cooking compartment. Exterior finish shall be stainless steel. Door shall be self-sealing inside type which can’t be opened under pressure. Door is 12 gauge stainless steel, removable for cleaning without tools. Door gasket is a one piece mold, replaceable without tools or cement.
Cooking compartment has a capacity of (3) 12” x 20” x 2 1/2” or (2) 12” x 20” 4” pans. Removable pan supports are included. Cooking cycle is controlled by an automatic timer that will shut off and exhaust steam and condensate at end of cooking cycle. Unit includes 0-60 minute timer, a safety valve, steam pressure gauge, and will be completely serviceable from the front.
Installation
Set steam-it on counter, using 4” (102mm) legs provided with unit or an optional stainless steel stand with under-shelf. If your steam-it includes a water-cooled exhaust condenser, we recommend the use of the steam-it stand, part number 95-6060. First, level unit in place. Then adjust front legs to pitch the unit forward 1/4” (6mm) to insure positive drainage of the cylinder.
Electrical
Connect to proper electrical supply box and disconnect switch as shown on one of the following schematic diagrams 208 or 230 volts, single or three phase. Connection is located behind the terminal box cover at the lower left side of unit. Whether the supply current is 208 volt or 240 volt, single or three phase, all control circuits are 120 volts. In order to accomplish this connection, a current-carrying grounded neutral must be provided. Thus, a three phase system must be 4-wires and a single phase system must be 3-wires. If a current-carrying grounded neutral is not available from the power source, a separate 120 volt circuit must be run. Most electrical codes require, and we recommend, that a separate disconnect switch be located within sight of the sterilizer. When separate 120 volt control circuit must be run, this must also be part of the disconnect box assembly.
Outside Venting
Connect 1/2” (13mm) nominal tubing exhaust to outside vent connection located on the top of the control housing.
IMPORTANT Exhaust line must be vented to the outside to eliminate the exhausted steam and the accompanying noise from entering the room. Use 1/2” (13mm) copper tubing or suitable alternate. Length of the line should not exceed 15 feet (4.5 meters) and should have a minimum of bends. The line should slope downward after leaving the sterilizer in order to insure condensate drainage.
Water-Cooled Exhaust Condenser
If outside venting is not possible, an optional water-cooled condenser is available for connection to an open drain. For details of the installation on the ST-E,.
Recording Thermometer
If a recording thermometer is provided, see installations with the thermometer for installation.
Tray Supports
Install side tray supports. Tray supports are attached by means of key-hole clearance slots which are slipped over studs located on the sides of the chamber. Install so that open end of the channel sides faces the sides of the unit.
Baffle Installation
To insure maximum drying of packs, a baffle is supplied with your ST-E. Place perforated splash baffle in bottom of the sterilizing chamber. Install small baffle with no perforation at the rear of the upper tray support channel.
Operation Check
To check for proper operation of unit:
- Close drain valve by turning handle clockwise.
WARNING
Do not open drain valve while unit is operating. Premature opening may result in scalding of operator - Fill chamber with 4 to 6 quarts (3.7 to 5.6 liters) of ordinary tap water. DO NOT USE DISTILLED WATER.
- Close chamber door.
- Set exhaust selector to INSTRUMENTS AND PACKS (fast exhaust) or LIQUIDS (slow exhaust).
- Set timer to 15 minutes. Cycle will go to completion automatically.
NOTICE
Cycle timer will not start until sterilizing temperature is obtained.
NOTE: Cycle timer will not start until sterilizing temperature is obtained.
Operation Shall Be By
CAUTION
Before connecting water to this unit, have water supply analyzed to make sure hardness is no greater than 2.0 grains and pH level is within the range of 7.0-8.5. Water which fails to meet these standards should be treated by installation of a water conditioner. EQUIPMENT FAILURE CAUSED BY INADEQUATE WATER QUALITY IS NOT COVERED UNDER WARRANTY.
NOTICE
Details of other electrical systems available upon request. Consult Factory.
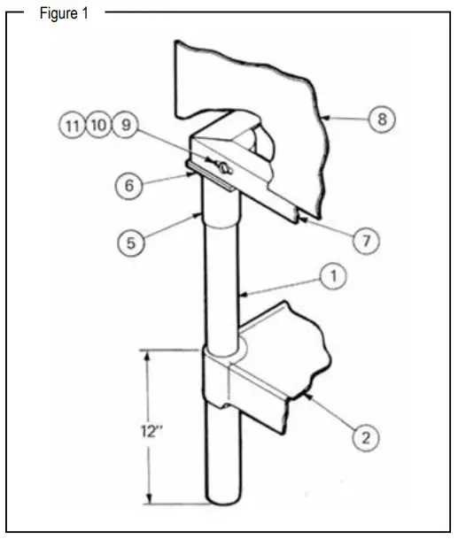
Assembly of Legs or Stand
Tools Required
- 1 3/16’ Allen Wrench
- 1 One foot ruler
- 1 Screw Driver
Remove all parts from box
Stand
| Item | Quantity |
| Legs (27”) | 4 |
| Leg Tops | 4 |
| Cap Brackets | 4 |
| Lock Washers | 8 |
| Flat Washers | 8 |
| Round Head Screws (1/4-20) | 8 |
| Shelf | 1 |
| Set Screw (In Shelf) | 4 |
| Item | Quantity |
| Legs (4”) | 4 |
| Leg Tops | 4 |
| Cap Brackets | 4 |
| Lock Washers | 8 |
| Flat Washers | 8 |
| Round Head Screws (1/4-20) | 8 |

Assemble Unit As Follows
NOTICE
For assembly to stand follow steps 1 through 9.
For assembly on legs follow steps 4 through 9.
- Insert four legs in shelf from top down (1).
- Measure 12” from bottom of leg to top of shelf in all four positions (2).
- Tighten set screw securely once shelf is level.
- Screw four leg tops on four legs (with or without shelf) until they are all the way down.
- Ascertain that tops on all leg tops are equidistant from the floor or counter.
- Screw cap bracket (6) on to threaded fitting in leg top.
IMPORTANT
Be sure threaded holes are all on the outside. - Tip steam-it on it’s back.
- Place stand on legs in frame (7) of steam-it (8), making sure that slot (9) in frame matches holes in cap bracket (6).
- Insert lock washer and then flat washer (10) on round headed screw (11) and insert loosely in slot and threaded hole (8 positions). Tighten all screws (11).
Operation
Steamer Control
Buzzer
The function of the buzzer is to signify to the operator that the cycle of cooking has been terminated. The buzzer is mounted on a bracket which is positioned at the front of the unit just under the front removable panel. The buzzer electrical circuit is controlled by the timer. When the timer reaches zero the circuit will be completed and the buzzer will continue to sound until the timer knob is turned to the off position.
Pilot Light
The pilot light is located at the lower right front of the panel. This unit is wired to operate when the heating elements are on. The circuit will be broken when the timer returns to the “0” position. Thus, when the pilot light is on and off it signals that the heating elements are cycling on and off to maintain cooking pressure in the cooking chamber.
Timer
The timer, located at the lower right front of the Steam-It provides a means of manual control. The Steam-It put into an automatic cycle of cooking with the setting of the timer to any of its calibrated periods of cooking. Its timing cycle however, is automatically delayed by the timer control switch until free-venting has occurred and a cylinder pressure build up to 10 PSI has been reached.
Steam Pressure Gauge
Located at the top rear of the Steam-It and mounted into the forward face of the flue for visibility, the steam pressure gauge registers the pressure within the Steam-It cooking chamber. To replace this unit it is necessary to disconnect the 3/16” copper tube connector and remove the two nuts holding the gauge framework in place.

Start-up and Preheating
Preliminary Procedures
- Ensure that electric supply is connected and operating at unit.
- Close drain valve by turning valve handle clockwise.
- Hang pan supports on pan support studs (cylinder side walls). The horizontal key hole on the support be at rear of compartment and vertical key hole near front.
- Pour approximately 6 quarts of water directly into steam-it cylinder
NOTICE
In geographical locations where high amount of lime and alkaline (salt-lime substance) deposits are present in water supply, add two tablespoons of vinegar directly into the 6 quarts of water prior to the start of cooking cycle. If more water is added to maintain required level, an occasional tablespoon of vinegar may be added as well, in order to compensate for new mineral deposits in fresh water.
CAUTION
A high degree of mineral salts in water can cause pitting of cooking compartment unless above directions (see note above) are followed; the cooking compartment thoroughly cleaned and drained each night; and the door left open. Also, do not scour cylinder with abrasive cleanser.
WARNING
Do not open drain valve while unit is operating. Premature opening may result in scalding of operator.
Preheating
Before each initial operation of cooker and at any time when compartment is cold, a 5 to 8 minute preheating period is required. To preheat cooking compartment, proceed as follows:
- Close door and lock in position by placing the door handle tongue under roller on drain casting. Press downward on door handle until door is secured.
- Set 60 minute timer to 5 minutes by turning past 10 and back to 5 to ensure proper setting. Indicator light will come on.
- When preheating is ended and buzzer sounds, turn timer to off and allow pressure to return to zero PSI on pressure gauge.
- Open compartment door slightly by pulling up on latch handle to allow remaining vapors to escape before raising door to full open position.

WARNING
Do not leave hand on handle while excess vapor is escaping. Scalding of hand may result.
Cooking
After preheating cycle is completed, compartment may be loaded for cooking. Proceed as follows:
- Carefully slide cooking pans onto pan supports.
- Close door and lock in position (see step 1 under preheating).
- Set timer to desired cooking time by turning timer past desired setting and then back.
NOTICE
Timer will not start until unit is at a minimum of 9 PSI (0.6kg/cm2) as indicated on pressure gauge. - At end of cooking cycle, steam will automatically exhaust. When pressure reaches 0 PSI on pressure gauge, door can be released by pulling on door latch handle (see step 4 under preheating, including warning). Allow a few seconds for remaining vapor to leave cylinder before completely opening the door. To stop buzzer, turn to OFF.
- Remove cooked food, add desired seasoning, and transfer to serving area.
NOTICE
Perforated pans, if they are to be transferred to serving ares, should be underlined with solid pans. - Before starting another cycle, water should be at six quart level.
NOTICE
If unit is operated with an insufficient amount of water, the low water cut-off will shut down the unit. With the replacement of water into cooking cylinder, the unit will be operative again after the low water cut-off reset button is pressed. If unit does not start after pressing reset button, more time will be needed before reset button starts unit. Should a cooking cycle be interrupted by the low water cut-off, the food in the process of cooking will be affected. Proper compensation will have to be made for cooking performed and with proper amount of water in cooking cylinder, a new cycle determined and set to complete cooking process. - Clean unit thoroughly at end of each cooking day. Ensure that cylinder is left dry and door open (refer to cleaning and preventive maintenance).
NOTICE
If is normal on start-up or after prolonged idleness for small amounts of steam to leak between door and cylinder. This leakage will often cease after the first or second cycle. However, if steam continues to escapes around door edges while pressure is building up on the third cycle, door seal adjustment can usually be made.
NOTICE
If strong flavored foods such as seafood have been cooked, cylinder should be drained (by turning drain valve handle counterclockwise), cleaned and flushed, and fresh supply of water added for the next cooking cycle.
Suggested Cook Times
| Item | Approx. Wt. Per Pan | Recommended Pan Size, 12” × 20” Perforated | Number of Pans | Timer Settings in Minutes | Approx. No. Cooked 2 oz. (55g) Servings Per Pan* | |||||||||
| Lbs | Kg | Inche | mm | |||||||||||
| VEGETABLES, FROZEN – DEFROSTED | ||||||||||||||
| Asparagus Spears | 5 | 2.3 | 2 1/2 | 65 | 1 2-3 | 7-8 8-10 | 23-25 | |||||||
| Beans, Green Regular | 5 | 2.3 | 2 1/2 | 65 | 1 2-3 | 7-8 8-10 | 23-25 | |||||||
| Beans, Green French Cut | 5 | 2.3 | 2 1/2 | 65 | 1 2-3 | 7-9 9-10 | 23-25 | |||||||
| Beans, Lima | 5 | 2.3 | 2 1/2 | 65 | 1 2-3 | 6-7 7-8 | 23-25 | |||||||
| Broccoli | 5 | 2.3 | 2 1/2 | 65 | 1 2-3 | 5-6 6-7 | 23-25 | |||||||
| Brussel, Sprouts | 5 | 2.3 | 2 1/2 | 65 | 1 2-3 | 6-7 8-10 | 18-20 | |||||||
| Carrots | 5 | 2.3 | 2 1/2 | 65 | 1 2-3 | 5-6 7-9 | 23-25 | |||||||
| Cauliflower | 5 | 2.3 | 2 1/2 | 65 | 1 2-3 | 7-8 8-10 | 23-25 | |||||||
| Corn | 5 | 2.3 | 2 1/2 | 65 | 1 2-3 | 5-6 7-8 | 23-25 | |||||||
| Peas | 5 | 2.3 | 2 1/2 | 65 | 1 2-3 | 2-3 4-5 | 23-25 | |||||||
| VEGETABLES, FRESH | ||||||||||||||
| Beans, Wax Green | 6 | 2.7 | 2 1/2 | 65 | 1 2-3 | 4-6 7-8 | 30-35 | |||||||
| Broccoli, 1/2-3/4” Stalk | 6 | 2.7 | 2 1/2 | 65 | 1 2-3 | 4-5 5-6 | 25-30 | |||||||
| Cabbage, Cored – 1/4 1/6 of head | 5 | 2.3 | 2 1/2 | 65 | 1 2-3 | 7-9 10-12 | 12-20 | |||||||
| Carrots, Sliced | 9 | 4.1 | 2 1/2 | 65 | 1 2-3 | 6-8 10-12 | 35-40 | |||||||
| Cauliflower | 6 | 2.7 | 2 1/2 | 65 | 1 2-3 | 5-6 6-8 | 30-35 | |||||||
| Corn on Cob, Husked | 1 Dozen | 2 1/2” | 65 | 1 2-3 | 5-6 6-8 | 12 | ||||||||
| Potatoes, French Fry | 10 | 4.5 | 2 1/2 | 65 | 1 2-3 | 7-9 10-12 | 50 | |||||||
| Potatoes, Regular Cut | 10 | 4.5 | 2 1/2 | 65 | 1 2-3 | 13-15 17-19 | 50 | |||||||
| Spinach, Cut and Cleaned | 3 | 1.4 | 4 | 100 | 1 2-3 | 1-2 2-3 | 4 oz (110g) 10-12 | |||||||
| Squash, Summer, 1” Slices | 7 | 3.2 | 2 1/2 | 65 | 1 2-3 | 5-7 8-10 | 30-35 | |||||||
| Squash, Winter, diced | 9 | 4.1 | 2 1/2 | 100 | 1 2-3 | 7-9 10-12 | 30-35 | |||||||
| Turnip, diced | 5 | 2.3 | 2 1/2 | 65 | 1 2-3 | 10-15 15-20 | 4 oz (110g) 20-25 | |||||||
| * All portions are equivalent to approximately 1/2 cup cooked. | ||||||||||||||
| VEGETABLES, CANNED | ||||||||||||||
| Canned, Vegetables | 5 | 2.3 | 2 1/2 | 65 | 1 2-3 | 4-5 5-7 | 26-30 | |||||||
| MEAT – POULTRY – FISH | ||||||||||||||
| Chicken, cut-up, breaded | 2 1/2 | 65 | 1 2-3 | 10-15 15-20 | 15-20 Protein | |||||||||
| Chicken, Whole | 4 | 100 | 1 2-3 | 35-40 45-50 | 25-30 Protein | |||||||||
| Fish, Fillets | 2 1/2 | 65 | 1 2-3 | 7-8 8-10 | 12-15 Protein | |||||||||
| Fowl, Whole | 4 | 100 | 1 2-3 | 40-45 45-60 | 20-25 Protein | |||||||||
| Frankforts | 2 1/2 | 65 | 1 2-3 | 1-2 2-3 | 35-40 Protein | |||||||||
| Hamburgers, 3 oz (85g) | 2 1/2 | 65 | 1 2-3 | 8-10 12-15 | 20-25 Protein | |||||||||
| Lobster 1# size (450g) | 2 1/2 | 65 | 1 2-3 | 3-6 5-8 | 10-1# (150mm) | |||||||||
| Meatballs ** 1 oz. (28g) | 2 1/2 | 65 | 1 2-3 | 15-17 18-20 | 20-25 Protein | |||||||||
| Meatloaf ** | 2 1/2 | 65 | 1 2-3 | 25-30 30-35 | 50-60 Protein | |||||||||
| Pork Chops 4 oz. (114g) with bone | 2 1/2 | 65 | 1 2-3 | 15-20 20-25 | 24 Protein | |||||||||
| Sausages, 10 per lb. (45g) | 2 1/2 | 65 | 1 2-3 | 14-16 17-19 | 18-20 Protein | |||||||||
| Turkey, on Carcass | 4 | 100 | 1 | 75-90 | 50-60 Protein | |||||||||
| Turkey, off Carcass | 2 1/2 | 65 | 1 2 | 40-45 45-50 | 55-65 Protein | |||||||||
| MISCELLANEOUS | ||||||||||||||
| Eggs, out of shell | 4 Dozen | 2 1/2 | 65 | 1 2-3 | 3 3-4 | 48 48 | ||||||||
| Rice, 1 gal. water (3.78 liters) | 4 | 1.8 | 4 | 100 | 1 2 | 17-20 21-25 | 60 3 oz. (85g) Portions | |||||||
| Spaghetti, 1.5-2 gal. Water (5.7-7.6 liters) | 3 | 1.4 | 4 | 100 | 1 2-3 | 17-20 21-25 | 40-45 4 oz. (110g) Portions | |||||||
| * All portions are equivalent to approximately 1/2 cup cooked. ** Raw weight for meatballs and meatloaf includes hamburg and extenders and yields 2 oz. (55g) protein plus extenders for 3 oz. (85g) total portion. | ||||||||||||||
Maintenance
Cleaning and Preventive Maintenance
WARNING
Do not hose down unit as it contains electrical components.
The Market Forge Steam-it Must be cleaned every day as follows:
Daily
- Remove pan supports by lifting front up and off stud. Pull back of pan support forward and off stud. Wash with mild detergent and water. Rinse and dry thoroughly.

- Wash interior of Steam-It thoroughly with mild detergent and water (A). Rinse and dry thoroughly. Cylinder is aluminum and can pit if not cleaned properly. Be sure to wash drain plug area if you model is so equipped (B).

Weekly
- Remove door. (Follow these instructions carefully as the clearances through the portal are close and much confusion can result if not removed in the sequence described below).
- Raise the door to a fully open position and disengage the door spring from each of the door spring studs. Do this by counter-acting the force of the door lift spring with one hand while working the end of the door spring off the door assembly with the free hand. Do this on both sides of the door assembly.
- When the ends of the door spring have been completely freed from their respective door spring studs, the door lift springs on either side of the door assembly can easily be slipped off their studs.

- Rotate the entire door assembly out through the door opening. Pass the door handle through the opening first and then one end of the door spring as shown. The remainder of the door assembly will then pass through the door opening quite easily.

- Gasket should be removed and washed when necessary. Replace gasket only when door has been removed. Replace door and pan supports after unit has been thoroughly cleaned.

- Check safety valve (A). Lift handle on valve when Steam-It is under pressure. Steam should escape. (Note: Dirty water may escape for a few seconds, but then steam should flow freely).
- Steam trap (B) should first allow air to escape and then slowly close as all air is forced out of the compartment. The sound of air escaping is quite noisy but subsides once steam pressure is built up and cooking takes place. If steam
trap does not close it should be replaced. - Exhaust silencer (C) must be cleaned by rinsing in mild detergent and water or change whenever it becomes clogged.

- The steam trap is shown in (A) and the safety valve is shown in (B). Inspection and maintenance procedures are the same.

Your particular unit may be equipped with a different trap. Old style: (A) or new style (B). Replacement steam traps will be of the new style.
In addition to the daily cleaning it is necessary to clean the air intakes on a weekly basis. Air intakes provide necessary cooling air to the internal components. They are generally located on the rear and sides of the equipment.
Customer Support
CROWN FOOD SERVICE EQUIPMENT
A Middleby Company
70 Oakdale Road, Downsview (Toronto) Ontario, Canada, M3N 1V9
Telephone: 919-762-1000 www.crownsteamgroup.com




























