VIESSMANN EM-EA1 Extension

Safety, Installation and Warranty Requirements
Please ensure that these instructions are read and understood before commencing installation. Failure to comply with the instructions listed below and details printed in this manual can cause product/property damage, severe personal injury, and/or loss of life. Ensure all requirements below are understood and fulfilled (including detailed information found in manual subsections).
Product documentation
Read all applicable documentation before commencing installation. Store documentation near boiler in a readily accessible location for reference in the future by service personnel.
- For a listing of applicable literature, please see section entitled “Important Regulatory and Safety Requirements”.

Licensed professional heating contractor
The installation, adjustment, service and maintenance of this equipment must be performed by a licensed professional heating contractor.
- Please see section entitled Safety and “Important Regulatory and Installation Requirements”.

Advice to owner
Once the installation work is complete, the heating contractor must familiarize the system operator/ ultimate owner with all equipment, as well as safety precautions/requirements, shutdown procedure, and the need for professional service annually before the heating season begins.
Warranty
Information contained in this and related product documentation must be read and followed. Failure to do so renders the warranty null and void.
Important Regulatory and Installation Requirements
Approvals
Viessmann boilers, burners and controls are approved for sale in North America by CSA International.
Codes
The installation of this unit shall be in accordance with local codes. In the absence of local codes, use:
- CSA C22.1 Part 1 and/or local codes in Canada
- National Electrical Code ANSI/NFPA 70 in the U.S.
Always use latest editions of codes. The heating contractor must comply with the Standard for Controls and Safety Devices for Automatically Fired Boilers, ANSI/ASME CSD-1 where required by the authority having jurisdiction.
Working on the equipment
The installation, adjustment, service, and maintenance of this product must be done by a licensed professional heating contractor who is qualified and experienced in the installation, service and maintenance of hot water boilers. There are no user-serviceable parts on the boiler, burner, or control.
Power supply
Install power supply in accordance with the regulations of the authorities having jurisdiction or, in absence of such requirements, in accordance with National Codes. Viessmann recommends the installation of a disconnect switch to the 120V power supply outside of the boiler room. Ensure main power supply to equipment, the heating system, and all external controls have been deactivated. Close main oil or gas supply valve. Take precautions in both instances to avoid accidental activation of power during service work.
- Please carefully read this manual prior to attempting installation. Any warranty is null and void if these instructions are not followed. For information regarding other Viessmann System Technology componentry, please reference documentation of the respective product. We offer frequent installation and service seminars to familiarize our partners with our products. Please inquire.
- The completeness and functionality of field supplied electrical controls and components must be verified by the heating contractor. These include low water cut-offs, flow switches (if used), staging controls, pumps, motorized valves, air vents, thermostats, etc.
WARNING
Turn off electric power supply before servicing. Contact with live electric components can cause shock or loss of life.
About these Installation Instructions
- Take note of all symbols and notations intended to draw attention to potential hazards or important product information.
WARNING
- Warnings draw your attention to the presence of potential hazards or important product information.
CAUTION
- Cautions draw your attention to the presence of potential hazards or important product information.
Intended Use
The appliance is only intended to be installed and operated in sealed unvented heating systems, with due attention paid to the associated installation, service and operating instructions. It is only designed for the heating up of heating water. Commercial or industrial usage for a purpose other than the heating up of heating water shall be deemed inappropriate.
Product Information
- Indicates an imminently hazardous situation which, if not avoided, could result in death, serious injury or substantial product/property damage.
- Indicates an imminently hazardous situation which, if not avoided, may result in minor injury or product / property damage.
- Helpful hints for installation, operation or maintenance which pertain to the product.
- This symbol indicates to note additional information
- This symbol indicates that other instructions must be referenced.
Intended use presupposes that a fixed installation in conjunction with permissible components designed for this purpose has been carried out. Every other use will be deemed to be inappropriate. Any resulting losses are excluded from the manufacturer’s liability. Any usage beyond this must be approved by the manufacturer for the individual case. Intended use also includes the adherence to maintenance and inspection intervals.
Maximum 3 EM-EA1 function extensions can be connected to one boiler. Only one function can be connected to each EM-EA1 function extension (DIO electronics module). The functions that can be connected depend on the settings made at the boiler. Boiler installation and service instructions Spare parts lists Information about spare parts can be found on the Viessmann spare parts app.
Mounting the Extension
- Loosen the retaining screws from the extension kit enclosure (do not remove).
- Remove cover and set aside.
- Mount the extension module enclosure to the wall using the supplied hardware.
- Install the cover.

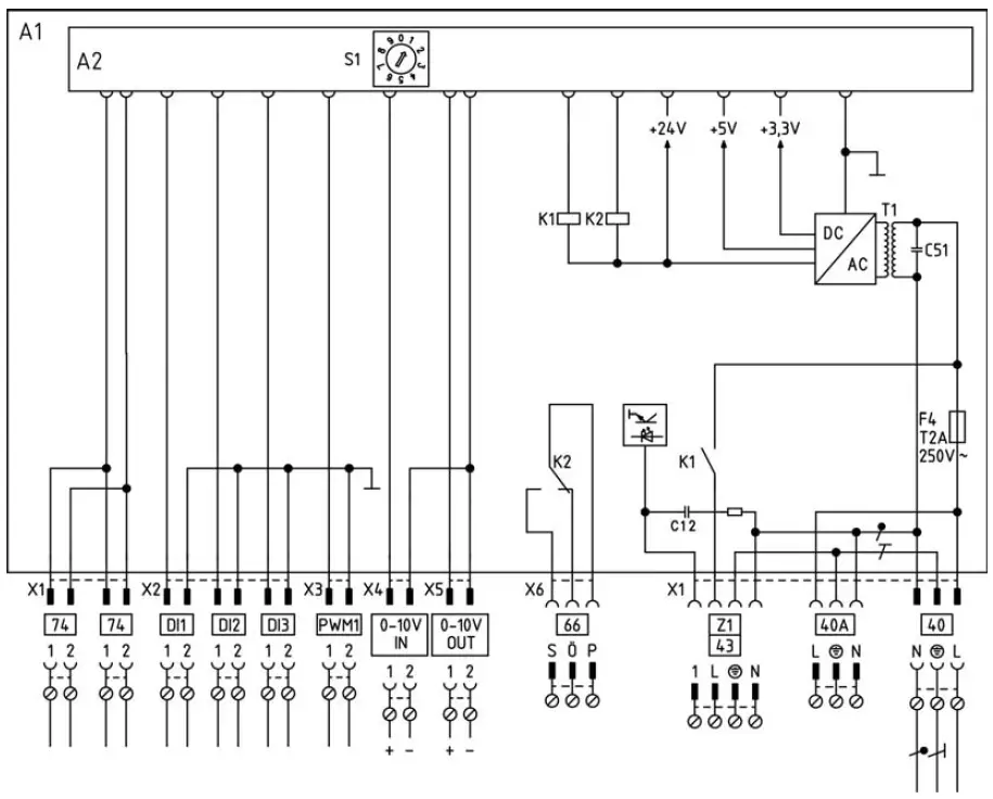
Overview of Electrical Connections

Legend
- DI1 Digital input 1
- DI2 Digital input 2
- DI3 Digital input 3
- 0 – 10V IN 0 – 10V input
- 0 – 10V OUT 0 – 10V output
- F4 Fuse 2 A (slow)
- PWM1 Control voltage output
- S1 Rotary switch for subscriber number addressing
- Z1 43 120V relay output, 120V input
- 40 Power supply
- 40 A Power supply for additional accessories
- 66 Changeover contact (floating switching contact) for connecting signalling equipment for fault messages or an extractor hood
- 74 PlusBus
Overview of Electrical Connections (continued)
| Function | Page | Connections: | ||||||||
| DI1 | DI2 | DI3 | PWM1 | 0-10V | hH | fD | ||||
| IN | OUT | 43-1 | 43-L | |||||||
| External functions | ||||||||||
| External default set supply temperature | 8 | — | — | — | — | X | — | — | X | — |
| External default output | 9 | — | — | — | — | X | — | — | X | — |
| Operating mode changeover | 10 | X | X | X | — | — | — | — | — | — |
| External demand | 10 | — | — | — | — | — | — | — | X | — |
| External blocking | 11 | — | — | — | — | — | — | — | X | — |
| Fault message input and fault message output | ||||||||||
| Connection without system blocking | 11 | — | — | — | — | — | — | X | X | — |
| Connection with system blocking, 120V | 12 | — | — | — | — | — | — | X | X | — |
| Connection with system blocking, 24V | 13 | X | — | — | — | — | — | X | — | — |
| Connecting only message facility (e.g. buzzer) | 13 | — | — | — | — | — | — | X | — | — |
| External LPG valve | 13 | — | — | — | — | — | — | — | — | X |
| External extractor interlock | 13 | — | — | — | — | — | — | X | — | — |
Electrical Connections
CAUTION
The electronic modules are static sensitive. To avoid damage caused by static discharge, follow Electro-Static Discharge safety procedures.
- Apply strain relief to on-site cables.
- Seal any unnecessary apertures with cable grommets (not cut open).
WARNING
Incorrect wiring can lead to serious injury from electrical current and result in appliance damage. Take the following measures to prevent wires drifting into the adjacent voltage area:
- Route low voltage leads away from 120V or other high voltage cables.
- Secure with cable ties.
- Strip as little of the insulation as possible, directly before the terminals. Bundle the cables close to the corresponding terminals.
- If 2 components are connected to the same terminal, press both wires together in a single wire ferrule.
Connecting External Functions

Legend
- Enable signal
- Junction box

Legend
- Enable signal
- Junction box
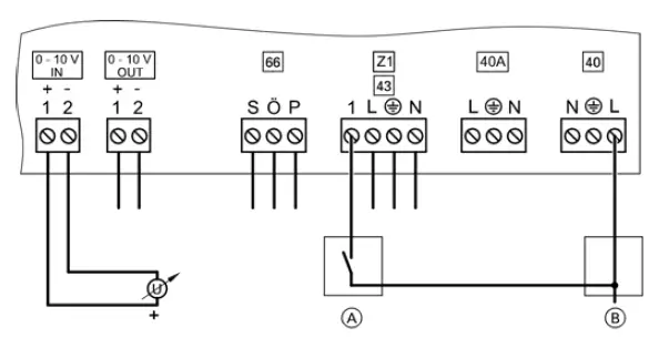
Connecting external default set supply temperature: 0 – 10V IN
Analog input for connecting the external default set supply temperature or the external default output When making the connection, ensure correct polarity of the DC control voltage 0 – 10V.
Note: No galvanic separation is required between the earth conductor and the negative pole of the on-site power source.
The 0 to 10V hook-up generates the following set supply temperatures:
<1V No default set supply temperature
- 1V
10°C - 10V
100°C or max. set supply temperature in accordance with factory-set limit for boiler
If 120V voltage is present at digital input 43-1, the external default set supply temperature is enabled.
Connecting an external default output: 0 – 10V IN
Analog input for connecting the external default set supply temperature or the external default output When making the connection, ensure correct polarity of the DC control voltage 0 – 10V.
Note: No galvanic separation is required between the earth conductor and the negative pole of the on-site power source. The 0 to 10V hook-up generates the following default output for the boiler:
- < 1V
0% - 1V
10% or lower modulation limit - 10V
100%
If 120V voltage is present at digital input 43-1, the external default output is enabled.
Connecting External Functions (continued)


Legend
- A Signal for external demand or external blocking
- B Junction box
Connecting the operating mode changeover: DI1 to DI3
Continuous operation or room temperature dependent operation
As soon as the contact closes, the following demands become active:
- Set supply temperature demand for the system
- Demand for all installed heating circuits simultaneously, at the respective programmed temperature level of the individual heating circuit:
- DI1 Reduced supply temperature
- DI2 Standard supply temperature
- DI3 Comfort supply temperature (Only with continuous operation)
- External contacts at DI1, DI2 and DI3 must be potential-free.
Weather-compensated operation
As soon as the contact closes, the following demand becomes active:
Demand for all installed heating circuits simultaneously, with the respective programmed set room temperature of the individual heating circuit:
- DI1 Reduced room temperature
- DI2 Standard room temperature
- DI3 Comfort temperature
Connecting external demand: 43
The demand is active if 120V voltage is present at digital input 43-1. A demand is issued to the boiler. The set values for the supply temperature and the speed of the primary pump are specified with parameters 528.0 and 1100.2.
Connecting external blocking: 43
If 120V voltage is present at digital input 43-1, the boiler is blocked. The message I.57 is shown.
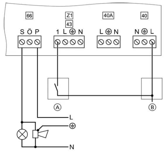
Connecting the Fault Message Input and Fault Message Output

Legend
- A Signal for external demand or external blocking
- B Junction box
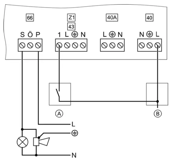
Connecting the fault message input and fault message output Connection without system blocking via 120V fault message input: 43
- Fault message input 43-1 and conductor L of the power supply at plug 40 must be connected in phase.
- Rated current at floating fault message output hH: Max. 66.
The fault message is active if 120V voltage is present at digital input 43-1. Floating fault message output 66 is switched over from “Ö” to “S”.
Connecting the Fault Message Input and Fault Message Output (continued)
Legend
- Fault message facility
- Junction box


Connection without system blocking via 120V fault message input: 43
- Fault message input 43-1 and conductor L of the power supply at plug 40 must be connected in phase.
- Rated current at floating fault message output 66 Max. 1A ~.
The fault message is active if 120V voltage is present at digital input 43-1. Floating fault message output hH is switched over from “Ö” to “S”.
Connection with system blocking via 24V fault message input: DI1
Example: Connecting a condensate removal pump
Note:
- External contacts at DI1 must be potential-free.
- Rated current at fault message output 66 Max. 1 A ~.
- The fault messaging is active if the digital fault message input DI1 is closed. The boiler is blocked.
- Floating fault message output 66 is switched over from “Ö” to “S”. Fault message F.104 is shown.
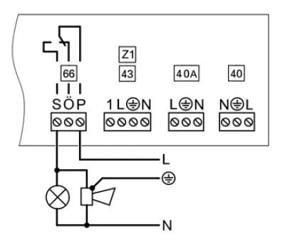
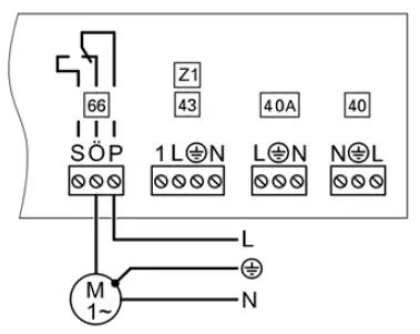
Connecting only message facility: 66
Example: Buzzer with illuminated signal switched in parallel
Connecting the External LPG Valve: 43

- Output 43-L is active as soon as the burner control unit starts the burner. The external LPG valve opens.
Connecting the External Extractor Interlock: 66
- Example: Extractor hood The floating contact switches from “Ö” to “S” as soon as the burner control unit starts the burner. The extractor is switched off.

Connecting the PlusBus to the Boiler

Legend
- A Extension (electronics module)
- B PlusBus to boiler
Note: If making the connection to the boiler with an external plug for the bus connection, disconnect plug 74 and connect the wires directly.
Boiler installation and service instructions
Power Supply

Legend
- A Extension EA1
WARNING
- Incorrectly executed electrical installations can result in injuries from electrical current and in equipment damage.
Connect the power supply (see page 4) and implement all grounding measures (e.g. RCD circuit) in accordance with the following regulations:
- In Canada all electrical wiring is to be done in accordance with the latest edition of CSA C22.1 Part 1 and/or local codes. In the U.S. use the National Electrical Code ANSI/NFPA 70. The heating contractor must also comply with both the Standard for Controls and Safety Devices for Automatically Fired Boilers, ANSI/ASME CSD-1, and the Installation Code for Hydronic Heating Systems, CSA B214-01, where required by the authority having jurisdiction.
- Connection requirements specified by your local power supply utility
- Protect the power cable with max. 15A
WARNING
- The absence of component grounding in the system can lead to serious injury from electrical current if an electrical fault occurs. Connect the appliance and pipework to the equipotential bonding of the building in question.
- Incorrect core allocation can result in serious injury and damage to the appliance. Never interchange cores “L” and “N”.
- An incorrect phase sequence can cause damage to the appliance. Check for phase equality with the power supply connection of the control unit.
Rotary Switch S1 for Subscriber Number Addressing

Set rotary switch S1 to a consecutive numbers as shown in the example below:
- 1st EM-EA1 extension: Rotary switch to 1
- 2nd EM-EA1 extension: Rotary switch to 2
- 3rd EM-EA1 extension: Rotary switch to 3
Note: These settings are independent of the settings made at other extensions, such as EM-M1 (mixeing module). If an EM-EA1 extension (DIO electronics module) has the setting 1, an EM-M1 or EM-P1 extension (ADIO electronics module) can also have the setting 1.
Configuring Functions
Set the connected function during commissioning of the boiler. Commissioning assistant boiler installation and service instructions
Setting for the connected function in the commissioning assistant:
| Function | Setting |
| External functions External default set supply temperature External default output Operating mode changeover External demand External blocking | “External set supply temperature 0 to 10V” “External default output 0 to10V” “Operating mode changeover” “External demand” “External blocking” |
| Fault message input and fault message output Connection without system blocking Connection with system blocking, 120V Connection with system blocking, 24V Connecting only message facility (e.g. buzzer) | “Fault message input 120V and fault message output” “Fault message input 120V and block system” “Fault message input 24V and block system” “Fault message output 120V” |
| External LPG valve | “LPG valve” |
| External extractor interlock | “Cooker hood” |
Wiring Diagram

Legend
| Legend DI1 | Digital input 1 | ||
| DI2 | Digital input 2 | Z1 fD | 120V relay output, 120V input |
| DI3 | Digital input 3 | fÖ | Power supply |
| 0 – 10V IN | 0 – 10V input | fÖ A | Power supply for additional accessories |
| 0 – 10V OUT | 0 – 10V output | hH | Changeover contact (floating switching |
| F4 | Fuse 2 A (slow) | contact) for connecting signalling | |
| PWM1 | Control voltage output | equipment for fault messages or an | |
| S1 | Rotary switch for subscriber number | extractor hood | |
| addressing | jF | PlusBus | |
Specifications
| Rated voltage | 120V ~ |
| Rated frequency | 60 Hz |
| Rated current | 2A |
| Power consumption – electronics | 2.8 W |
Permissible ambient temperature
| 32 to 104°F (0 to +40°C) -4 to +140°F (–20 to +60°C) |
| Output for rated breaking capacity hH (floating) | 1A, 120V~ |
| Rated breaking capacity of output Z1 fD | 1A, 120V~ |
- Scan for digital copy of this document

Viessmann Manufacturing Company Inc. 750 McMurray Road Waterloo, Ontario. N2V 2G5 Canada Techlnfo Line 1-888-484-8643 1-800-387-7373 Fax (519) 885-0887
Viessmann Manufacturing Company (U.S.) Inc. 45 Access Road Warwick, Rhode Island 02886 USA Techinfo Line 1-844-649-5886 1-800-288-0667 Fax (401) 732-0590 www.viessmann-us.com [email protected]



























