AMDa 4700S 8-CORE Desktop Kit

ADDITIONAL INFORMATION
Refer to the following sources for additional information and for product and software updates:
AMD website: www.amd.com/desktopkit
The AMD website provides updated information on AMD hardware and software products.
Optional documentation: Your product package may include optional documentation, such as warranty flyers, that may have been added by your dealer. These documents are not part of the standard package.
PACKAGE CONTENTS
Your box includes an AMD 4700S Desktop Kit which consists of:
- MINI-ITX MOTHERBOARD
Desktop Kit includes the following which is already installed and/or mounted on the Motherboard:- AMD PROCESSOR BUILT ON “ZEN 2” ARCHITECTURE
- 8GB OR 16GB MEMORY
- A THERMAL SOLUTION
- INSTALLATION INSTRUCTIONS
- 2-YEAR LIMITED HARDWARE WARRANTY
- 2x SATA CABLES
- I/O SHIELD
SPECIFICATIONS
| CPU | AMD 4700S 8-Core Processor “Zen 2” architecture |
| Memory | 8GB or 16GB GDDR6 |
| FCH | AMD A77E Fusion Controller Hub |
| Super I/O | ITE IT8772E |
| LAN | Asix AX88179 Gigabit Ethernet controller |
| Audio codec* | Realtek ALC897 |
| BIOS ROM | 16MB |
| Expansion slot | 1x PCIe x16 slot, supports x4 signal |
|
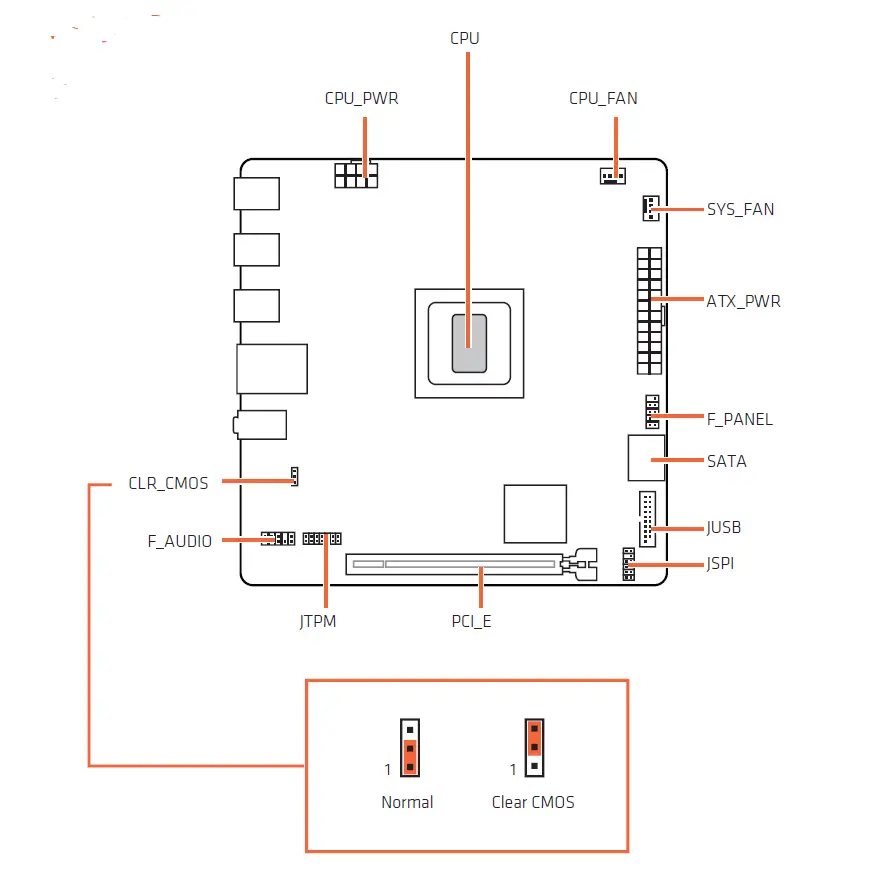
Internal connectors | 1x 24-pin ATX main power connector 1x 8-pin ATX 12V power connector 2x SATA 6Gb/s connectors 1x USB3.2 Gen1 5Gbps connector 1x 4-pin CPU fan connector 1x 4-pin system fan connector 1x Front panel audio connector 1x System panel connector 1x Clear CMOS jumper 1x Dubug 80 port connectorx |
| Rear I/O | 4x USB2.0 Type-A ports 3x USB3.2 Gen2 10Gbps Type-A ports 1x LAN (RJ45) port 1x USB3.2 Gen1 5Gbps Type-A ports 3x audio jacks |
SAFETY INFORMATION
ELECTRICAL SAFETY
- To prevent electrical shock hazard, disconnect the power cable from the electrical outlet before relocating the system.
- When adding or removing devices to or from the system, ensure that the power cables for the devices are unplugged before the signal cables are connected. If possible, disconnect all power cables from the existing system before you add a device.
- Before connecting or removing signal cables from the Desktop Kit, ensure that all power cables are unplugged.
- Seek professional assistance before using an adapter or extension cord. These devices could interrupt the grounding circuit.
- Ensure that your power supply is set to the correct voltage in your area. If you are not sure about the voltage of the electrical outlet you are using, contact your local power company.
- If the power supply is broken, do not try to fix it by yourself. Contact a qualified service technician or your retailer.
OPERATION SAFETY
- Before installing the Desktop Kit and adding components, carefully read all the manuals that came with the package.
- Before using the product, ensure all cables are correctly connected and the power cables are not damaged. If you detect any damage, contact your dealer immediately.
- To avoid short circuits, keep paper clips, screws, and staples away from connectors, slots, sockets and circuitry.
- Avoid dust, humidity, and temperature extremes. Do not place the product in any area where it may be exposed to moisture.
- Place the product on a stable surface.
- If you encounter technical problems with the product, contact a qualified service technician or your retailer.
- Your Desktop Kit should only be used in environments with ambient temperatures between 0°C and 40°C.
OVERVIEW OF COMPONENTS


REAR I/O PANEL QUICK GUIDE
AMD 4700S DESKTOP KIT INSTALLATION

MOUNTING AND I/O PLATES
When installing the motherboard, first install the necessary mounting stands required for the motherboard on the mounting plate in your computer case.
If there is an I/O back plate that came with the computer case, please replace it with the I/O backplate that came with the motherboard package. The I/O backplate should snap easily into the computer case without the need for any screws.
[Fig. 1] Align the mounting plate’s mounting stands with the screw holes on the motherboard and secure the motherboard with the screws provided with your computer case. The locations of the screw holes on the motherboard are shown on the left For more information, please refer to the manual that came with the computer case.
[Fig. 1] The I/O ports should be facing toward the rear of the computer case. They should line up with the holes on the I/O backplate.
- Install the motherboard on a flat surface free from unnecessary debris.
- To prevent damage to the motherboard, any contact between the motherboard circuitry and the computer case, except for the mounting stands, is prohibited.
- Please make sure there are no loose metal components on the motherboard or within the computer case that may cause a short circuit of the motherboard.

POWER SUPPLY
[Fig. 2] These connectors allow you to connect an ATX power supply. To connect the ATX power supply, align the power supply cable with the connector and firmly press the cable into the connector. If done correctly, the clip on the power cable should be hooked on the motherboard’s power connector. Make sure that all the power cables are securely connected to a proper ATX power supply to ensure stable operation of the motherboard.

GRAPHICS CARD
- [Fig. 3] Line up the graphics card on top of the PCIe® x16 expansion slot with the display ports facing out of the computer case.
- Push the graphics card into its expansion slot.
Please consult your graphics card’s manual for further instructions regarding driver installation or other special settings.
BIOS AND DRIVERS
After you install the operating system you will need to install the latest drivers to maximize the performance of the new AMD 4700S Desktop Kit-based computer you just built. Drivers allow you to utilize the Desktop Kit more efficiently and to take advantage of any special features AMD provides.
The latest drivers for the AMD 4700S Desktop Kit are available at www.amd.com/en/support
WARRANTY INFORMATION
- CERTIFICATE OF AUTHENTICITY
- READ THIS FIRST
- TWO-YEAR LIMITED WARRANTY
THIS CERTIFICATE IS YOUR ASSURANCE THAT THE DESKTOP KIT YOU HAVE OBTAINED IS A PRODUCT OF ADVANCED MICRO DEVICES, INC.
The contents of this document are provided in connection with Advanced Micro Devices (AMD), Inc. products. AMD makes no representations or warranties with respe to the accuracy or completeness of the contents of this publication and reserves the right to make changes to specifications and product descriptions at any time without notice. No license, whether express, implied, arising by estoppel or otherwise, to any intellectual property rights is granted by this publication. Except for purchasers buying products directly from AMD pursuant to AMD’s Standard Terms and Conditions of Sale and except for the express, limited warranties set forth in this insert or on www.amd. com/warranty, AMD disclaims all implied warranties including, without limitation, the implied warranty of merchantability, fitness for a particular purpose or infringement of any intellectual property right.
Your AMD Processor is not designed, intended, authorized for use as a component in any system intended for surgical implant into the body, or in any other application intended to support or sustain life, or in any other application in which the failure of AMD’s product could create a situation where personal injury, death, or severe property or environmental damage may occur. Any such use will cause this Limited Warranty to be null and void, and you agree to indemnify and hold AMD harmless from and against any and all third-party lawsuits or other claims for losses, costs and damages against AMD that arise out of or in connection with such use For products purchased in Australia, the following provision applies: Our goods come with guarantees that cannot be excluded under the Australian Consumer Law. You are entitled to a replacement or refund for a major failure and for compensation for any other reasonably foreseeable loss or damage. You are also entitled to have the goods repaired or replaced if the goods fail to be of acceptable quality and the failure does not amount to a major failure.
CONGRATULATIONS ON YOUR PURCHASE OF AN AMD DESKTOP KIT.
Please follow these instructions carefully to help ensure the most positive experience with your system.
WARNING
- As with all computer equipment, the Desktop Kit can be damaged by Electro Static Discharge (ESD). Take proper ESD precautions when handling the Desktop Kit.
- To ensure full compliance with the AMD Limited Warranty for the Desktop Kit, a thermal solution must be used. This Desktop Kit includes a thermal solution that must be used.
- The Desktop Kit is intended to be operated only within the associated AMD published specifications and factory settings (AMD Specifications) and may only be used with socket infrastructure set forth in such specification. Operation of the Desktop Kit outside of the AMD Specifications, including but not limited to use with a socket infrastructure other than the socket infrastructure set forth in the specification, may damage the processor and/or lead to other problems, including but not limited to: damage to your system components including your motherboard and components thereon (e.g. memory); system instabilities (e.g. data loss and corrupted images); reduction in system performance; shortened processor, system component and/or system life; and in extreme cases, total system failure




![Asus Notebook Pc [e12461] User Manual Asus Notebook Pc [e12461] User Manual](https://static-data1.manualsee.com/1/img/386/16066/2020/12/Asus-Notebook-PC-E12461.jpg)
![Asus Notebook Pc [e12415] User Manual Asus Notebook Pc [e12415] User Manual](https://static-data1.manualsee.com/1/img/23/16908/2020/12/Asus-Notebook-PC.jpg)













