Mackie Multimedia Monitors with Bluetooth Owner’s Manual

Important Safety Instructions
- Read these instructions.
- Keep these instructions.
- Heed all warnings.
- Follow all instructions.
- Do not use this apparatus near water
- Clean only with a dry cloth.
- Do not block any ventilation openings. Install in accordance with the manufacturer’s instructions.
- Minimum distance (5 cm) around the apparatus for sufficient ventilation.
- Do not install near any heat sources such as radiators, heat registers, stoves, or other apparatus (including amplifiers) that produce heat.
- No naked flame sources, such as lighted candles, should be placed on the apparatus.
- Do not defeat the safety purpose of the polarized or grounding-type plug. A polarized plug has two blades with one wider than the other. A grounding-type plug has two blades and a third grounding prong. The wide blade or the third prong are provided for your safety. If the provided plug does not fit into your outlet, consult an electrician for replacement of the obsolete outlet.
- Protect the power cord from being walked on or pinched particularly at plugs, convenience receptacles, and the point where they exit from the apparatus.
- Only use attachments/accessories specified by the manufacturer.
- Use only with a cart, stand, tripod, bracket, or table specified by the manufacturer, or sold with the apparatus. When a cart is used, use caution when moving the cart/apparatus combination to avoid injury from tip-over.

- Unplug this apparatus during lightning storms or when unused for long periods of time.
- Refer all servicing to qualified service personnel. Servicing is required when the apparatus has been damaged in any way, such as power-supply cord or plug is damaged, liquid has been spilled or objects have fallen into the apparatus, the apparatus has been exposed to rain or moisture, does not operate normally, or has been dropped.
- This apparatus shall not be exposed to dripping or splashing, and no object filled with liquids, such as vases or beer glasses, shall be placed on the apparatus.
- Do not overload wall outlets and extension cords as this can result in a risk of fire or electric shock.

The lightning flash with arrowhead symbol within an equilateral triangle is intended to alert the user to the prescence of uninsulated “dangerous voltage” within the product’s enclosure, that may be of significant magnitude to constitute a risk of electric shock to persons.
The exclamation point within an equilateral triangle is intended to alert the user of the prescence of important operating and maintaining (servicing) instructions in the literature accompanying the appliance.
WARNING — To reduce the risk of fire or electric shock, do not expose this apparatus to rain or moisture.
CAUTION These servicing instructions are for use by qualified service personnel only. To reduce the risk of electric shock, do not perform any servicing other than that contained in the operating instructions unless you are qualified to do so. - This apparatus has been equipped with a rocker-style AC mains power switch. This switch is located on the rear panel and should remain readily accessible to the user.
- The MAINS plug or an appliance coupler is used as the disconnect device, so the disconnect device shall remain readily operable.
- Explanation of symbol, marking, signal lamp or similar means indicates that the apparatus is completely disconnected from the mains.
- WARNING: Please refer to the information on exterior bottom enclosure for electrical and safety information before installing or operating the apparatus
- The use of apparatus is in tropical climates.
- NOTE: This equipment has been tested and found to comply with the limits for a Class B digital device, pursuant to part 15 of the FCC Rules. These limits are designed to provide reasonable protection against harmful interference in a residential installation. This equipment generates, uses, and can radiate radio frequency energy and, if not installed and used in accordance with the instructions, may cause harmful interference to radio communications. However, there is no guarantee that interference will not occur in a particular installation. If this equipment does cause harmful interference to radio or television reception, which can be determined by turning the equipment off and on, the user is encouraged to try to correct the interference by one or more of the following measures:
- Reorient or relocate the receiving antenna.
- Increase the separation between the equipment and the receiver
- Connect the equipment into an outlet on a circuit different from that to which the receiver is connected.
- Consult the dealer or an experienced radio/TV technician for help.
CAUTION: Changes or modifications to this device not expressly approved by LOUD Audio, LLC. could void the user’s authority to operate the equipment under FCC rules
- This apparatus does not exceed the Class B limits for radio noise emissions from digital apparatus as set out in the radio interference regulations of the Canadian Department of Communications. Canada ICES-003(B)/NMB-003(B)
ATTENTION — Le présent appareil numérique n’émet pas de bruits radioélectriques dépassant las limites applicables aux appareils numériques de class A/de class B (selon le cas) prescrites dans le réglement sur le brouillage radioélectrique édicté par les ministere des communications du Canada.
This equipment is a Class II or double insulated electrical appliance. It has been designed in such a way that it does not require a safety connection to electrical earth.- This device complies with Part 15 of the FCC rules and Industry Canada’s license-exempt RSS standard(s). Operation is subjected to the following two conditions: (1) this device may not cause harmful interference, and (2) this device must accept any interference received, including interference that may cause undesired operation.
- Exposure to extremely high noise levels may cause permanent hearing loss. Individuals vary considerably in susceptibility to noise-induced hearing loss, but nearly everyone will lose some hearing if exposed to sufficiently intense noise for a period of time. The U.S. Government’s Occupational Safety and Health Administration (OSHA) has specified the permissible noise level exposures shown in the following chart. According to OSHA, any exposure in excess of these permissible limits could result in some hearing loss. To ensure against potentially dangerous exposure to high sound pressure levels, it is recommended that all persons exposed to equipment capable of producing high sound pressure levels use hearing protectors while the equipment is in operation. Ear plugs or protectors in the ear canals or over the ears must be worn when operating the equipment in order to prevent permanent hearing loss if exposure is in excess of the limits set forth here:
| Duration, per day in hours | Sound Level dBA, Slow Response | Typical Example |
| 8 | 90 | Duo in small club |
| 6 | 92 | |
| 4 | 95 | Subway Train |
| 3 | 97 | |
| 2 | 100 | Very loud classical music |
| 1.5 | 102 | |
| 1 | 105 | Craig screaming at Troy about deadlines |
| 0.5 | 110 | |
| 0.25 or less | 115 | Loudest parts at a rock concert |
Correct disposal of this product: This symbol indicates that this product should not be disposed of with your household waste, according to the WEEE directive (2012/19/EU) and your national law. This product should be handed over to an authorized collection site for recycling waste electrical and electronic equipment (EEE). Improper handling of this type of waste could have a possible negative impact on the environment and human health due to potentially hazardous substances that are generally associated with EEE. At the same time, your cooperation in the correct disposal of this product will contribute to the effective usage of natural resources. For more information about where you can drop off your waste equipment for recycling, please contact your local city office, waste authority, or your household waste disposal service.
2 CR-XBT Multimedia Monitors
Feature
Signature CR Series Sound
- Professional studio-quality sound
- Perfect upgrade for your desktop speakers
- Great for home studios, content creators, gaming, listening to your favorite tunes, and more
Bluetooth® Streaming
- Stream music from any Bluetooth enabled device directly to your monitors
Plug and Play
- Choose which side of your desk gets the volume knob with the convenient speaker placement switch
- Convenient front panel volume knob with gives you on/off/volume control
- Front-facing headphone jack auto-defeats speaker output
- Flexible inputs 1/4″, Bluetooth, RCA and 1/8″ [CR5-XBT, CR8-XBT]
Fresh Look
- Brushed metal front panel
- Distinct outlined design in CR Green
Included Accessories
- 1/8″ to stereo RCA cable to connect computer output to speakers
- Speaker-to-speaker cable
- 1/8″ to 1/8″ cable to connect a smartphone or media player to rear panel of speakers [CR5-XBT, CR8-XBT]
- Acoustic isolation pads [CR5-XBT, CR8-XBT]
CR8S-XBT 8″ subwoofer with Bluetooth offers dedicated bass reinforcement
- Perfect addition to any CR Series monitors
- Included CRDV Desktop Volume control for easy control over the whole system with separate subwoofer level
Introduction
CR-XBT Series Creative Reference Multimedia Monitors offer studio-quality sound with cosmetics that compliment any desk whether you’re making music, creating content, or just relaxing to your favorite tunes. The sleek design of CR-XBT features a brushed metal panel and a distinct outline that stands out. Available in a vast range of sizes with Bluetooth® option plus an 8″ subwoofer with Bluetooth, CR-XBT has the perfect match for your needs. Upgrade your listening experience with Mackie CR-XBT Creative Reference Multimedia Monitors.
How to Use This Manual: After this introduction, a getting started guide will help you get things set up fast. The hookup diagrams show some typical setups, while the remaining sections provide details of the CR3-XBT, CR4-XBT, CR5-XBT and CR8-XBT monitors.
This icon marks information that is critically important or unique to these monitors. For your own good (and our peace of mind), please read and remember them. You will be quizzed later.
Please write the serial numbers here for future reference (i.e., insurance claims, tech support, return authorization, make dad proud, etc.)

Purchased at:
Date of purchase:
Getting Started
We realize that you can’t wait to hook up your CR-XBT Multimedia Monitors and try them out. Nevertheless, please take the time to read this page NOW, and the rest can wait until you’re good and ready.
- Turn the volume control on the front of the powered CR-XBT monitor down (fully counterclockwise) before turning the unit on for the first time.
- Set the power switch on the back panel off. This will prevent you from accidentally connecting a hot signal source to the monitor and getting a rude surprise.
- Connect the black () and red (+) speaker wires from the powered monitor’s ± spring clips to the passive monitor’s ± spring clips.
- Connect the affixed line cord into an AC outlet. The monitor may accept the appropriate voltage as indicated on the back panel.
- Turn on the power switch on the rear panel of the CR-XBT monitor.
- Connect your device via Bluetooth [instructions on pages 8-9]… …OR… Connect the line-level monitor signal from your computer, mixer, or other signal source to the input jacks on the rear panel of the monitor (1/4″, RCA or 1/8″).
- Turn the front panel volume control clockwise until the monitor “clicks” on and the ring surrounding the volume knob illuminates.
- Play an audio file and slowly turn the front panel volume control to a comfortable listening level. If you desire a more thorough walk-through
of your CR-XBT monitors, there is a wealth of information in the following pages!
Additional Tidbits of Wisdom
- Never listen to loud music for prolonged periods. Please see the Safety Instructions on page 2 for information on hearing protection.
- When you shut down your equipment, turn off the monitors first to prevent thumps and other noises generated by any upstream equipment from coming out the speakers. When powering up, turn on the monitors last.
- Save the sales receipt and original packaging in case you ever need warranty service. See page 16 for details.
Hookup Diagrams

The illustration above shows a typical use for CR-XBT Series Multimedia Monitors. Everyone needs tunes while working, right… or is it just me? In this example, simply connect the (included) cable from the computer’s 1/8″ output jack to the L/R RCA inputs of the powered CR-XBT Series Multimedia Monitor. If you prefer to use 1/4″ inputs instead of RCA inputs, that option is available, too. As seen above, the CR5-XBT and CR8-XBT also have an 1/8″ input jack if that’s more your jam. Next we’ll want to connect the passive speaker. The included black () and red (+) speaker wires should be connected from the powered monitor’s ± spring clips to the passive monitor’s ± spring clips as detailed by the dotted lines above: Connect black () to black () and red (+) to red (+). Almost there! Move the `Powered Speaker Position Select’ switch to either the “L” or “R” position based on whether the powered reference monitor the one with the volume knob will be on the left or right side. Now position the monitors where you would like them. Play audio through the computer, making sure that the volume of the computer and monitors are above “0”. Last step: move the monitors around until the optimal sound has been achieved and adjust volume to taste. Optional (CR5-XBT and CR8-XBT): place the included acoustic isolation pads underneath the monitors to minimize boomy bass build-up and provide up/down tilt control for more focused listening.
Hookup Diagrams continued…

The illustration above shows a common use for CR-XBT Series Multimedia Monitors. Perhaps a friend created a playlist on their smartphone and wants to share it. With great hesitation, you finally oblige. Everyone has that one friend with terrible taste in music. We know, it happens. In this example, a smartphone is connected to the CR-XBT Series Multimedia Monitors via Bluetooth. Next we’ll want to connect the passive speaker. The included black () and red (+) speaker wires should be connected from the powered monitor’s ± spring clips to the passive monitor’s ± spring clips as detailed by the dotted lines above: Connect black () to black () and red (+) to red (+). Almost there! Move the `Powered Speaker Position Select’ switch to either the “L” or “R” position based on whether the powered reference monitor the one with the volume knob will be on the left or right side. Now position the monitors where you would like them. Play audio through the smartphone making sure that the volume of the smartphone and monitors are above “0”. Last step: move the monitors around until the optimal sound has been achieved and adjust volume to taste. Optional: plugging a pair of headphones into the 1/8″ headphones jack auto-defeats the speaker output. The front panel volume control then controls the level going to the phones.
CR-XBT: Rear Panel Features

- Ac Line Cord Plug the attached power cord into a live AC outlet that has the correct voltage indicated on the rear panel
- Power Switch Press this switch left to turn the CR-XBT multimedia monitors on. Make sure the volume knob is off [fully counter-clockwise] before turning it on. The ring surrounding the Running Man logo on the front panel illuminates white when the CR-XBT multimedia monitor is plugged into an AC outlet, the power switch is turned on and the front panel volume control is turned clockwise until the monitor “clicks” on. Press the right side of this switch down to turn the CR-XBT multimedia monitors off.
- Signal Inputs Connect the line-level signal from a computer, mixer, or other signal source to one pair of these input jacks. There are two types of input connectors to choose from: 1/4″ line-level signals driven by balanced or unbalanced sources or RCA line-level signals driven by unbalanced sources. Since these are connected together electrically, do not connect more than one signal at a time to the input jacks. A balanced signal provides better noise rejection and is the preferred method, especially if using a cable longer than 20 feet (6 meters). They are wired as follows, according to standards specified by the AES (Audio Engineering Society):
1/4″ TRS Balanced Mono Wiring:
Sleeve = Shield (Ground)
Tip = Hot (+) Ring = Cold ()

To connect unbalanced lines to these inputs, use a 1/4″ mono (TS) phone plug, wired as follows:
1/4″ TS Unbalanced Mono Wiring:
Sleeve = Shield (Ground)
Tip = Hot (+)

The unbalanced RCA plugs are wired as follows:
Unbalanced RCA
Sleeve = Shield (Ground)
Tip = Hot (+)
- 1/8″ Stereo Input [CR5-XBT and CR8-XBT]Connect a line-level signal from an MP3 player, phone or other signal source to this input jack using an unbalanced 1/8″ connector.It is wired as follows, according to standards specified by the AES (Audio Engineering Society): Stereo 1/8″ TRS Sleeve = Shield (Ground) Tip = Left Channel Ring = Right Channel
- Powered Speaker Position Select Switch Here you get to decide if the powered monitor is to be positioned on the left side (switch up) or right side (switch down) of the desk. One convenience is that it keeps the power cord, front and/or rear panel connections from crossing your work space. Additionally, it doesn’t discriminate between right or left-handed users. Simply set it up to suit your preference.
- Wire Terminals (±) Connect the included black () and red (+) speaker wires from the powered monitor’s ± spring clips [big green ball number 6 on the previous page] to the passive monitor’s ± spring clips (as seen to the right).

- Custom-Tuned Rear Port The custom-tuned rear port uses the radiation from the rear of the woofer cone to extend the low-frequency response of the speaker. The size of the port is carefully designed with respect to the volume of the cabinet and the characteristics of the woofer to produce low-frequency extension.
- Phones Output This 1/8″ TRS connector supplies the output to stereo headphones. The volume is controlled with the volume knob. The signal to the power amp is killed when headphones are connected. The phones output is wired as follows, according to standards specified by the AES (Audio Engineering Society): Stereo 1/8″ TRS Sleeve = Shield (Ground) Tip = Left Channel Ring = Right Channel
Warning: The headphone amp is loud and could cause permanent hearing damage. Even intermediate levels may be painfully loud with some headphones. BE CAREFUL! Always turn the volume knob all the way down before connecting headphones. Then turn it up slowly as you listen carefully.
- Volume Knob CR-XBT Series multimedia monitors expect a line-level signal at its input. Use this control to adjust the sensitivity of the input section according to the signal strength at its input. The volume knob not only adjusts the overall output level, but it also turns the monitor on and off. Simply turn the knob counter-clockwise until it “clicks” off. Turn the knob clockwise to turn the volume up. Refer to the Quick Start section on page 4 for the level-setting procedure.
- Running Man Bluetooth Button / LED The ring surrounding the Running Man logo on the front panel illuminates white when the CR-XBT multimedia monitor is plugged into an AC outlet, the power switch is turned on and the front panel volume control is turned clockwise until the monitor “clicks” on. The logo isn’t just for pretty looks and LED illumination… it’s also how to connect your device to the monitor via Bluetooth! Read on… Upon powering up the CR-XBT, the Bluetooth function is either:
- In sleep mode. See `Pairing and connecting for the first time’ (next page) or…
- …Paired and connected. See `Previously paired and connected devices’ (next page).
Pairing and connecting for the first time: To enter pairing mode, press and release the Running Man logo it doubles as the Bluetooth button! The ring surrounding the button will illuminate and flash green for approximately 30 seconds while in pairing mode. [The LED will continue to flash until it has successfully paired and connected]. While CR-XBT is in pairing mode, simultaneously scan for Bluetooth devices on your smartphone. You should see CR-XBT appear in the list of “available devices”. Select it by tapping it. From there, your Bluetooth device should indicate that it is successfully connected. Additionally, the Bluetooth button will stop flashing and remain solid white. If it does not, start the pairing process again, and make sure that CR-XBT and your device are both in pairing mode at the same time. Even though these cables are included, they might need to be replaced at some point [e.g. cats play tug-of-war, you ran out of ribbon to tie a gift and used these instead]. Or perhaps you prefer to use the 1/4″ inputs. If so, we recommend using high-quality, shielded cables to connect the signal source to the signal input jacks on CR-XBT Series multimedia monitors.
Three types of input connectors are provided to interface with virtually any application you may have:
- Balanced TRS / Unbalanced TS cables work well with the 1/4″ inputs.
- Unbalanced phono cables work well with the RCA inputs.
- Unbalanced TRS cables work well with the 1/8″ input. [CR5-XBT and CR8-XBT]
Previously paired and connected devices: The Bluetooth connection will disconnect if it’s out of range. Previously paired and connected devices will automatically reconnect and the Running Man logo / Bluetooth button will illuminate (if the volume knob is at least clicked on).
While your Bluetooth device is connected to a CR-XBT, you can quickly press the Bluetooth button on the front of the unit to pause/play your audio (the same as if you’d pressed pause/play on your device).
The Bluetooth may disconnect when affected by Electrostatic Discharge [ESD]. Manually reconnect the Bluetooth connection.
11.Season Knob Have you ever wished that you could play the role of Mother Nature and change the season? Perhaps not, but we’re located in the cold, grey, dark Pacific Northwest and could use extra vitamin D in our systems! Rotate this knob to the season you desire. You will feel the knob “click” into place. Note that while there are four seasons listed, the in-between settings also work. For example, the last days of Winter heading into Spring are quite delightful `round these parts. Play with the settings and let us know what you like!
NOTE: Route the cable away from AC power cords and outlets. These are common sources for hum in an audio signal. Wall warts and line lumps are especially insidious hum inducers! NOTE: In certain home theater applications, it may be necessary to connect the speaker outputs from a stereo receiver to the inputs of the CR-XBT Series multimedia monitors if the receiver doesn’t have preamp outputs or other line-level output connections.
CAUTION: Do not attempt to connect a speaker output directly to the input of the CR-XBT Series multimedia monitor! Speaker levels are much higher than line levels and can damage the input circuitry in the CR-XBT Series multimedia monitors. However, it is possible to insert a speaker-level to line-level signal attenuator between the receiver’s speaker output and the CR-XBT Series multimedia monitor’s input. Any local authorized dealer should be able to assist, or you can build your own.
Input Signal Wiring
Included with the CR-XBT Series Multimedia Monitors are multiple accessories, including:
- 1/8″ to stereo RCA cable to connect computer output to speakers
- Speaker-to-speaker cable
- 1/8″ to 1/8″ cable to connect a smartphone or media player [CR5-XBT and CR8-XBT]
Care and Cleaning
CR-XBT Series multimedia monitors will provide many years of reliable service if you follow these guidelines.
- Avoid exposing the monitors to moisture.
- Avoid exposure to extreme cold (below freezing temperatures).
- Use a dry cloth to clean the cabinets. Only do this when the power is turned off.
Appendix A: Service Information
If you think your CR-XBT Multimedia Monitors have a problem, please check out the following troubleshooting tips and do your best to confirm the problem. Visit the Support section of our website (www.mackie.com/support) where you will find lots of useful information such as FAQs and other documentation. You may find the answer to the problem without having to part with your monitors.
Troubleshooting No power
- Make sure the power cord is plugged all the way into the AC outlet.
- Our favorite question: Is it plugged in? Make sure the AC outlet is live [check with a tester or lamp].
- Is the front panel volume control “clicked” on? The power is on only when the rear panel power switch is on and the front panel volume control is not fully counter-clockwise.
- Is the power LED on the front panel illuminated? If not, make sure the AC outlet is live. If so, refer to “No sound” below.
- The internal AC line fuse may be This is not a user serviceable part. If you suspect the AC line fuse is blown, please see the “Repair” section next.
No sound
- Is the level knob for the input source turned all the way down? Verify that all the volume controls in the system are properly
- Is the signal source turned up? Make sure the signal level from the computer, mixer, MP3 player, phone (or whatever device immediately precedes the multimedia monitors) is high enough to produce sound.
- If it’s a stereo pair, try switching them around. For example, if a left output is presumed dead, switch the left and right cords at the monitor If the problem switches sides, it’s not the monitor. It could be a bad cable, or no signal from the source.
Poor sound
- Is it loud and distorted? Make sure that you’re not overdriving a stage in the signal chain. Verify that all level controls are set
- Are the input connectors plugged completely into the jacks? Be sure all connections ar
- If possible, listen to the signal source with headphones plugged into the preamp stage. If it sounds bad there, it’s not the monitor.
- Too much bass or not enough bass? Move around the room and see if the bass response changes. It’s possible your listening position coincides with a room mode where the low frequencies either become exaggerated or nulled. If so, try moving the monitors to a different position, or moving your listening position.
Noise / Hum / Buzz
- Check the signal cable between the computer/mixer/ MP3 player/phone and the reference monitor. Make sure all connections are secure. These problems usually produce crackling noises, hum, or buzz.
- If connecting an unbalanced output to the CR-XBT Series reference monitor’s balanced input, make sure the shield is connected to the unbalanced ground of the source.
- Make sure the signal cable is not routed near AC cables, power transformers, or other EMI sources (including wall warts and line lumps!). These sources usually produce hum.
- Is there a light dimmer or other triac-based device on the same AC circuit as the monitor? Dimmers cause buzzing noises. Use an AC line filter or plug the monitor into a different AC circuit.
- Excessive hiss is an indication of an incorrect gain setting somewhere before the speaker.
- If possible, listen to the signal source with headphones plugged in. If it sounds noisy there, it’s not the monitor.
- Try disconnecting the cable connected to the input jack. If the noise disappears, it could be a “ground loop,” rather than a problem with the CR-XBT Multimedia Monitor. Try some of the following troubleshooting ideas:
- Use balanced connections throughout your system for the best noise rejection.
- Whenever possible, plug all the audio equipment’s line cords into outlets which share a common ground. The distance between the outlets and the common ground should be as short as possible.
Bluetooth or Other Issues
- Please email or call Technical Support if you are having Bluetooth or any other issue not listed here: o mackie.com/support-contact o 1-800-898-3211
Repair For warranty service, refer to the warranty information on page 16. Non-warranty service is available at a factory-authorized service center. To locate the nearest service center, visit www.mackie.com/support/service-locator. Service for CR-XBT Multimedia Monitors living outside the United States may be obtained through local dealers or distributors. If you do not have access to our website, please call our Tech Support department at 1-800-898-3211 (normal business hours, Pacific Time), to explain the problem. They will tell you where the nearest factory-authorized service center is located in your area.
Appendix B: Technical Information
CR-XBT Series Specifications Acoustic Performance
| Frequency Response (-10db) | 70Hz-20kHz[CR3-XBT] 60Hz-20kHz[CR4-XBT] 50Hz-20kHz[CR5-XBT] 40Hz-20kHz[CR8-XBT] |
| Frequency Response (-3db) | 80Hz-20kHz[CR3-XBT] 65Hz-20kHz[CR4-XBT] 69Hz-20kHz[CR5-XBT] 47Hz-20kHz[CR8-XBT] |
| Maximum SPL Peak Per Pair | 97 db[CR3-XBT] 100 db[CR4-XBT] 105db[CR5-XBT] 108db[CR8-XBT] |
| Crossover Frequency | 3.0kHz[CR3/4/5-XBT] 2.0kHz[CR8-XBT] |
Transducers
| LowFrequency | 3.0 in / 76 mm [CR3-XBT] 4.0 in / 102 mm [CR4-XBT] 5.0 in / 127 mm [CR5-XBT] 8.0 in / 203 mm [CR8-XBT] Polypropylene-coated woofer |
| High Frequency | 0.75in/19mm ferrofluid-cooled silk-dome tweeter |
Amplifiers
| Rated Power | 50 watts peak [CR3-XBT, CR4-XBT] 80 watts peak [CR5-XBT] 160 watts peak [CR8-XBT] |
| Design | Class D |
Input / Output
| Input Type | 1/4″ TRS Balanced / Unbalanced RCA Unbalanced 1/8″ Stereo Unbalanced [CR5-XBT, CR8-XBT] |
| Input Impedance | 20 k balanced bridging; 10 k unbalanced |
| Output Type | 1/8″ Stereo Headphones |
Power Requirements
| CR3-XBT and CR4-XBT | ~100V 240 VAC, 50 60 Hz, 60W |
| CR5-XBT | ~100V 240 VAC, 50 60 Hz, 80W |
| CR8-XBT | ~100V 240 VAC, 50 60 Hz, 150W |
Bluetooth Information
| Bluetooth Protocol | 4.2 |
| Bluetooth Protocol | Audio Streaming |
Construction Features
| Basic Design | Rectangular |
| Enclosure Construction | Solid MDF |
| Finish | Black Vinyl Wrap |
| Port Configuration | Custom-tuned rear port tube |
| Damping | Adiabatic batting |
| Display LED | Power ring (surrounding the Running Man logo) |
| Operating Temperature | 0 40 °C 32 104 °F |
Physical Properties
| CR3-XBT | |
| Height | 8.1 in / 206 mm |
| Width | 5.5 in / 140 mm |
| Depth | 7.1 in / 180 mm |
| Weight | 7.8 lb / 3.5 kg |
| CR4-XBT | |
| Height | 8.9 in / 225 mm |
| Width | 6.1 in / 155 mm |
| Depth | 8.3 in / 210 mm |
| Weight | 10.1 lb / 4.6 kg |
| CR5-XBT | |
| Height | 10.2 in / 260 mm |
| Width | 6.9 in / 175 mm |
| Depth | 9.3 in / 235 mm |
| Weight | 14.9 lb / 6.8 kg |
| CR8-XBT | |
| Height | 14.8 in / 376 mm |
| Width | 9.9 in / 251 mm |
| Depth | 13.6 in / 346 mm |
| Weight | 35.2 lb / 16.0 kg |
Disclaimer
Since we are always striving to make our products better by incorporating new and improved materials, components, and manufacturing methods, we reserve the right to change these specifications at any time without notice. The “Running Man” figure is a registered trademark of LOUD Audio, LLC. All other brand names mentioned are trademarks or registered trademarks of their respective holders, and are hereby acknowledged. ©2019 LOUD Audio, LLC. All Rights Reserved.
CR3-XBT Dimensions

CR4-XBT Dimensions

CR5-XBT Dimensions

CR8-XBT Dimensions

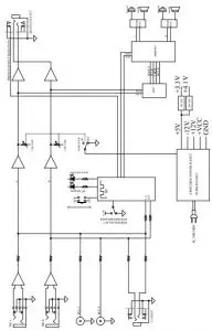
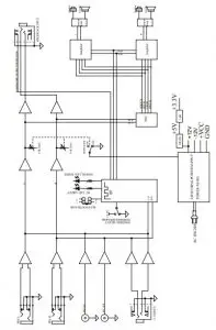
CR3/4/5-XBT Multimedia Monitors Block Diagram


Limited Warranty
Please keep your sales receipt in a safe place. This Limited Product Warranty (“Product Warranty”) is provided by LOUD Audio, LLC (“LOUD”) and is applicable to products purchased in the United States or Canada through a LOUD-authorized reseller or dealer. The Product Warranty will not extend to anyone other than the original purchaser of the product (hereinafter, “Customer,” “you” or “your”). For products purchased outside the U.S. or Canada, please visit www.mackie.com to find contact information for your local distributor, and information on any warranty coverage provided by the distributor in your local market. LOUD warrants to Customer that the product will be free from defects in materials and workmanship under normal use during the Warranty Period. If the product fails to conform to the warranty then LOUD or its authorized service representative will at its option, either repair or replace any such nonconforming product, provided that Customer gives notice of the noncompliance within the Warranty Period to the Company at: www.mackie.com or by calling LOUD technical support at 1.800.898.3211 (toll-free in the U.S. and Canada) during normal business hours Pacific Time, excluding weekends or LOUD holidays. Please retain the original dated sales receipt as evidence of the date of purchase. You will need it to obtain any warranty service. For full terms and conditions, as well as the specific duration of the Warranty for this product, please visit www.mackie.com. The Product Warranty, together with your invoice or receipt, and the terms and conditions located at www.mackie.com constitutes the entire agreement, and supersedes any and all prior agreements between LOUD and Customer related to the subject matter hereof. No amendment, modification or waiver of any of the provisions of this Product Warranty will be valid unless set forth in a written instrument signed by the party to be bound thereby.
Need help with the CR-XBT Multimedia Monitors?
- Visit www.mackie.com/support to find: FAQs, manuals, addendums, and other documents.
- Email us at: www.mackie.com/support-contact
- Telephone 1-800-898-3211 to speak with one of our splendid technical support chaps (Monday through Friday, normal business hours, Pacific Time).
![]()
19820 North Creek Parkway #201 Bothell, WA 98011 USA Phone: 425.487.4333 Toll-free: 800.898.3211 Fax: 425.487.4337 www.mackie.com



























