groen DEE/4T-60CTA/3 60 gal Steam Kettle

THIS MANUAL MUST BE RETAINED FOR FUTURE REFERENCE. READ, UNDERSTAND AND FOLLOW THE INSTRUCTIONS AND WARNINGS CONTAINED IN THIS MANUAL.
FOR YOUR SAFETY Instructions to be followed in the event user smells gas. This information shall be obtained by consulting your local gas supplier. As a minimum, turn off the gas and call your gas company and your authorized service agent. Evacuate all personnel from the area.
WARNING Improper installation, adjustment, alteration, service or maintenance can cause property damage, injury or death. Read the installation, operating and maintenance instructions thoroughly before installing or servicing this equipment.
NOTIFY CARRIER OF DAMAGE AT ONCE: It is the responsibility of the consignee to inspect the container upon receipt of same and to determine the possibility of any damage, including concealed damage. Unified Brands suggests that if you are suspicious of damage to make a notation on the delivery receipt. It will be the responsibility of the consignee to file a claim with the carrier. We recommend that you do so at once.
EQUIPMENT DESCRIPTION
The DEE/4 is a floor-mounted, tilting, steam jacketed kettle with an electronically controlled, self-contained, electrically-heated steam supply and appropriate controls, mounted on a sturdy base. The kettle is available in 20, 40, or 60 gallon capacities. The body of the kettle is constructed of stainless steel, welded into one solid piece. The kettle is furnished with a reinforced rim and a butterfly shaped pouring lip. It has a steam jacket rated for working pressures up to 50 PSI. Kettle finish is 180 emery grit on the inside and bright semi-deluxe on the outside.
The kettle can be tilted with a hand crank to pour out its contents. Stainless steel panels enclose the controls and the base. Four stainless steel, tubular legs support the unit. Bullet or flanged feet on each of the legs can be adjusted to level the kettle. A built-in steam generator, sized for the kettle capacity and heated by electricity, delivers steam into the jacket. “Airless” operation of the steam jacket permits uniform, efficient heating at temperatures as low as 100°F and as high as 287°F. In addition to the electronic temperature control, the unit has a tilt cut-off switch, Low water cut-off, safety valve, and high-limit pressure switch as safety features. A heating indicator light, pressure gauge, and sight glass are provided for monitoring kettle operation.
A single electrical connection is required for installation. The unit may be ordered for use with 208/240, 400 or 480 volt power. All kettles are wired for three-phase operation. Single-phase units are also available.
Options available include:
- 2” diameter tangent draw-off (product valve) (factory installed)
- Lift-off, hinged and power-assist covers
- Water fill faucets
- Basket cooking system
- Kettle brush kit
- Gallon etch marks (factory installed)
IMPORTANT – READ FIRST – IMPORTANT
- WARNING: BEFORE REPLACING ANY PARTS, DISCONNECT THE UNIT FROM THE ELECTRIC POWER SUPPLY.
- CAUTION: BE SURE ALL OPERATORS READ, UNDERSTAND AND FOLLOW THE OPERATING INSTRUCTIONS, CAUTIONS, AND SAFETY INSTRUCTIONS CONTAINED IN THIS MANUAL.
- WARNING: THIS UNIT IS INTENDED FOR USE IN THE COMMERCIAL HEATING, COOKING AND HOLDING OF WATER AND FOOD PRODUCTS, PER THE INSTRUCTIONS CONTAINED IN THIS MANUAL. ANY OTHER USE COULD RESULT IN SERIOUS PERSONAL INJURY OR DAMAGE TO THE EQUIPMENT AND WILL VOID WARRANTY.
- WARNING: KETTLE MUST BE INSTALLED BY PERSONNEL QUALIFIED TO WORK WITH ELECTRICITY AND PLUMBING. IMPROPER INSTALLATION CAN RESULT IN INJURY TO PERSONNEL AND/OR DAMAGE TO EQUIPMENT.
- DANGER: ELECTRICALLY GROUND THE UNIT AT THE TERMINAL PROVIDED. FAILURE TO GROUND UNIT COULD RESULT IN ELECTROCUTION AND DEATH.
- WARNING: AVOID ALL DIRECT CONTACT WITH HOT EQUIPMENT SURFACES. DIRECT SKIN CONTACT COULD RESULT IN SEVERE BURNS.
- WARNING: AVOID ALL DIRECT CONTACT WITH HOT FOOD OR WATER IN THE KETTLE. DIRECT CONTACT COULD RESULT IN SEVERE BURNS.
- CAUTION: DO NOT OVER FILL THE KETTLE WHEN COOKING, HOLDING OR CLEANING. KEEP LIQUIDS A MINIMUM OF 2-3” (5-8 cm) BELOW THE KETTLE BODY RIM TO ALLOW CLEARANCE FOR STIRRING, BOILING AND SAFE PRODUCT TRANSFER.
- WARNING: TAKE SPECIAL CARE TO AVOID CONTACT WITH HOT KETTLE BODY OR HOT PRODUCT WHEN ADDING INGREDIENTS, STIRRING OR TRANSFERRING PRODUCT TO ANOTHER CONTAINER.
- WARNING: WHEN TILTING KETTLE FOR PRODUCT TRANSFER:
- USE CONTAINER DEEP ENOUGH TO CONTAIN AND MINIMIZE PRODUCT SPLASHING.
- PLACE CONTAINER ON STABLE, FLAT SURFACE, AS CLOSE TO KETTLE AS POSSIBLE.
- DO NOT OVER FILL CONTAINER. AVOID DIRECT SKIN CONTACT WITH HOT CONTAINER AND ITS CONTENTS.
CAUTION: KEEP FLOORS IN FRONT OF KETTLE WORK AREA CLEAN AND DRY. IF SPILLS OCCUR, CLEAN IMMEDIATELY, TO AVOID SLIPS OR FALLS.
- WARNING: FAILURE TO CHECK PRESSURE RELIEF VALVE OPERATION PERIODICALLY COULD RESULT IN PERSONAL INJURY AND/OR DAMAGE TO EQUIPMENT.
- WARNING: DO NOT CONNECT ANY PIPING TO THE PRESSURE RELIEF VALVE. IT MUST BE FREE TO VENT STEAM AS NEEDED. TO AVOID BURNS FROM THE VENTED STEAM THE VALVE DISCHARGE SHOULD POINT DOWNWARD. IMPROPER INSTALLATION WILL VOID WARRANTY.
- WARNING: DO NOT STAND OR APPLY UNNECESSARY WEIGHT OR PRESSURE ON THE KETTLE FRONT OR POURING LIP. THIS COULD RESULT IN THE OVERLOAD AND FAILURE OF THE TILT MECHANISM, AND POSSIBLE SERIOUS INJURY AND BURNS TO THE OPERATOR AND OTHERS.
- NOTICE: NEVER LEAVE SANITIZER IN CONTACT WITH STAINLESS STEEL SURFACES LONGER THAN 10 MINUTES. LONGER CONTACT CAN CAUSE CORROSION.
- WARNING: WHEN TESTING, AVOID ANY EXPOSURE TO THE STEAM BLOWING OUT OF THE PRESSURE RELIEF VALVE. DIRECT CONTACT COULD RESULT IN SEVERE BURNS.
- WARNING: TO AVOID INJURY, READ AND FOLLOW ALL PRECAUTIONS STATED ON THE LABEL OF THE WATER TREATMENT COMPOUND.
- WARNING: KEEP WATER AND SOLUTIONS OUT OF CONTROLS AND ELECTRICAL EQUIPMENT. NEVER USE A HIGH PRESSURE HOSE TO CLEAN KETTLE SURFACES.
- CAUTION: MOST CLEANERS ARE HARMFUL TO THE SKIN, EYES, MUCOUS MEMBRANES AND CLOTHING. PRECAUTIONS SHOULD BE TAKEN. WEAR RUBBER GLOVES, GOGGLES OR FACE SHIELD AND PROTECTIVE CLOTHING. CAREFULLY READ THE WARNINGS AND FOLLOW THE DIRECTIONS ON THE LABEL OF THE CLEANER TO BE USED.
- CAUTION: USE OF ANY REPLACEMENT PARTS OTHER THAN THOSE SUPPLIED BY THE MANUFACTURER OR AN AUTHORIZED DISTRIBUTOR CAN CAUSE OPERATOR INJURY AND DAMAGE TO THE EQUIPMENT, AND WILL VOID ALL WARRANTIES.
- IMPORTANT: SERVICE PERFORMED BY OTHER THAN FACTORY AUTHORIZED PERSONNEL WILL VOID WARRANTIES.
- WARNING: DO NOT HEAT AN EMPTY KETTLE. EXCESSIVE STEAM PRESSURE COULD DEVELOP.
- NOTICE: IT IS RECOMMENDED THAT AN INSTANT-READ THERMOMETER BE USED TO CHECK THE INTERNAL TEMPERATURE THROUGHOUT THE COOKING PROCESS AND AFTER THE COOKING PROCESS HAS BEEN COMPLETED TO ENSURE THE FOOD HAS BEEN COOKED SUFFICIENTLY.
PERFORMANCE DATA
| Model | Kettle Capacity | Inside Diameter | Rim Height | Total Width | Front to Back | |
| DEE/4-20 (C,A,C2T) | 20 Gal. | 20 inches | 39 inches | 38 inches | 28 inches | |
| 75 Liter | 508 mm | 991 mm | 965 mm | 711 mm | ||
| DEE/4-40 (C,A,C2T) | 40 Gal. | 26 inches | 40 inches | 42 inches | 32 inches | |
| 150 Liter | 660 mm | 1016 mm | 1067 mm | 813 mm | ||
| DEE/4-60 (C,A,C2T) | 60 Gal. | 30 inches | 44 inches | 47 inches | 35 inches | |
| 225 Liter | 762 mm | 1118 mm | 1194 mm | 889 mm |
INSPECTION & UNPACKING
- CAUTION: SHIPPING STRAPS ARE UNDER TENSION AND CAN SNAP BACK WHEN CUT. TAKE CARE TO AVOID PERSONAL INJURY OR DAMAGE TO THE UNIT BY STAPLES LEFT IN THE WALLS OF THE CARTON.
- CAUTION: THIS UNIT IS VERY HEAVY. INSTALLER SHOULD OBTAIN HELP AS NEEDED TO LIFT THIS WEIGHT SAFELY.
Thoroughly inspect the unit for concealed damage. Report any shipping damage or incorrect shipments to the delivery agent. Write down the model number, serial number, and installation date, and retain this information for future reference. Space for these entries is provided at the top of the Service Log at the back of this manual. Keep this manual on file and available for operators to use. When installation is to begin, carefully cut any straps which hold the unit on the skid. Lift the unit straight up off the skid. Examine packing materials to be sure loose parts are not discarded with the materials.

INSTALLATION
- WARNING: INSTALLATION OF THE KETTLE MUST BE DONE BY A CERTIFIED ELECTRICIAN OR AUTHORIZED REPRESENTATIVE QUALIFIED TO WORK WITH ELECTRICITY. IMPROPER INSTALLATION CAN RESULT IN INJURY TO PERSONNEL AN/OR DAMAGE TO EQUIPMENT.
- DANGER: ELECTRICALLY GROUND THE UNIT AT THE TERMINAL PROVIDED. FAILURE TO GROUND UNIT COULD RESULT IN ELECTROCUTION AND DEATH.
- CAUTION: BEFORE ANY ELECTRICAL CONVERSION, VERIFY THAT THE BRANCH CIRCUIT WIRING IS ADEQUATE TO HANDLE ANY INCREASE AMPERAGE REQUIREMENTS. REFER TO THE ELECTRICAL SPECIFICATIONS LISTED BELOW.
- WARNING: DO NOT CONNECT ANY PIPING TO THE PRESSURE RELIEF VALVE. THE VALVE MUST BE FREE TO VENT STEAM AS NEEDED. IMPROPER INSTALLATION WILL VOID THE WARRANTY! THE ELBOW ATTACHED TO THE SAFETY VALVE MUST POINT TO THE FLOOR. INSTALLATION WILL VOID THE
- WARRANTY! THE ELBOW ATTACHED TO THE SAFETY VALVE MUST POINT TO THE FLOOR.
The kettle is provided with complete internal wiring and is ready for immediate connection. Wiring diagrams are provided in this manual and on the inside of the control housing service panel. Any mechanical or electrical changes must be approved by the Food Service Engineering Department. The completed unit has been operated at the factory to test all controls and heater elements.
- Set the kettle in place and level it by turning the bullet feet to adjust leg length. Allow clearance around the unit for cleaning, maintenance and service.
- Confirm that the jacket water level is at the mid point of sight glass. If the level is low, follow the instructions under “Jacket Filling and Water Treatment,” in this manual.
- Core probe storage bracket (C2T models only)
- It is recommend that the core probe storage bracket be installed on the control console. It is not recommend that the core probe storage bracket be installed on the kettle body or cover.
- To obtain proper adhesion, the bonding surface must be unified, clean and dry. Clean the bonding surface with rubbing alcohol and allow the surface to dry. Next firmly apply pressure to the storage bracket to help improve bond strength. After application, the bond strength will increase as the adhesive flows onto the surface. At room temperature, approximately 50% of the ultimate strength will be achieved after 20 minutes, 90% after 24 hours and 100% after 72 hours.
- The open end of the elbow on the outlet of the pressure relief valve must face downward. If it does not, turn it to the correct position.
- Provide electrical power specified on the equipment electrical information plate. Observe local codes an/or The National Electrical Code in accordance with ANSI/NFPA 70 – (current edition.).
- The equipment is shipped ready for three phase operation. Refer to the wiring diagram for single phase operation. Kit 170960 is available for single phase wiring and includes a larger terminal block to handle the increased current draw of the 208 and 240 Volt options.
- Bringing the electrical service through the entrance at the rear of the support housing with one inch conduit, making a watertight connection with the incoming lines. Observe local codes and/or the National Electrical Code in compliance with ANSI/NFPA 70 (latest edition). When there is a choice between applicable codes, we recommend following the more stringent code. (A BX connection is not recommended.)
- Electrically ground the unit at the terminal provided
- Check the following to confirm that your kettle is properly installed:
- Room for cleaning and servicing
- The kettle is level
- The correct amount of water is in the kettle jacket
- Pressure relief valve is pointed down
- Unit is connected with a waterproof supply of the proper voltage, phase and amperage rating.
ELECTRICAL SPECIFICATIONS
| Model | 208V/1-PH | 208V/3-PH | 240V/1-PH | 240V/3-PH | 480V/3-PH |
| DEE/4-20 (C,A,C2T) | 11 KW | 11 KW | 14.4 KW | 14.4 KW | 12 KW |
| 52 Amps | 30 Amps | 60 Amps | 35 Amps | 15 Amps | |
| DEE/4-40 (C,A,C2T) | 21 KW | 21 KW | 24 KW | 24 KW | 24 KW |
| 100 Amps | 58 Amps | 100 Amps | 58 Amps | 29 Amps | |
| DEE/4-60 (C,A,C2T) | 21 KW | 21 KW | 24 KW | 24 KW | 24 KW |
| 100 Amps | 58 Amps | 100 Amps | 58 Amps | 29 Amps |
Use Kit P/N 170960 for larger terminal block, when operating unit on 208 or 240V single phase.
INITIAL START-UP
IMPORTANT: BE SURE ALL OPERATORS READ, UNDERSTAND AND FOLLOW THE OPERATING INSTRUCTIONS, CAUTIONS, AND SAFETY INSTRUCTIONS CONTAINED IN THIS MANUAL.
WARNING: AVOID ALL DIRECT CONTACT WITH HOT SURFACES. DIRECT SKIN CONTACT COULD RESULT IN SEVERE BURNS. AVOID ALL DIRECT CONTACT WITH HOT FOOD OR WATER IN THE KETTLE. DIRECT CONTACT COULD RESULT IN SEVERE BURNS.

Now that the kettle has been installed, you should test it to ensure that the unit is operating correctly.
- Remove all literature and packing materials from inside and outside of the unit.
- If the unit is equipped with a draw-off valve (product outlet), clean out any material which might clog or damage the draw-off.
- Confirm that the tilting mechanism is operating properly by tilting the kettle through its full range. Then return the kettle to the upright position.
- Turn on the electrical service to the unit.
- Pour 1-2 quarts of water into the kettle.
- Following “To Start Kettle” instructions in the “Operation” section of this manual, begin heating the water at the highest thermostat setting. The heating indicator light should come on immediately, and heating should continue until the water boils.
- To shut down the unit, turn the power switch to “OFF”. If the unit functions as described above, it is ready for use. If the unit does not function as intended, first recheck power supply connections and, if necessary, contact your local Certified Service Agency.
OPERATION
WARNING: WHEN TILTING KETTLE:
- WEAR PROTECTIVE OVEN MITT AND PROTECTIVE APRON.
- USE DEEP CONTAINER TO CONTAIN AND MINIMIZE PRODUCT SPLASHING.
- PLACE CONTAINER ON STABLE, FLAT SURFACE, AS CLOSE TO KETTLE AS POSSIBLE.
- STAND TO RIGHT OF KETTLE WHILE POURING — NOT DIRECTLY IN POUR PATH OF HOT CONTENTS.
- POUR SLOWLY, MAINTAINING CONTROL OF KETTLE, AND RETURN KETTLE BODY TO UPRIGHT POSITION AFTER CONTAINER IS FILLED OR TRANSFER IS COMPLETE.
- DO NOT OVERFILL CONTAINER. AVOID SKIN CONTACT WITH HOT CONTAINER AND ITS CONTENTS.
- WARNING: AVOID ALL DIRECT CONTACT WITH HOT SURFACES AND HOT FOOD OR WATER IN THE KETTLE. DIRECT CONTACT COULD RESULT IN SEVERE BURNS.
- CAUTION: DO NOT OVERFILL THE KETTLE WHEN COOKING, HOLDING OR CLEANING. KEEP LIQUIDS AT LEAST 2-3” (5-8 CM) BELOW THE KETTLE RIM TO ALLOW CLEARANCE FOR STIRRING, BOILING AND SAFE PRODUCT TRANSFER.
- WARNING: AVOID ALL DIRECT CONTACT WITH HOT FOOD OR WATER IN THE KETTLE. DIRECT CONTACT COULD RESULT IN SEVERE BURNS.
- CAUTION: HEATING AN EMPTY KETTLE MAY CAUSE THE RELEASE OF STEAM FROM THE PRESSURE RELIEF VALVE.
- CAUTION: DO NOT TILT KETTLE BODY WITH COVER OR BASKET INSERT IN PLACE. COVER MAY SLIDE OFF, CAUSING INJURY TO OPERATOR.
- CAUTION: ANY POTENTIAL USER OF THE EQUIPMENT MUST BE TRAINED IN SAFE AND CORRECT OPERATING PROCEDURES.
- WARNING: KEEP AREA AROUND KETTLE FREE AND CLEAR OF ALL COMBUSTIBLE MATERIALS. DO NOT ATTEMPT TO LIGHT ANY BURNER WITH A FLAME.

CONTROLS
- Classic Control (-C) Models
- Lighted Power ON switch located on the control console. Controls main power to the unit.
- The temperature knob, located on the control console, is used to set the kettle heat values between 1 and 10.
- Heating indicator light located on the control console, lights when the controller energizes the heating elements and will cycle on and off once the unit reaches set temperature. If the unit is tilted, the heating elements will be disabled and the light will turn off until the unit is returned to the cooking position.
- ALOW WATER indicator light, located on the control console, illuminates when the jacket water falls below acceptable levels. When lit, the heating elements are disabled and will not function until the jacket water is refilled using the procedure in this manual.
- Crank tilt – a handle controls the worm and gear mechanism that smoothly tilts the kettle body and holds it in the desired position.
- Advanced Control (-A) Models
- Lighted Power ON switch located on the control console. Controls main power to the unit.
- The temperature knob, located on the control console, is used to set the kettle heat values between 1.0 and 10.0. The current setting will be reflected on the display.
- Heating indicator light located on the control console, lights when the controller energizes the heating elements and will cycle on and off once the unit reaches set temperature. If the unit is tilted, the heating elements will be disabled and the light will turn off until the unit is returned to the cooking position.
- A LOW WATER indicator light, located on the control console, illuminates when the jacket water falls below acceptable levels. When lit, the heating elements are disabled and will not function until the jacket water is refilled using the procedure in this manual.
- SET TnnP Mode – Allows power to the controller without the kettle heating; the kettle will heat once the LOW TEMP, MANUAL or HIGH TEMP button is selected.
- LOW TEMP Button – Used to set operating temperature of the kettle at a preset low intensity (default = 2.0). Can be pressed at any time during operation of the unit to change the set temperature to the preset value except when there is an active TIMER enabled.
- MANUAL Mode button – Enables the user modify the desired cooking temperature of the kettle (between 1.0 and 10.0) using the temperature knob and display (default = 5.0). The operator will press the MANUAL button and set the desired temperature using the temperature knob and display. Once the desired temperature is reached, the user may either press the MANUAL button again or wait 5 seconds and the set temperature will be accepted by the controller and locked in. After the set temperature is accepted, it may be changed at any time by pressing the MANUAL button and resetting the temperature using the same process above.
- HIGH TEMP button – Used to set operating temperature of the kettle at a preset high intensity (default = 7.0). Can be pressed at any time during operation of the unit to change the set temperature to the preset value except when there is an active TIMER enabled.
- TIMER button – once the appropriate set temperature is selected using the HIGH TEMP, MANUAL or LOW TEMP buttons; a countdown timer can be set to remind the user when the cooking process is completed.
- Range – 1 minute to 10 hours
- When the timer expires:
- the set temperature will automatically change to the LOW TEMP setting and will continue at this setting until the user changes the temperature via MANUAL or HIGH TEMP buttons
- An audible alarm will notify the user that attention is required, the alarm will continue to sound until the user presses the TIMER button.
- An active timer can be cancelled by pressing and holding the TIMER button for 5 secs.
- Set temp can be changed during an active timer by pressing the MANUAL button and adjusting the set temp using the Temperature knob and display.
- HIGH TEMP and LOW TEMP presets cannot be used to change the setpoint once a TIMER has started.
- READY alarm – The control will sound 3 beeps when the unit has reached within 20 degrees of set point during pre-heat and when a higher set temperature is selected.
- Crank tilt – a handle controls the worm and gear mechanism that smoothly tilts the kettle body and holds it in the desired position.
- Cook2Temp™ Control (-C2T) Models
- Lighted Power ON switch located on the control console. Controls main power to the unit.
- Heating indicator light located on the control console, lights when the controller energizes the heating elements and will cycle on and off once the unit reaches set temperature. If the unit is tilted, the call for heat will be interrupted and the light will turn off until the unit is returned to the cooking position.
- Low Water indicator light, located on the control console, lights when the jacket water falls below the acceptable levels. When lit, the heating elements are disabled and will not function until the jacket water is refilled using the procedure in the operator manual.
- Set Mode – Allows power to the controller without the kettle heating, the kettle will heat once the LOW TEMP, MANAUAL or HIGH TEMP button is selected.
- LOW TEMP Button – Used to set a unit temperature of the kettle at a preset low temperature (default = 121°F). Can be pressed at any time during operation of the unit to change the unit temperature to the preset value except when there is an active TIMER or an active Cook2Temp.
- MANUAL Button – Enables the user to modify the unit temperature of the kettle (between 100°F and 287°F) using the temperature knob and display (default = 183°F). The operator will press the MANUAL button and then select the desired unit temperature using the temperature knob and display. Once the desired unit temperature is shown on the display, the user may either press the MANUAL button again or wait 5 seconds and the selected temperature will be accepted by the controller and locked in. After the selected temperature is accepted it may be changed at any time by pressing the MANUAL button and resetting the temperature using the same process as above except when there is an active AUTO Cook2Temp.
- HIGH TEMP Button – Used to set unit temperature of the kettle at a preset high temperature (default = 224°F). Can be pressed at any time during operation of the unit to change the unit temperature to the preset value except when there is an active TIMER or an active Cook2Temp.
- TIMER Button – Once the appropriate unit temperature is selected using the LOW TEMP, MANUAL or HIGH TEMP buttons, a countdown timer can be set to remind the user when the cooking process is completed.
- Range – 1 minute to 10 hours.
- When the timer expires:
- The unit temperature will automatically change to the LOW TEMP setting and will continue at this setting until the user changes the temperature via MANUAL or HIGH TEMP buttons.
- An audible alarm will notify the user that attention is required, the alarm will continue to sound until the user presses the TIMER button.
- An active timer can be cancelled by pressing and holding the TIMER button for 5 seconds.
- Unit temperature can be changed during an active timer by pressing the MANUAL button and adjusting the unit temperature using the temperature knob and display.
- LOW TEMP and HIGH TEMP presets cannot be used to change the unit temperature once a TIMER has been enabled.
- AUTO C2T and MANUAL C2T cannot be used once a timer has been enabled. The timer must first be cancelled and then AUTO C2T or MANUAL C2T can be enabled.
- Ready alarm – The control will sound 3 beeps when the unit has reached within 20 degrees of set point during pre-heat and when a higher unit temperature is selected.
- AUTO C2T Button – Enables the user to select a set product temperature (between 100°F and 230°F) using the temperature knob and display. The operator will press the AUTO C2T button and then select the set product temperature using the temperature knob and display. Once the set product temperature is shown on the display, the user may either press the AUTO C2T button again or wait 5 seconds and the selected temperature will be accepted by the controller and locked in. The unit temperature is automatically set 100°F above the set product temperature and cannot be changed at any time during an active AUTO C2T. After the set product temperature is accepted it may be changed at any time by first cancelling AUTO C2T and then using the same process as above to reset the temperature.
- After the set product temperature is accepted by the controller and locked in. The unit will begin to heat and the display will scroll the actual product temperature followed by the set product temperature. This display will continue until the cook process has completed.
- An active AUTO C2T can be cancelled by pressing and holding the AUTO C2T button for 5 seconds and the unit will then return to Set Mode.
- LOW TEMP, MANUAL or HIGH TEMP presets cannot be used to change the unit temperature once there is an active AUTO C2T. The unit temperature is automatically set by the controller. 4. Once the set product temperature has been reached and held for 20 seconds consecutively the unit will automatically enable Hold Mode.
- MANUAL C2T Button – Enables the user to select a set product temperature (between 100°F and 230°F) using the temperature knob and display. The operator will press the MANUAL C2T button and then select the set product temperature using the temperature knob and display. Once the set product temperature is shown on the display, the user may either press the MANUAL C2T button again or wait 5 seconds and the selected temperature will be accepted by the controller and locked in. Once the set product temperature has been accepted the user will be prompted to select a unit temperature via the MANUAL button. Once the set unit temperature is shown on the display, the user may either press the MANUAL C2T button again or wait 5 seconds and the selected temperature will be accepted by the controller and locked in. After the set product temperature and unit temperature are accepted the product temperature may be changed at any time by first cancelling MANUAL C2T and then using the same process as above to reset the temperature.
- After the set product temperature and unit temperature are accepted by the controller and locked in. The unit will begin to heat and the display will scroll the actual product temperature followed by the set product temperature. This display will continue until the cook process has completed.
- An active MANUAL C2T can be cancelled by pressing and holding the MANUAL C2T button for 5 seconds and the unit will then return to Set Mode.
- Unit temperature can be changed during an active MANUAL C2T by pressing the MANUAL button and adjusting the unit temperature using the temperature knob and display.
- Once the set product temperature has been reached and held for 20 seconds consecutively the unit will automatically enable Hold Mode.
- Hold Mode – Allows the unit to be controlled by the set product temperature and core probe.
- Hold Mode is automatically enabled once a set product temperature has been reached and held for 20 seconds consecutively.
- The display will scroll the actual product temperature followed by the hold timer.
- If the actual product temperature falls below 142°F.
- An audible alarm along with the display flashing the actual product temperature will notify the user that attention is required.
- The alarm can be silenced by pressing any button.
- The Alarm will resound every 10 minutes until the actual product temperature returns above 142°F.
- If the actual product temperature rises 10°F above the set product temperature.
- An audible alarm along with the display flashing the actual product temperature will notify the user that attention is required.
- The alarm can be silenced pressing any button.
- The alarm will resound every 10 minutes until the actual product temperature returns to within 10°F of the set product temperature.
- At initial hold timer completion (default = 4 hours).
- An audible alarm will be given for 5 seconds.
- The alarm can be silenced by pressing any button.
- The alarm will continue to resound every 15 minutes until Hold Mode is exited.
- Display Descriptions
- SEt nndE – Allows power to the controller without the pan heating, the pan will heat once the LOW TEMP, MANUAL or HIGH TEMP button is selected.
- SEt PrOd tEnP – Indicates the desired finished product temperature.
- SEt UnIt tEnP – Indicates the desired unit temperature.
- SEt POInt – Indicates the set point for the desired finished product temperature.
- ACt – Indicates the actual product temperature.
- CPEr – Indicates a core probe error and will continue to display until the error has been resolved.
- Prob – Indicates a unit probe error and will continue to display until the error has been resolved.
- End – Indicates the cooking process has completed.
- End HOLd – Indicates the initial hold timer has completed.
- Cook2Temp™ Control (-C2T) Core Probe
- Ensure the core probe has been properly cleaned and sanitized before each use.
- It is important that the tip of the core probe be placed correctly into the product since only the tip of the core probe senses the product temperature. Do this by inserting the core probe halfway into the product, positioning the tip at the center of the food mass, avoiding any bones. If placing into a semi-liquid or liquid product, occasionally stirring the product will ensure an accurate core probe reading. Do not let the core probe tip touch the edges, bottom or side of the unit.
- If the core probe is not plugged into the receptacle when either the AUTO C2T or MANUAL C2T button is pressed then an audible alarm along with a core probe error message will notify the user that attention is required. Simply plug the core probe into the receptacle and continue with the input process.
- If the core probe is unplugged from the receptacle during the cooking process or while in Hold Mode an audible alarm along with a core probe error message will notify the user that attention is required. Simply plug the core probe back into the receptacle and the cook process or Hold Mode will continue.
- While the core probe is not in use ensure the sealing cap is properly protecting the panel mount connector. Failure to properly use the sealing cap could result in damage to the unit.
OPERATING PROCEDURE
- To Start Kettle Heating with Classic Controls:
- EVERY DAY make sure that the jacket water level in the middle of the sight glass. If the level is too low, see “Jacket Filling and Water Treatment” in this manual.
- Check the pressure/vacuum gauge. If the gauge does not show 20 to 30 inches of mercury (Hg) vacuum (that is a reading of 20 to 30 below 0 atmospheric pressure), see “Jacket Vacuum” in this manual.
- Turn on the electrical power to the unit.
- Turn on the main power switch on the control face.
- Turn the temperature knob to the desired setting. The heating indicator light indicates that the kettle is heating, and cycling of the on and off indicates that the kettle is being held at the set temperature. Once in each cycle the contactors in the support housing will make a clicking sound. This is normal.
- To Start Kettle Heating with Advanced or Cook2Temp Controls:
- EVERY DAY make sure the jacket water level is above the mid-point of the round sight glass. If the level is too low, see “Jacket Filling” and “Water Treatment” in this manual.
- Check the pressure gauge. If the gauge does not show 20-30 inches of vacuum (that is, a reading of 20 to 30 below 0), see “Jacket Filling” and “Water Treatment” in this manual.
- Turn on the electrical power to the unit.
- Turn on the main power switch on the control face, controller will show SET TnnP in the display.
- Press the MANUAL button and turn the temperature knob to the desired setting using the display (if a temperature is not selected after the MANUAL button is pressed, the kettle will default to a heat setting of 5.0). The heating indicator light indicates that the kettle is heating, and cycling of the on and off indicates that the kettle is being held at the set temperature. Once in each cycle the contactors in the support housing will make a clicking sound. This is normal.
- To Transfer Product or Empty Kettle:
- To tilt the body of the kettle forward, turn the hand crank on the front of the cabinet counter-clockwise. The body will stay in the position it holds when you stop cranking. To return the kettle body to its upright position, turn the crank clockwise.
- Product may also be transferred by means of the optional draw-off valve, if the kettle is so equipped.
- To Stop Kettle Heating:
- Turn temperature dial to OFF.
- For a prolonged shut-down:
- Follow the procedure above.
- Disconnect electric power from the unit.
USE OF COMMON ACCESSORIES
- Lift-Off or Counterbalanced Cover:
- As with stock pot cooking, an optional cover can speed up the heating of water and food products. It helps retain heat and reduces the heat and humidity in the kitchen. A cover can reduce some product cook times and help maintain the temperature, color and texture of products held or simmered for longer periods.
- Be sure the handle is secure on the lift-off cover before using. ALWAYS use the handle to place or remove cover from the kettle. Wear protective oven mitts and apron.
- When putting the cover on the kettle, position it on top of kettle rim, with its flat edge facing the pouring lip.
- When removing cover:
- Firmly grasp plastic handle.
- Lift rear edge (farthest from operator) 1-2” (3-5 cm) to allow any steam and water vapor to escape the cooking vessel. Wait 2-3 seconds.
- Tilt cover to 45-60° angle and allow any hot condensate or product to roll off cover back into kettle.
- Remove cover, ensuring that any remaining hot condensate or product does not drip on operator, floor or work surfaces.
- Place cover on safe, flat, sanitary, out-of-the-way surface, or return to kettle rim.
- Basket Insert
An optional kettle basket insert can assist in cooking water-boiled products including eggs, potatoes, vegetables, shell fish, pasta and rice. The nylon mesh liner must be used when cooking product smaller than the mesh size of the basket, which is approximately 1/4” (6 mm). This includes rice and small pasta shapes. Tips for use:- Allow for the water displacement of the basket and product to be cooked. This may mean only filling the kettle half full of water. Test the basket and product displacement with the kettle OFF, and with cold water in the kettle.
- Load baskets on a level, stable work surface.
- Lift loaded baskets with both hands. Get help from another person if the basket is too heavy for safe handling.
- Slowly lower product into kettle.
- When removing baskets with cooked product, lift straight up, ensuring basket bottoms clear the kettle rim and pouring lip. Wear protective oven mitts and protective apron.
- Allow hot water to fully drain from product before moving basket away from the kettle. Do not rest baskets on kettle rim or pouring lip. If baskets are too heavy for individual to lift and safely move, get help. Remove product immediately from basket into another container, being sure to avoid contact with hot product and hot basket or…
- Place baskets with food on a stable, flat surface, inside a solid steamer or bake pan,to catch any remaining hot water draining from product.
CLEANING
- WARNING: KEEP WATER AND SOLUTIONS AWAY FROM CONTROLS AND ELECTRICAL EQUIPMENT. NEVER SPRAY THE SUPPORT HOUSING OR ELECTRICAL CONNECTIONS.
- CAUTION: MOST CLEANERS ARE HARMFUL TO THE SKIN, EYES, MUCOUS MEMBRANES, AND CLOTHING. PRECAUTIONS SHOULD BE TAKEN. WEAR RUBBER GLOVES, GOGGLES OR FACE SHIELD, AND PROTECTIVE CLOTHING. READ THE WARNINGS AND FOLLOW THE DIRECTIONS ON THE LABEL OF THE CLEANER CAREFULLY.
- CAUTION: NEVER LEAVE A SANITIZER IN CONTACT WITH STAINLESS STEEL SURFACES LONGER THAN 30 MINUTES. LONGER CONTACT CAN CAUSE CORROSION.
- WARNING: AVOID DIRECT CONTACT WITH HOT SURFACES. DIRECT SKIN CONTACT COULD RESULT IN SEVERE BURNS.

PRECAUTIONS
Before cleaning, shut off the kettle by turning the main power switch to “OFF,” and shut off all electric power to the unit at a remote switch, such as the circuit breaker.
PROCEDURE
- Clean food-contact surfaces as soon as possible after use. If the unit is in continuous use, thoroughly clean and sanitize the interior and exterior at least once every 12 hours.
- Scrape and flush out food residues. Be careful not to scratch the kettle with metal implements.
- Prepare a hot solution of the detergent/cleaning compound as instructed by the supplier. Clean the unit thoroughly. A cloth moistened with cleaning solution can be used to clean controls, housings, and electrical conduits.
- Rinse the kettle and draw-off valve parts thoroughly with hot water, then drain completely.
- As part of the daily cleaning program, clean soiled external and internal surfaces. Remember to check the sides of the unit and control housing, underside of cover, etc.
- To remove burnt on foods, use a brush, sponge, cloth, plastic or rubber scraper, or plastic wool with the cleaning solution. To reduce effort required in washing, let the detergent solution sit in the kettle and soak into the residue. Do NOT use abrasive materials or metal tools that might scratch the surface. Scratches make the surface harder to clean and provide places for bacteria to grow. Do NOT use steel wool, which may leave particles in the surface and cause eventual corrosion and pitting.
- The outside of the unit may be cleaned with a warm water (100°F or less) spray. Do not use a high pressure spray.
- The outside of the unit may be polished with a stainless steel cleaner such as “Zepper” from Zep Manufacturing Co.
- When equipment needs to be sanitized, use a solution equivalent to one that supplies 200 parts per million available chlorine. Obtain advice on sanitizing agents from your supplier of sanitizing products.
- It is recommended that each piece of equipment be sanitized just before use.
- Clean the kettle thoroughly. If there is difficulty removing mineral deposits or a film left by hard water or food residues, then use a de-liming agent, following manufacturer directions.
- Rinse and drain the unit thoroughly before further use.
- If cleaning problems persist, contact your cleaning product representative for assistance. The supplier has a trained technical staff with laboratory facilities to serve you.
CLEANING CORE PROBE
Remove all food soil from core probe by wiping entire core probe and cable assembly with warm detergent solution and a clean cloth. Remove detergent solution by wiping core probe and cable assembly with clean rinse water and a cloth. Allow core probe and cable assembly to air dry. Do not immerse core probe. Hand wash only and immediately let air dry.
MAINTENANCE
- WARNING: AVOID ANY EXPOSURE TO THE STEAM BLOWING OUT OF THE PRESSURE RELIEF VALVE. SEVERE BURNS CAN RESULT ON EXPOSED SKIN. FAILURE TO CHECK PRESSURE RELIEF VALVE OPERATION PERIODICALLY COULD RESULT IN PERSONAL INJURY AND/OR DAMAGE TO EQUIPMENT.
- CAUTION: KEEP GREASE AWAY FROM ELECTRICAL PARTS LOCATED NEAR THE GEARS.
- WARNING: TO AVOID INJURY, READ AND FOLLOW ALL PRECAUTIONS STATED ON THE LABEL OF THE WATER TREATMENT COMPOUND.
- WARNING: USE OF ANY REPLACEMENT PARTS OTHER THAN THOSE SUPPLIED BY THE MANUFACTURER OR THEIR AUTHORIZED DISTRIBUTORS CAN CAUSE INJURY TO THE OPERATOR AND DAMAGE TO THE EQUIPMENT AND WILL VOID ALL WARRANTIES.
- CAUTION: INSURE ELECTRICAL POWER IS REMOVED AND THE GAS IS TURNED OFF AT THE SHUTOFF VALVE PRIOR TO PERFORMING ANY MAINTENANCE ON THIS KETTLE.
- WARNING: THIS KETTLE IS DESIGNED TO BE WATER RESISTANT. FAILURE TO FOLLOW PROPER MAINTENANCE PROCEDURES MAY VOID THE WARRANTY.



PERIODIC MAINTENANCE
NOTICE: Contact an authorized representative when repairs are required. A Maintenance & Service Log is provided at the back of this manual. Each time maintenance is performed on your kettle, enter the date on which the work was done, what was done, and who did it. Keep this manual on file and available for operators to use. Periodic inspection will minimize equipment down time and increase the efficiency of operation. The following points should be checked:
[BY OPERATOR]
- Check the pressure/vacuum gauge every day. The gauge should show a vacuum of 20 to 30 inches, when the kettle is cold. If it does not, see “Jacket Vacuum” in this manual.
- Also check the jacket water level every day. The water should be filled to the center of the sight glass on the front of the kettle. If the level is low, see “Jacket Filling and Water Treatment” in this manual.
- Carefully test the pressure relief valve at least twice each month. With the kettle operating at 15 psi (105 kPa),pull the test lever and let it snap back to its closed position. If there is little discharge (mostly air), and the pressure gauge drops back to zero PSI, allow the pressure to build back to five PSI and repeat the procedure. (Tip: Using a screwdriver or other implement to pull the ring will help you avoid contact with the steam.
[BY SERVICE TECHNICIAN] - Electrical wiring should be kept securely connected and in good condition.
- The inside of the support housing should be kept clean.
- The gear housing has fittings for lubrication of moving parts. The gears do not run in oil, so periodic lubrication with grease is necessary.
- Frequency of lubrication depends on operating conditions, but it should be done at least once every six months.
- Use a #2 grade LGI lithium grease to add grease through Zerk fittings on gear housing until it flows out of the bearings around the trunnion shaft.
- Place liberal amounts of grease on the gear to cover the arc that is in contact with the worm gear.
- Keep electrical wiring and connections in good condition.
- Keep the inside of the control console clean and dry.
JACKET VACUUM/REMOVING AIR FROM JACKET
When the kettle is cold, a positive pressure reading on the pressure/vacuum gauge or a reading near zero indicates that there is air in the jacket. Air in the jacket acts as an insulator, and slows kettle heating.
To remove air:
- Start the unit. (Be sure there is water or product in the kettle when heating).
- When the pressure/vacuum gauge reaches a positive pressure reading of five PSI, release the trapped air and steam by pulling up the safety valve ring for about five seconds. Repeat this step three or four times. Then let the pull ring snap back into the closed position.
- If there is little discharge (mostly air), and the pressure gauge drops back to zero PSI, allow the pressure to build back to five PSI and repeat the procedure.
- Once steam has been vented from the jacket as described in b, above, remove the hot water from the kettle and replace it with cold. This will condense steam in the kettle jacket, and the pressure gauge should show a reading of 20 to 30 inches mercury (Hg) below zero. If it does not, or if the vacuum is leaking down, contact an authorized service agency to correct the problem.
PRESSURE RELIEF VALVE
At least twice a month, test the pressure relief valve. Test the valve with the kettle operating at 15 PSI (105 kPa), by holding the test ring for at least five seconds. Then release the ring and permit the valve to snap shut. If the ring does not activate, if there is no discharge, or if the valve leaks, stop using the kettle immediately and contact a authorized service representative.
JACKET FILLING
The jacket was charged at the factory with the proper amount of treated water. You may need to restore this water, either because it was lost as venting steam or by draining. If you are replacing water lost as steam, use distilled water. If you are replacing treated water that ran out of the jacket, prepare more treated water as directed in “Water Treatment Procedure,” below.
- Allow the kettle to cool completely. The procedure will be easier with the kettle under vacuum (pressure gauge reading below zero).
- Allow the kettle to cool completely. Remove pressure gauge and pipe plug with open-ended wrench or crescent wrench. Pour in the distilled or treated water where the pressure gauge was located. Continue adding water until the water level rises to the center of the round sight glass.
- Apply teflon tape to pressure gauge and pipe plug in a clockwise pattern, then reinstall.
- Air that gets into the jacket during the filling operation must be removed, because it will make heating less efficient. Follow the procedure in Jacket Vacuum/Removing Air From Jacket above, to restore a negative pressure reading.
WATER TREATMENT
- Obtain water treatment compound and a pH test kit from your authorized parts distributor.
- Fill a mixing container with the measured amount of water required. (See table). Distilled water is recommended.
Kettle Model
Jacket Capacity Gal. Liter DEE/4-20 (C,A,C2T) 3-1/4 12.3 DEE/4-40 (C,A,C2T) 4-1/2 17 DEE/4-60 (C,A,C2T) 5 18.9 - Hang a strip of pH test paper on the rim of the container, with about 1 inch of the strip below the surface of the water.
- Measure the water treatment compound (One way to do this is to add thecompound from a measuring cup.)
- Stir the water continuously, while you slowly add water treatment compound, until the water reaches a pH between 10.5 and 11.5. Judge the pH by frequently comparing the test strip color with the color chart provided in the pH test kit. If you are color blind use an electroanalytical instrument to measure the pH level or have a person who is not color blind read the test strip color level.
- Record the exact amounts of water and treatment compound used. These amounts may be used again, if the same water sources and compound are used in the future. However, it is best to check the pH each time treated water is prepared.
SEQUENCE OF OPERATION
The following “action-reaction” outline is provided to help understand how the kettle works. When the operator starts up the kettle by turning the power switch “ON” and heat knob from “OFF” to a desired setting, the control relay closes. This lights up the heating indicator light and causes the contactors to close, allowing power to flow to heating elements.
When the temperature of the steam jacket reaches the value corresponding to the heat setting, the control relay opens. This turns off the heating indicator light and causes the contactors to open, stopping the power to the heaters. As soon as the controller senses that the kettle is cooling below the set point, the control relay closes, the heating indicator light comes on, the contactors close, and the heaters come on again. On-off cycling continues, keeping the kettle at the set temperature.
This is why the heating indicator light cycles on and off during normal operation. Every time the kettle is tilted, the tilt cut-off switch interrupts the power supply to the heaters, so that the heating elements will not operate while not submerged in the jacket water. If steam pressure greater than 50 PSI is generated in the jacket, the safety valve will open and relieve the excess pressure. If the jacket water level gets too low before the heating elements overheat, the highlimit control will open and shut off power to the elements until the kettle cools. Setting the power switch dial to “OFF” shuts down all control and heating circuits.
The kettle has the following safety features:
- Low water cutoff relay that will remove power from control and contactors until the jacket water level is corrected.
- High limit pressure switch, set to open at about 46 PSI and to shut down the heat until jacket pressure is decreased.
- Pressure relief valve, which will release steam if jacket pressure exceeds 50 PSI.
- Tilt switch, which shuts off all heat when the kettle is tilted.
REPLACEMENT PARTS
To order parts, contact your Authorized Service Agent. Supply the model designation, serial number, part description, part number, quantity, and when applicable, voltage and phase.
CONTACT US
If you have questions pertaining to the content in this manual, contact Unified Brands at 888-994-7636.
TROUBLESHOOTING
This unit is designed to operate smoothly and efficiently if properly maintained. However, the following is a list of checks to make in the event of a problem. Wiring diagrams are found at the end of this manual. When in doubt, turn unit off and call for service at 888-994-7636. If an item on the check list is marked with (X), it means that the work should be done by an Authorized Service Agent.
| SYMPTOM | WHO | WHAT TO CHECK |
| Display not lit (Advanced & C2T only) | User | a. That power supply is on. |
| Authorized Service Rep Only | b. Fuses, accessible by removing caps on the side of the control box. c. For loose or broken wires. X d. Temperature controller functioning, by listening for a click when the switch opens or closes and verifying LEDs on back of board. X e. Contactor functioning. X | |
| PROB in display (Advanced & C2T only) | Authorized Service Rep Only | a. For loose or broken wires or damaged/failed RTD probe. X b. PCB board malfunction/failure |
| HI in display (Advanced & C2T only) | Authorized Service Rep Only | a. For loose or broken wires or damaged/failed RTD probe. X b. PCB board malfunction/failure |
| Kettle is hard to tilt | Authorized Service Rep Only | a. Gears for foreign materials, and lubrication. X b. Gears for alignment. X c. Worn gears or broken gears. X |
| Kettle will not heat, and heating indicator will not come on | User | a. Electric power supply to the unit. (Check the circuit breaker.) b. Water level in jacket. |
| Authorized Service Rep Only | c. Control circuit fuses. Replace a blown fuse only with a fuse of the same AMP rating. X d. For loose or broken wires. X e. Tilt cut-off switch. X f. That pressure switch is open. X g. Operation of temperature control. X h. Low water cutoff. X | |
| Kettle will not heat, but heating indicator comes on | Authorized Service Rep Only | a. Temperature control calibration and offsets. X b. Heater elements with ohmmeter for ground short or open element. If element is defective, call service. X |
| Kettle continues heating after it reaches the desired temperature | User | a. Control knob setting. |
| Authorized Service Rep Only | b. Temp control circuit for short. X c. Temp control operation. The contacts should click when the dial is rotated above and below the setting for the temperature of the kettle. X d. Contactor, to determine whether it is energized or stuck. X | |
| Kettle stops heating before it reaches the desired temperature | User | a. Control knob setting. |
| Authorized Service Rep Only | b. Temp control calibration and offsets. X c. Temp control operation. The contacts should click when the dial is rotated above and below the setting for the temperature of the kettle. X | |
| Kettle heats slowly | User | a. For air in the jacket. See “Jacket Vacuum” in the “Maintenance” section of this manual. |
| Authorized Service Rep Only | b. Heater elements with ohmmeter for ground short or open element. If an element is defective, call service. X c. Voltage of main power source. X | |
| Pressure Relief Valve pops | User | a. For air in the jacket. See “Jacket Vacuum” in the “Maintenance” section of this manual. |
| Authorized Service Rep Only | b. Pressure switch setting. X c. Temp control operation. The contacts should click when the dial is rotated above and below the setting for the temperature of the kettle. X d. Pressure relief valve. If the valve pops at pressures below 49 PSI, replace it. e. Contactor, to determine whether it is energized. X | |
| Safety valve leaks a small amount of steam when kettle is operating | User | a. For contamination that prevents seating of the valve. With full pressure in the jacket, pull the leer all the way briefly to blow the valve clean, then let the lever snap back to seat the valve |
| Authorized Service Rep Only | b. Safety valve for defects. Replace any defective valve with an identical valve. X | |
| CPER in display (C2T only) | User | a. That core probe is plugged into the receptacle. |
| Authorized Service Rep Only | b. For loose or broken wires or damaged/failed RTD probe. X c. PCB board malfunction/failure. X |
WARRANTY
Congratulations on the purchase of your new Unified Brands equipment. We hope you enjoy many years of reliable service in connection with the same. Please review all of the important safety and operational information contained in the Operator’s Manual for this equipment before it is placed in service. If you have any questions related to equipment set up, operations, or service, please call 888-994-7636. In addition, please review the terms and conditions of the sale set forth below
*****IMPORTANT NOTICE*****
WARRANTIES, LIMITATIONS ON WARRANTIES, AND LIMITATION OF REMEDIES
The following Warranties, Limitation on Warranties, and Limitation of Remedies are included in the terms of sale for this product. Please read this entire warranty and all warranty modifications, disclaimers, and limitations of remedies set forth herein before accepting or using this equipment or product. Customer acknowledges and accepts the provisions of this notice by Customer’s acceptance and use of the product. If these provisions are not acceptable and agreed to by Customer, then please return this product in its unused condition to Unified Brands or a Unified Brands authorized dealer.
UNIFIED BRANDS warrants this product against defects in material and workmanship under normal use and services for which this product was designed. This warranty runs only to the original end user and is in lieu of any other liability for defects.
THE WARRANTIES EXPRESSED IN THESE TERMS AND CONDITIONS ARE IN PLACE OF ANY AND ALL OTHER EXPRESS WARRANTIES (UNLESS SEPARATELY STATED IN PRINTED MATERIAL PREPARED BY US DESCRIBING OUR EQUIPMENT) AND EXCLUDE ALL IMPLIED WARRANTIES, INCLUDING, BUT NOT LIMITED TO, ANY WARRANTY OF MERCHANTABILITY OR FITNESS FOR ANY PARTICULAR PURPOSE; NOR ARE THERE ANY OTHER WARRANTIES, EXPRESS OR IMPLIED, BY OPERATION OF LAW OR OTHERWISE. In no event shall UNIFIED BRANDS be liable for damages or delay or for any consequential, special or contingent damages arising out of any breach of our warranty, whether or not we have knowledge of specific needs or our employees
or agents have given any specific assurances. Anyone claiming that there has been a breach of warranty by UNIFIED BRANDS must give us written notice within THIRTY (30) days after discovery of the relevant defect or the right to assert such claim will have been waived conclusively and provided further that any such claim must also be asserted within the general warranty period for such equipment and/or parts.
UNIFIED BRANDS will not be liable for any expense incurred without our prior written authorization for alterations made outside of our factory or for repairs which are not performed by UNIFIED BRANDS authorized service departments using UNIFIED BRANDS factory parts. Nor shall we be responsible for the performance of equipment
as to which any repairs, revisions or alterations have been made by others. THE EXCLUSIVE REMEDY OF THE USER OR BUYER AND THE EXCLUSIVE LIABILITY OF UNIFIED BRANDS OR ANY SELLER OF UNIFIED BRANDS PRODUCTS, FOR ANY AND ALL CLAIMS, LOSSES, INJURIES, OR DAMAGES (INCLUDING CLAIMS BASED ON BREACH OF WARRANTY, CONTRACT, NEGLIGENCE, TORT, STRICT LIABILITY, OR OTHERWISE) RESULTING FROM OR ARISING OUT OF THE USE OF HANDLING OF THIS PRODUCT, SHALL BE THE RETURN OF THE PURCHASE PRICE OR AN AMOUNT NOT TO EXCEED THE ORIGINAL PURCHASE PRICE OF THE PRODUCT OR, AT THE ELECTION OF UNIFIED BRANDS OR THE SELLER, THE REPLACEMENT OF THE PRODUCT.
Parts List
To order parts, contact your Authorized Service Agent. Supply the model designation, serial number, part description, part number, quantity, and when applicable, voltage and phase.
| KEY DESCRIPTION PART # | ||
| 1 | WATER FILL ASSY | 139396 |
| 2 | PRESSURE RELIEF VALVE | 097005 |
| 3 | CHECK VALVE | 004187 |
| 4 | PRESSURE GAUGE | 084208 |
| 5 | CONTROL KNOB, CLASSIC | 175095 |
| 5 | CONTROL KNOB, ADVANCED & C2T | 174829 |
| 6 | LOW WATER LIGHT (RED) | 116383 |
| 7 | HEAT LIGHT (AMBER) | 116384 |
| 8 | POWER SWITCH | 176921 |
| 9 | TILT SWITCH | 002982 |
| 10 | CONTACTOR | 148102 |
| 11 | 208/240V TRANSFORMER | 137441 |
| 11 | 480V TRANSFORMER | 137694 |
| 12 | GROUND LUG | 129714 |
| 13 | FUSE HOLDER | 077854 |
| 14 | 3 AMP FUSE | 077853 |
| 15 | WATER LEVEL BOARD | 122192 |
| 16 | PRESSURE SWITCH | 096963 |
| 17 | CONTROL, CLASSIC | 174843 |
| 17 | CONTROL, ADVANCED | 174837 |
| 17 | CONTROL, C2T | 176895 |
| 18 | WATER LEVEL PROBE | 070178 |
| 19 | BULLET FOOT | 013275 |
| 19 | FLANGED FOOT | 096569 |
| 20 | TILTING HANDLE | 013617 |
| 21 | TILTING SHAFT | 013624 |
| 22 | 3″ BORE GEAR | 013609 |
| 23 | 3/4″ BORE WORM GEAR | 012026 |
| 24 | 3/4″ BORE BEARING | 009765 |
| 25 | BEARING HOUSING | 009762 |
| 26 | 3/8″ X 1-3/8″ SQUARE KEY | 001474 |
| 27 | SET SCREW | 012060 |
| KEY DESCRIPTION PART # | ||
| 32 | SIGHT GLASS | 108554 |
| 33 | RTD, FLOOR KETTLE | 175101 |
| 34 | RTD, COMPRESSION FITTING | 175099 |
| X | BOTTOM ENCLOSURE, DEE/4-20 | 003333 |
| X | BOTTOM ENCLOSURE, DEE/4-40,60 | 003334 |
| X | OVERLAY, CLASSIC CONTROL | 175303 |
| X | OVERLAY, ADVANCED CONTROL | 175304 |
| X | OVERLAY, C2T CONTROL | 176891 |
| X | FERRITE BEAD | 175836 |
| X | CORE PROBE, DEE/4-20,40, C2T | 176651 |
| X | CORE PROBE, DEE/4-60, C2T | 176652 |
| X | BRACKET, CORE PROBE, DEE/4-20, C2T | 176654 |
| X | BRACKET, CORE PROBE, DEE/4-40, C2T | 176655 |
| X | BRACKET, CORE PROBE, DEE/4-60, C2T | 176656 |
| X | BRACKET ASSY, CORE PROBE STORAGE | 177091 |
| X | SOCKET, PANEL MOUNT ASSY, CORE PROBE, C2T | 176925 |
| X | CAP, SOCKET, PANEL MOUNT, CORE PROBE, C2T | 176297 |
X- Item not depicted/called out in drawing.
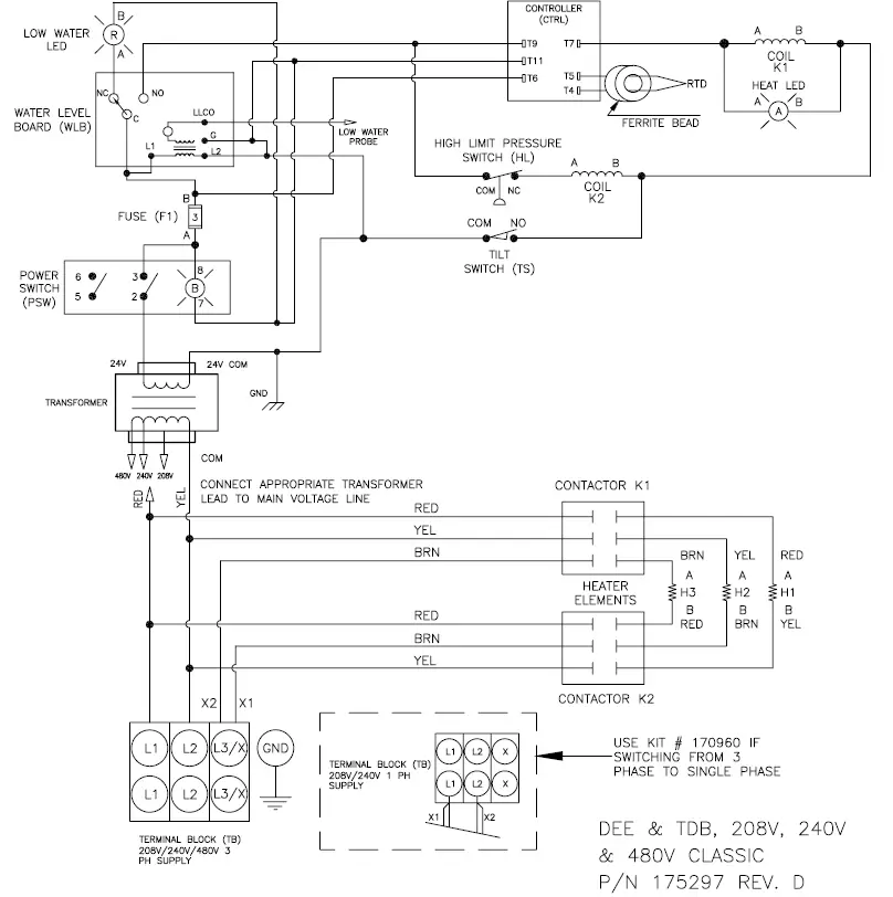
For Classic Control Models Wiring Diagram
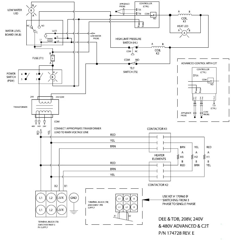
For Advanced & Cook2Temp™ Control Models Wiring Diagram

Service Log
| Model No: | Purchased From: |
| Serial No: | Location: |
| Date Purchased: | Date Installed: |
| Purchase Order No: | For Service Call: |
| Date | Maintenance Performed | Performed By |



















