Vacumat Eco Quick, quiet And extremely
economical deaeration
User Guide
www.flamcogroup.com/manuals
Liability
All technical information, data and instructions contained in these operating instructions for practical operations and those to be performed are correct at the time of going to press. This information is the result of our current findings and experience to the best of our knowledge. We reserve the right to make technical changes subject to the future development of the Flamco product referred to in this publication. Hence no rights may be derived from technical data, descriptions and illustrations. Technical pictures, drawings and graphs do not necessarily correspond to the actual assemblies or parts as delivered. Drawings and pictures are not to scale and contain symbols for simplification.
Warranty
Warranty specifications can be found in our General Terms and Conditions and do not form part of this manual.
Copyright
This manual must be used confidentially. It may be circulated among authorised personnel only. It must not be given to third parties. All documentation is protected by copyright. Distribution or other forms of reproduction of documents, even extracts, exploitation or notification of the contents hereof is not permitted, where not otherwise specified. Infringements are liable to prosecution and payment of compensation.
We reserve the right to exercise all intellectual property rights.
General safety instructions
Disregard or lack of attention to the information and measures in this manual may pose a hazard to people, animals, the environment and tangible assets. Failure to observe the safety regulations and the neglect of other safety measures may lead to the loss of liability for damages in the event of damage or loss.
Definitions
- Operator: A natural person or legal entity who is the owner of the product and uses the aforementioned product, or is nominated to use it, under the terms of a contractual agreement.
- Principle: The legally and commercially responsible purchaser in the implementation of construction projects. Can be both a natural and a legal entity.
- Responsible person: The representative appointed to act by the principle or operator.
- Qualified person: Any person whose professional training, experience and recent professional activity gives them the requisite professional knowledge. This implies that such people have knowledge derived from relevant national and internal safety regulations.
4.1 Purpose and use of this manual
The following pages list the information, specifications, measures and technical data that allow the relevant personnel to use this product safely and for the intended purpose. Responsible persons or those engaged by them carrying out the required services must read this manual attentively and understand it.
Such services include: storage, transportation, installation, electrical installation, commissioning and re-starting, operation, maintenance, inspection, repair and dismantling.
Where the product is to be used in plants / facilities which do not comply with harmonised European regulations and relevant technical rules and guidelines of professional associations for this field of application, the present document is purely for informative and reference purposes.
As this unit may be subject to unlimited inspection at all times, this manual must be kept in the immediate vicinity of the installed unit, at least within the confines of the operations room.
4.2 Qualifications required, assumptions
All personnel must have the relevant qualifications to carry out the required services, and be physically and psychologically capable. The area
of responsibility, competence and supervision of personnel is the duty of the Operator.
| Required service | Professional group | Relevant qualifications |
| Storage, transportation | Logistics, transport, warehousing | Transport and warehousing specialist |
| Installation, dismantling, repair, maintenance. Re-commissioning after installation of extra components or modification. Inspection. | Installation and building services | HVAC specialist. People with operations room clearance with knowledge gleaned from this guide. |
| First commissioning of configured control unit (generic), re-commissioning after power cut, operation (work on the terminal and SPC control unit) | ||
| Electrical Installation | Electrical engineering | Specialist in electrical engineering / installation |
| Initial and re-inspection of electrical systems | Qualified person (QP) with certification in Electrical Engineering | |
| Inspection before commissioning and re-inspection of pressure equipment | Installation and building services engineering performed in the context of technical inspection. | Qualified Person (QP) |
4.3 Staff qualification
Operating instructions are transferred by Flamco representatives or others assigned by them during delivery negotiations or on demand.
Training for the required services, installation, dismantling, commissioning, operation, inspection, maintenance and repair are part of the training / further education for service engineers of the Flamco branch offices or named service contractors.
Such training covers information about on-site requirements rather than performance.
On-site services include transportation, the preparation of an operations room with the requisite foundation engineering to accommodate the system, and the requisite hydraulic and electrical connections, the electrical installation for the power source of the degassing equipment and installation of the signal leads for the IT equipment.
4.4 Intended use
Degassing and topping-up closed water heating and cooling water systems in which temperature-affected changes to the volume of the process water (heat carrier) occur.
The water heating systems are subject to EN 12828 with a maximum operating temperature of 105 °C.
The use of the degassing system in similar plants (e.g. heat transfer systems for process industry or technologically conditioned heat) may require special measures.
4.5 Incoming goods
The items delivered must be compared against the items listed on the shipping note and inspected for conformity. Unpacking, installation and commissioning may be started only once the product has been checked to conform with the intended use as stated in the order process and contract. In particular, exceeding the permissible operating or design parameters may lead to malfunctioning, component damage and personal injury.
If not in line with conformity or if the delivery is incorrect in another way, the product must not be used.
4.6 Transportation, storage, unpacking
The equipment is delivered in packing units in compliance with the contractual specifications, or requirements for specific transport methods and climate zones. They meet the requirements of the Flamco STAG GmbH packaging guidelines as a minimum. In accordance with these guidelines, the degassing systems are supplied stored on special pallets. These pallets are suitable for transportation with suitable fork-lift trucks. The forks must be set to the widest possible outer dimensions in order to prevent the load from tipping. The goods delivered must be moved in the lowest possible setting of the lifting equipment and perpendicular to the forks.
If the packages are suitable for lifting gear, they are marked at the appropriate lifting points.
Important note: Transport the packed goods as close as possible to the envisaged set-up location and make sure there is a horizontal, solid surface on which the goods can stand.
Caution: Use an approach that prevents uncontrolled falling, sliding or tipping over. The goods may also be warehoused in their packaging.
Stacking of the equipment is to be avoided. Use only permitted lifting gear and safe tools, and wear the required personal protective equipment.
4.7 Operations room
Room which meets the terms of the applicable European regulations, European and harmonised standards and applicable technical regulations and the guidelines of professional associations for the field concerned. Where the use of Vacumat Eco is concerned, these rooms generally have equipment for heat generation and distribution, water treatment and top-up, power supply and distribution, and measurement, control and information technology.
Access for unqualified and untrained persons must be restricted or forbidden.
4.8 Noise reduction
Ensure that the noise emissions in the installation are minimised by using state-of-the-art technology (e.g. by means of sound-absorbent pipe fittings).
4.9 EMERGENCY-STOP / EMERGENCY-OFF
The Emergency Stop function required under the terms of European Directive 2006/42/EC is provided by the respective main switch on the control unit.
If further safety chains with Emergency Shut-Down devices are required by the configuration or nature of operations of the heat generator, these are to be installed on site.
4.10 Personal protective equipment (PPE)
PPE must be used when carrying out potentially dangerous work and other activities (e.g. welding), in order to prevent or minimise the risk of personal injury if other measures cannot be taken. These must comply with the requirements specified by the main contractor or operator of the operations room or the site in question.
If no requirements are specified, to operate the automat no PPE is required. Minimum requirements are well-fitting clothing and sturdy, closed and slip-proof footwear.
Other services require the protective clothing and equipment necessary for the activity in question (e.g. transport and assembly: rugged, close-fitting work clothing, foot protectors [safety shoes with toe caps], head protection [safety helmet], hand protectors [protective gloves]; maintenance, repair and overhaul: rugged, close-fitting work clothing, foot protectors, hand protectors, eye / face protector [safety goggles]).
4.11 Exceeding permitted pressure/temperature levels
The object of the degassing system is to ensure that the equipment cannot exceed the permissible operating overpressure or permissible medium temperature (heating medium). Excess pressure and temperature may lead to component overload, irreparable damage to components, loss of function and, as a result, to severe personal injury and damage to property. Regular checks / inspections of these safeguards must be carried out.
4.12 System water
Non-flammable types of water without solids or fibrous components that do not present a danger to operational readiness with their constituents, and will not damage water- conducting components of the degassing equipment (e.g. pressurised components, pumps and motor position valves) or have undue influence on its working. Components conducting process water are pipelines, hoses to the vessel, device and system connections, and their casings, sensors, pumps and vessels. Operation with improper media can lead to impaired function, damage to components and, as a consequence, to serious personal injury and damage.
The operating medium must meet the requirements of VDI 2035! Desalinated water must have a conductivity between 10 and 100 µs/cm with a pH value that does not exceed the allowable limits according to VDI 2035 depending on the material used.
4.13 Safeguards
The equipment supplied is equipped with the required safety devices. To test their effectiveness or restore the set-up conditions, the equipment must first be taken out of service. Taking the system out of service implies that power should be cut and hydraulic connections blocked, to prevent accidental or unintentional re-connection.
4.13.1 Mechanical hazards
The fan-wheel casing on the pump protects operators from personal injury from moving parts. Before commissioning, check that it is fit for purpose and fixed in place.
4.13.2 Electrical hazards
The protection class of the electrically operated components prevents injury to persons through potentially fatal electrocution.
The protection class is at least IP42 (4: Protected against access with a wire; 2: Protection against dripping water if the casing is angled up to 15°.) The control unit cover, the cover of the pump feed, the motor ball valve connection, the threaded cable glands and the valve connector plugs must be inspected for effectiveness prior to commissioning. Check that the ground connections are tight. The installed pressure sensors, the pressure switch and the temperature sensor are operated with protective low voltage.
Avoid welding work on additional equipment that is electrically connected to the Vacumat Eco. Stray welding currents or an improper earth connection could lead to the danger of fire and the destruction of parts of the unit (e.g. the control unit).
4.14 External forces
Avoid any additional forces (e.g.: forces caused by heat expansion, flow oscillations or dead weights on the flow and return lines). They can lead to cracks and breaks in the water-bearing pipework, to a loss of stability, and also to failure – associated with serious personal injury and damage to property.
4.15 Inspection before commissioning and re-inspection
These checks guarantee operational safety and its continued presence in line with applicable European regulations, European and harmonized standards and pertinent technical rules and guidelines of the professional associations for this field of application. The required inspections must be arranged by the owner or operator; an inspection and maintenance log book for scheduling and traceability of measures taken must be kept.
4.16 Operating insurance inspections
| Pressure equipment, vessels (514; 15) | |||||
| Category [see Direc- tive 2014/68/ EU] | Vessel nomi- nal capacity / nominal pressure | Inspec- tion prior to corn- mission- , ing [514j inspector | Re-inspection [515 (5)] | ||
| Timeframe, maximum period [a] / inspector | |||||
| External inspection | Internal inspection | Strength inspection | |||
| Art. 3, para. 3 | 5 litres / PN10 | Qualified Person (QP) | Maximum period not defined. The maximum interval must be established by the Operator on the basis of information provided by the manufacturer coupled with practical experience and chamber load. The inspection may be carried out by a Qualified person. | ||
4.17 Electrical equipment inspections, routine inspection
Without prejudice to the considerations of the insurer / Operator, it is recommended that the electrical equipment relating to the external pressure control unit be inspected demonstrably together with the heating / cooling unit not less than every 18 months (see also DIN EN 602041 (2007)).
4.18 Maintenance and repairs
The degassing equipment must be disabled and prevented from being unintentionally enabled until the inspection is completed. To stop electrical equipment (control unit, pump, motor ball valve, peripheral equipment), isolate the power supply to the control unit.
Note that the safety circuits and data transmissions made while shutting down could trigger safety chains or generate incorrect data. Note: Even if the control unit is switched off, a 230V signal / voltage may be present across terminals 12,13,14, 16 and 17! Existing instructions for the heating or cooling unit as a whole must be observed. In order to shut down hydraulic components, the relevant sections must be blocked using the cap valves and ball valves contained in the scope of delivery of the Vacumat Eco.
The pressure can be relieved using the unit’s fill and drain valve.
Caution: The maximum system water temperature in conducting components (vessel, pumps, casings, hoses, pipelines, peripheral equipment) may reach 90 °C and, in the case of improper operation, may exceed that. This presents a danger of burns and / or scalding.
The maximum pressure of system water in conducting components may be equal to the maximum set pressure for the system’s applicable safety valve. The Vacumat Eco 300 up to size 900 has a maximum positive working pressure of 10 bar. Use of eye / face protectors is required if the eyes or face could be injured by flying parts or spraying fluids.
Unauthorised modifications to, and the use of non-approved components or replacement parts is prohibited. This can result in serious injury to persons and endanger operational safety. They will also render any claim for damages against product liability void.
The recommended approach is to call in Flamco customer service to perform maintenance and repairs.
4.19 Obvious misuse
- Operation at incorrect voltage and frequency.
- Feeding in drinking water systems and operation with medium that does not correspond to VDI 2035.
- Operating the system with deionized water.
- Operating the system with flammable, toxic or explosive means.
- Operation with the wrong system pressure and too high or too low a system temperature.
- Mobile application.
4.20 Residual hazards
Fire: professional fire protection must be ensured on site.
4.21 Warning symbols in this manual
Warning against hazardous electric current.
Disregarding this could put lives at risk, cause fires or trigger accidents, lead to component overload and damage, or prevent functionality.
Warning against the implications of errors and incorrect set-up conditions.
Failure to observe can lead to serious personal injury, component overload and damage, or functional impairments.
Product description
The contents of this manual consist of the specifications for a standard equipment level. Where appropriate, this includes information on options or other configurations. If optional extras are supplied, further documentation is provided in addition to this manual.
5.1 Additional Documentation
Vacumat Eco – circuit diagram SPC m1
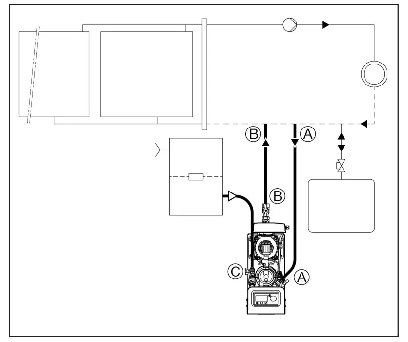
5.2 Plant layout
System diagram:
A Supply to Vacumat Eco with gas-rich medium
B Return from Vacumat Eco to system circulation with degassed medium
C Top-up connection point (NFE x.2 – variable, optional wiring)
- Ball valve
- Flat sealing threaded connection on non-return valve
- Filling and drain valve
- Dirt trap (0.5 mm)
- Check valve
- 3-way switch motor ball valve
- Volume flow limiter
- Degassing vessel
- Temperature contact sensor
- Filling level limit switch
- Drain valve (with cap)
- Pump with frequency converter
- Check valve
- System pressure sensor
- Cap valve
- Special check valve
- Sensor insulation
- Pressure Sensor – degassing vessel
- Automatic de-aerator
- Aeration preventer (check valve)
- Vent line
- Pressure switch
5.3 Components/equipment
- Control unit ON/OFF switch
- Service label with service contacts
- Plant type plate
- Ground connection for applying the external equipotential bonding (protective earth conductor)
- Operator terminal
- Control unit (SPC m1)
- 2x mounting hole (to ensure stability against tipping)
- Rubber buffers (for sound insulation; insulation against structure-borne sound propagation)
5.4 Mode of operation
The Vacumat Eco works as an active degassing device with automatic top-up
5.4.1 Basic principle of degassing in the Vacumat Eco
Degassing is performed by removing system medium from the system circulation through a bypass. This is conveyed through the system connection (A) and the following volume flow limiter (7) into the degassing vessel (8). During pump operation, the degassing vessel (8) is placed under a defined negative pressure. The ability of air to dissolve in the system medium is heavily reduced by the lowered pressure, causing bubbles to form, accumulate and expand and this air to rise.
The process is facilitated by the rotating air separator principle where the air is separated and unified by the tangential inflow, intensified towards the middle of the vessel (in the air head of the degassing vessel). This optimises degassing.
All free gases and a proportion of dissolved gases are removed from the system in an energy-saving manner which is considered non-critical in terms of:
- Corrosion.
- Heat transfer to heating surfaces.
- Flow behaviour in the system.
This works, among other reasons, because the frequency-controlled pump with adjusted speed gently regulates the vacuum to be built up to an energetically meaningful level (temperature-controlled), thus avoiding pressure surges.
After reducing the pump speed, the vessel is placed under system pressure by subsequent medium flow, resulting in the discharge of the air collected above water level via the de-aerator unit (16, 19-22).
The Vacumat Eco performs check degassing cyclically in order to automatically pause the degassing when the preset gas content level is reached. This is checked and decided at the de-aerator unit.
Pressure switch (22) detects whether air still exists at charge level, which leads to preset vacuum control at the degassing system by (Reduced degassing = MIN, Normal degassing [default] = MED, and Strong degassing = MAX).
The quantity of medium supplied to the vessel is returned to the circulation line system connection (B) return via a bypass line while the pump is running. Cyclical degassing takes place in “Fully automatic” mode. In this mode, the pump running time (vacuum build-up) alternates with the ejection of the separated air (reduced pump speed).
Although the Vacumat Eco works very quietly, fully automatic degassing operation mode can be interrupted by freely programmable breaks (e.g., at night). It is also possible to switch off degassing. The system is then in standby mode. Topping-up can still be done in this mode as needed.
5.4.2 Top-up
Both pressure-controlled and level-controlled topping-up can be performed.
Topping-up occurs when the motor ball valve (6) switches; medium then passes into the Eco Vacumat through the top-up opening (C) and is fed to the system by the pump.
Topping-up interrupts breaks and standby operating mode, or follows completed cycles of normal degassing or check degassing.
If the top-up requirement is active, it is primary to all other processes because the pressure must be maintained above all else.
5.4.3 Pressure-controlled top-up
Equivalent to factory setting to top-up pressure holding systems with (passive) diaphragm pressure expansion vessels.
The top-up switch-on and switch-off pressures can be edited in the pressure screen.
5.4.4 Level-controlled or externally-controlled top-up (for active pressure maintenance)
The operator has the option to use the level-controlled top-up for pressure maintenance using an automatic pressure holding device.
(See terminal diagram / electrical connection) Topping-up occurs here for as long as the external top-up request is present and Vacumat Eco volume or time-monitoring allows it.
Top-up can also be disabled via software in the Start menu.
5.4.6 Operating mode – fully automatic
Once the system has been fully set up (Start menu completed) and commissioned, and the control unit has been switched on, a delay first occurs; then the temperature in the machine is initially adjusted for a preset period before it is measured. Based on the temperature and the preset check degassing mode, the process in the vessel is regulated so that, after a certain time, it is possible to determine at the pressure switch whether undissolved air still exists in the medium at the level predefined by the degassing mode.
If this is not the case, no air is discharged in check degassing and degassing is interrupted; then, after readjusting the temperature, the gas load is tested again and the process is repeated.
However, if air is discharged from the vessel in the check degassing discharge phase, check degassing is followed by normal degassing; a lower negative pressure is built up than in check degassing and the medium is undersaturated with respect to the existing gas charges. This is repeated cyclically until either check degassing is pending, or the system switches to a degassing wait because no air is discharged at the end of the discharge phase during normal degassing. The system then continues with the temperature adjustments and check degassing after a specified interval time.
5.4.7 Standby operating mode
Topping-up only occurs in this mode during “virtually permanent pauses” in normal degassing, and thus interrupts the pauses.
Check degassing is not performed.
In addition, the standby setting can also be induced by bridging contact 39 and 40 (takes priority over the software setting).
This can be used to, for example, switch off degassing remotely or also to interrupt degassing when the circulation pumps are switched off to prevent inefficient degassing. It is not necessary to wait until the Vacumat Eco detects this problem (with a delay) after check degassing or because no gas is discharged during normal degassing.
5.4.8 Break times/exclusion times with blocking intervals
Break times for degassing can be defined so that a time-limited standby mode is implemented automatically at certain times of day.
Up to 8 blocking intervals can be implemented per day for these breaks which are referred to as exclusion times in this document.
5.4.9 Vacuum test
Requires the supply connection to be shut off when the vessel is full (coming from the system return). When doing so, the pump generates a vacuum after a couple of seconds; the vacuum must remain stable for a specified period of time in order to verify the pump’s performance and ensure the vessel is leak-tight. This test is typically needs to be performed prior to commissioning and after maintenance.
5.5 Marking (with examples and placeholders for variable information)
5.5.1 Type plates
5.5.3 Electrical safety high voltage! Opening by qualified personnel only.
Attention,
Disconnect the unit from the power supply before opening it.
5.5.5 Label from the terminal board cover (inside)

Explanation of the abbreviations on the label on the terminal board cover.
Note: The switch settings shown represent the current-free, non-switched state.
| FU/FC | Frequency converter |
| refill IN 230V | Top-up signal input 230V |
| extra-low voltage | Protective low voltage |
| fault | Fault, common fault output |
| M | Motor (pump motor) |
| high voltage | Voltage as per markings |
| L | Phase |
| N | Neutral wire |
| PE | Protective earth (PE) conductor |
| mains supply | Power feed |
| NO | normally open (volt-free in open position) |
| NC | normally closed (volt-free in closed position) |
| pwm | Input for water meter with pulse output (option) |
| sensor | Sensor |
| system pressure | System pressure sensor input |
| vessel pressure | Vessel pressure sensor input |
| temperature | Temperature sensor input |
| FC out | FC out |
| ohmic load | Ohmic load, resistance |
| motor ball valve | Motor ball valve |
| level switch | Level switch / float switch / dry run protection |
| pressure switch | Pressure switch controlled degassing |
| refill | Top-up |
| release FC | release FC |
| standby | standby |
| mains supply | Mains feed |
| GND/AGND/GNDA | Mass (A=analogue, only connected as per terminal diagram) |
| out analogue | out analogue |
Assembly
6.1 Installing, levelling, bolting – Ensure stability!
Set up the unit on a flat and stable (concrete) surface near the well in the operating / boiler room.
Ensure that a floor drain is available for the unit.
Use both frame holes on the base plate (Ø12) to secure the Vacumat Eco against tipping. Use sufficiently long (stainless) steel screws Ø10 (with plugs and possibly plastic washers) for this in order to anchor them in the ground in such a way that tipping can be prevented, but so that the screw does not transmit structure-borne noise. (Do not tighten the screw too tightly.)
Note the required minimum distances to walls, maintenance areas and assembly areas (see Appendix 1)
6.2 Connecting the pipework
Note: Only working temperatures of between 3 and 90 °C are permissible. Bear this in mind when selecting the place of installation.
Make sure that this connection is made solely with the heat generator and that there are no external hydraulic pressure influences present at the point of entrainment (e.g. hydraulic balancers, distributors).
Pipeline diameters must be at least size DN 32 on the unit’s pressure ports.
If the pipework length is more than 10 metres from the pressure ports to the return pipe, the connection pipes must be at least DN 40. The inlet connections from the system and topping up must be at least DN 20. At least DN 25 must be used for pipelines longer than 10 m. The branch pipe connection lengths to the system must not exceed 20 m. For every 90° bend, one metre of the maximum permitted pipe length must be deducted.
Use sealants and feed lines appropriate to the installation; however, please observe at least the maximum permitted volumetric flow, pressure and temperature values for the pipework in question. (See appendix 1 for diagram.)
Make sure that all connections to the unit are installed so that they are without tension at the joints!
Reinforced hoses must not be subjected to tension, twisting or kinking, etc. If a reinforced hose is used on the inlet to the unit it must be designed to be vacuum-tight!
6.3 Connecting the electrical supply
The power supply connection must be created by the customer between the mains supply and the SPC m1.
The mains supply, earthing system and cable protection must be provided in compliance with the requirements of the responsible power supply company (PSC) and the applicable standards. The required information can be found on the type plate of the control unit and the terminal plan (labelling; Appendix 4).
The mains connection to be provided via a suitable CEE plug / socket combination with load-switching ability or other permissible main switch.
This electrical installation work must be performed by a qualified electrically skilled personnel.
Note: install equipotential bonding between the earth connection and equipotential bonding conductor. The minimum diameter, quality and type of the power cables must comply with the rules and regulations applicable at the installation location for this application. Electrical power cables should be guided along cable gutters at all times.
The finished system allows the user to program the configuration and system-dependent parameters into the control unit.
For more detailed instructions regarding the top up function check additional instructions at www.flamcogroup.com
Commissioning
7.1 Commissioning
Keep a commissioning log!
Check that the installation and assembly actions are complete (e.g. power supply available at the mains distribution board, functioning or activated fuses and protective conductor connections, equipment is free from leaks and the stable setup of the unit).
- After the cap valve and the ball valve on the unit have been opened, the pump automatically de-aerated, the vessel filled with system medium, the air completely discharged from the vessel via the de-aerator unit and the system impermeability is checked, the control unit can be switched on. First the control unit hardware status and then the software status are displayed.
- Now start working through the Start menu. You may need to be logged on with the appropriate access code for any delegated responsibilities. If the responsibilities are delegated to the customer / operator or preset ex works (as in most cases), you will not need a special access code to work through the Start menu.
- After confirming the last menu item in the Start menu: “START”, the system starts fully automatic operation.
7.2 Settings/control actions
Individual control actions can be performed by tapping the sensor surfaces marked with LEDs or with finger movements on the sensor wheel.
When you have worked through the START menu and the system has started up, the system’s status can be precisely monitored using various operational indicators (1 to 3) including statistical analysis of the system values. The basic menu structure can be found in Appendix 3 of this document.
It is possible to change the existing settings via the CONFIGURATION after “START”. As the change to the top-up control type is a basic configuration and possibly also defined by the equipment level, this is only possible via the START menu. To this end, the system is stopped when the “Reset Start menu” item is selected in CONFIGURATION, and a new version of the START menu is worked through based on appropriate prompts. (For this purpose it may be necessary to repeat the pressure settings as they may have been reset to the factory settings.)
7.3 Recommissioning
Recommissioning (e.g., after extended periods of inactivity/shutdown and maintenance) assumes that the system is free from leaks and correctly connected electrically. After extended downtimes it is advisable to perform maintenance before recommissioning.
7.3.1 Visual check of the temperature contact sensor – check assembly
For the Vacumat Eco to function correctly, it is essential that the temperature sensor (Pos. 9 in the system diagram) has a reliable, fixed contact with the pump body through the tensioning strap that attaches it to the pump body. It is also very important that the temperature contact sensor is sufficiently shielded against ambient temperatures with the sensor insulation (pos 17).
This must always be checked during commissioning, system inspection, servicing or maintenance!
7.4 Explanations relating to the SPC m1 control menu
| also includes a vacuum test. | ||
| makes it possible to perform software updates for the SD card via the extension module or to read data. | ||
| must be used to set the correct time on the control unit. (The system clock is battery buffered and lasts for about 10 years without a mains connection.) | ||
| can be selected to choose a language for communicating with the control unit from up to 19 different languages. | ||
| supports the entry of access codes in order for service staff to carry out settings, including setting internal Flamco parameters. | ||
| supports logging out after using access codes. | ||
| Inaccessible for the customer / operator. | ||
| allows users to set or change the different defaults that are relevant for operating the system. | ||
Default —. Fully automatic Optional –. Standby Blocking times Check degassing | (setting up) (software default) Only top-up is possible here! for degassing. Night time breaks can be set up, for example. Check degassing type. Check for gas residual solution content: 8 m1/I of air = MAX 12 m1/I of air = MED 15 mI/I of air = MIN | |
Top-up capacity 8-2-1-3: Parameter l | Pre configuration 50 L (when pulse water meter and make up are configurared by the Sales Engineer or service Department). Accept / edit top-up defaults. | |
Pressure settings 8-3-1: | Default—.Edit factory settings. | |
| Default —. 16 group error messages not on contact. | ||
| Reset Start menu 8-6: | —. Activate editing mode! | |
Maintenance
The components of the Vacumat Eco are largely maintenance-free.
Nevertheless, it is recommended to perform an annual visual check of the system (including for leaks). In addition, the dirt trap to be provided
by the customer in the inflow line must be cleaned at least once a year, even if automatic detection does not require this. Cleaning may also be
done at more frequent intervals (depending on how dirty the system water is).
Should a visual check of the system necessitate further maintenance, this may also only be done by qualified personnel.
The temperature contact sensor must be visually inspected (Check assembly) at least during maintenance!
(already described in Commissioning)
It is also recommended to perform the vacuum test after maintenance.
The menu item Service in the Service menu can be used to read off the next service date. This should be an aid for the Operator.
The next service date (in brackets) is saved here. If the system clock is correctly set, the Operator will be informed about reaching the date via a message.
365 days for maintenance 1 and 548 days (1.5 years) for maintenance 2 are provided after commissioning.
The Vacumat Eco continues to work when a group error message is triggered.
“Service done” should only be confirmed by authorised staff. The control unit then determines the next service date itself.
Maintenance 1 stands for maintenance device.
Maintenance 2 stands for the periodic inspection of electrical equipment.
8.1 Malfunction list / error messages
| Error no. | Error message | Error / Name | Effect / Action | holding / subject to mandatory acknowledgement | |
| PS 20mA i | Pressure sensor overcurrent / sensor fault | System in forced rest; motor, motor ball valve immediately Off / Reduce pressure in system / change sensor. | No | ||
| PS 4mA 1 | Pressure sensor cable break / sensor fault | System in forced idle mode; motor, motor ball valve immediately Off / Repair cable / change sensor. | |||
| VS 20mA I | Vacuum sensor overcurrent / sensor fault | System in forced idle mode; motor, motor ball valve immediately Off / Reduce pressure / change sensor. | NO | ||
| 5 | VS 4mA I | Vacuum sensor cable break / sensor fault | System in forced idle mode; motor, motor ball valve immediately Off / Repair cable / change sensor. | NO | |
| 6 | li Temp | Temperature sensor short circuit / sensor fault | Fault shutdown / Check cable and clamping/ change sensor. | NO | |
| 7 | Tj Temp | Temperature sensor cable break / sensor fault | Fault shutdown / repair cable / change sensor. | NO | |
| 8 | ,L Pressure | Lower alarm limit pressure undershot (Pa min) | Fault shutdown / Lead pressure in the working pressure range. | NO | |
| 9 | i Pressure | Upper alarm limit pressure exceeded (Pa max) | Fault shutdown / Lead pressure in the working pressure range. | NO | |
| 12 | L Temp | Temperature range undershot | Fault shutdown / guide temperature to operating temperature range. | NO | |
| 13 | i Temp | Temperature range exceeded | Fault shutdown / guide temperature to operating temperature range. Fault shutdown. | NO | |
| 14 | TC / FC motor | TC / FC message motor pump | System in forced idle mode; motor, motor ball valve immediately Off/ switch off, 5 min break, switch on. | YES | |
| 15 | Dry running | Filling level limit in the vessel permanently undershot | System in forced idle mode; motor, motor ball valve immediately Off/ expand supply line, exclude pressure port contraction. | YES | |
| 22 | Top-up volume | IWZ (pulse water meter) delivers no water after top-up request | Top-up off / Ensure supply. | YES | |
| Error no. | Error message | Error / Name | Effect/Action | holding subject to mandatory acknowledgement |
| 23 | Top-up inadmissible | Top.up without request (IWZ delivers signals without supply) | Top-up off / check motor ball valve for leaks for top-up. | YES |
| 24 | Top-up interval 1 | minimum top-up cycle interval undershot | Top-up of / correct defaults if necessary; exclude pipe burst. | YES |
| 25 | Top-up number i | maximum number of cycles within a time window exceeded | Top-up of / correct defaults if necessary; exclude pipe burst. | YES |
| 26 | Top-up volume T | Maximum volume exceeded in a top-up cycle (with IWZ) | Top-up of / correct defaults if necessary; exclude pipe burst. | YES |
| 27 | Top-up time’ | Maximum time for top-up cycle exceeded (without IWZ) | Top-up of / correct defaults if necessary; exclude pipe burst. | YES |
| 31 | v 3 T | Water treatment module processing amount exceeded | Top-up off / correct defaults if necessary; replace treatment module. | YES |
| 35 | Temp controller | Target pressure control defective. Desired pressure in vessel not reached. | Override fault – target pressure in vessel not reached/contact the service department Strainer possibly blocked or vacuum leak. | |
| 37 | ID output | Discharge pressure not reached within the ‘maximum duration for waiting for ejection pressure cycle end to be reached” | Fault shutdown – target pressure in vessel not reached / contact service. Possibility of a contaminated filter. | YES |
| 39 | Pa max I | Pa max exceeded | Fault shutdown / Reduce pressure to within the working pressure range. | YES |
| 41 | Adjust psys | Adjust system pressure fault | Motor shutdown / Ensure inlet pressure from the system. | YES |
| 42 | No charactenst c curve | No valid degassing characteristic curve | No valid degassing characteristic curve. | YES |
| 55 | v 1 f | Water treatment module processing amount warning threshold 1 | No / Prepare module replacement. (consumption at 70%) | YES |
| 56 | Maintenance 11 | Next maintenance type 1 is pending | No / Perform maintenance 1. | YES |
| 57 | Maintenance 2! | Next maintenance type 2 is pending | No / Perform maintenance 2. | YES |
| 60 | Extension | Last external module action with errors ended | No / repeat action if necessary. | YES |
| 61 | v 2 ( | Water treatment module processing amount warning threshold 2 | No/ prepare module replacement (consumption at 90%) perform module replacement immediately if necessary. | YES |
If any errors other than those described occur and they cause permanent problems (not self-acknowledging), please contact the service to solve the problem!
Appendix 1 Technical data, general specifications
1.1 Ambient conditions
1.2 Installation examples Integration in a heating system

1.3 Example of a unit / pipeline integration

1.4 Minimum distances: clearance for service and repair.

Appendix 2. Technical data, specifications

Appendix 3 Menu structure of the SPC m1 – diagram

Appendix 4 Terminal diagram

Appendix 5 Optional accessories and their integration
Optional accessories and their integration Otherwise, the unit is fully set up.
5.1 System separation by top-up unit (NFE)
Top-up medium must be free of particles (greater than 0.5 mm) and long-fibered components.
If the system still needs to be separated (from the potable water network), it is possible to use NFE 1.1 and NFE1.2.
See System layout – system diagram.
The inlet flow pressure to the NFE1.x must be at least 1.3 bar.
When using NFE1.2, this needs to be attached to the control unit as per the terminal diagram and configured. (Specify use of IWZ (pulse water meter).) Set menu point top-up settings 8-2-1 to IWZ.
5.2 Top-up from a system separator vessel
The following must be observed if topping-up from a system separator vessel:
The system separator vessel is not monitored by Vacumat Eco (Operator’s responsibility).
The smallest water level in the collection vessel must not be deeper than 1000 mm above the installation height of the Vacumat Eco unit.

Appendix 6 MeiFlow L MF Connector kit
The MeiFlow L MF Connector kit is used to easily connect the large distribution systems with pressure maintenance/degassing machines by means of a BigFixLock adapter plate DN150 with 2 threaded connections (1 1/4” male). The connection pipe (provided by the customer) to the respective vending machine can be connected to these sockets. The EPDM inliner is used to separate the flow rates of the machines. Advantages
- Easy installation due to BigFixLock connection
- Predefined connection point to additional system components directly on the manifold beam.
- Additional filling and draining or sensor installation option.

EU Declaration of Conformity

daFIN
s10daaassssssL
C
11
9
14
T
Psys
12
13 2 15
A Prívod média s vysokým obsahom plynu do zariadenia Vacumat Eco B Spätný tok zo zariadenia Vacumat Eco do obehového systému s odplyneným médiom C Pripojovací bod doplovania(NFE x.2 – variabilná volitená elektroinstalácia)
1 Guový ventil 2 Závitový spoj s plochým tesnením na spätnom ventile 3 Ventil na dopanie a vypúsanie 4 Odlucovac necistôt (0,5 mm) 5 Spätný ventil 6 3-cestný spínac guového ventilu s elektropohonom 7 Obmedzovac objemového prietoku 8 Odplyovacia nádoba 9 Kontaktný snímac teploty 10 Koncový spínac hladiny dopania 11 Vypúsací ventil (s uzáverom)
12 Cerpadlo s Frekvencným menicom 13 Spätný ventil 14 Snímac tlaku v systéme 15 Uzatvárací ventil 16 Speciálna spätná klapka 17 Izolácia snímaca 18 Snímac tlaku – odplyovanie zásobníka 19 Automatický odvzdusovac 20 Bezpecnostný uzáver proti zavzdusovaniu (spätný ventil) 21 Odvzdusovacia rúrka 22 Tlakový spínac
372
TemplateA4_v20130506
5.3 Komponenty / vybavenie
23 Vypínac na riadiacej jednotke 24 Servisný stítok so servisnými kontaktnými údajmi 25 Typový stítok pohonu 26 Pripojenie uzemnenia na pouzívanie vonkajsieho vyrovnávania potenciálov (vodic ochranného uzemnenia) 27 Ovládacia jednotka 28 Riadiaca jednotka (SPC m1) 29 Montázny otvor, 2 x (na zaistenie stability proti prevráteniu) 30 gumené tlmice (pre zvukovú izoláciu; izoláciu proti síreniu zvuku konstrukciou)
373
SLK
TemplateA4_v20130506
5.4 Rezim prevádzky Zariadenie Vacumat Eco funguje ako aktívne odplyovacie zariadenie s automatickým dopaním. 5.4.1 Základný princíp odplyovania v zariadení Vacumat Eco Plyn sa odstrauje tak, ze cez obtok sa z obehového systému sa vypustí prevádzkové médium. Toto médium sa prenása cez prípojku systému (A) a pokracuje cez regulátor objemového prietoku (7) do odplyovacieho zásobníka (8). Cerpadlo vytvára v odplyovacom zásobníku (8) definovaný podtlak. Nízky tlak výrazne znizuje rozpustnos vzduchu v prevádzkovom médiu s následnou tvorbou, akumuláciou a rozpínaním bublín, preto tento vzduch stúpa hore. Tento proces umozuje rotacný separátor vzduchu, v ktorom sa vzduch oddeuje a spája pomocou tangenciálneho prítoku a stupuje sa smerom do stredu zásobníka (v pneumatickej hlavici odplyovacieho zásobníka) Tento proces optimalizuje odplyovanie. Zo systému sa energeticky úsporným spôsobom odstraujú vsetky voné plyny a cas rozpustených plynov, co sa povazuje za nekritické z hadiska: · Korózie. · Prenosu tepla na vykurovacie plochy. · Fungovanie prietoku v systéme. Toto funguje okrem iného preto, ze frekvencne regulované cerpadlo s nastavenými otáckami jemne reguluje podtlak, ktorý sa má vytvori, na energeticky významnú úrove (ovládané teplotou), cím sa zabrauje nárazovému zvysovaniu tlaku. Následným prietokom média sa po znízení otácok cerpadla v zásobníku vyrovná tlak s tlakom v systéme , cím sa vytláca vzduch nahromadený nad hladinou vody cez odvzdusovac (16, 19-22). Zariadenie Vacumat Eco pravidelne vykonáva kontrolné odplyovanie a pri dosiahnutí predvolenej hladiny plynu ho automaticky prerusí. Kontrola a urcovanie tohto procesu prebieha v odvzdusovaci. Tlakový spínac (22) zisuje, ci sa vzduch stále nachádza na hladine vypúsania a v odplyovanom systéme spúsa predvolenú reguláciu podtlaku (znízené odplyovanie = MIN, bezné odplyovanie [predvolené] = MED a silné odplyovanie = MAX. Cerpadlo vracia mnozstvo privádzaného média do zásobníka do spätného cirkulacného potrubného systému (B) cez obtokové potrubie. Proces cyklického odplyovania prebieha v ,,plne automatickom rezime”. Doba chodu cerpadla (vytvorenie podtlaku) sa v tomto rezime mení poda mnozstva vytlaceného oddeleného vzduchu (znízené otácky cerpadla). Hoci chod zariadenia Vacumat Eco je vemi tichý, plnoautomatický prevádzkový rezim odplyovania sa môze prerusi vone programovatenými zastaveniami (napríklad cez noc). Proces odplyovania sa môze tiez vypnú. Systém je potom v pohotovostnom rezime. V tomto rezime sa stále môze poda potreby vykonáva doplovanie. 5.4.2 Doplovanie Doplovanie môze by regulované bu tlakom, alebo výskou hladiny. Proces doplovania spúsajú spínace guového ventilu s elektropohonom (6); médium potom priteká do zariadenia Vacumat Eco cez doplovací otvor (C) a cerpadlo ho dodáva do systému. Proces doplovania prerusujú zastavenia a pohotovostný prevádzkový rezim alebo sa spúsa po dokoncených cykloch normálneho alebo kontrolného odplyovania. Ak je doplovanie zapnuté, má prednos pred vsetkými ostatnými procesmi, pretoze najdôlezitejsie je udrzanie tlaku. 5.4.3 Doplovanie regulované tlakom Ekvivalent továrenského nastavenia systémov na udrziavanie tlaku (pasívny) s membránovými expanznými tlakovými nádobami. Na obrazovke Tlak mozno upravi hodnoty zapínania a vypínania tlaku pre doplovanie. 5.4.4 Doplovanie regulované výskou hladiny alebo externe regulované doplovanie (na udrzanie aktívneho tlaku) Operátor si môze na udrziavanie tlaku pomocou zariadenia na automatické udrziavanie tlaku zvoli doplovanie regulované výskou hladiny. (Pozri schému zapojenia / elektrické pripojenie) Doplovanie v tomto prípade trvá dovtedy, kým nebude zrusená poziadavka na externé doplovanie a ak to umozuje objem alebo monitorovanie casu zariadenia Vacumat Eco. 5.4.5 Vypnú doplovanie Doplovanie sa môze tiez vypnú pomocou softvéru v ponuke Start.
374
TemplateA4_v20130506
5.4.6 Prevádzkový rezim – plnoautomatický Po úponom nastavení systému (dokoncená ponuka Start), jeho uvedení do prevádzky a zapnutí riadiacej jednotky najskôr dôjde k oneskoreniu; potom sa teplota v stroji pred meraním spociatku upravení na predvolenú dobu. Proces v zásobníku sa poda teploty a predvoleného rezimu kontrolného odplyovania regulujte tak, aby tlakový spínac mohol po urcitom case urci, ci v médiu stále zostáva nerozpustený vzduch na hladine, ktorá je vopred stanovená rezimom odplyovania. Ak tomu tak nie je, pri kontrolnom odplyovaní nedochádza k vypúsaniu vzduchu a proces odplyovania je prerusený; potom po opätovnom nastavení teploty znova prebieha testovanie záaze plynu a tento proces sa zopakuje. Ak sa vsak vo fáze kontrolného odplyovania zo zásobníka vypúsa vzduch, kontrolné odplyovanie je znízené na normálne odplyovanie; potom sa pri kontrolnom odplyovaní vytvorí nizsí podtlak a vzhadom na existujúce vypúsanie plynu nedochádza k nasycovaniu média. Toto sa pravidelne opakuje, pokia bu kontrolné odplyovanie nebude vo fronte, alebo kým sa systém neprepne do rezimu cakania na odplynenie, pretoze na konci fázy vypúsania pri normálnom odplyovaní nedochádza k vypúsaniu vzduchu. Systém bude potom po urcenom casovom intervale pokracova s nastavenými hodnotami teploty a v kontrolnom odplyovaní.
n
Cerpadlo je zapnuté*** Cerpadlo je zapnuté**
Opakova Kontrolné odplyovanie
Opakova normálne odplyovanie
normálne odplyovanie
Cerpadlo je zapnuté*
Cerpadlo je vypnuté
Oneskorenie zapnutia
Zapnú riadiacu jednotku
Upravi teplotu
Vytváranie podtlaku
Vypúsanie
Vytváranie podtlaku
Rozhodnutie: Normálne odplyovanie alebo prerusenie
*
Cerpadlo je v chode s nízkymi otáckami, aby sa v zásobníku dosiahol výtlacný tlak.
**
Cerpadlo je v chode s vyssími otáckami, aby sa v zásobníku vytrovil cieový podtlak.
**
Cerpadlo je v chode s vysokými otáckami, aby sa v zásobníku vytrovil väcsí podtlak a úcinne odstránil plyn.
Vypúsanie
Prerusi
t
Zyklenablauf Vacumat ECO 20150417
5.4.7 Pohotovostný prevádzkový rezim. V tomto rezime sa doplovanie vykonáva iba pocas ,,prakticky trvalého pozastavenia” v normálnom odplyovaní a preto pozastavenia prerusuje. Kontrolné odplyovanie nie je vykonané. Okrem to sa premostením kontaktov 39 a 40 môze vyvola nastavenie pohotovostného rezimu (má prednos pred softvérovým nastavením). Toto sa môze napríklad pouzi na diakové vypnutie odplyovania alebo tiez na prerusenie odplyovania po vypnutí obehových cerpadiel, aby sa zabránilo neúcinnému odplyovaniu. Po skoncení kontrolného odplyovania alebo ak pocas normálneho odplyovania nedochádza k vypúsaniu vzduchu, nie je potrebné caka, kým zariadenie Vacumat Eco zistí tento problém (s oneskorením).
5.4.8 Doby zastavení alebo výluky s intervalmi blokovania Doby zastavení odplyovania môzu by stanovené tak, aby v rucených casových intervaloch pocas da bolo mozné automaticky vykona casovo obmedzený pohotovostný rezim. V jednom dni mozno pre tieto zastavenia vykona az 8 intervalov blokovania, ktoré sú v tomto dokumente oznacované ako ,,doby výluky”.
5.4.9 Vákuová skúska Vyzaduje si vypnutie dodávky elektrickej energie, ke je zásobník plný (prichádzajúce zo spätného vedenia systému). Za niekoko sekúnd cerpadlo zacne vytvára podtlak; podtlak musí by stabilný po urcenú dobu, aby bolo mozné overi výkon cerpadla a zaisti tesnos zásobníka. Tento test sa musí vykona pred uvedením do prevádzky a po vykonávaní údrzby.
SLK
375
TemplateA4_v20130506
5.5 Znacenie (s príkladmi a zástupnými symbolmi pre premenné informácie)
5.5.1 Typové stítky
Typ:
Type: Type:
Vacumat Eco xx
Type:
Serien-Nr.: Serial-No.:
N° de Série: Volgnummer:
Schutzart: Protection: Protection: Bescherming:
IP 42
Flamco STAG GmbH; Berliner Chaussee 29; 39307 Genthin; Germany
Nennspannung: Nominal voltage: Tension nominale: Nominale spanning:
1x 230 V 50/60 Hz
Zulässige Medientemperatur min. / max.: Permissible media temperature min. / max.:
Température de média mini. / maxi. admissible: Toegestane temperatuur media:
3 / 90 °C
Nennstrom: Nominal current: Courant nominal: Nominale stroom:
xx A
Zulässiger Betriebsüberdruck:
Permissible working overpressure: Surpression de service admissible:
-1/+10
bar
Toelaatbare werkdruk:
Herstellungsjahr: Year of manufacture:
Année de fabrication: Jaar van vervaardiging:
20xx
Nennleistung: Nominal power:
Puissance assignée: Nominaal vermogen:
xx kW
Zulässige Umgebungstemperatur min. / max.:
Permissible ambient temperature min. / max.: Température de ambiante mini. / maxi. admissible:
3 / 45 °C
Toelaatbare omgevingstemperatuur min. / max.:
5.5.2 Typový stítok SPC m1 na riadiacej jednotke
Type: Type: SPC m1/1.2 – lw Typ :
N° de série : Serial-No. : Serien-Nr. :
Classe de protection :
Protection class : I
Schutzklasse
:
Flamco STAG GmbH; Berliner Chaussee 29; 39307 Genthin; Germany
Année de fabrication Year of manufacture Herstellungsjahr
: : :
20XX
Tension assignée d’emploi Rated operational voltage Bemessungsbetriebsspannung
:::±21300%V
Nombre de phase :
Number of phases :
Phasenzahl
:
1
Fréquence Frequency Frequenz
: : :
50/60Hz ±1%
Courant de coupure :
Cut-off current : 16A
Volllaststrom
:
Mesure de la courant de court-circuit
Rated short-circuit current Bemessungskurzschluss-Strom
: : 16A :
Protection
: Numeró de dessin :
Degree of protection : IP54 Drawing number
: 952-19.13.27-1
Schutzart
: Dokumentationsnummer :
5.5.3 Elektrická bezpecnos
Attention, high voltage! Opening by qualified personnel only. Disconnect the unit from the power supply before opening it.
Achtung, gefährliche Spannung! Nur vom Fachpersonal zu öffnen. Vor dem Öffnen des Gerätes spannungsfrei schalten.
5.5.4 Servisné císla
376
TemplateA4_v20130506
5.5.5 Stítok z krytu svorkovnice (vnútri)
SPC m1/V1.0
11.06.2015
Read the manual ! Bedienanweisung lesen !
ATTENTION: Even if unit is isolated from power supply, terminals 12, 13, 14, 16 and 17 may carry 230V voltage!
ACHTUNG: Trotz Netztrennung kann, an den Klemmen: 12, 13, 14, 16 und 17 eine Spannung von 230V anliegen !
RS232 Terminal
extra – low voltage
option GND
+24V / signal + signal AGND
analog IN
+24V +24V / signal +
signal –
1 2 3 4 5 6 7 8 9 10 11
INPUT GND OUT + OUT –
NO
NC
12 13 14
fault
5A 30 VDC 5A 250 VAC ohmic load
sensor
sensor
sensor
counter
analog out
system pressure
vessel pressure
temperature
pwm option
FC OUT 4 – 20 mA
GND GNDA
GND GND
27 28 29 30 31 32 33 34 35 36 37
switch switch level pressure refill
FC release
0 – 10 V OUT
out analog
option
option
38 39 40
Störung FU fault FC
GND Standby
high voltage (230V 50/60Hz)
15 16 17 18 19 20 21 22 23 24 25 26
PE N L
PE N L
~ signal in refill IN 230V
FC M FU/ FC
41 42 43 44 45 46 47 48 49 50 51 52
PE N L
PE N L
motor ball valve
230V 50/60Hz mains supply
Vysvetlenie skratiek na stítku, ktorý je na kryte svorkovnice. Zobrazené nastavenia prepínaca predstavujú nezapnutý stav bez prúdu.
FU/FC
Frekvencný menic
refill IN 230V
Vstupný 230 V signál doplovania
extra-low voltage
Ochranné nízke napätie
fault
Porucha, výstup vseobecných porúch
M
Elektromotor (motor cerpadla)
high voltage
Napätie poda znaciek
L
Fáza
N
Nulový vodic
PE
Vodic ochranného uzemnenia (PE)
mains supply
Napájanie
NO
normálne vypnuté (bez napätia vo vypnutej polohe)
NC
normálne zapnuté (bez napätia vo zapnutej polohe)
pwm
Vstup pre vodomer s pulzným výstupom (doplnkový)
sensor
Snímac
system pressure
Vstup pre snímac tlaku v systéme
vessel pressure
Vstup pre snímac tlaku v zásobníku
temperature
Vstup pre snímac teploty
FC out
Výstup FC
ohmic load
Ohmové zaazenie, odpor
motor ball valve
Guový ventil s elektropohonom
level switch
Hladinový spínac / plavákový spínac / ochrana skúsobného chodu
pressure switch
Odplyovanie ovládané tlakovým spínacom
refill
Doplovanie
release FC
uvoni FC
standby
pohotovostný rezim
mains supply
Sieové napájanie
GND/AGND/GNDA
Zem (A = analógové, pripojené iba poda schémy zapojenia)
out analogue
analógový výstup
377
SLK
TemplateA4_v20130506
6. Zariadenia AS
6.1 Montáz, vyrovnanie a upevnenie – Zabezpeci stabilitu! Zariadenie instalujte na rovnej a stabilnej ploche (betónová) veda zdroja v obsluznej miestnosti operátora alebo v kotolni. Pre zariadenie musí by v podlahe namontovaný výpust. Zariadenie Vacumat Eco upevnite na základovú dosku proti prevráteniu skrutkami naskrutkovanými do obidvoch otvorov (Ø12) v ráme. Na jeho ukotvenie pouzite dostatocne dlhé (nerezové) oceové skrutky Ø10 (s kolíkmi a prípadne plastovými podlozkami), aby sa nemohlo prevráti, ale tak, aby skrutky neprenásali hluk nesený konstrukciou. (Skrutky neuahujte prílis silno). Poznacte si pozadované minimálne vzdialenosti k stenám a priestory pre údrzbu a montáz (pozri prílohu c. 1). 6.2 Pripojenie potrubia Prípustná je iba prevádzková teplota v rozsahu od 3 do 90 °C. Nezabúdajte na to pri výbere miesta na instalovanie zariadenia. Uistite sa, ci táto prípojka je spojená so zdrojom tepla a ci na miesto vstupu (napríklad hydraulické vyrovnávace, rozdeovace) nepôsobí ziadny vonkajsí hydraulický tlak. Potrubie napojené do miest prívodu v zariadení musia ma priemer minimálne DN 32. Ak sa potrubie nachádza viac ako 10 metrov od miesta prívodu po vratné potrubie, spojovacie potrubie musí ma priemer aspo DN 40. Vstupné prípojky zo systému a na dopanie musia ma priemer aspo DN 20. Potrubia s dzkou viac ako 10 metrov musia ma priemer aspo DN 25. Odbocné rúry do systému nesmú by dlhsie ako 20 metrov. Na kazdý 90° ohyb sa musí odráta jeden meter z maximálnej povolenej dzky rúrky. Pouzite tesniaci materiál a potrubie, ktoré sú vhodné pre instaláciu; pre príslusné potrubie vsak dodrziavajte prinajmensom maximálne povolené hodnoty objemového prietoku, tlaku a teploty. (Schému nájdete v prílohe 1.) Uistite sa, ze vsetky prípojky k zariadeniu sú nainstalované tak, aby na spojkách nebolo ziadne napätie. Vystuzené hadice nesmú by napnuté, skrútené alebo zauzlené a podobne. Ak je vystuzená hadica pripojená k prívodu do zariadenia, musí by navrhnutá tak, aby bola vákuovotesná.
6.3 Pripojenie elektrického napájania Zákazník musí vytvori medzi napájaním zo siete a riadiacou jednotkou SPC m1 pripojenie elektrického napájania. Napájanie zo siete, uzemovací systém a káblová ochrana musí by v súlade s poziadavkami príslusnej energetickej spolocnosti (QP) a platnými technickými normami. Pozadované informácie môzu by uvedené na typovom stítku riadiacej jednotky a v schéme zapojenia (znacenie; príloha c. 4). Sieové pripojenie musí by zabezpecené pomocou vhodného konektora / zástrcky CEE so sposobilosou pre zmeny zaazenia. Tieto elektroinstalacné práce musí vykonáva iba kvalifikovaný elektrikár. Poznámka: Nainstalujte ekvipotenciálny spoj medzi prípojku uzemnenia a ekvipotenciálny spojovací vodic. Minimálny priemer, mnozstvo a typ napájacích káblov musia by v súlade s pravidlami a predpismi, ktoré platia pre miesto instalácie tohto zariadenia. Elektrické káble sa musia vzdy vies v káblových zaboch. Zostavený systém umozuje pouzívateovi naprogramova do riadiacej jednotky konfiguráciu a parametre závislé od systému. Podrobnejsie pokyny týkajúce sa funkcie dopania si pozrite v alsích pokynoch na lokalite www.flamcogroup.com.
7. Uvedenie do prevádzky
7.1 Uvedenie do prevádzky Vete si denník uvádzania do prevádzky! Skontrolujte, ci sú vykonané vsetky instalacné a montázne postupy (napr., v napájacom rozvádzaci je k dispozícii elektrická energia, poistky sú funkcné alebo aktivované, zariadenie nevykazuje ziadne netesnosti, zariadenie je stabilne nastavené).
1. Cerpadlo sa po otvorení uzatváracích a guových ventilov na zariadení automaticky odvzdusní, zásobník sa naplní médiom zo systému, vzduch sa úplne vypustí zo zásobníka cez odvzdusovac, skontroluje sa nepriepustnos systému a môze sa zapnú riadiaca jednotka. Najskôr bude zobrazený stav hardvéru riadiacej jednotky a potom stav jej softvéru.
2. Teraz môzete zariadenie uvies do chodu z ponuky Start. Na vykonávanie vsetkých poverených úloh sa budete musie prihlási zadaním príslusného prístupového kódu. Ak je týmito úlohami poverený zákazník alebo operátor alebo sú prednastavené pri expedovaní zo závodu (ako je to vo väcsine prípadov), na vykonávanie cinností cez ponuku Start nebudete potrebova speciálny prístupový kód.
3. Po potvrdení poslednej polozky ,,START” v ponuke Start: systém spustí plnoautomatickú prevádzku.
378
TemplateA4_v20130506
7.2 Nastavenia / riadiace cinnosti Jednotlivé riadiace cinnosti mozno vykonáva uknutím na plochy senzorov oznacené indikátormi LED alebo posúvaním prstov po koliesku senzora. Ak ste systém uviedli do prevádzky pomocou ponuky START, rôzne volitené indikátory (1az 3) vrátane statistickej analýzy hodnôt systému umozujú presne monitorova stav systému. Základnú struktúru ponuky nájdete v prílohe c. 3 v tomto dokumente. Existujúce nastavenia je mozné po ,,STARTE” zmeni v moznosti KONFIGURÁCIA. Zmeny sa môzu vykonáva iba v ponuke START, pretoze zmena typu regulácie dopania je základná konfigurácia alebo tiez definovaná úrove vybavenia. Výberom polozky ,,Obnovenie ponuky Start” v moznosti KONFIGURÁCIA dôjde k zastaveniu systému pre tento úcel a zadaním vhodných výziev bude ponuka START prepracovaná na novú verziu. (Pre tento úcel môze by potrebné zopakova nastavenia tlaku, pretoze môzu by vynulované na továrenské nastavenia).
7.3 Opätovné uvedenie do prevádzky Systém musí by pri opätovnom uvedení do prevádzky (napr., po dlhodobejsej necinnosti / vyradení z prevádzky a údrzbe) tesný a elektricky správne zapojený. Po dlhsích prestojoch sa pred opätovnom uvedení do prevádzky odporúca vykona údrzbu.
7.3.1 Vizuálna kontrola kontaktného teplotného snímaca – kontrola montáze Aby zariadenie Vacumat Eco správne fungovalo, napínací pás, ktorý upevuje teplotný snímac (c. pozície 9 na schéme zapojenia) k telesu cerpadla, musí zabezpecova spoahlivý a pevný kontakt s telesom cerpadla. Je tiez vemi dôlezité, aby izolácia poskytovala dostatocné tienenie kontaktného teplotného snímaca proti teplotám okolia (pozícia c. 17). Pri uvádzaní do prevádzky, prehliadke systému, vykonávaní servisu a údrzby sa to musí vzdy skontrolova.
7.4 Vysvetlivky týkajúce sa riadiacej jednotky SPC m1 Polozka ponuky c. 1: Skúsanie dátových bodov
tiez obsahujú skúsku podtlaku.
Polozka ponuky c. 2: Prenos údajov Polozka ponuky c. 3: Dátum / Cas
Polozka ponuky c. 4: Jazyk Polozka ponuky c. 5: Prihlásenie Polozka ponuky c. 6: Odhlásenie
umozuje vykonáva aktualizácie softvéru pre kartu SD pomocou rozsirovacieho modulu alebo cítania údajov.
musí sa pouzi na nastavenie správneho casu v riadiacej jednotke. (napájanie systémových hodín je vyrovnávané batériou a priblizne 10 rokov sa nemusia pripoji k sieovému napájaniu).
mozno zvoli a pre komunikovanie s riadiacou jednotkou je moznos výberu z maximálne 19 rôznych jazykov.
podporuje zadávanie prístupových kódov, aby servisní technici mohli vykonáva nastavenia spolu s nastavením vnútorných parametrov Flamco.
podporuje odhlásenie po skoncení pouzívania prístupových kódov.
Polozka ponuky c. 7:
Neprístupná pre zákazníka alebo operátora.
Polozka ponuky c. 8: Konfigurácia Rezimy odplyovania 8-1:
pouzívateom umozuje meni rôzne predvolené nastavenia, ktoré sa týkajú prevádzkovania systému.
Standardné Volitené
Plnoautomatické Pohotovostný rezim
Doby blokovania Kontrolné odplyovanie
Doplovanie c. 8-2:
(nastavenie) (predvolené softvérom) Tu je mozné iba doplovanie! pre odplyovanie. Môzu sa napríklad nastavi zastavenia v noci. Typ kontrolného odplyovania. Kontrola zvyskového obsahu plynu v roztoku: 8 ml/l vzduchu = MAX 12 ml/l vzduchu = PRIEMERNE 15 ml/l vzduchu = MIN
Objem doplovania 8-2-1-3:
Zoznam parametrov 8.2.2: Tlak 8.3:
Predbezná konfigurácia 50 L (ke pracovník odbytu alebo oddelenie servisu nakonfiguruje pulzný vodomer a doplnenie). Prija / upravi predvolené hodnoty doplovania.
Nastavenia tlaku 8-3-1: Chybové hlásenia 8-5:
Predvolená hodnota Upravi továrenské nastavenia.* Predvolená hodnota 16 skupinových chybových hlásení nie v kontakte.
Obnovi ponuku Start 8-6:
Aktivova rezim úprav!
379
SLK
TemplateA4_v20130506
Polozka ponuky c. 9: Ponuka Spusti Precítajte si návod na pouzitie 9-1:
K dispozícii je iba vtedy, ak este nie je úplne spracovaná, napríklad po pociatocnom uvedení do prevádzky alebo resetovaní ponuky Start v moznosti ,,Konfigurácia”.
Precíta a potvrdi.
Rezimy odplyovania 9-4:
Vyberte si medzi plnoautomatickým a pohotovostným rezimom.
Typ regulácie 9-5: Nastavenia tlaku 9-6:
doplovanie regulované tlakom, externe regulované alebo vypnuté potri tiez cas Doplovanie.
Upravte tlaky uvedené na schéme.
START 9-7: Polozka ponuky c. 10: Prevádzková ponuka
Spuste START systému; prejdite na zobrazenie prevádzky 1. (Zaznamenaný je aj cas uvedenia do prevádzky).
3 obrazovky – pozri prílohu c. 3 – Prehad struktúry ponuky.
Polozka ponuky c. 11: Servis Poradové císlo 11-1
Polozka ponuky na cítanie informácií o riadiacej jednotke a prevádzke je uz uz vykonaná a urobila chybu.
Poradové císlo / Dátum / Cas / Úrove vstupného kódu.
Informácie o systéme 11-2: Informácie o verzii 11-3:
Uvedenie do prevádzky 11-4
11-2-1 Id. c. systému / Typ 11-2-2 Rezim odplyovania 11-2-3 Typ regulácie
11-3-1 Softvér / hardvér riadiacej jednotky 11-3-2 Softvér / hardvér koncového zariadenia 11-3-3 Databáza 11-3-4 Zavádzací program 11-3-5 Jazykový súbor 11-3-6 Verzia modulov vlozených do ZÁSUVKY 1 11-3-7 Verzia modulov vlozených do ZÁSUVKY 2
Dátum uvedenia do prevádzky / cas a úrove kódu pri uvádzaní do prevádzky.
Údrzba 11-5
11-5 Dátum splnenia alebo poznámka k vykonanej údrzbe 1 11-5 Dátum splnenia alebo poznámka k vykonanej údrzbe 2 11.5.3 Obnovi spracovanie História 11-6:
Doba prevádzky 11-7:
Doplovanie 11-8:
Opakovanie skúsky zariadenia (1 rok).
Opakovanie elektrickej skúsky (1,5 roka).
Vynulova dátum / cas / úrove kódu spracovateskej kapacity. Chybový kód / Chyba / Dátum / Cas výskytu (vysledova mozno az 100
chýb). Cerpadlo s motorovým pohonom / guový ventil s elektropohonom /
tlakový spínac / celkové odplynenie od uvedenia do prevádzky. Mnozstvo doplovania / doba doplovania / zoznam doplovania /
spracovanie.
* Spolocnos Flamco nenesie ziadnu zodpovednos za dôsledky nesprávneho nastavenia parametrov. Niekedy môze by potrebné najskôr upravi hodnotu tlaku na inú, nez je urcená tak, aby skutocná hodnota, ktorá sa má zmeni, mala dostatocný priestor na zabránenie vzniku nepravdepodobností, ktoré by mohli bráni v prevádzke systému.
380
TemplateA4_v20130506
8. Údrzba
Súcasti zariadenia Vacumat Eco sú do znacnej miery bezúdrzbové.
Napriek tomu vám odporúcame kazdý rok vykonáva vizuálne kontroly systému (vrátane netesností). Odlucovac necistôt v prívodnom potrubí, ktorý musí zabezpeci zákazník, sa okrem toho musí vycisti aspo raz za rok aj ke si to automatické zisovanie nevyzaduje. Cistenie sa môze tiez vykonáva v castejsích intervaloch (v závislosti od stupa znecistenia prevádzkovej vody). Ak by bola po vizuálnej kontrole systému potrebná alsia údrzba, môzu ju vykona iba oprávnení pracovníci.
Kontaktný snímac teploty sa musí vizuálne skontrolova (kontrola namontovania) minimálne pocas vykonávania údrzby! (opísané je uz v casti Uvádzanie do prevádzky)
Po skoncení údrzby odporúcame tiez vykona skúsku podtlaku.
Polozka ponuky Servis v ponuke Servis sa môze pouzi na precítanie alsieho dátumu servisu. Toto by mala by pomôcka pre operátora. Tu je ulozený dátum vykonania alsieho servisu (v zátvorkách). Ke sú správne nastavené systémové hodiny, operátor bude pomocou hlásenia informovaní o dosiahnutí tohto dátumu. Po uvedení do prevádzky je stanovených 365 dní pre údrzbu 1 a 548 dní (1,5 roka) pre údrzbu 2. Pri spustení skupinového chybového hlásenia bude zariadenie Vacumat Eco pokracova v prevádzke. Iba oprávnení pracovníci môzu potvrdi, ze ,,servis je vykonaný”. Riadiaca jednotka potom urcí alsí dátum vykonania servisu.
Údrzba 1 sa týka údrzby zariadenia.
Údrzba 2 sa týka pravidelnej kontroly elektrického zariadenia.
8.1 Zoznam porúch / chybové hlásenia
Císlo chyby
Chybové hlásenie
Chyba / Popis
Vplyv / Opatrenie
2
PS 20mA
Nadprúd snímaca tlaku / chyba
Systém je v nútenej necinnosti; motor, okamzite
snímaca
vypnú guový ventil s elektropohonom / znízi tlak v
systéme / vymeni snímac.
3
PS 4mA
Prerusenie kábla snímaca tlaku / Systém je v nútenej necinnosti; motor, okamzite
chyba snímaca
vypnú guový ventil s elektropohonom / opravi
kábel / vymeni snímac.
4
VS 20mA
Nadprúd snímaca podtlaku / chyba Systém je v nútenej necinnosti; motor, okamzite
snímaca
vypnú guový ventil s elektropohonom / znízi tlak /
vymeni snímac.
5
VS 4mA
Prerusenie kábla snímaca podtlaku Systém je v nútenej necinnosti; motor, okamzite
/ chyba snímaca
vypnú guový ventil s elektropohonom / opravi
kábel / vymeni snímac.
6
Tepl.
Skrat teplotného snímaca / chyba Vypnú kvôli poruche / Skontrolova kábel a svorky /
snímaca
vymeni snímac.
7
Tepl.
Prerusenie kábla teplotného
Vypnú kvôli poruche / opravi kábel / vymeni
snímaca / chyba snímaca
snímac.
8
Tlak
Alarm pri prekrocení dolného limitu Vypnú kvôli poruche / zavádzací tlak je v rozsahu
tlaku (Pa min.)
prevádzkového tlaku.
9
Tlak
Predcasné vypnutie alarmu pri hornom limite tlaku (Pa max.)
Vypnú kvôli poruche / zavádzací tlak je v rozsahu prevádzkového tlaku.
12
Tepl.
Prekrocený teplotný rozsah
Vypnú kvôli poruche / zavádzacia teplota po rozsah prevádzkovej teploty.
13
Tepl.
Prekrocený teplotný rozsah
Vypnú kvôli poruche / zavádzacia teplota po rozsah prevádzkovej teploty. Vypnú kvôli poruche.
14
TC/FC pre
Hlásenie TC/FC pre cerpadlo s
Systém je v nútenej necinnosti; motor, okamzite
motor
motorovým pohonom
vypnú guový ventil s elektropohonom / vypnú /
zastavi na 5 min. / zapnú.
15
Skúsobný chod Limit hladiny doplovania v
Systém je v nútenej necinnosti; motor, okamzite
zásobníku je trvalo prekrocený
vypnú guový ventil s elektropohonom / rozsíri
prípojku, vylúci kontrakciu tlakového otvoru.
22
Objem
Po zadaní poziadavky na
Vypnú doplovanie / Zaisti prívod.
doplovania doplovanie IWZ (pulzný vodomer)
neprivádza vodu
udrzanie / podlieha povinnému potvrdeniu
NIE
NIE
NIE
NIE
NIE NIE NIE NIE NIE NIE
ÁNO
ÁNO
ÁNO
381
SLK
TemplateA4_v20130506
Císlo chyby
23 24 25 26 27 31 35
37
39 41 42
55
56 57 60 61
Chybové hlásenie Chyba / Popis
Vplyv / Opatrenie
Neprípustné doplovanie Interval doplovania Pocet cyklov doplovania Objem doplovania Doba doplovania v 3
Regulátor teploty
Výstup P
Pa max
Upravi hodnoty PSY Bez charakteristickej krivky v 1
Údrzba 1! Údrzba 2! Rozsírenie
v 2
Doplovanie bez poziadavky (IWZ odosiela signál bez prívodu)
prekrocený minimálny interval cyklu doplovania
Prekrocený maximálny pocet cyklov v rámci casového okna
Prekrocený maximálny objem v cykle doplovania (s IWZ)
Prekrocená maximálna doba cyklu doplovania (bez IWZ)
Prekrocené spracúvané mnozstvo v module na úpravu vody
Regulácia cieového tlaku chybná. Pozadovaný tlak v nádobe nebol dosiahnutý
V rámci ,,maximálnej cakacej doby na ukoncenie cyklu tlakového vypúsania, ktorá musí by dosiahnutá” nebol dosiahnutý výtlacný tlak.
Prekrocená hodnota Pa max
Odstráni chybu v nastavení tlaku v systéme
Bez platnej charakteristickej krivky odplynenia
Vypnú doplovanie / skontrolova tesnos guového ventilu s elektromotorom pre doplovanie.
Vypnú doplovanie / v prípade potreby opravi chyby; vylúci prasknutie potrubia.
Vypnú doplovanie / v prípade potreby opravi chyby; vylúci prasknutie potrubia.
Vypnú doplovanie / v prípade potreby opravi chyby; vylúci prasknutie potrubia.
Vypnú doplovanie / v prípade potreby opravi chyby; vylúci prasknutie potrubia.
Vypnú doplovanie / v prípade potreby opravi chyby; vymeni modul na úpravu vody.
Chyba potlacenia cieový tlak v nádobe nebol dosiahnutý/kontaktujte servisné oddelenie Sito môze by upchaté, prípadne netesnos vákua.
Vypnú kvôli poruche – nedosiahol sa cieový tlak v zásobníku / obráte sa na servisných pracovníkov. Pravdepodobnos znecisteného filtra.
Vypnú kvôli poruche / zavádzací tlak je v rozsahu prevádzkového tlaku.
Vypnú elektromotor / Zaisti vstupný tlak zo systému.
Bez platnej charakteristickej krivky odplynenia.
Prekrocená výstrazná prahová hodnota spracúvaného mnozstva v module na úpravu vody 1
Cakanie na alsí typ údrzby 1
Cakanie na alsí typ údrzby 2
Posledná cinnos externého modulu skoncila s chybami
Prekrocená výstrazná prahová hodnota spracúvaného mnozstva v module na úpravu vody 2
Nie / Pripravi výmenu modulu (spotreba pri 70%).
Nie / Vykona údrzbu 1. Nie / Vykona údrzbu 2. Nie / V prípade potreby zopakova cinnos.
Nie / Pripravi výmenu modulu (spotreba pri 90%), v prípade potreby okamzite vymeni modul.
udrzanie / podlieha povinnému potvrdeniu
ÁNO ÁNO ÁNO ÁNO ÁNO ÁNO ÁNO
ÁNO
ÁNO ÁNO ÁNO
ÁNO
ÁNO ÁNO ÁNO ÁNO
Ak dôjde k iným chybám nez tie, ktoré sú popísané, a ak spôsobujú trvalé problémy (bez automatického potvrdenia), poziadajte servisných pracovníkov o vyriesenie tohto problému!
382
TemplateA4_v20130506
Prílohu 1. Technické parametre, vseobecné technické podmienky
1.1 Okolité podmienky
Úlozný priestor/Prevádzková plocha
Miestnos:
Chránená pred:
Zablokované; bez námrazy; Slnecné ziarenie; tepelné
suché.
ziarenie; vibrácie.
Okolité podmienky:
60 – 70% relatívna vlhkos, bez kondenzácie; maximálna teplota 50 °C; Prevádzková plocha: Maximálna teplota 45°; bez elektricky vodivých plynov, výbusnej zmesi plynov, agresívnej atmosféry. Poznámka! Vyssie teploty na prevádzkovej ploche môzu vies k preazeniu
pohonu.
1.2 Príklady instalácie Integrácia do vykurovacieho systému
SLK
383
TemplateA4_v20130506
1.3 Príklad zariadenia / pripojenie potrubia
100 cm
*
*
<10m min. DN20 >10m min. DN32
Max lengte = 20m
*
(1x 90° Max L = 19m)
*(3x 90° Max L = 17m)
<10m min. DN32 >10m min. DN40
1.4 Minimálne vzdialenosti, priestor pre vykonávanie servisu a opráv.
1000
800 1200
500 800
384
TemplateA4_v20130506
Prílohu 2. Technické parametre, technické podmienky
Vacumat Eco
300
600
900
Chybné automatické stacionárne odplyovanie a zariadenia na doplovanie systémov s vykurovacou a chladiacou vodou.
Parametre hydraulickej prípojky:
Médium
Nosic tepla na báze vody poda VDI 2035 Max. glykolom 50% a bez destilovanej vody
Menovitý tlak
PN 10
Rozpätie prevádzkového tlaku
0,6 2,7 baru
0,8 5,4 baru
0,8 8,7 baru
Prípustné rozpätie prevádzkovej teploty (médium)
3 az 90 °C
Standardné pre systém
Technická norma DIN EN 12828 alebo systém s chladiacou vodou
Hydrodynamický tlak doplovania
0,2* az 9,0 barov
Teplota pri doplovaní
3 az 90 °C
Upravená priepustnos média (médium v systéme)
maximálne 1 000 l/hod.
Objem doplovania
maximálne 1 000 l/hod.
Prípustná prietoková teplota v systéme
3 az 120 °C
Hydraulické prípojky
Prívod do systému; za uzatváracím ventilom ,,Rp1″ Odtok zo systému; Rp½” do guového ventilu
Prípojka doplovania; Rp½” do guového ventilu
Odvzdusnenie cerpadla (naplnený systém)
Automatické
Technické parametre elektrickej instalácie:
Prevádzkové napätie
1 x 230 V (EN 50160)
Frekvencia siete
50 (EN 50160) /60 Hz ±1%
Menovitý výkon
0,55 kW
0,75 kW
0,75 kW
Menovitý el. prúd
2,22 A
4,09 A
4,09 A
Vonkajsia poistka
16 A (C)
Vonkajsia Fl
Univerzálny RCD 30 mA citlivý na elektrický prúd, vhodný pre menic prúdu
Stupe ochrany
IP 54 (ventily s elektrickým pohonom:IP 42)
Vseobecné parametre:
Okolité podmienky
3 az 45 °C
Maximálna hlucnos pocas prevádzky (< 30% glykolom)
52 dB(A)
55 dB(A)
az 55 dB(A)
Nastavitený stupe odplyovania MAX
8 ml/l plynu
Nastavitený stupe odplyovania PRIEM
12 ml/l plynu
Nastavitený stupe odplyovania MIN
15 ml/l plynu
Rozhrania:
Rozsirujúca zásuvka pre hardvérové moduly
4 ks
z ktorých: zásuvka pre modul karty SD
1 ks
Port na pripojenie koncového zariadenia
1 ks
Rozmery a hmotnosti:
sírka x hbka x výska; priblizne
260 x 670 x 1030 mm
Cistá hmotnos
36 kg
38 kg
47 kg
Typ balenia
Drevená paleta obalené lepenkou, standard IPPC
Rozmery obalu sírka x hbka x výska; priblizne
600 x 750 x 1315 mm
Priblizná cistá hmotnos
54 kg
56 kg
65 kg
* S doplovaním z usadzovacieho zásobníka v systéme; inác 1,3 baru.
385
SLK
TemplateA4_v20130506
Prílohu 3. Struktúra ponuky riadiacej skrinky SPC m1 – schéma
386
SPC m1 (Úrove kódu 0 – Zákazník / Operátor)
1 Údajové body
Skúska
2 Prenos údajov
3
Dátum / Cas
Vákuová skúska
Rucné uvonenie
Karta SD
Chod Ulozi konfiguráciu na SD Ulozi konfiguráciu na SD
Aktualizova firmvér
Aktivova rezim rezim!
4 Jazyk
5 Prihlási sa
8 Konfigurácia
DE
Rezimy odstraovania plynu
NL
Vybra pre prevádzku
GB
Plne automatické
FR
Pohotovostný rezim
PL
Odstraovanie plynu mimo prevádzky
DK
Kontrola odstraovania plynu
FI
HU
Tlak
SK
Upravi
ES
Nastavenia tlaku
PT
Tlakový diagram
RU
SE
Chybové hlásenia
NO
Priradi
IT
Chybové hlásenia (pri kontakte)
CZ
SI
Obnovi ponuku Start
CN
Reset
HR
Má sa vykona cinnos?
TR
9 Ponuka Start
Precítajte si návod
Priradi potvrdi
Rezimy odstraovania plynu
Priradi rezimy dovolené v závislosti od zariadenia
Plne automatické Pohotovostný rezim
Typ ovládania (doplovanie) Tlakom riadené doplovanie Externe riadené doplovanie
Doplovanie VYP.
Nastavenia tlaku
Upravi schému
START
10 Prevádzková ponuka
Zobrazi, ke je
spracovanie ponuky Start mozné
3 obrázky
11 Prevádzka
Císlo úlohy Informácie o systéme
Informácie o verzii Spustenie Údrzba
História porúch Prevádzkové hodiny
Doplovanie
Dátum ID. c. Riadenie Dátum Intervaly Porucha elektromotor Objem doplovania
Cas Rezimy odstraovania plynu
Svorka Cas
1 Údrzba Dátum Guový ventil Doba doplovania
Hladina
Typ ovládania Mnozina údajov
Spusti zavádzací program
Hladina
2 Údrzba
Obnovi spracovanie
Cas
Tlakový spínac
Odplynenie
Zoznam doplovania
Príprava
Jazykový súbor Modul 1 a 2
Príklady:
Typ Vacumat Eco Tlak v systéme Tlak v zásobníku Priemerná teplota
Typ kontroly odstraovania plynu (MIN, MED, MAX)/(15 ml/l; 12 ml/l; 8 ml/l vzduchu) = Pozadovaná hladina plynu dosiahnutá.
Tlak v systéme
Tlak v zásobníku
Priemerná teplota Aktivované tlakom riadené doplovanie Celkové doplnenie v litroch/sek. Súcet vsetkých cyklov
Nastavenie pohotovostného rezimu (nastavenie softvéru)* Otácky cerpadla v % Kontrola doby odstraovania plynu Vypnú chod za sucha
PSV – Tlak spustenia poistného ventilu Pe – Koncený tlak
Psys – Tlak v systéme
Pamin – Minimálny prevádzkový tlak Po – Pociatocný tlak
Pa max – Maximálny prevádzkový tlak Ptu off – Uzatvárací tlak doplovania Ptu on – Zapínací tlak doplovania
*) pohotovostný rezim poda kontaktu – pohotovostný rezim poda kontaktu (premostená svorka 39 – 40)
SLK
387
TemplateA4_v20130506
terminal plan
terminal COM R232
pressure pressure
sensors
1 23 45
temperature
67
counter pwm 89
FC OUT 4-20 mA 10 11
pot. free c. fault
12 13 14
high voltage 230 V 50/60 Hz
NSP IN 230V refill
15 16 17 PE N L
mains FC
24 25 26 PE N L
OUT+ OUT-
GND
hnedý INPUT IWZ
AGND analogue IN
analogue IN
hnedý +24V / signal +
analogue IN
hnedý +24V / signal +
+24V
Terminal
hnedý cierny modrý sw1 sw2 sw5 sw6
modrý
modrý
hnedý
Tlakový senzor Tlak v systéme
P
-1 az 10 barov.
Konektor
4
1 ks
1 3
2
Puzdro 2 ks
4
1 3
Signál modrý
2 +24 V hnedý
2
Tlakový senzor Tlak v zásobníku
P
-1 az 10 barov.
Konektor
4
1 ks
1 3
2
Puzdro 2 ks
4
1 3
Signál modrý
2 +24 V hnedý
2
poloha v FC/ (Kontaktný snímac) temperature vessel
T R
KTY 81-210 21
Impulz voda pocítadlo (IWZ)
FQ
21
option
input
analogue out
ls
ps
NSP
clearance to start FC
0 . . 10 V
27 28 29 30 31 32 33 34 35 36 37 option
pot. free
L
P cont.
option
sw3 sw4
fault FC GNDA Standby
option 38 39 40
N.O.
biely cervený
biely
sw1 sw2
napr.
napr.
NO
NC
5A 30 VDC 5A 250 VAC ohmic load
option
LN
zeleno-zltý modrý hnedý
Cerpadlo s FC
M
FC Napájanie
PE L N 1 23
4C 5 NO
6 15V 7 P2IN/S+ 8 P2C/S9 P1+ 10 P111 START 12 STOP
] 13 LOW 14
Koncový spínac FC
e-SM (FC)
motor ball valve
PE N L 41 42 43
mains supply 230V 50/60Hz
PE N L 50 51 52
modrý hnedý zeleno-zltý modrý hnedý
Systém NSP
2
M
zásobník
3
Prívod Napájanie 230 V
(vhodné zabezpeci odpojovac)
Prílohu 4. Schéma zapojenia
TemplateA4_v20130506
Prílohu 5. Volitené pomocné zariadenia a ich integrácia
Volitené pomocné zariadenia a ich integrácia. Zariadenie je v opacnom prípade plne nastavené.
5.1 Oddelenie systému pomocou doplovacieho zariadenia (NFE) Doplovacie médium nesmie obsahova ziadne ciastocky (väcsie ako 0,5 mm) a komponenty s dlhými vláknami. Ak systém musí by stále oddelený (od siete pitnej vody), môze sa pouzi NFR 1.1 a NFE 1.2. Pozri usporiadanie systému – schéma systému. Vstupný tlak do NFE 1.x musí by minimálne 1,3 baru. Ak sa pouzíva NFE 1.2, musí by pripojené k riadiacej jednotke poda schémy zapojenia a nakonfigurované. (stanovi pouzitie IWZ (pulzný vodomer). V ponuke Nastavenie nastavi bod doplovania 8-2-1 pre IWZ.
5.2 Doplovanie z usadzovacieho zásobníka v systéme Pri doplovaní z usadzovacieho zásobníka v systéme sa musia sledova nasledujúce polozky: Zariadenie Vacumat Eco nemonitoruje usadzovací zásobník v systéme (povinnos operátora). Najnizsia hladina vody v zbernej nádobe nesmie by hlbsie ako 1 000 mm nad instalovanou výskou zariadenia Vacumat Eco.
musí zbezpecni zákazník
Usadzovací zásobník v systéme
Doplovanie pre doplovanie
C
1000
B
388
TemplateA4_v20130506
Prílohu 6. MeiFlow L MF connector kit
Pripojovací adaptér MeiFlow L MF sa pouzíva na jednoduché pripojenie expanzného alebo vákuového odplyovacieho zariadenia k zostave rozdeovaca/zberaca MeiFlow BigFixLock DN150. K adaptéru mozno pripoji dve prípojky so závitom 1 1/4″ M. Pripojovacie potrubie medzi rozdeovacom/zberacom a jednotkou zabezpecuje zákazník. Na oddelenie prietoku v zariadení sa pouzíva predlzovacia vlozka EPDM.
Výhody · Jednoduchá instalácia vaka pripojeniu BigFixLock · Pripojovací bod sa nachádza priamo na boku rozdeovaca BigFixLock. · Moznos pripojenia vypúsacieho ventilu alebo snímaca teploty.
Typ
Connection
MeiFlow L MF Connector Kit 1 1/4″
1
DN 150
Order code M66456.2
SLK
389
TemplateA4_v20130506
Prílohu 7. Vyhlásenie o zhode
390
TemplateA4_v20130506 391
SLK
TemplateA4_v20130506
Autorské práva Flamco B.V., Almere, Holandsko.
Ziadna cas tejto publikácie nesmie by reprodukovaná ani publikovaná akýmkovek spôsobom bez výslovného súhlasu a uvedenia zdroja.
Uvedené údaje sa vzahujú výlucne na produkty Flamco.
Flamco B.V. nenesie ziadnu zodpovednos za nesprávne pouzitie, aplikáciu alebo interpretáciu technických informácií.
Flamco B.V. si vyhradzuje právo na technické zmeny.
Copyright Flamco B.V., Almere, the Netherlands.
No part of this publication may be reproduced or published in any way without explicit permission and mention of the source. The data listed are solely applicable to Flamco products. Flamco B.V. shall accept no liability whatsoever for incorrect use, application or interpretation of the technical information. Flamco B.V. reserves the right to make technical alterations.
XX516/2023-01




















