HIFONICS ZXS700-4 Digital 4 Channel Amplifier

SAFETY INSTRUCTIONS
- THE PURCHASED DEVICE IS ONLY SUITABLE FOR AN OPERATION WITH A 12V ONBOARD ELECTRI-CAL SYSTEM OF A VEHICLE. Otherwise, fire hazards, risk of injury, and electric shock consist.
- PLEASE DO NOT MAKE ANY OPERATION OF THE SOUND SYSTEM, WHICH DISTRACT YOU FROM A SAFE DRIVING. Do not make any procedures, which demand longer attention. Perform these operations not until you have stopped the vehicle in a safe place. Otherwise, the risk of accident consists.
- ADJUST THE SOUND VOLUME TO AN APPROPRIATE LEVEL, SO THAT YOU ARE STILL ABLE TO HEAR EXTERIOR NOISES WHILE DRIVING. High-performance sound systems in vehicles may generate the acoustic pressure of a live concert. Permanent listening to extremely loud music may cause the loss of your hearing abilities. The hearing of extremely loud music while driving may derogate your cognition of warning signals in traffic. In the interests of common safety, we suggest driving with a lower sound volume. Otherwise, the risk of accident consists.
- DO NOT COVER COOLING VENTS AND HEAT SINKS. Otherwise, this may cause heat accumulation in the device and fire hazards consists.
- DO NOT OPEN THE DEVICE. Otherwise, fire hazards, risk of injury, and electric shock consist. Also, this may cause a loss of the warranty.
- REPLACE FUSES ONLY WITH FUSES WITH THE SAME RATING. Otherwise, fire hazards and risk of electric shock consist.
- DO NOT USE THE DEVICE ANY LONGER, IF A MALFUNCTION OCCURS, WHICH REMAINS NOT REMEDIED. Refer in this case to the chapter TROUBLESHOOTING. Otherwise the risk of injury and damage of the device consists. Commit the device to an authorized retailer.
- INTERCONNECTION AND INSTALLATION SHOULD BE ACCOMPLISHED BY SKILLED STAFF ONLY. The interconnection and installation of this device demand technical aptitude and experience. For your own safe-ness, commit the interconnection and installation to your car audio retailer, where you have purchased the device.
- DISCONNECT THE GROUND CONNECTION FROM THE VEHICLE’S BATTERY BEFORE INSTALLATION. Before you start with the installation of the sound system, disconnect by any means the ground supply wire from the battery, to avoid any risk of electric shock and short circuits.
- CHOOSE AN APPROPRIATE LOCATION FOR THE INSTALLATION OF THE DEVICE. Look for an appropriate location for the device, which ensures sufficient air circulation. The best places are spare wheel cavities and open spaces in the trunk area. Less suitable are storage spaces behind the side coverings or under the car seats.
- DO NOT INSTALL THE DEVICE AT LOCATIONS, WHERE IT WILL BE EXPOSED TO HIGH HUMIDITY AND DUST. Install the device at a location, where it will be protected from high humidity and dust. If humidity and dust attain inside the device, malfunctions may be caused.
- MOUNT THE DEVICE AND OTHER COMPONENTS OF THE SOUND SYSTEM SUFFICIENTLY. Otherwise, the device and components may get loose and act as dangerous objects, which could cause serious harm and damage in the passenger room.
- ENSURE CORRECT CONNECTION OF ALL TERMINALS. Faulty connections may cause fire hazards and lead to damage of the device.
- MOUNT THE DEVICE AND OTHER COMPONENTS OF THE SOUND SYSTEM SUFFICIENTLY. Otherwise, the device and components may get loose and act as dangerous objects, which could cause serious harm and damage in the passenger room.
- ENSURE NOT TO DAMAGE COMPONENTS, WIRES, AND CABLES OF THE VEHICLE WHEN YOU DRILL THE MOUNTING HOLES. If you drill the mounting holes for the installation into the vehicle’s chassis, ensure by any means, not to damage, block or tangent the fuel pipe, the gas tank, other wires or electrical cables.
- DO NOT INSTALL AUDIO CABLES AND POWER SUPPLY WIRES TOGETHER. Ensure while installation not to lead the audio cables between the head unit and the processor together with the power supply wires on the same side of the vehicle. The best is an areal separate installation in the left and right cable channel of the vehicle. Therewith overlap of interferences on the audio signal will be avoided. This stands also for the equipped bass-remote wire, which should be installed not together with the power supply wires, but rather with the audio signal cables.
- ENSURE THAT CABLES MAY NOT BE CAUGHT UP IN CLOSE-BY OBJECTS. Install all the wires and cables like described on the following pages, therewith these may not hinder the driver. Cables and wires which are installed close by the steering wheel, gear lever or brake pedal, may be caught up and cause highly dangerous situations.
- DO NOT SPLICE ELECTRICAL WIRES. The electrical wires should not be bared, to provide power supply to other devices. Otherwise, the load capacity of the wire may get overloaded. Use therefore an appropriate distribution block. Otherwise, fire hazards and risk of electric shock consist.
- DO NOT USE BOLTS AND SCREW NUTS OF THE BRAKE SYSTEM AS GROUND POINTS. Never use for the installation or the ground point bolts and screw-nuts of the brake system, steering system or other security-relevant components. Otherwise, fire hazard consists or driving safety will be derogated.
- ENSURE NOT TO BEND OR SQUEEZE CABLES AND WIRES WITH SHARP OBJECTS. Do not install cables and wires not close-by movable objects like the seat rail that may be bent or harmed by sharp and barbed edges. If you lead a wire or cable through the hole in a metal sheet, protect the insulation with a rubber grommet.
- KEEP AWAY SMALL PARTS AND JACKS FROM CHILDREN. If objects like these will be swallowed, the risk of serious injuries consists. Consult promptly a medical doctor, if a child swallowed a small object.

TECHNICAL SPECIFICATIONS
| Model | ZXS700/4 |
| Channels | 4 |
| Circuit | Digital Class D |
| OUTPUT POWER RMS @ 14.4 V Watts @ 4 Ohms Watts @ 2 Ohms Watts @ 4 Ohms bridged | 4 x 115 4 x 175 2 x 350 |
| Loudspeaker Impedance | 2 – 8 Ohms |
| Frequency Range –3dB | 4 – 39000 Hz |
| Damping Factor | > 300 |
| Signal-to-Noise Ratio | 107 dB |
| THD+N | < 0,02 % |
| Input Sensitivity | 5 – 0,2 V |
| Channel 1/2 FRONT Crossover Modes High or Low Pass Filter | Full – HP – LP 50 – 5000 Hz |
| Channel 3/4 REAR Crossover Modes High or Low Pass Filter | Full – HP – LP 50 – 5000 Hz |
| Start-stop capability | 8,5 V |
| High-Level Inputs with EPS | Yes |
| Auto Turn On | Voltage rise (DC) or signal detection (VOX) |
| Fuse Rating | 1 x 80 A (external) |
| Dimensions | 112 x 44 x 230 mm |
DISPOSAL
If you have to dispose of the device, please note that no electronic devices may be disposed of in the household waste. Dispose of the device in a suitable recycling facility in accordance with local waste regulations. If necessary, consult your local authority or your dealer.
INTENDED USE
This product is only designed for use in a vehicle with 12-volt onboard voltage and negative ground and functions as an amplifier for audio signals. Any other use may lead to damage to the product or in the vicinity of the product.
MECHANICAL INSTALLATION
- Avoid any damage on the components of the vehicle like airbags, cables, board computers, seat belts, gas tank or the like.
- Ensure that the chosen location provides sufficient air circulation for the amplifier. Do not mount the device into small sealed spaces without air circulation or near by heat dispersing parts or electrical parts of the vehicle.
- All cables must be as short as possible to avoid losses and interferences.
- Use self-tapping screws (not included in delivery) to install the amplifier in the vehicle.
Fastening
CAUTION
Before you start with the installation, disconnect necessarily the GROUND connection wire from the battery to avoid any risk of electric shocks and short circuits.
ELECTRICAL INTERCONNECTION
BEFORE CONNECTING
For the professional installation of a sound system, car audio retail stores offer appropriate wiring kits. Ensure a sufficient profile section (refer to the table on the next page) and a suitable fuse rating and the conductivity of the cables when you purchase your wiring kit. Clean and remove rust-streaked and oxidized areas on the contact points of the battery and the ground connection. Make sure that all screws are fixed tight after the installation because loose connections cause malfunctions, insufficient power supply or interferences.
- +12V
Connect the +12V terminal with the +12V pole of the vehicle’s battery. Use a suitable cable with a sufficient cross-section (refer to the table on the next page). - GND
Connect the GND terminal with a suitable contact ground point on the vehicle™s chassis. The ground wire must be as short as possible and must be connected to a blank metallic point at the vehicle™s chassis. Ensure that this ground point has a stable and safe electrical connection to the negative pole of the battery. Check this ground wire from the battery to the ground point if possible and enforce it if required. Use a ground wire with a sufficient cross-section (refer to the table and the recommendations on the next page) and the same size like the +12V power supply wire. - REM
Connect a turn-on signal or the turn-on remote signal of your head unit (REM) with the REM terminal of the amplifier. Use therefore a suitable cable with a sufficient cross-section (0,5 mm2). Hereby the amplifier turns on or off with your head unit. If you use the AUTO TURN-ON function (refer to page 25, section 11), the REM terminal does not need to be connected. - FUSE
The amplifier inherently has no internal device fuse. Use the supplied fuse (80 A) with the fuse holder and install it in the power cable between the 12 Volt pole of the vehicle battery and next to the +12V terminal of the amplifier. The distance between the fuse and the amplifier should not exceed 30 cm. - ADDITIONAL CABLE FUSE (NOT INCLUDED)
Install an extra fuse (not included) for the +12V power cable near the battery to secure the power cable. The distance between the fuse and the battery should not exceed 30 cm. The fuse size must be adapted to the cable cross-section of the installed power cable (see table below).
IMPORTANT: The fuse on the battery does not protect the amplifier, but the cable between the battery and the amplifier against short circuits.
| Cable length in meters | |||||||||
| 0 – 1,2 | 1,2 – 2,1 | 2,1 – 3,1 | 3,1 – 4,0 | 4,0 – 4,9 | 4,9 – 5,8 | 5,8 – 6,7 | 6,7 – 8,5 | ||
| Fuse value in Amperes | 0 – 20 | 2,5 | 4 | 4 | 6 | 6 | 10 | 10 | 10 |
| 20 – 35 | 4 | 6 | 10 | 10 | 16 | 16 | 16 | 20 | |
| 35 – 50 | 6 | 10 | 10 | 16 | 16 | 20 | 20 | 20 | |
| 50 – 65 | 10 | 10 | 16 | 20 | 20 | 20 | 20 | 35 | |
| 65 – 85 | 16 | 16 | 20 | 20 | 35 | 35 | 35 | 50 | |
| 85 – 105 | 16 | 16 | 20 | 35 | 35 | 35 | 35 | 50 | |
| 105 – 125 | 20 | 20 | 20 | 35 | 35 | 50 | 50 | 50 | |
| Minimum cable cross-section in mm2 | |||||||||
Recommended minimum cable cross-section to guarantee full amplifier performance:
- Up to a length of 3 m: 20 mm2
- From a length of 3 m: 35 mm2
CAUTION
Replace defective fuses only with a new one of the same type and with the same fuse rating.
DESCRIPTION OF OPERATION

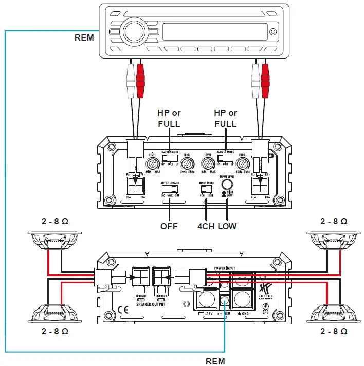
FRONT & REAR INPUT
Connect the inputs of FRONT and REAR to the head unit. Use the enclosed RCA wiring harnesses or the HIGH-LEVEL INPUT harnesses.
Note: Be sure to observe section # 13 on the next page.
FRONT & REAR LEVEL
These controllers determine the input sensitivity (adaptation to the output signal of the head unit) for each channel pair.
FRONT & REAR X-OVER MODE
This switch selects the desired operating mode of the respective channel pair:
- FULL: Full Range mode – the entire frequency range is amplified
- HP: High Pass mode adjustable with HIGH PASS – frequency is limited downwards.
- LP: Low Pass mode adjustable with LOW PASS – frequency is limited upwards.
FRONT & REAR FREQ.
These controllers determine the crossover frequency of the high or low pass filter on the respective channel pair. The crossover frequency is continuously adjustable from 50 to 5000 Hz.
POWER/PROTECT
If the LED lights up in green, the amplifier is ready for operation. If the LED lights up in red, there is a malfunction. Refer in this case to chapter TROUBLE SHOOTING.
AUTO TURN-ON
If your head unit does not have a turn-on signal (REM), you can use the automatic turn-on function of the amplifier. This works in two ways, which can be set at the AUTO TURN-ON switch:
- DC: This method only works if you use the HIGH-LEVEL INPUT wiring harness. The button switch INPUT LEVEL must be in position HIGH. The amplifier then detects a voltage rise to 6 volts when the head unit is turned on by a so-called “DC offset” and then turns on the amplifier.
- VOX: Select this method when using the RCA jacks of the RCA wiring harness. The button switch INPUT LEVEL CH1-6 must be in position LOW. The amplifier then detects a voltage increase in the incoming audio signal when switching on the head unit via the attached RCA cable and then switches on the amplifier.
Note: As soon as the head unit is switched off again, the amplifier switches itself off.
INPUT MODE
The INPUT MODE switch is used to set whether the amplifier should be driven by the head unit with only one stereo signal (2CH) or with two stereo signals (4CH). Only in switch position 4CH, the so-called fader function of the head unit is effective.
In switch position 2CH, the input signal from FRONT (FL/FR) is routed to REAR (RL/RR) and only a stereo signal on LINE INPUT FR/FL is necessary.
INPUT LEVEL
If you use the RCA wiring harnesses with the pre-amplifier outputs of your head unit, this button must be in position LOW. If you use the HIGH-LEVEL INPUT wiring harnesses with the speaker outputs of your head unit, this button must be in position HIGH.
APPLICATION EXAMPLE A
| Assignment | |
| Head Unit | Amplifier |
| RCA Outputs | RCA Inputs |
| FL | FL |
| FR | FR |
| RL/SUB OUT | RL |
| RR/SUB OUT | RR |

APPLICATION EXAMPLE B
| Assignment | |
| Head Unit | Amplifier |
| Speaker Outputs | High-Level Inputs |
| FL | FL |
| FR | FR |

TROUBLESHOOTING
CAUTION
All instructions in this troubleshooting refer to the entire sound system and its individual components. The features of your device may not match the functions described in the notes. Then skip this point and move on to the next one.
| NO FUNCTION / THE POWER LED IS NOT ILLUMINATED |
| First check the fuse of the routed power cable on the vehicle battery |
| The fuse is defective Replace the defective fuse with an equivalent one, never with a higher value. • The fuse fails again. In this case there appears to be a short circuit between the fuse and the amplifier. To do this, check the + 12V power cable along its entire length from the battery to the amplifier for damage and whether there is a short circuit to ground, e.g. a contact with the vehicle chassis or the body. If necessary, replace the defective power cable. |
| The fuse is apparently okay Use a standard 12 volt voltmeter to check the voltage between the + 12V connection and the ground connection on the amplifier. • There is no voltage. Use the voltmeter to check the fuse, which is located close to the vehicle battery, to see whether there is voltage between the output and ground. If there is no voltage there, either the fuse holder or the fuse is defective, although it appears to be okay. If necessary, replace the fuse holder or fuse. • There is voltage. If you operate the amplifier with a pre-amplifier signal (RCA), you must have laid a remote turn-on wire from the head unit to the REM terminal of the amplifier. The AUTO TURN-ON switch must be in the OFF position. However, you can test the AUTO TURN-ON switch to ON to see if the amplifier then turns on. If so, there is a problem with the control line.. • A remote turn-on wire is connected to the REM terminal at the amplifier. Use the voltmeter to check whether there is voltage between the REM terminal of the amplifier and ground. The head unit must be switched on. There is no voltage. • Check the remote turn-on wire from the amplifier to the head unit for a short circuit or damage. If necessary, replace the control line.. There is voltage. • The amplifier is probably malfunctioning or defective. Contact your retailer. If you operate the amplifier with the loudspeaker signals (high level mode), the AUTO TURN-ON switch must be switched to ON. • The AUTO TURN-ON switch is in the ON position, but the amplifier remains off. Check the speaker cables from the head unit to the amplifier for short circuits or damage. If necessary, replace the speaker cables or insulate the damaged area. |
| THE POWER LED IS ON, BUT NO SOUND COMES FROM THE SPEAKERS |
| Check the following steps: |
| Low-level mode: Are the RCA cables on the head unit and on the amplifier correctly connected? • The RCA cables are correctly connected. Then an RCA cable could be defective. Check the function of the RCA cables on another audio device. If necessary, replace the defective RCA cables. |
| High-level mode: Are the loudspeaker cables on the head unit and the high-level inputs of the amplifier or on the high-level cable plug correctly connected? • The speaker cables are connected correctly. A speaker cable could be defective. If necessary, replace the speaker cable or insulate the damaged area. |
| Are the speaker cables correctly connected between the speakers or the subwoofer at the speaker outputs of the amplifier? • The speaker cables are connected correctly. A speaker cable could be defective. If necessary, replace the speaker cable or insulate the damaged area. |
| Is the high pass filter or subsonic filter set higher than the low pass filter on the amplifier? Then slowly turn down the controller for the high pass filter or subsonic filter until the sound can be heard. |
| Is the input mode switch on the amplifier set correctly? Check the setting and change the switch position if necessary. |
| Are the crossover switches on the amplifier set correctly? Check the settings and change the respective switch position if necessary. |
| Are the speakers or the subwoofer working? Hold a standard 9 volt block battery to the terminals of each loudspeaker or the subwoofer. • A faint cracking sound can be heard. The speaker or subwoofer is fine. • There is nothing to be heard. The loudspeaker or subwoofer could be defective. If necessary, replace the defective speaker or subwoofer. |
| Are the settings on the head unit set correctly? • Check the fader and balance settings • Check whether the mute function is activated • Check whether a high pass or low pass filter is activated • Check whether playback has been paused • Check the source settings • Check whether any existing subwoofer output is activated |
| DISTORTION OR HISSING NOISE CAN BE HEARD FROM THE SPEAKERS |
| Check the following steps: |
| Is a input level controller on the amplifier set too high? Slowly turn the controller back until you hear a clean audio signal. |
| Is the Bass Boost controller on the amplifier set too high? Slowly turn the controller back until you hear a clean audio signal. |
| Is the loudness function on the head unit set too high? Deactivate loudness or turn the loudness setting back until you can hear a clean audio signal. |
| Are the EQ and sound settings on the head unit set too high? Turn down the settings for Treble, Middle and Bass or deactivate the equalizer until you can hear a clean audio signal. |
| ENGINE SPEED-DEPENDENT NOISE CAN BE HEARD FROM THE SPEAKERS |
| Check the following steps: |
| Have the RCA cables been laid separately from the power cable in the vehicle? If necessary, lay the cables again and make sure that the audio cables are laid separately from the power cable on the left and right in the vehicle. |
| Is the amplifier’s ground connection correctly connected? Make sure that the ground connection of the amplifier is not connected directly to the negative pole of the vehicle battery. Select a suitable ground point on the vehicle body for connection. If necessary, use contact spray to improve the conductivity of the connections. |
| Is the conductivity of the ground cable from the vehicle battery to the body okay? Make sure that the ground connection of the vehicle battery has a stable and conductive connection to the body. If necessary, use contact spray to improve the conductivity of the connections. |
| AN ACTIVE OPERATED TWEETER IS DISTORTED OR CRACKED |
| CAUTION: Tweeters will be damaged if the frequencies are too low. Please note the manufacturer’s information on which frequency setting is recommended. To be on the safe side, pause the playback of the head unit first. Check the following steps: |
| Is the crossover mode switch of the relevant channel pair on the amplifier set correctly? Set the crossover mode switch to the high pass position (HP or HPF). |
| Is the high pass filter of the relevant channel pair set too low on the amplifier? First turn the high pass controller fully clockwise. Now start playback on the head unit. Then turn the high pass controller slowly counter-clockwise until you can hear a clean sound from the tweeters and produce a balanced sound together with the woofers/mid-range speakers. Make sure that the woofers/ mid-range speakers are set correctly with the respective high pass and low pass controllers. |
| AMPLIFIER ACTIVATES THE PROTECTIVE CIRCUIT / THE PROTECT LED LIGHTS UP |
| Check the following steps: |
| Short circuit on the speaker cables • First disconnect all speaker cables from the amplifier. Use a multimeter to check the ohmic impedance of each loudspeaker by measuring between its plus and minus lines. With standard loudspeakers, the value fluctuates between 3 and 5 ohms. The values for low-resistance subwoofers can be lower. • The measurement shows a resistance value of less than 0.5 Ohms Then there is a short circuit. Remove the wiring of the affected loudspeaker at its connections. Now use the multimeter to check the ohmic impedance directly at the loudspeaker connections by measuring between the plus and minus connections. The measurement shows a resistance value of more than 0.5 Ohms • The speaker is fine, so the speaker wire appears to be defective and causing a short circuit. Replace the defective speaker cable. The measurement shows a resistance value of less than 0.5 Ohms • The speaker appears to be defective and is shorting out. Replace the defective speaker. |
| The load impedance of the loudspeakers or the subwoofer is too low • Compare the ohmic impedance of the connected loudspeaker or subwoofer with the technical specifications of the amplifier. For example, if the amplifier is only designed for 2 or 4 ohm operation, no loudspeaker with less than 2 ohms may be connected. |
| The cross-section of the power cables is too small • If the cable cross-section is too small, this leads to increased ohmic resistance and thus to a volt-age drop (voltage loss). This indicates that the amplifier consumes more power. The increased power consumption results in a significantly higher heat development and the amplifier switches to thermal protection mode. Therefore, observe the recommended cable cross-sections in these instructions and, if necessary, lay power cables with a larger cable cross-section. |
| The amplifier is overheated • The heat sink of each amplifier requires sufficient air circulation to be able to dissipate the heat generated during operation. If necessary, change the installation position in favor of better cooling of the amplifier or ensure better air circulation at the installation location. • Turn off the sound system and wait about half an hour for the amplifier to cool down again. With very hot outside temperatures and strong sunlight, enormous heat develops inside the vehicle. The amplifier then activates its thermal protection circuit to prevent damage. After cooling down, the amplifier works properly again. |
CAUTION
All instructions in this troubleshooting refer to the entire sound system and its individual components. The features of your device may not match the functions described in the notes. Then skip this point and move on to the next one.
Audio Design GmbH
Am Breilingsweg 3 · D-76709 Kronau/Germany Tel. +49 7253 – 9465-0 · Fax +49 7253 – 946510 www.audiodesign.de – www.hifonics.de © Audio Design GmbH, All Rights Reserved.



















