VIBOCOLD VAC Model Frost Low Temperature Freezers Instruction Manual
SAFETY INFORMATIONS
The VAC freezers contains environmentally friendly but flammable refrigerants. It means
danger of explosion if for any reason the refrigerants are allowed to escape from the system.
The refrigeration system must never be accessed by unauthorized personal. When transporting and installing the unit, ensure that no part of the tubing system is damaged.
If the tubing is damaged and leak occurs, avoid any ignition sources and naked flames near the unit, and ventilate the room immediately.
In order to avoid formation of flammable gas/air mixtures in case of a leak from the refrigeration system, the room where the unit is placed must have a volume equivalent to 1m³ per 8 gr. of refrigerant in the cabinet
WARNING!!!
The ventilation openings must never be covered or blocked.
Never use a stream or water cleaning device during cleaning or defrosting in order to avoid short circuits in the electrical system.
Do not place any electrical devices in the freezer.
Products containing flammable gasses and explosives must not be stored in the freezer. All units should be provided with installation and operating instructions. In addition to the
Clearances Installation, the instructions should contain such directions and information that the manufacturer considers necessary for installation, maintenance, and use of the refrigerator.
Installation and operating instructions should be provided with cautionary statements
concerning the handling, moving, and use of the refrigerator or freezer to avoid either damaging the refrigerant tubing, or increasing the risk of a leak.
The shipping carton of a refrigerator or freezer that employs a flammable refrigerant should be marked
“Caution – Risk of Fire or Explosion due to Flammable Refrigerant Used. Follow Handling Instructions Carefully in Compliance with U.S. Government Regulations”. The warning marking should also appear on the shipping carton, see below.
The installation and operating instructions should indicate that component parts shall be replaced with like components and that servicing shall be done by factory authorized service personnel, so as to minimize the risk of possible ignition due to incorrect parts or improper service.
USER INSTRUCTIONS
Congratulations with your new freezer, we feel certain that it will be very useful to you for many years ahead. To obtain optimal benefit from your freezer, please read the following instructions thoroughly and act accordingly. The low-temperature freezers are used for freezing and long-term storing of food products, medical preparations (vaccines, blood plasm, ect.) and other biological products.
Environmental protection and disposal
The packaging is designed to protect the appliance and its components during transportation, and it is made of recyclable materials
- Please return the packaging to an official collection point for recycling.
- Old appliances contain reusable materials and should not be disposed of together with household refuse.
- Remove the spring-action hinges from the appliance, in order to prevent children from being entrapped in the appliance.
- Ensure that no part of the refrigeration tubing is damaged as the refrigerant in the appliance risks escaping to the environment.
- Information about refrigerant type and amount will be found on the type plate on the rear of the appliance (Fig. 1).
Safety instructions
- In order to prevent injuries and or damage to the appliance, it should be unpacked and set up by min. two people.
- If upon unpacking the appliance is found damaged, do not connect to the mains, but contact the supplier.
- Interference with or repair to the appliance should only be carried out by authorized personnel, in order to avoid any injuries.(Contact the supplier for further information)
- Never put naked flames or other ignition sources inside the appliance.
- Never touch the freezers interior or products in the freezer when the freezer is operating. Use gloves or alike in order to avoid injuries (frost-bite).
- Keep the key to the appliance away from the appliance and out of the reach of children.
Connection to the mains
- For safety reasons the appliance must be earthed. If you are in any doubt, please contact an authorized electrician.
- The appliance should be left for 5 hours before it is connected to the mains. If the appliance is connected before that, there is a risk of damaging the compressor.
- If for any reason the appliance is disconnected from the mains, please wait 10 minutes before re-connecting. The electronic starting device needs this time to cool down, before a safe re-start can be made.
Before use
- Before use, the interior of the appliance should be cleaned with a mild soap solution, and wiped off with a dry clean cloth. Never use any kind of solvent or other chemicals
Setting up the freezer
The freezer should not be placed where it might be splashed with water, in extreme high humidity or in direct sunlight. Any of these factors may lead to a reduction in performance and shorten the life span of the components. The freezer should be placed on a horizontal level, and should not be placed close to a heating appliance or heating tubes. Allow a minimum of 50mm (2”) clearance on the side and the back.
The side with the ventilation grill should have a clearance of at least 100 mm (4”) in order to allow the heat from the compressor motor to dissipate. Underneath the appliance these should be a gap of 15 mm approx. (1/2”). On a soft surface, e.g. carpet, it may be necessary to ensure the correct distance by means of spacers
Electrical supply
The electrical supply should always be in accordance with the rating plate on the back of the freezer. The supply must always be in accordance with the law and regulations regarding electrical safety. If any doubts, contact your supplier.
Starting Up
In case the compressor does not start when the freezer has been plugged in, the electrical supply may not be in order. Check if there is an electricity supply to the plug or if the fuse is blown. If not please go to trouble shooting page 5
Operating the freezer
at least 5-6 hours prior to loading of the freezer.
The freezer should not be loaded above the inside walls which is also the load line limit.
Please note: After the lid has been opened, there will be a vacuum created inside the freezer due to the low temperatures. Wait a few minutes before trying to re-open the lid otherwise the handle could be damaged.
Defrosting
In order for the freezer to work to its maximum efficiency the cabinet should be defrosted when a approx. 2mm thick ice layer has formed inside the cabinet.
The ice layer is easily removed with a plastic or wooden scraper.
Never use a sharp metal object which might will cause damage to the inner liner.
The defrosting frequency is determined mainly by two factors the usage pattern (number of lid openings) and the relative humidity.
Excess water can be drained out by using the drain water outlet on the front of the freezer.
Cleaning
Cleaning should be done when needed. When used in a dirty environment it might be necessary to remove the compressor compartment grill and clean the compressor compartment eventually with a vacuum cleaner.
If the cleaning process is neglected there is a risk that the performance of the freezer will be effected and even damage to the compressor could occur due to overheating.
Storage
If the freezer is stored for a period of the time, the lid should be kept open for free circulation of air inside the cabinet in order to avoid corrosion of the inner liner.
Temperature control VAC freezers
The temperature inside the freezer is controlled by the electronic controller placed in the front grill.
The controller has a digital readout of the temperature inside the cabinet, and the option of changing the temperature inside the cabinet.
External voltage and temperature alarm
Optionally the freezer can be equipped with a battery operated alarm box with connections for external alarm for voltage failure and temperature alarm. The battery should be exchanged every two years. Please note! When commissioning the freezer, the battery must be turned into its correct position
Dixell controller

Functions
How to see the set point
- Press and immediately release the SET key, the display will now show the set point value.
- Press and immediately release the SET key or wait for 5 seconds to display the probe value again.
How to lock and unlock the keyboard:
- Press the up and down keys simultaneously for more than 3 seconds.
How to change the set point:
- Press the SET key for more than 3 seconds to change the set point value.
- The set point value will be displayed and the LED starts flashing.
- To change the set point value, push the up or down arrow.
- To memorise the new setting press the SET key again or wait 15 seconds for the controller to return to normal display of the probe temperature.
Setting the controllers offset value
The freezer is designed for long time and safe storage of sensitive food products. In some situations, the VAC freezer is also used for other applications like in laboratories for different low temperature test. Depending on the actual situation it might be necessary to change the controllers offset value in order to get a correspondence between the reading on the display and the actual temperature inside the cabinet.
The offset can be adjusted in the following way
Unlock the keyboard
Enter the programming mode by pressing the SET and arrow down keys for 3 seconds.
Select the parameter “Ot” by pressing arrow up or down key.
Press the SET key to display its value.
Use arrow up or down to change its value. The offset can be adjusted to +/- 12 dgr.C
Press SET to store the new value.
Press SET + arrow up or wait 15 seconds without pressing any key. The new value will now be stored.
For more detailed information about programming the Dixell controllers please consult the attached manuals.
Trouble shooting
The appliance is not operating. Please check the following before calling for service:
Is the electrical plug connected to the mains (wall socket)? Is the fuse blown?
The appliance is operating continuously. Please check:
Is ambient temperature too high?
Has the appliance recently been loaded with a large of warm products?
The temperature inside the appliance is too high. Please check:
Is the Dixell controller set to the correct temperature?
Has an excess amount of ice formed inside the appliance?
If you have checked the above points and the appliance is still not working as expected, please contact your local dealer for further advice.
LN2 or LCO2 back-up
On the rear side of the cabinet there is a label and a marking, where it is possible to insert either a temperature probe or a back-up LN2 or LCO2 supply. The inner and outer skins are pre-drilled.
IMPORTANT NOTE !!!
Do not attempt to drill or in other way make access to the freezers interior other places than at the marking, there is a risk of damaging the freezers tubing system, resulting in a leakage with inflammable gasses.
GENERAL WARNING
PLEASE READ BEFORE USING THISMANUAL
- This manual is part of the product and should be kept near the instrument for easy and quick reference.
- The instrument shall not be used for purposes different from those described hereunder. It cannot be used as a safety device.
- Check the application limits before proceeding.
- Dixell Srl reserves the right to change the composition of its products, even without notice, ensuring the same and unchanged functionality.
SAFETY PRECAUTIONS
- Check the supply voltage is correct before connecting the instrument.
- Do not expose to water or moisture: use the controller only within the operating limits avoiding sudden temperature changes with high atmospheric humidity to prevent formation of condensation
- Warning: disconnect all electrical connections before any kind ofmaintenance.
- Fit the probe where it is not accessible by the End User. The instrument must not be opened.
- In case of failure or faulty operation send the instrument back to the distributor or to “Dixell S.r.l.” (see address) with a detailed description of the fault.
- Consider the maximum current which can be applied to each relay (see Technical Data).
- Ensure that the wires for probes, loads and the power supply are separated and far enough from each other, without crossing or intertwining.
- In case of applications in industrial environments, the use of mains filters (our mod. FT1) in parallel with inductive loads could be useful.
GENERAL DESCRIPTION
Model XR30CH, format 32 x 74 mm, is a digital thermostat with off cycle defrost designed for refrigeration applications at normal temperature. It provides two relay outputs, one for the compressor, the other one can be used as light, for alarm signalling or as auxiliary output..
It is also provided with 2 NTC or PTC probe inputs, the first one for temperature control, the second one, optional, to connect to the HOT KEY terminals to signal the condenser temperature alarm or to display a temperature. The digital input can operate as third temperature probe.
The HOT KEY output allows to connect the unit, by means of the external module XJ485-CX, to a network line ModBUS-RTU compatible such as the dIXEL monitoring units of X WEB family. It allows to program the controller by means the HOT KEY programming keyboard. The instrument is fully configurable through special parameters that can be easily programmed through the keyboard.
CONTROLLING LOADS
COMPRESSOR
The regulation is performed according to the temperature measured by the thermostat probe with a positive differential from the set point: if the temperature increases and reaches set point plus differential the compressor is started and then turned off when the temperature reaches the set point value again.
In case of fault in the thermostat probe the start and stop of the compressor are timed through parameters “COn” and “COF”.Defrost Defrost is performed through a simple stop of the compressor. Parameter “IdF” controls the interval between defrost cycles, while its length is controlled by parameter “MdF”.
FRONT PANEL COMMANDS

:To display target set point; in programming mode it selects a parameter or confirm an operation.
(DEF): To start a manual defrost
(UP): To see the max. stored temperature; in programming mode it browses the parameter codes or increases the displayed value.
(DOWN): To see the min stored temperature; in programming mode it browses the parameter codes or decreases the displayed value.
: To switch the instrument off, if onF = oFF
:To switch the light, if oA1 =Lig
KEY COMBINATIONS:
:To lock & unlock the keyboard.
:To enter in programming mode.
:To return to the room temperature display.
USE OF LEDS
Each LED function is described in the following table.
| LED | MODE | FUNCTION |
![]() | ON | Compressor enabled |
![]() | Flashing | Anti-short cycle delay enabled |
![]() | ON | Defrost enabled |
![]() | ON | An alarm is occurring |
![]() | ON | Continuous cycle is running |
| ECO | ON | Energy saving enabled |
![]() | ON | Light on |
| ON | Auxiliary relay on | |
| °C/°F | ON | Measurement unit |
| °C/°F | Flashing | Programming phase |
MAX & MIN TEMPERATURE MEMORIZATION
HOW TO SEE THE MIN TEMPERATURE
- Press and release the
key. - The “Lo” message will be displayed followed by the minimum temperature recorded.
- By pressing the
key again or by waiting 5s the normal display will be restored.
HOW TO SEE THE MAX TEMPERATURE
- Press and release the
key. - The “Hi” message will be displayed followed by the maximum temperature recorded.
- By pressing the
key again or bywaiting 5s the normal displaywill be restored.
HOW TO RESET THE MAX AND MIN TEMPERATURE RECORDED
- Hold press the SET key for more than 3s, while the max. or min temperature is displayed. ( rSt message will be displayed )
- To confirm the operation the “rSt” message starts blinking and the normal temperature will be displayed.

MAIN FUNCTIONS
HOW TO SEE THE SETPOINT
- Push and immediately release the SET key: the display will show the Set point value.
- Push and immediately release the SET key or wait for 5 seconds to display the probe value again.
HOW TO CHANGE THE SETPOINT
- Push the SET key for more than 2 seconds to change the Set point value.
- The value of the set point will be displayed and the “°C” or “°F” LED starts blinking;
- To change the Set value push the
or
arrows within 10s. - To memorise the new set point value push the SET key again or wait 10s.
HOW TO START A MANUAL DEFROST
Push the DEF key for more than 2 seconds and a manual defrost will start.
HOW TO CHANGE A PARAMETER VALUE
To change the parameter’s value operate as follows:
- Enter the Programming mode by pressing the Set +
keys for 3s (the “°C” or “°F” LEDstarts blinking). - Select the required parameter. Press the “SET” key to display its value
- Use “UP” or “DOWN” to change its value.
- Press “SET” to store the new value and move to the following parameter.
To exit: Press SET + UP or wait 15s without pressing a key.
NOTE: the set value is stored even when the procedure is exited by waiting thetime-out to expire
THE HIDDEN MENU
The hidden menu Includes all the parameters of the instrument.
HOW TO ENTER THE HIDDEN MENU
- Enter the Programming mode by pressing the Set +
keys for 3s (the “°C” or “°F” LED starts blinking). - Released the keys, then push again the Set +
keys for more than 7s. The Pr2 label willbe displayed immediately followed from the HY parameter.
NOW YOU ARE IN THE HIDDEN MENU - Select the required parameter.
- Press the “SET” key to display its value
- Use
or
to change its value. - Press “SET” to store the new value and move to the following parameter. To exit: Press SET +
orwait 15swithout pressing a key.
NOTE1: if none parameter is present in Pr1, after 3s the “noP” message is displayed. Keep the keys pushed till the Pr2 message is displayed.
NOTE2: the set value is stored even when the procedure is exited by waiting the
time-out to expire
HOW TO MOVE A PARAMETER FROM THE HIDDEN MENU TO THE FIRST LEVEL AND VICEVERSA.
Each parameter present in the HIDDEN MENU can be removed or put into “THE FIRST LEVEL” (user level) by pressing “SET +
”. In HIDDEN MENU when a parameter is present in First Level the decimal point is on
HOW TO LOCK THE KEYBOARD
- Keep pressed for more than 3 s the UP + DOWN keys.
- The “POF” message will be displayed and the keyboard will be locked. At this point it will be possible only to see the set point or the MAX o Min temperature stored
- If a key is pressed more than 3s the “POF” message will be displayed.
TO UNLOCK THE KEYBOARD
Keep pressed together for more than 3s the
and
keys, till the “Pon” message will be displayed.
THE CONTINUOUS CYCLE
When defrost is not in progress, it can be activated by holding the “o” key pressed for about3 seconds. The compressor operates to maintain the “ccS” set point for the time set through the “CCt” parameter. The cycle can be terminated before the end of the set time using the same activation key “o” for 3 seconds.
THE ON/OFF FUNCTION
With “onF = oFF”, pushing the ON/OFF key, the instrument is switched off. The “OFF” message is displayed. In this configuration, the regulation is disabled. To switch the instrument on, push again the ON/OFF key
WARNING: Loads connected to the normally closed contacts of the relays are always supplied and under voltage, even if the instrument is in stand by mode.
PARAMETERS
REGULATION
Hy Differential: (0,1 ÷ 25,5°C / 1÷255 °F) Intervention differential for set point. Compressor Cut IN is Set Point + differential (Hy). Compressor Cut OUT is when the temperature reaches the set point.
LS Minimum set point: (- 50°C÷SET/-58°F÷SET): Sets the minimum value for the set point.
US Maximum set point: (SET÷110°C/ SET÷230°F). Set the maximum value for set point.
Ot Thermostat probe calibration: (-12.0÷12.0°C; -120÷120°F) allows to adjust possible offset of the thermostat probe.
P3P Third probe presence (P3): n= not present:, the terminal operates as digital input.; y=present:, the terminal operates as third probe.
O3 Third probe calibration (P3): (-12.0÷12.0°C; -120÷120°F). allows to adjust possible offset of the third probe.
P4P Fourth probe presence: (n = Not present; y = present). o4 Fourth probe calibration: (-12.0¸12.0°C) allows to adjust possible offset of the fourth probe.
OdS Outputs activation delay at start up: (0÷255min) This function is enabled at the initial start up of the instrument and inhibits any output activation for the period of time set in the parameter.
AC Anti-short cycle delay: (0÷50 min) minimum interval between the compressor stop and the following restart.
CCt Compressor ON time during continuous cycle: (0.0÷24.0h; res. 10min) Allows to set the length of the continuous cycle: compressor stays on without interruption for the CCt time. Can be used, for instance, when the room is filled with newproducts.
CCS Set point for continuous cycle: (-50÷150°C) it sets the set point used during the continuous cycle.
COn Compressor ON time with faulty probe: (0÷255 min) time during which the compressor is active in case of faulty thermostat probe. With COn=0 compressor is always OFF.
COF Compressor OFF time with faulty probe: (0÷255 min) time during which the
compressor is OFF in case of faulty thermostat probe. With COF=0 compressor is always active.
CH Type of action: CL = cooling; Ht = heating.
DISPLAY
CF Temperature measurement unit: °C=Celsius; °F=Fahrenheit. WARNING: When the measurement unit is changed the SET point and the values of the parameters Hy, LS, US, Ot, ALU and ALL have to be checked and modified if necessary).
rES Resolution (for °C): (in = 1°C; dE = 0.1 °C) allows decimal pointdisplay.
dLy Display delay: (0 ÷20.0m; risul. 10s) when the temperature increases, the display is updated of 1 °C/1°F after this time.
DEFROST
IdF Interval between defrost cycles: (0÷120h) Determines the time interval between the beginning of two defrost cycles.
MdF (Maximum) length for defrost: (0÷255min) When P2P = n, (not evaporator probe: timed defrost) it sets the defrost duration, when P2P = y (defrost end based on temperature) it sets the maximum length for defrost.
dFd Temperature displayed during defrost: (rt = real temperature; it = temperature at defrost start; SEt = set point; dEF = “dEF”label)
dAd MAX display delay after defrost: (0÷255min). Sets the maximum time between the end of defrost and the restarting of the real room temperature display.
ALARMS
ALC Temperature alarms configuration: (Ab; rE)
Ab= absolute temperature: alarm temperature is given by the ALL or ALU values. rE = temperature alarms are referred to the set point. Temperature alarm is enabled when the temperature exceeds the “SET+ALU” or “SET-ALL” values.
ALU MAXIMUM temperature alarm: (SET÷110°C; SET÷230°F) when this temperature is reached the alarm is enabled, after the “ALd” delay time.
ALL Minimum temperature alarm: (-50.0 ÷ SET°C; -58÷230°F when this temperature is reached the alarm is enabled, after the “ALd” delay time.
AFH Differential for temperature alarm recovery: (0,1÷25,5°C; 1÷45°F) Intervention differential for recovery of temperature alarm.
ALd Temperature alarm delay: (0÷255 min) time interval between the detection of an alarm condition and alarm signalling.
dAO Exclusion of temperature alarm at startup: (from 0.0 min to 23.5h) time interval between the detection of the temperature alarm condition after instrument power on and alarm signalling
CONDENSER TEMPERATURE ALARM (detected by the fourth probe)
AP2 Probe selection for temperature alarm of condenser: nP = no probe;
P1 =thermostat probe; P2 = evaporator probe; P3 =configurable probe; P4 = Probe on Hot Key plug.
AL2 Low temperature alarm of condenser: (-55÷150°C) when this temperature is reached the LA2 alarm is signalled, possibly after the Ad2delay.
Au2 High temperature alarm of condenser: (-55÷150°C) when this temperature is reached the HA2 alarm is signalled, possibly after the Ad2delay.
AH2 Differential for temperature condenser alarm recovery: (0,1÷25,5°C; 1÷45°F)
Ad2 Condenser temperature alarm delay: (0÷255 min) time interval between the detection of the condenser alarm condition and alarmsignalling.
dA2 Condenser temperature alarm exclusion at start up: (from 0.0 min to 23.5h, res.10min)
bLL Compressor off with low temperature alarm of condenser: n = no: compressor keeps on working; Y = yes, compressor is switched off till the alarm is present, in any case regulation restarts after AC time at minimum.
AC2 Compressor off with high temperature alarm of condenser: n = no: compressor keeps on working; Y = yes, compressor is switched off till the alarm is present, in any case regulation restarts after AC time at minimum.
SECOND RELAY
tbA Alarm relay silencing (with oA1=ALr): (n= silencing disabled: alarm relay stays on till alarm condition lasts, y =silencing enabled: alarm relay is switched OFF by pressing a key during an alarm).
oA1 Second relay configuration: ALr: alarm; Lig: light; AuS: Auxiliary relay;
onF: always on with instrument on; db = do not select it; dEF: do not select it!.; FAn: do not select it!.; dF2: do not select it.
AoP Alarm relay polarity: it set if the alarm relay is open or closed when an alarm happens. CL= terminals 1-2 closed during an alarm; oP = terminals 1-2 open during an alarm
DIGITAL INPUT
i1P Digital input polarity: oP: the digital input is activated by opening the contact; CL: the digital input is activated by closing the contact.
i1F Digital input configuration: EAL = external alarm: “EA” message is displayed; bAL = serious alarm “CA” message is displayed. PAL pressure switch alarm, “CA” message is displayed; dor = door switch function; dEF = activation of a defrost cycle; AUS =toswitch on the second relay if oA1 = Htr = kind of action inversion (cooling – heating); FAn = not set it; did: (0¸255 min) with
i1F= EAL or i1F = bAL digital input alarm delay: delay between the detection of the external alarm condition and itssignalling. with i1F= dor: door open signalling delay with i1F = PAL: time for pressure switch function: time interval to calculate the number of the pressure switch activation.
nPS Pressure switch number: (0 ÷15) Number of activation of the pressure switch, during the “did” interval before signaling the alarm event.(12F = PAL) If the nPS activation in the did time is reached, switch off and on the instrument to restart normal regulation. odc Compressor status with door open: no, Fan = normal; CPr; F_C = Compressor OFF.
rrd Outputs restart after doA alarm: no = outputs not affected by the doA alarm;
yES = outputs restart with the doA alarm; HS Temperature increase during the Energy Saving cycle it sets the increasing value of the set point during the Energy Saving cycle
OTHER
Adr Serial address (1÷244): Identifies the instrument address when connected to a ModBUS compatible monitoring system.
PbC Type of probe: it allows to set the kind of probe used by the instrument: PbC = PBC
probe, ntc = NTC probe.
onF on/off key enabling: nu = disabled; oFF = enabled; ES = not set it.
dP1 Thermostat probe display
dP3 Third probe display- optional.
dP4 Fourth probe display.
rSE Real set point: (readable only), it shows the set point used during the energy saving cycle or during the continuous cycle.
rEL Software release for internal use.
Ptb Parameter table code: readable only.
DIGITAL INPUT (ENABLED WITH P3P = N)
The free voltage digital input is programmable in different configurations by the “i1F” paramete
DOOR SWITCH INPUT (i1F = dor)
It signals the door status and the corresponding relay output status through the “odc” parameter: no, Fan = normal (any change); CPr, F_C = Compressor OFF. Since the door is opened, after the delay time set through parameter “did”, the door alarm is enabled, the display shows the message “dA” and the regulation restarts is rtr = yES. The alarm stops as soon as the external digital input is disabled again. With the door open, the high and low temperature alarms are disabled.
GENERIC ALARM (i1F =EAL)
As soon as the digital input is activated the unit will wait for “did” time delay before signaling the “EAL” alarm message. The outputs status don´t change. The alarm stops just after the digital input is de-activated.
SERIOUS ALARM MODE (i1F =bAL)
When the digital input is activated, the unit will wait for “did” time delay before signaling the “CA” alarm message. The relay outputs are switched OFF. The alarm will stop as soon as the digital input is de-activated.
PRESSURE SWITCH (i1F =PAL
If during the interval time set by “did” parameter, the pressure switch has reached the number of activation of the “nPS” parameter, the “CA” pressure alarm message will be displayed. The compressor and the regulation are stopped. When the digital input is ON the compressor is always OFF.
If the nPS activation in the did time is reached, switch off and on the instrument to restart normal regulation.
START DEFROST (i1F =dFr)
It starts a defrost if there are the right conditions. After the defrost is finished, the
normal regulation will restart only if the digital input is disabled otherwise the
instrument will wait until the “MdF” safety time is expire
INVERSION OF THE KIND OF ACTION: HEATING-COOLING (i1F = Htr)
This function allows to invert the regulation of the controller: from cooling to heating and viceversa
ENERGY SAVING (i1F =ES)
The Energy Saving function allows to change the set point value as the result of the SET+HES (parameter) sum. This function is enabled until the digital input is activated.
DIGITAL INPUTS POLARITY
The digital input polarity depends on the “i1P” parameter.
i1P=CL: the input is activated by closing the contact.
i1P=OP: the input is activated by opening the contact
TTL SERIAL LINE FOR MONITORINGSYSTEMS
The TTL serial line, available through the HOT KEY connector, allows by means of the external TTL/RS485 converter, XJ485-CX, to connect the instrument to a monitoring system ModBUS-RTU compatible such as the X-WEB500/3000/300.
X-REP OUTPUT OPTIONAL
As optional, an X-REP can be connected to the instrument, trough the HOT KEY connector. The X-REP output EXCLUDES the serial connection.
To connect the X-REP to the instrument the following connectors must be used CAB-51F(1m) CAB52F(2m), CAB- 55F(5m)
INSTALLATION AND MOUNTING
Instrument XR30CH shall be mounted on vertical panel, in a 29×71 mm hole, and fixed using the special bracket supplied. The temperature range allowed for correct operation is 0÷60 ˚C. Avoid places subject to strong vibrations, corrosive gases, excessive dirt or humidity. The same recommendations apply to probes. Let air circulate by the cooling holes.
ELECTRICAL CONNECTIONS
The instrument is provided with screw terminal block to connect cables with a cross section up to 2,5 mm². Before connecting cables make sure the power supply complies with the instrument`s requirements. Separate the probe cables from the power supply cables, from the outputs and the power connections. Do not exceed the maximum current allowed on each relay, in case of heavier loads use a suitable external relay
PROBE CONNECTION
The probes shall be mounted with the bulb upwards to prevent damages due to casual liquid infiltration. It is recommended to place the thermostat probe away from air streams to correctly measure the average room temperature. Place the defrost termination probe among the evaporator fins in the coldest place, where most ice is formed, far from heaters or from the warmest place during defrost, to prevent premature defrost termination.
HOW TO USE THE HOT KEY
HOW TO PROGRAM A HOT KEY FROM THE INSTRUMENT (UPLOAD)
- Program one controller with the front keypad.
- When the controlleris ON , insert the “Hot key” and push key, the “uPL” message appears followed a by flashing “End”
- Push “SET” key and the End will stop flashing.
- Turn OFF the instrument remove the “Hot Key”, then turn it ON again.
NOTE: the“Err”message is displayed for failed programming, in this case push again key if you want to restart the upload again or remove the “Hot Key” to abort the operation.
HOW TO PROGRAM AN INSTRUMENT USING A HOT KEY (DOWNLOAD)
- Turn OFF the instrument.
- Insert a programmed “Hot Key” into the 5 PIN receptacle and then turn the Controller ON
- Automatically the parameter list of the “Hot Key” is downloaded into the Controller memory, the “doL” message is blinking followed a by flashingnd “End”.
- After 10 seconds the instrument will restart working with the new parameters.
- Remove the “Hot Key”.
NOTE the message “Err” is displayed for failed programming, in this case turn the unit off and then on if you want to restart the download again or remove the “Hot key” to abort the operation
ALARM SIGNALS
| Message | Cause | Outputs |
| ”P1” | Room probe failure | Compressor output acc. |
| ”P3” | Third probe failure | Outputs unchanged |
| “P4” | Fourth probe failure | Outputs unchanged |
| ”HA” | Maximum temperature alarm | Outputs unchanged |
| ”LA” | Minimum temperature alarm | Outputs unchanged |
| “HA2” | Condenser high temperature | It depends on the “ Ac 2” |
| “LA2” | Condenser low temperature | It depends on |
| ”dA” | Door open | Compressor according to rrd |
| ”EA” | External alarm | Output unchanged |
| ”CA” | Serious external alarm (i1F=bAL) | All outputs OFF |
| ”CA” | Pressure switch alarm (i1F=PAL) | All outputs OFF |
ALARM RECOVERY
Probe alarms P1” ,” P3 “and “P4 “ start some seconds after the fault in the related probe; they automatically stop some seconds after the probe restarts normal operation. Check connections before replacing the probe. Temperature alarms “HA”, “LA”, “HA2”, and “LA2” automatically stop as soon as the temperature returns to normal values. Alarms “EA” and “CA” (with I 1F = bAL) recover as soon as the digital input is disabled. Alarm “CA” (with i1F = PAL) recovers only by switching off and on the instrument.
OTHER MESSAGES
| Pon | Keyboard unlocked. |
| PoF | Keyboard locked |
| noP | In programming mode: none parameter is present in Pr1 On the display or in dP2, dP3, dP4: the selected probe is nor enabled |
| noA | None alarm is recorded. |
TECHNICAL DATA
Housing: self-extinguishing ABS.
Case: XR30CH frontal 38 x 80 mm; depth 62 mm.
Mounting: XR30CH panel mounting in a 71 x 29 mm panel cut-out
Protection: IP20; Frontal protection: XR30CH IP65
Connections: Screw terminal block ≤ 2,5 mm² wiring.
Power supply: according to the model: 12Vac/dc, ± 10%; 24Vac/dc, ± 10%; 230 Vac ± 10%, 50/60 Hz, 110 Vac ± 10%, 50/60 Hz
Power absorption: 3VA max
Display: 3 digits, red LED, 14,2 mm high; Inputs: Up to 4 NTC or PTC probes.
Digital input: free voltage contact
Relay outputs: compressor SPST 8(3) A, 250Vac; or 20(8) A 250Vac
AUX: SPDT 8(3) A, 250Vac
Data storing: on the non-volatile memory (EEPROM).
Kind of action: 1B; Pollution grade: 2; Software class: A.;
Rated impulsive voltage: 2500V; Overvoltage Category: II
Operating temperature: 0÷60 °C; Storage temperature: -30÷85 °C.
Relative humidity: 20 85% (no condensing)
Measuring and regulation range: NTC probe: -40÷110°C (-40÷230°F);
PTC probe: -50÷150°C (-58÷302°F)
Resolution: 0,1 °C or 1°C or 1 °F (selectable);
Accuracy (ambient temp. 25°C): ±0,7 °C ±1 digit
CONNECTIONS
The X-REP output excludes the TTL output. It´s present in the following codes: XR30CH- xx2xx, XR30CH – xx3xx
1 XR30CH 8A COMPRESSOR
- 9-40Vdc supply: connect to the terminals 7 and 8.
- 12Vac/dc supply: connect to the terminals 7 and 8.
- 24Vac/dc supply: connect to the terminals 7 and 8.
- 120Vac supply: connect to the terminals 7 and 8.

XR30CH – 20A COMPRESSOR
- 9-40Vdc supply: connect to the terminals 7 and 8.
- 12Vac/dc supply: connect to the terminals 7 and 8.
- 24Vac/dc supply: connect to the terminals 7 and 8.
- 120Vac supply: connect to the terminals 7 and 8.

FACTORY SETTINGS DIXELL XR30CH
| Lable | Name | VAC –˚ C | VAC –˚ F |
| Set | Set point | -70 | -94 |
| Hy | Differential | 3.0 | 3.0 |
| LS | Minimum set point | -75 | -103 |
| US | Maximum set point | -20 | -4 |
| Ot | Thermostat probe calibration | 3.0 | 5.0 |
| OdS | Outputs delay at start up | 0 | 0 |
| AC | Anti-short cycle delay | 5 | 5 |
| CCt | Continuos cycle duration | 0.0 | 0.0 |
| CCS | Set point for continuous cycle, | 0.0 | 0.0 |
| COn | Compressor ON time with faulty probe | 1 | 1 |
| COF | Compressor OFF time with faulty probe | 0 | 0 |
| CH | Kind of action | CL | CL |
| CF | Temperature measurement unit | °C | ˚F |
| rES | Resolution | dE | dE |
| dLy | Display temperature delay | 0.0 | 0.0 |
| IdF | Interval between defrost cycles | 0 | 0 |
| MdF | Maximum length for defrost | 0 | 0 |
| dFd | Displaying during defrost | rt | rt |
| dAd | MAX display delay after defrost | 0 | 0 |
| ALc | Temperat. alarms configuration | rE | rE |
| ALU | MAXIMUM temperature alarm | 20.0 | 20.0 |
| ALL | MINIMUM temperature alarm | 10.0 | 10.0 |
| AFH | Differential for temperat. alarm recovery | 2.0 | 2.0 |
| ALd | Temperature alarm delay | 60 | 60 |
| dAo | Delay of temperature alarm at start up | 8.0 | 8.0 |
| tbA | Alarm relay disabling | n | n |
| AoP | Alarm relay polarity (oA1=ALr) | OP | OP |
| i1P | Digital input polarity | CL | CL |
| i1F | Digital input configuration | AUS | AUS |
| did | Digital input alarm delay | 0 | 0 |
| nPS | Number of activation of pressure switch | 0 | 0 |
| odc | Compress status when open door | no | no |
| rrd | Regulation restart with door open alarm | y | y |
| HES | Differential for Energy Saving | 0 | 0 |
| Adr. | Serial address | 1 | 1 |
| PbC | Kind of probe | pt1 | pt1 |
| onF | on/off key enabling | no | no |
| rSE | Room probe display | -70 | -94 |
| rEL | Software release | 1.6 | 1.6 |
| Ptb | Map code | 1 | 2 |
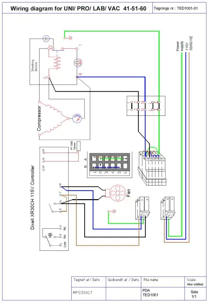
DIAGRAM




























