Rebel URZ3484-2 LED Flood Light User Manual
SAFETY INSTRUCTIONS
Please read this operation instruction carefully before first use, and keep it for future reference. If there are any doubts concerning correct installation, please consult a qualified specialist.
- If the device or any of its part is damaged, do not use it and unplug it from power source. Do not repair the device yourself.
Contact with an authorized service point for check-up/repair. - Prior to any maintenance services, disconnect power supply and let the device cool down.
- Do not cover the device.
- WARNING: Do not look directly at LED light beam!
- Clean the device with soft and dry cloth. Do not use chemical detergents.
- Failure to follow these instructions may result in fire, burns, electrical shock, physical injury and other damage.
- WARNING: Device may heat up to a higher temperature. Do not touch the device when it’s hot.
- Before connecting the device to power supply socket, make sure the voltage indicated on the appliance corresponds to the voltage in the power supply socket.
FEATURES
- Device belongs to the group of energy efficient products.
- Minimal distance of a light fixture (its light source) from the spots and objects that it’s illuminating – 0,5 m.
- This device is build in a way that it is impossible to open it. Repair by user is not allowed.
MOUNTING
Read the manual before mounting. Mounting should be performed by an appropriately qualified person. Check for proper mechanical fastening and connection to electrical power prior to first use.
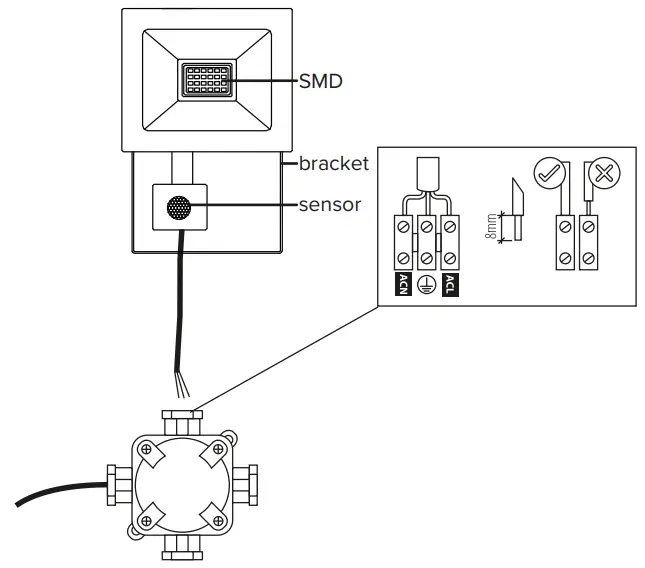
- Remove the mounting bracket from the Led floodlight. Drill the wall and screw the bracket onto the wall using suitable plastic wall plugs and screws. Check that the bracket is securely fitted on the wall.
Note: Do not at this stage re-attach the floodlight to the bracket. - Connect the power cords:
- brown wire (ACL) of the floodlight with Live brown or red wire of the electrical wiring;
- blue wire (ACN) of the floodlight with Neutral blue or black wire of the electrical wiring;
- yellow-green wire of the floodlight with earth wire of the electrical wiring.
- Re-attach the floodlight to the bracket and secure the cable to the wall using suitable clips. Ensure that the cable is not touching the body of the floodlight, and that there is sufficient slack in the cable to allow the floodlight to be tilted and adjusted as required, which should be done by grasping the metal body of the floodlight, not its rear wiring box.

Tips:
- Do not install when it is raining.
- The unit can be installed only horizontally.

- For outdoor installation, a location under eaves is preferable.
- Avoid mounting the sensor in vicinity/directed at items/devices which may change temperature rapidly (heating vents, air, conditioners, etc.). Try to avoid pointing the unit at trees or shrubs or where the motion of pets may be detected.
- Do not allow sunlight to fall directly on the front of unit.
- When placing or storing the device, make sure it faces upwards (see the illustration below) to avoid damaging the sensor.

SETTING ADJUSTMENT
TIME: time adjustment knob (adjusts duration of the time the device lights after detecting motion).
SENS: sensitivity adjustment knob (motion detection sensitivity degree).
LUX: brightness adjustment knob (adjusts the level of ambient brightness in which the device turns on).
Position means that the sensors will start work after dusk.
Position means that the sensors will start work during the day
TROUBLESHOOTING
Low sensitivity of detection or the floodlight does not work:
- Check if there are any obstacles in front of the device.
- Check if the detection range is not exceeded.
- Check if the device is mounted at an appropriate height.
- Check if the brightness settings are consistent with the ambient
- light.
- When the environment temperature is similar to human body
- temperature then detection sensitivity may slightly decrease.
The light does not turn off:
- Check if there is constant motion within the detection range.
- Check if the time is not set to the maximum.
SPECIFICATION
| URZ3484-2 | URZ3490-2 | |
| Light source | 28 pcs SMD2835 | 15 pcs SMD2835 |
| Power | 20 W | 10 W |
| Color temperature | 6500 K | 3000 K |
| Luminous flux | up to 1600 lm | up to 750 lm |
| Efficiency | 80 lm/W | 75 lm/W |
| Power factor | 0,9 | |
| Beam angle | 120° | |
| CRI | >80 | |
| Protection class | I | |
| Protection rating | IP65 | |
| Working temperature | -20°C ~ +40°C | |
| Lifespan | 20 000 h | |
| Power supply | 220 – 240 V; 50 – 60 Hz | |
| Motion sensor | ||
| Light control | < 10-2000 LUX | |
| Range of activity time setting | 10 s. – 7 min. | |
| Detection range | 2 – 10 m | |
| Detection angle | 120° | |
| Working temperature | -20 ~ +40°C | |
| Allowed air humidity | <93% RH | |
| Installation height | 1.8 – 2.5 m | |
| Speed range of the detected object | 0.6 – 1.5 m/s | |
| Protection rating | IP44 | |
Correct Disposal of This Product
(Waste Electrical & Electronic Equipment)
It is forbidden to place equipment waste marked with the symbol of a crossed-out trash bin together with other waste. This equipment is subject to collection and recycling. The harmful substances it contains can cause environmental pollution and pose a threat to human health.

















