GDE7797700-00
Instruction Bulletin 
SQR441U1**W Wi-Fi® TR Receptacle, Energy Monitoring
FCC ID: 2AUCU-441U1W
IC: 25381-441U1W
Retain for future use.
Introduction
- Manual and Remote ON/OFF control of any connected lighting and other electrical load
- Reduce energy consumption and enjoy Wireless Home Automation
- You can Turns your devices on or off at any time or anywhere have Internet using the free SE Wiser App on your smartphone
- Wi-Fi® is a registered trademark of Wi-Fi Alliance R
| Specifications | |||
| Cat. No. | SQR441U1**W 1 | ||
| Voltage | 125 Vac, 60 Hz / 125 VCA, 60 Hz / 125 Vca, 60 Hz / | ||
| Regular outlet | Current | 15 A | |
| Controlled outlet | Incandescent | 1000 W | |
| LED | 5 A | ||
| Standard Ballast | 1200 VA | ||
| Resistive | 15 A | ||
| Motor | 1/2 HP | ||
| Operating temperature | 32-104°F (0-40°C) | ||
| Supply connection | 14 AWG wires, suitable for at least 167°F (75°C) | ||
| Wireless Type | Wi-Fi®, IEEE 802.11b/g/n | ||
| Wireless Frequency | 2.4GHz | ||
1 ** = color code: WH (white), LA (light almond), BK (black), GY (gray)
Precautions
DANGER
HAZARD OF ELECTRIC SHOCK, EXPLOSION, OR ARC FLASH
- Apply appropriate personal protective equipment (PPE) and follow safe electrical work practices. See NFPA 70E, NOM-029-STPS or CSA Z462 or local equivalent.
- This equipment must only be installed and serviced by qualified electrical personnel.
- Turn off all power supplying this equipment before working on or inside equipment.
- Always use a properly rated voltage sensing device to confirm power is off.
- To reduce the risk of overheating and possible equipment damage, do not install to control a receptacle, a motor-operated appliance, a fluorescent lighting fixture, or a transformer-supplied appliance.
- Use only with copper wire.
- Indoor use only.
- Replace all devices, doors, and covers before turning on power to this equipment.
Failure to follow these instructions will result in death or serious injury.
WARNING
HAZARD OF HEAT AND FIRE DAMAGE
Read all instructions before installation. The manufacturer will not be held responsible for product damage resulting from not following the instructions.
- Wet hands are strictly prohibited.
- Work strictly according to the rated load.
- Do not continue working after self-disassembly of any nature and damage of external forces.
Failure to follow these instructions can result in death, serious injury, or equipment damage.
WARNING: This product can expose you to chemicals including Carbon black which is known to the State of California to cause cancer, and Bisphenol A (BPA), which is known to the State of California to cause birth defects or other reproductive harm. For more information go to www.P65Warnings.ca.gov.
Installation
1. Turn the power OFF at circuit breaker or fuse and test that power is off, using a properly rated voltage sensing device, before wiring.
2. Wire the device according to the wiring diagram.
3. Check that all connections are tight and no bare wires exposed.
4. Install the receptacle into the standard outlet box using the screws provided.

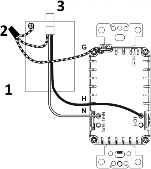
Figure 1 : Wiring Diagrams

- Outlet Box
- Wire connector
- LINE cable brings power
H Hot
N Neutral
G Ground
About wire connections:
0.5 in (12.7 mm)

Back wire
Max. torque: 14 lbs-in
5. Install the wall plate (not included).
6. Restore power.
Figure 2: Wall Plates
X Series

or

XD Series

SQWVS44101**W
XD Series Multigang

SQWVS44101**W

- Only for installation of XD series cover plate.
** = color code:
WH (white)
LA (light almond)
BK (black)
GY (gray)
Operation
1. Local control:
Press the the on/off/ reset button button; the appliance or device plugged into the controlled outlet will turn on or off.
NOTE: After a power failure the controlled outlet returns to the off state.
Figure 3: Local Control

- LED indicator
- On/off/ reset button /
- Only this outlet has on/off function
2. SE Wiser App Control
2.1. Download Wiser by SE app from the App Store or Google Play.
QR code for iOS App download
QR code for Android App download
2. 2. Connect mobile device to your 2.4GHz Wi-Fi® network. Please note this Smart Dimmer Switch can only be connected to 2.4GHz network.
Please Note: When power is reconnected after the interruption, the LED indicator in green will flash quickly which means that the Dimmer is searching for Wi-Fi®. It will stop flashing and turn off when Wi-Fi® is connected successfully for 5 seconds. when the LED indicator in solid green that means your network anomaly, pls check the network.
Wireless Range Conditions
The wireless range is the effective distance of remote control and it will be impacted by the following conditions:
- Each wall or obstacle (e.g., refrigerator, TV, etc.) between the remote or device and the destination device will reduce the wireless range.
- Brick, tile, or concrete walls block more of the wireless signal than walls made of wooden studs and plasterboard (drywall).
- The angle of direction between the remote or device and the destination device will also impact the wireless range; normally, placing the devices face-to-face will get the best wireless range
- Wall-mounted devices installed in metal junction boxes may suffer a significant loss of range since the metal box blocks a large part of the wireless signal.
LED Indication
Indication / | State / | Description / |
| AP | The LED indicator shall start single blinking. | |
| Connected | The LED indicator will be turned to solid on once the cloud connectivity is established. The on state shall last for up to 1 minute. | |
| Offline | Once the device is offline, it shall enter a double blinking pattern for 3 minutes. After, the indicator shall track load status. | |
| Operating | The LED indicator shall track the load on/off status. By default, when load is on, the LED should be on, and vice versa. Notice the tracking state could be reversed if it is configured so. |
Restoring Procedure
Press the button as the below table to reset.
| L0 reset: Wi-Fi function reboot. | Long press (T > 5s) the on/off/reset button. |
| L1 reset: Leave network; Re-enter AP mode. | Long press (T > 10s) the on/off/reset button. |
| L2 reset: Leave network and clear all configurations. | Long press (T > 20s) the on/off/reset button. |
FCC Compliance Statement
Federal Communication Commission Interference Statement
This equipment has been tested and found to comply with the limits for a Class B digital device, pursuant to part 15 of the FCC Rules. These limits are designed to provide reasonable protection against harmful interference in a residential installation.
This equipment generates uses and can radiate radio frequency energy and, if not installed and used in accordance with the instructions, may cause harmful interference to radio communications. However, there is no guarantee that interference will not occur in a particular installation. If this equipment does cause harmful interference to radio or television reception, which can be determined by turning the equipment off and on, the user is encouraged to try to correct the interference by one or more of the following measures:
- Reorient or relocate the receiving antenna.
- Increase the separation between the equipment and receiver.
- Connect the equipment into an outlet on a circuit different from that to which the receiver is connected.
- Consult the dealer or an experienced radio/TV technician for help.
FCC Radiation Exposure Statement
This equipment complies with FCC radiation exposure limits set forth for an uncontrolled environment. This equipment should be installed and operated with minimum distance 20 cm between the radiator and your body.
RF Exposure: A distance of 20 cm shall be maintained between the antenna and users, and the transmitter module may not be co-located with any other transmitter or antenna.
Non-modification statement
Any changes or modifications not expressly approved by the party responsible for compliance could void the user’s authority to operate this equipment.
FCC Supplier’s Declaration of Conformity
Product Name: Wi-Fi® 15A TR RECEPTACLE
Model number: SQR441U1WHW, SQR441U1LAW, SQR441U1BKW
Suppliers Name: Schneider Electric
Suppliers Address (USA): 800 Federal Street Andover, MA 01810 USA
Suppliers Website: www.se.com/us
FCC Compliance Statement
This device complies with part 15 of the FCC Rules. Operation is subject to the following two conditions: (1) This device may not cause harmful interference, and (2) this device must accept any interference received, including interference that may cause undesired operation.
ISED Statement
This Class [B] digital apparatus complies with Canadian CAN ICES-003(B).
This device contains licence-exempt transmitter(s)/receiver(s) that comply with Innovation, Science and Economic Development Canada’s licence-exempt RSS(s). Operation is subject to the following two conditions:
1. This device may not cause interference.
2. This device must accept any interference, including interference that may cause undesired operation of the device. This equipment complies with ISED RSS-102 radiation exposure limits set forth for an uncontrolled environment.
This equipment should be installed and operated with a minimum distance of 20 cm between the radiator and any part of your body.
Model numbers: SQR441U1WHW, SQR441U1LAW, SQR441U1BKW
Warranty Information
Schneider Electric warranties its products to be free of defects in materials and workmanship for a period of two (2) years. There are no obligations or liabilities on the part of Schneider Electric for consequential damages arising out of or in connection with the use or performance of this product or other indirect damages with respect to loss of property, revenue, or profit, or cost of removal, installation, or reinstallation.
Electrical equipment should be installed, operated, serviced, and maintained only by qualified personnel. No responsibility is assumed by Schneider Electric for any consequences arising out of the use of this material.
Schneider Electric and Square D are trademarks and the property of Schneider Electric SE, its subsidiaries, and affiliated companies. All other trademarks are the property of their respective owners.
Schneider Electric USA, Inc.
800 Federal Street
Andover, MA 01810 USA
888-778-2733
www.se.com/us
© 2020 Schneider Electric All Rights Reserved




















