P450TTLFW Mini Freezer and Fridge
Instruction Manual
This manual contains the product’s basic knowledge, how to use it, fault diagnosis, and basic troubleshooting methods. To better understand and use this product, please take good care of this manual and read it carefully.
This product was supplied by Shomar Ltd Dublin.
To contact us, register your warranty, book a service call or order a spare part please visit www.powerpointappliances.ie
SAFETY
WARNING!
It is hazardous for anyone other than authorized service personnel to carry out servicing or repairs which involve the removal of covers. To avoid the risk of an electric shock do not attempt to repair this appliance yourself.
WARNING!
Risk of fire/flammable materials.
Safety Tips
Do not use electrical appliances such as a hair dryer or heater to defrost your Fridge/Freezer.
Containers with flammable gases or liquids can leak at low temperatures.
Do not store any containers with flammable materials, such as spray cans, fire extinguisher refill cartridges, etc. in the Fridge/Freezer.
Do not place carbonated or fizzy drinks in the Freezer compartment. Ice lollies can cause “Frost/Freeze burns”. If consumed straight from the Fridge/Freezer.
Do not remove items from the Fridge/Freezer compartment if your hands are damp/wet, as this could cause skin abrasions or “Frost/Freezer burns”. Bottles and cans must not be placed in the Freezer compartment as they can burst when the contents freeze.
The manufacturer’s recommended storage times should be adhered to. Refer to relevant instructions.
Do not allow children to tamper with the controls or play with the Fridge/Freezer. The Fridge/Freezer is heavy. Care should be taken when moving it. It is dangerous to alter the specification or attempt to modify this product in any way.
Do not store inflammable gases or liquids inside your Fridge/Freezer.
If the power cable is damaged, it must be replaced by the manufacturer, its service agent or similarly qualified persons in order to avoid a hazard.
This appliance can be used by children aged from 8 years and above and persons with reduced physical, sensory or mental capabilities or lack of experience and knowledge if they have been given supervision or instruction concerning use of the appliance in a safe way and understand the hazards involved. Children shall not play with the appliance. Cleaning and user maintenance shall not be made by children without supervision.
This refrigerating appliance is not intended to be used as a built-in appliance.
This appliance is intended to be used in household and similar applications such as
- staff kitchen areas in shops, offices and other working environments;
- farmhouses and by clients in hotels, motels and other residential type environments;
- bed and breakfast type environments;
- catering and similar non-retail applications.
Keep ventilation openings, in the appliance enclosure or in the built-in structure, clear of obstruction.
Do not use mechanical devices or other means to accelerate the defrosting process, other than those recommended by the manufacturer.
Do not damage the refrigerant circuit.
Do not use electrical appliances inside the food storage compartments of the appliance, unless they are of the type recommended by the manufacturer.
Do not store explosive substances such as aerosol cans with a flammable propellant in this appliance.
This appliance is not intended for use by persons (including children) with reduced physical, sensory or mental capabilities, or lack of experience and knowledge unless they have been given supervision or instruction concerning the use of the appliance by a person responsible for their safety. Children should be supervised to ensure that they do not play with the appliance.
- WARNING: Keep ventilation openings, in the appliance enclosure or in the built-in structure, clear of obstruction.
- WARNING: Do not use mechanical devices or other means to accelerate the defrosting process, other than those recommended by the manufacturer.
- WARNING: Do not damage the refrigerant circuit.
- WARNING: Do not use electrical appliances inside the food storage compartments of the appliance, unless they are of the type recommended by the manufacturer.
- WARNING: Refrigerating appliances – in particular, a refrigerator-freezer Type I – might not operate consistently (possibility of defrosting of contents or temperature becoming too warm in the frozen food compartment) when sited for an extended period of time below the cold end of the range of temperatures for which the refrigerating appliance is designed;
- WARNING: The necessity that, for doors or lids fitted with locks and keys, the keys be kept out of the reach of children and not in the vicinity of the refrigerating appliance, in order to prevent children from being locked inside.
- WARNING: The refrigerant used in your appliance and insulation materials requires special disposal procedures.
- WARNING: When positioning the appliance, ensure the supply cord is not trapped or damaged.
- WARNING: Do not locate multiple portable socket outlets or portable power supplies at the rear of the appliance
Children aged from 3 to 8 years are allowed to load and unload refrigerating appliances.
To avoid contamination of food, please respect the following instructions:
- Opening the door for long periods can cause a significant increase in the temperature in the Compartments of the appliance.
- Clean regularly surfaces that can come in contact with food and accessible drainage systems.
- Clean water tanks if they have not been used for 48 h; flush the water system connected to a water supply if water has not been drawn for 5 days.
- Store raw meat and fish in suitable containers in the refrigerator, so that it is not in contact with or Drip onto other food.
- Two-star frozen-food compartments are suitable for storing pre-frozen food, storing or making ice-Cream and making ice cubes.
- One-, two- and three-star compartments are not suitable for the freezing of fresh food.
- If the refrigerating appliance is left empty for long periods, switch it off, defrost, clean, dry, and leave the door open to prevent mold from developing within the appliance.
Electrical Connection
WARNING ![]()
This appliance should be properly grounded for your safety. The power cord of this appliance is equipped with a three-prong plug which mates with the standard three-prong wall outlets to minimize the possibility of electrical shock.
Do not, under any circumstances, cut or remove the third ground prong from the power cord supplied.
This refrigerator appliance requires a standard 220-240VAC 50Hz electrical outlet with three-prong ground.
This refrigerator appliance is not designed to be used with an inverter.
The cord should be secured behind the appliance and not left exposed or dangling to prevent accidental injury.
Never unplug the refrigerator by pulling the power cord. Always grip the plug firmly and pull straight out from the receptacle.
Do not use an extension cord with this appliance. If the power cord is too short, have a qualified electrician or service technician install an outlet near the appliance. Use of an extension cord can negatively affect the performance of the unit.
Improper use of the grounded plug can result in the risk of electrical shock. If the power cord is damaged, have it replaced by an authorized service center.
Climate Range
The information about the climate range of the appliance is provided on the rating plate. It indicates at which ambient temperature (that is, room temperature, in which the appliance is working) the operation of the appliance is optimal (proper).
| Climate range | Permissible ambient temperature |
| SN | from +10°C to +32°C |
| N | from +16°C to +32°C |
| ST | from +16°C to +38°C |
| T | from +16°C to +43°C |
Note: Given the limit values of the ambient temperature range for the climate classes for which the refrigerating appliance is designed and the fact that the internal temperatures could be affected by such factors as the location of the refrigerating appliance, ambient temperature and the frequency of door opening, the setting of any temperature control device might have to be varied to allow for these factors, if appropriate.
Note: When operating in an environment other than the specified climate type (i.e., beyond the rated ambient temperature range), the appliance may not be able to maintain the desirable compartment temperatures.
Locks
If your Refrigerator is fitted with a lock, keep the key out of reach and not in the vicinity of the appliance to prevent children being entrapped. When disposing of an old Refrigerator, break off any old locks or latches as a safeguard.
Freon-free
The freon-free refrigerant (R600a) and the foaming insulation material (cyclopentane) that is environmentally friendly are used for the refrigerator, causing no damage to the ozone layer and having a very small impact on the global warming.
R600a is flammable, and sealed in a refrigeration system, without leakage during normal use. But, in case of refrigerant leakage due to the refrigerant circuit being damaged, be sure to keep the appliance away from open flames and open the windows for ventilation as quickly as possible.
Product Features

| No | Description |
| 1 | Shelf |
| 2 | Thermostat Knob |
| 3 | Water pan |
| 4 | Adjustable Feet |
Due to technological innovations, the product descriptions in this manual may not be completely consistent with your refrigerator. Detailed information is in accordance with the final product.
Preparations for use
Installation location:
- Ventilation condition
The position you select for the refrigerator installation should be well-ventilated and has less hot air. Do not locate the refrigerator near a heat source such as a cooker, and avoid it from direct sunlight, thus guaranteeing the refrigeration effect while saving energy consumption. Do not locate the refrigerator in a damp place, so as to prevent the refrigerator from rusting and leaking electricity. The result of the total space of the room in which the refrigerator is installed being divided by the refrigerant charge amount of the refrigerator shall not be less than 1m³(space)/8g (refrigerant).
Note: The amount of refrigerant charged for the refrigerator can be found on the nameplate. - Heat dissipation space
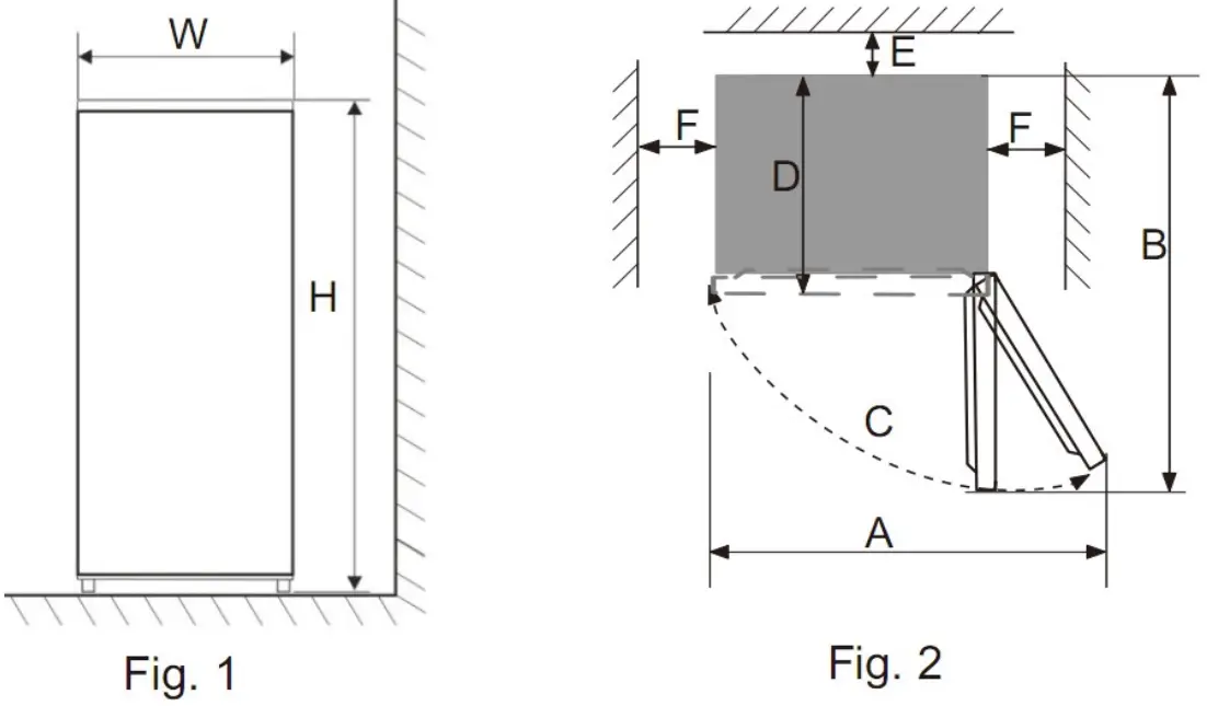
When working, the refrigerator gives off heat to the surroundings. Therefore, at least 30mm of free space should be spared at the top side, more than 100mm on both sides, and above 50mm at the back side of the refrigerator.
Dimensions in mm:
| W | D | H | A | B | C(°) | E | F |
| 474 | 447 | 496 | 800 | 875 | 130±5 | 50 | 100 |
Note: Figure 1, and Figure 2 only illustrate the space demand of the product.
- Level ground
Place the refrigerator on solid and flat ground (floor) to keep it stable, or else, it will give rise to vibration and noise.
When the refrigerator is placed on such flooring materials as carpet, straw mat, and polyvinyl chloride, the solid backing plates should be applied underneath the refrigerator, so as to prevent color change due to heat dissipation.
Unobstructed ventilation shall be maintained around the appliance or in an embedded structure.
Preparations for use
- Standing time
After the refrigerator is properly installed and well-cleaned, do not switch it on immediately. Make sure to energize the refrigerator after more than 1 hour’s standing, so as to ensure its normal operation. - Cleaning
Confirm the accessory parts inside the refrigerator and wipe the inside with a soft cloth. - Power-on
Insert the plug into the solid socket to start the compressor. After 1 hour, open the refrigerator door, if the temperature inside the refrigerator compartment drops obviously, it indicates the refrigeration system is working normally. - Storage of food
After the refrigerator runs for a period of time, the internal temperature of the refrigerator will be automatically controlled according to the user’s temperature setting. After the refrigerator is fully cooled, put in foods, which usually need 2~3 hours to be fully cooled. In summer, when the temperature is high, it takes more than 4 hours for the foods to be fully cooled (Try to open the refrigerator door as less as possible before the internal temperature cools down).
If the refrigerator is installed in the moisture place, make sure to check whether the ground wire and leakage circuit breaker are normal. If vibration noises are produced due to the refrigerator contacting the wall or if the wall gets blackened by air convection around the compressor, move the refrigerator away from the wall. Setting up the refrigerator may cause jamming noise or image chaos to the mobile phone, fixed-line telephone, radio receiver, television surrounding it, so try to keep the refrigerator as far away as possible in such case.
Functions
Temperature selection

Temperature control
The temperature of the appliance can be adjusted by turning the thermostat knob.
- Freezer temperature range:
MIN about -15℃
MAX about – 24 ℃ - Refrigerator temperature range: about 0~10℃. The thermostat can be set between 1 -5° The temperature decreases as the set number goes up.
The internal temperature of the appliance can vary based on ambient temperature, the number of items stored, and how frequently the door is opened.
Instructions for food storage
Precautions for use
- The appliance might not operate consistently (there is the possibility of defrosting or temperature becoming too warm in the frozen food compartment) when sited for an extended period of time below the cold limit of the temperature the range for which the refrigerating appliance is designed
- The information on the climate type of the appliance is provided on the rating plate.
- The internal temperature could be affected by such factors as the location of refrigerating appliances, ambient temperature, frequency of door opening, etc., and if appropriate, a warning that the setting of any temperature controls the device might have to be varied to allow for these factors should be made.
- Effervescent drinks should not be stored in the freezer compartment or the low-temperature compartment, and some products such as water and ice should not be consumed too cold.
Food storage locations
Do not put too many or too-weight foods inside the refrigerator. Keep enough space between foods; if too close, the cold airflow will be blocked, thus affecting the refrigeration effect. Do not store excessive or overweight foods, to avoid the shelf from being crushed. When storing the foods, keep a distance away from the inner wall; and do not place the water-rich foods too close to the refrigerator’s rear wall, lest they get frozen on the inner wall.
Freezer mode:
Long-term storage of foods: The freezer compartment, where the temperature is generally controlled below -18℃, is suitable for the preservation of foods for the long term, but the shelf life indicated on the food packages should be abided by.
★ Allow the hot foods to cool down to room temperature before putting them in the freezer compartment.
★ do not put a glass container with liquid or the canned liquid that is sealed in the freezer compartment, so as to avoid burst due to volume expansion after the liquid gets frozen up.
★ Divide the food into appropriately small portions
★ You should better pack the food up before freezing it, and the packing bag used should be dry, in case the packing bags are frozen together. Foods should be packed or covered by such suitable materials as are firm, tasteless, impervious to air and water, non-toxic, and pollution-free, to avoid cross-contamination and transfer of odor.
Tips for shopping the frozen foods
- When you are buying frozen food, look at the Storage Guidelines on the packaging. You will be able to store each item of frozen food for the period shown against the star rating. This is usually the period stated as “Best to use them before×”, found on the front of the packaging.
- Check the temperature of the frozen food cabinet in the shop where you buy frozen foods.
- Make sure the frozen food package is in perfect condition.
- Always buy frozen products last on your shopping trip or visit the supermarket.
- Try to keep frozen food together whilst shopping and on the journey home, as this will help to keep the food cooler.
- Don’t buy frozen food unless you can freeze it straight away. Special insulated bags can be bought from most supermarkets and hardware shops. These keep the frozen foods cold longer.
- For some foods, thawing before cooking is unnecessary. Vegetables and pasta can be added directly to boiling water or steam cooked. Frozen sauces and soups can be put into a saucepan and heated gently until thawed.
- Use quality food and handle it as little as possible. When foods are frozen in small quantities, it will take less than for them to freeze up and thaw.
- Estimate the number of foods to be frozen up. When freezing large amounts of fresh food, adjust the temperature control knob to the low mode, with the freezer temperature lower. So, foods can be frozen up in a fast manner, with the food freshness well kept.
How to use the ice-making box
Place the ice-making box in the upper position of the freezer compartment, so that it ices up as soon as possible.
Tips for special needs
Moving the refrigerator/freezer
- Location
Do not place your refrigerator/freezer near a heat source, e.g. cooker, boiler, or radiator. Avoid direct sunlight in out-buildings or sun lounges. - Leveling
Make sure to level your refrigerator/freezer using the front leveling feet. If not level, the refrigerator/freezer door gasket sealing performance will be affected, or even it may lead to the operating failure of your refrigerator/freezer.
After locating the refrigerator/freezer in position, wait for 4 hours before using it, so as to allow the refrigerant to settle. - Installation
Do not cover or block the vents or grilles of your appliance.
When you are out for a long time - If the appliance will not be used for several months, turn it off first, and then unplug the plug from the wall outlet.
- Take out all food.
- Clean and dry the interior thoroughly. To prevent odor and mold growth, leave the door ajar: block it open or have the door removed if necessary.
- Keep the cleaned appliance in a dry, ventilated place and away from the heat source, place the appliance smoothly, and do not place heavy objects on top of it.
- The unit should not be accessible to child’s play.
Note:
When using the fridge mode, you need to pour away the defrosting water in the drip tray inside the cabinet timely after a period of use, in order to prevent the defrosting water from overflowing onto the floor.
Maintenance and cleaning
Before cleaning, unplug the power plug first; Do not plug in or plug out the plug with a wet hand, because there is a risk of electric shock and injury. Do not spill water directly on the refrigerator, to avoid rust, electricity leakage, and accidents. Do not stretch your hands into the bottom of the refrigerator, since you might be scratched by sharp metal corners.
Internal cleaning and external cleaning
The food residuals in the refrigerator are liable to produce bad odors, so the refrigerator must be cleaned regularly. The fresh food compartment is usually cleaned once a month.
Remove all shelves, crisper boxes, bottle racks, cover boards, drawers, etc., and clean them with a soft towel or sponge dipped in warm water or neutral detergent.
Clear off the dust accumulated on the rear panel and side plates of the refrigerator often.
After using detergent, be sure to rinse it with clean water, and then wipe it dry.
Do not use a bristle brush, steel wire brush, detergent, soap powder, alkaline detergent, benzene, gasoline, acid, hot water, and other corrosive or soluble items to cleanse the cabinet surface, door gasket, plastic decorative parts, etc., so as to avoid damage.
Carefully wipe dry the door gasket, and clean the groove using a wooden chopstick wrapped with cotton string. After the cleaning, fix the four corners of the door gasket first and then embed it segment by segment into the door groove.
Interruption of power supply or failure of the refrigerating system
- Take care of the frozen foods in the event of an extended non-running of the refrigerating appliance (such as interruption of power supply or failure of the refrigerating system).
- Try to open the refrigerator door as less as possible, in this way can food safely and freshly kept for hours even in hot summer.
- If you get the power outage notice in advance:
- Adjust the thermostat knob to the high mode an hour in advance, so that foods get fully frozen (Do not store new food during this time!). Restore the temperature mode to the original setting when the power supply becomes normal in a timely manner.
- You can also make ice with a watertight container, and put it in the upper part of the freezer, so as to extend the time for fresh food to be stored.
Note: Once the refrigerator is used, you’d better use it continuously; and under normal circumstances, do not stop its use, so as not to affect the service life.
Defrosting
After a period of use, a thin layer of frost will be formed on the freezer compartment’s inner wall (or evaporator) surface, which may affect the refrigeration effect if exceeding 5mm in thickness. In such cases, you need to gently scrape the frost off using an ice scraper rather than the metal or sharp hardware. Frosts need to be cleared off every 3 months or so, and if the normal use of drawers and normal access to foods are affected by frosting, make sure to remove the frosts in a timely manner. Follow the following steps to remove frosts:
- Take out the frozen foods, shut off the mains power supply, open the refrigerator door, and gently remove the frosts from the inner wall with an ice scraper. To speed up the thawing process, you are suggested to place a bowl of hot water inside the refrigerator/freezer, and when the solid ice frosts become loose, use an ice scraper to scrape them off and then take them out.
- After defrosting, clean the refrigerator/freezer inside, and switch on the power supply.
Safety-check after maintenance
- Is the power cord broken or damaged?
- Is the power plug firmly inserted into the socket?
- Is the power plug abnormally overheated?
Note: Electric shock and fire accidents may be caused in case the power cord and plug are damaged or stained by dust. If any abnormality, please unplug the power plug and get in contact with the vendor.
How to disassemble the parts.
Shelf:
Hold one end of the shelf, and lift it up while pulling it outward.
Flip cover:
Keep the flip cover in the vertical direction, align it with the rotating shaft opening on the right side, and pull it outward to remove it;
During the use of the refrigerator, do not close the door when the flip cover is opened, to avoid damaging the refrigerator door!
Simple fault analysis and elimination
With regard to the following small faults, not every failure needs to be fixed by the technical service personnel; you can try to solve the problem.
| Cases | Inspections | Solutions |
| Completely non-refrigeration | • Is the power plug off? • Are breakers and fuses broken? • Where is the refrigerator installed? Is it placed in balconies, garages, storage rooms, and other places where the ambient temperature is below10℃? | • Opening the door and checking whether the lamp is lit. • Power outage or line tripping? • Install refrigerator in a location that is protected and the ambient temperature is above 10 ℃。 |
| Abnormal noise | • Is the refrigerator stable? • Does the refrigerator contract the wall? | • Adjusting refrigerator’s leveling feet; • Off the wall; |
| Poor refrigeration efficiency | • Do you open the door frequently or clip the food bag to the door gasket? • Direct sunlight or near a furnace or stove? • Is it well-ventilated? • Is the temperature set too high? | • Putting food into the refrigerator when hot becomes cool. • Checking and closing the door. • Removing the refrigerator from the heat source. • Emptying the distance to maintain good ventilation. • Setting to the appropriate temperature. |
| Water accumulated in the fresh food compartment | • Is the drain hole of the drainage channel in the fresh food compartment blocked? | • Smoothing the drain hole. |
| The peculiar smell inside the refrigerator | • Any spoiled food? • Do you need to clean the refrigerator? • Have you packed food with strong flavors? | • Throwing away spoiled food. • Cleaning the refrigerator. • Packing food of strong flavors. |
Note: If the above descriptions are inapplicable to troubleshooting, do not disassemble and repair it yourself. Repairs carried out by inexperienced persons may cause injury or serious malfunction. Contact the local store where your purchase was made. This product should be serviced by an authorized engineer and only genuine spare parts should be used.
When the appliance is not in use for long periods, disconnect it from the electricity supply, empty all food, and clean the appliance, leaving the door ajar to prevent unpleasant smells.
Certifications
Electrical information
This electrical appliance must be grounded.
This product is equipped with a plug, which is suitable for all houses equipped with sockets meeting the current specifications
If the fitted plug is not suitable for your socket outlets, it should be cut off and carefully disposed of. To avoid a possible shock hazard, do not insert the discarded plug into a socket.
This product complies with the EEC directives.
Safe recovery instructions
Disposal
Old appliances still have some surplus value. An environmentally friendly approach will ensure that valuable raw materials are recycled.
The refrigerants used in your equipment and insulation materials require special handling procedures. Make sure there is no pipe damage on the back of the equipment before handling.
Up-to-date information on the options for disposing of old equipment and packaging from old equipment can be obtained from the local municipal office.
| Correct Disposal of this product | |
![]() | This marking indicates that this product should not be disposed of with other household wastes throughout the EU. To prevent possible harm to the environment or human health from uncontrolled waste disposal, recycle it responsibly to promote the sustainable reuse of material resources. To return your used device, please use the return and collection systems or contact the retailer where the product was purchased. They can take this product for environmentally safe recycling. |
Warnings for disposal
- Refrigerant and cyclopentane foaming materials used for the refrigerator are flammable. Therefore, when the refrigerator is scrapped, it shall be kept away from any fire source and be recovered by a special recovering company with a corresponding qualification other than being disposed of by combustion, so as to prevent damage to the environment or any other harm.
- When the refrigerator is scrapped, disassemble the doors, and remove the gasket of the door and shelves; put the doors and shelves in a proper place, so as to prevent the trapping of any child.
OPERATING INSTRUCTIONS
DOOR REVERSAL INSTRUCTIONS
If the appliance is placed on its back or side for any length of time during this process, it must be allowed to remain upright for 6 hours before plugging it in to avoid damage to the internal components.
| 1. Remove the plastic hole cover located on the top left side of the refrigerator as shown in Fig. 1. | ![]() |
| 2. Remove the upper hinge cover and the upper hinge on the right side of the refrigerator, as shown in Fig.2. | |
| 3. Remove the door from the lower hinge pin by pulling it gently upwards. Remove the lower hinge bracket on the night side of the unit and remove the leveling foot on the left side. Reverse their positions as shown in Fig. 3. | |
| 4. Install the lower hinge on the left side of the refrigerator. Install the adjustable foot on the night side of the refrigerator as shown in Fig. 4. | |
| 5. Move the door bushing to the left and the plastic hole cover to the night as shown in Fig. 5. | |
| 6. Remove the door stop from the lower right side of the refrigerator door. Install the door stop on the lower left side of the refrigerator door as shown in Fig. 6. | |
| 7. Install the upper hinge and hinge cover on the left side of the unit. Place the plastic hole covers in the holes on the right side of the top of the refrigerator to cover the screw holes as shown in Fig.7. |
Note: When installing the door, ensure that the top of the door is level with the top of the cabinet, If the door is not level, the rubber gasket will not make a good seal with the cabinet which can cause the appliance to malfunction





















