aigostar 300008HGZ Electric Pressure Cooker

Thank you for purchasing the AIGOSTAR Electric Pressure Cooker. Please read this user manual carefully before use and keep it in a convenient place for future reference. The images used in the text are only for reference purposes. Please refer to the actual product.
IMPORTANT SAFEGUARDS
- Read all the instructions.
- Do not operate any appliance that has a damaged cord or plug or after it has malfunctioned or has been damaged in any manner. Return the appliance to the nearest authorized service facility for examination, repair or adjustment.
- . This cooker is intended for household use only. Do not use outdoors.
- This cooker must not be used by children. Keep both it and its cord out of reach of children.
- This cooker can be used by persons with reduced physical, sensory or mental capabilities or who lack experience and knowledge if they have been given supervision or instruction concerning its safe use and they understand the hazards involved.
- Children must not play with this appliance.
- Do not immerse any part of the cooker in water or any other liquid.
- Switch off and unplug the cooker before cleaning and maintenance and before moving it.
- This cooker is intended for use in households and similar applications such as:
- Staff kitchen areas in shops, offices, and other working environments
- Farmhouses
- By clients in hotels, motels, and other residential-type environments
- Bed and breakfast-type environments
- The exhaust valve that allows the steam to escape must be checked regularly to ensure that it is not blocked.
- The lid must not be opened until the pressure has decreased sufficiently.
- This cooker must be in a secure and stable position with the handles positioned to prevent the spillage of hot liquid.
- Warning: Do not spill liquid onto the power cord.
- The surface of the heating element is subject to residual heat after use. Do not touch.
- The cooker cannot increase the pressure when the lid is not properly closed. Also, the lid cannot be opened when the inner pressure is too high.
- Do not allow children near the cooker when it is in use.
- Do not place the cooker in a heated oven.
- When the cooker is under pressure, only move it with the greatest care. Do not touch any of its hot surfaces. Only touch the handles and lifting grips. If necessary, use protection, such as heat-resistant kitchen gloves
- Do not use the pressure cooker for a purpose other than that for which it is intended.
- This pressure cooker is not intended to be operated through an external timer or a separate remote-control system.
- This appliance cooks under pressure. Scaldsmay results from inappropriate use of the cooker. Make sure that it is properly closed before applying heat.
- Never force the pressure cooker to open. Do not open it before making sure that its internal pressure has dropped completely.
- Never use this pressure cooker without adding water or food as this would seriously damage it.
- .Before each use, check that the valves are not obstructed.
- Never use the pressure cooker in its pressurized mode for deep or shallow frying food.
- Do not tamper with any of the safety systems beyond the maintenance instructions specified in this user manual.
- 0nly use spare parts supplied by the manufacturer according to the relevant model. In particular, it is important to only use a body and a lid that are from the same manufacturer and are indicated as being compatible.
- improper installation can cause a hazard. Ensure that all the parts are correctly installed before operating the cooker.
- Any repairs must be performed by an authorized service representative.
- KEEP ALL THESE INSTRUCTIONS.
SAFETY PRECAUTIONS
To precautions. ensure safe Failure use and to observe avoid these personal safety injury precautions and property and any loss, i be proper sure to use of observing this the pressure following cooker safety cause accidents.
- Use of a product that is not an appliance intended by for unattended the following children or cases: people with disabilities that limit their ability to operate it.
- Children playing with the appliance.
- Meanings of the marks used in this user manual:

FORBIDDEN
As the exhaust valve vents steam automatically, never touch it while cooking.
- During the cooking process, keep your hands and face away from the exhaust valve to avoid scalding.

- During cooking, do not cover the exhaust valve with a cloth or other items.
- Do not allow children to operate this appliance
- Place it beyond the reach of infants and young children to avoid electric shock, burns, and other dangerous accidents.
- Do not immerse the cooker or sprinkle it with water or any other liquids
- Doing so could cause electric shock and a short circuit.
- Only use a dedicated Aigostar power cord
- If the power cord is damaged, to avoid danger, it must be replaced by the manufacturer, its service department. department or a similar
- Plug the cooker in firmly If the plug end is not inserted completely, it may cause an electric shock, a short circuit, and even a fire.

- Always clean the plug inserts If there is dust or moisture on the plug, wipe it off to prevent the risk of a fire.
- Do not cook the following food in this cooker: Never cook seaweed, laver, oatmeal or other foods prone to clogging to prevent an accident or damage to the pressure cooker.
- Do not use another lid for heating Do not use any other lid for heating. During the cooking process, the use of a poor non-original performed romance may lead to safety hazards.

- Do not exceed the Max line The total amount of food and water must not exceed the Max line on the inner pot.
- While cooking, the maximum amount of rice and water must not exceed the Max line on the inner pot.
- Do not use a pot other than the dedicated inner pot Should object on there be Before using this product, persons with pacemakers, hearing aids or cochlear implants should consult an authorized medical practitioner and refer to the instructions from their medical equipment providers.
- Warning regarding opening If it is difficult to open the lid, do not force it open as this may cause burns or other injuries.

- After the cooking has finished and the pressure has been fully released, the lid can be opened.
- When discharging, keep your face and hands away from the exhaust valve and the lid to avoid scalding.
- Unplug the appliance from the mains electricity before removing the food.

- Never touch the lid during the cooking procedure or while heating.
- Never block the periphery of the clamping position of the lid to ensure safety.
- Never attempt to open the cooker when the float valve is dropping or there is pressure inside.
- When opening the cover, be careful of the flow of hot water from the pressure discharge valve.
- The silicone ring is not intended as a safety device.
- Improper installation can cause a hazard. Take care to conduct the right installation.
CAUTION
- Cleaning the cooker after cooling Cleaning the cooker must only be done after cooling. Any contact with the hot parts of the cooker can cause burns.
- Unplug the cooker when not in use
- Leaving the cooker plugged in while not in use may lead to leakage, fire, or a failure to operate.
PRODUCT OVERVIEW
TIPS:
- Confirm that the float valve, block-proof cover, and sealing ring are correctly installed before each use.
- Each time before placing the inner pot into the cooker, remove any dirt and water from the external side of the inner pot and the internal side of the cooker.
- Move the product using the lifting grips on the cooker’s body.
- Wipe any water from the lid with a cloth.
Specifications

Note:
- Exhaust valve: Pull the exhaust valve out from the lid. Clean the internal side of the exhaust valve, the exhaust valve, and float valve in the lid with a brush and cloth at least once a month.
- Top cover: Remove oil and dirt from the top cover with detergent and a brush. Any remaining oil and dirt may make the cover appear yellowish. After washing, it may recover its original stainless-steel color. It is suggested to clean the top cover once every 2 months.
CONTROL PANEL DESCRIPTION
The “Keep Warm/Cancel” button
In standby mode, press this button to enter keep warm mode (70° C ). In non-standby mode, you can press this button to cancel any operation that the electric pressure cooker is performing.
Tips
- When the cooker is idle after being switched on, the display shows the standby mode.
- During operation, press the “Keep Warm/Cancel” button to automatically turn it into standby mode (standby display).

The “Texture” button
The cooker has a variety of programs to cook food, such as stews, meat, standard foods, rice, pasta, vegetables, and steamed foods. Press this button to select “Light” , “Standard” or “Strong” according to your tastes.
DIV button
Use this button to select the DIV function. Press “+” and ” -• to select the required cooking time.
The ‘Temperature” button
Press this button to select your desired temperature in the DIV mode.
“Menu” dial
Turn the menu dial to choose programs. The program you chose will be illuminated in blue.
“Preset””+”‘ and “.” button
To preset, after selecting the program, press the “Preset” button. (Some programs cannot be preset including Fry, Yogurt, Dessert and Cake.) To adjust the preset time, press the “Preset” button, then press the “+”/”-” button to set the hours. Press the “Preset” button again, then press the “+”/”-” button to set the minutes.
OPERATING GUIDELINES
Open the lid correctly
- First, turn the rotating handle to the open position; the lid will open automatically. (If the lid is opened in the hot state, the time taken to open may be longer due to the difference between the cooker’s sinner and outer pressures.)
- Check the exhaust valve and block-proof cover Check whether the exhaust valve and block-proof cover are clean; if they are dirty, they should be 5. Switch on cleaned immediately.

- Place food in the inner pot Remove the inner pot and place the food and water inside. The total amount of food and water must not exceed the Max line. Wipe clean the outer surface of the inner pot, the heating plate surface, and the outer pot surface. Then, place the inner pot in the cooker.

- Close the lid correctly To close the lid, turn the rotating handle to the closed position. Ensure that it is securely locked in place; otherwise, the cooker will not work.

- Switch on Plug in the power cord and switch on the cooker. There will be musical chimes and the display will indicate that the electric pressure cooker has entered standby mode.
- Check the exhaust valve When the cooker is working, not pressing the exhaust button will keep the pressure cooker in the sealed state. To manually exhaust the cooker, press the exhaust button and the cooker will vent steam. When venting steam, keep hands and face far away from the exhaust opening. Make sure that the float valve has dropped before opening the cooker. (The float valve is also down before heating.)

COOKING PROGRAMS – DESCRIPTION AND OPERATION 

COOKING GUIDE OPERATION
After the cooker is plugged in, the default mode is standby; the digital screen shows
- Normal cooking: In standby mode, turn the menu dial to select your desired program. If no further button is pressed after 10 seconds, the cooker will automatically start working with that program. The digital screen will display the corresponding default cooking time (see the cooking program description for reference}, starting the countdown once the pressure rises in the cooker.
- Adjust the cooking time within the cooking time range by pressing the “+” / “-” button. Set the “hours” first, wait about 3 seconds, then set the “minutes” .
- Texture: Some pf the cooker’ s programs have a range of taste selections (see the cooking program description for reference). After choosing your desired program, press the texture button to select “Light” , “Standard” or “Strong” according to your tastes.
- Preset (Some programs cannot be preset – see the cooking guide for reference): In standby mode, turn the menu dial to select your desired program. Then choose the “Preset” button; the “Timer” indicator will light up and the digital screen will flash the time. Adjust the preset time by pressing the “+” /”-” button, pressing once to adjust every 1 hour. Press the “Preset” button again, then press the “+” / “-” button to set the minutes. 10 seconds after setting, the cooker will automatically start the preset cooking. The digital screen will display the finishing time and start a countdown.
- Exit work mode: Press the “Keep Warm/Cancel” button to exit the current work mode.
- In standby mode, press the “DIV” button. The “Cooking Time” indicators will light up and the digital screen will display “0:01” . Press the “+”/”-” button to set the cooking time. Set the “hours” first, wait about 3 seconds, then set the “minutes” .
- Temperature: Press the “Temperature” button under the DIV function; the “Temperature” indicators will light up and the digital screen will flash “160° C” . Then, press the “+”/”-” to adjust the temperature from 30° C -170° C (5° C per step).
- Exit work mode: Press the “Keep Warm/Cancel” button to exit the current work mode.
TROUBLESHOOTING
The following situations are not due to a fault with the cooker. Please check carefully and try these solutions before sending the cooker for repair.
If the fault is not rectified after conducting the above checks, please contact a professional service centre for repair.
CLEANING AND MAINTENANCE
- Clean the cooker after each use.
- Before cleaning the cooker, unplug the power cord and wait until it has cooled down completely.
- Open the lid correctly and remove the inner pot. First clean with detergent, then rinse well with water. Wipe dry with a soft cloth.
- Remove the removable cover plate and rinse with water. After cleaning, replace the removable cover plate; otherwise, the cooker will not be able to function as normal.
- Remove the exhaust valve and the float valve, rinse with water, and put them into their original positions.
- Check whether the float valve and the exhaust valve are blocked. Clean the heating plate with a cloth.
- Wipe the lid and the cooker body with a cloth. Do not soak the cooker body in water or spray it with water or any other liquid.
- After cleaning and maintenance, make sure that the removable cover plate, exhaust valve, float valve and other components are correctly installed.
STORAGE
- Regularly clean the cooker and remove any oil or dirt.
- Store the electric pressure cooker at least 30 cm away from other kitchen appliances.
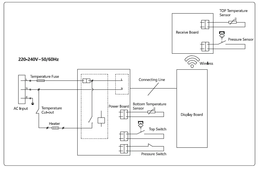
ELECTRICAL SCHEMATIC DIAGRAM
SPECIAL DECLARATION
Addition: Any technical improvements shall be placed in the revised manual without notice; for any changes in appearance and color, those of the actual product shall prevail.This mark indicates that this product may not be disposed of together with other household wastes in the EU. To prevent possible harm to the environment or human health from uncontrolled waste disposal, recycle it responsibly to promote the sustainable reuse of material resources. To return your used device, please use return and collection systems or contact the retailer from whom the product was purchased. They can take this product for environmentally safe recycling.




































