KAISAI KSM Device

Usage and description
KSM device allows communication between MODBUS and C14 protocols, enabling monitoring and of heat pumps through KSM remote access platform.
Device installation
The installation has to be carried out by a qualified person according to local laws and regulations. All installation works can be done only with the power switched off. Before installation ensure that cables are not connected to voltage. It is required to take off a protective cover that is held in place by a screw to connect cables to the device.
Connecting to the internet and connecting to mains power
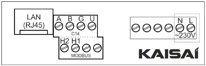
The device must be powered from a 230V/50Hz electric grid. It should be protected by a residual-current circuit breaker and overcurrent protection. Cables should be laid in a way to prevent contact with surfaces exceeding their nominal work temperature. The ends of cables should be terminated with terminals. The device has connectors prepared for cables with cross-sections up to 1,5mm². Connectors are shown in the image below.
To enable communication with the Internet it is required to connect the device to the Internet with an Ethernet cable (RJ45). Connecting with the Internet does not require additional configuration. The remote access platform requires any device with a modern browser (supporting WebSockets): PC, laptop, tablet, smartphone or TV
Correct operation of the device is shown by status LEDs on the front cover:
- PWR (red) – the device is powered
- DHCP (green) – the device is connected to the local network
- SERVER (green) – the device is transmitting data to or from the server
- C14 (yellow) – the device is transmitting data in the C14 protocol
- MB (yellow) and STATUS (green) – the device is communicating in MODBUS protocol

Connecting R32 heat pump (KHA/KHC) to KSM
The connection between ports H1 and H2 (H1 connected to H1 and H2 connected to H2) on both the module and heat pump’s control panel are required for correct communication between devices. Connections should be made with cables with cross-sections between 0.15 and 0.5 mm². The cables’ ends should be terminated with terminals or covered with solder. To avoid mistakes cables should have different colors than power cables.
Connection schematic is shown below
- Configuration switches set to „OFF”

Connector description
KSM module inputs and outputs are shown below
- N, L – main power 230V input
- H1, H2 – MODBUS protocol connectors
- A, B – C14 protocol connectors
- G, U – +12V output
- LAN – internet connection (RJ45)
Connecting R290 heat pump (KHX) to KSM
Connection between MODBUS ports on both module and heat pump is required for correct communication between devices.
Connections should be to join:
- RS485A+ with H2
- RS485B- with H1
Connections should be made with cables with cross-sections between 0.15 and 0.5 mm². Cable ends should be terminated with terminals or covered with solder. To avoid mistakes cables should have different colors than power cables.
Connection schematic is shown below
- Configuration switches set to „ON”

Connector Description
KSM module inputs and outputs are shown below
- N, L – main power 230V input
- H1, H2 – MODBUS protocol connectors (corresponding to RS485B- and RS485A+)
- A, B – C14 protocol connectors
- G, U – +12V output
- LAN – internet connection (RJ45)

Registering a KSM account, adding gate and device
Visit https://www.sterowanie.kaisai.com website and register a new account
Password should be at least 8 characters long and contain capital letters, numbers, or special characters.

Adding new gate
A new gate screen will be shown right after registering. Input gate code printed on a sticker on the packaging and on the device’s back. WARNING: Gate’s code has to be typed with capital letters only
After adding the gate you can choose the manufacturer and input the name of your installation
CHOOSE MANUFACTURER
Choose a manufacturer from the list. The manufacturer can help you manage your device when you generate a service code
ENTER NAME
Input a name that will be helpful to identify your installation
Checkbox Installation with MASTER should be unchecked Click ADD GATE to save.
Adding new device
CHOOSE TYPE
Choose from the list, according to the type of the connected device (e.g. KSM – R32 or KSM -R290)
NAME
Input an additional name to help identify the device.
ADDRESS
The address of the device in the C14 protocol Heat pump added to KSM has address 1.
Click ADD DEVICE to save.























