Rupert Neve 24828 Portico II Master Buss Processor

Important Safety Instructions
- Read these instructions.
- Keep these instructions.
- Heed all warnings.
- Follow all instructions.
- Do not use this apparatus near water.
- Clean only with a dry cloth.
- Do not block any ventilation openings. Install in accordance with the manufacturer’s instructions.
- Do not install near any heat sources such as radiators, heat registers, stoves, or other apparatus (including amplifiers) that produce heat.
- Do not defeat the safety purpose of the polarized or grounding-type plug. A polarized plug has two blades with one wider than the other. A grounding-type plug has two blades and a third grounding prong. The wide blade or the third prong are provided for your safety. If the provided plug does not fit into your outlet, consult an electrician for replacement of the obsolete outlet.
- Protect the power cord from being walked on or pinched particularly at plugs, convenience receptacles, and the point where they exit from the apparatus.
- Only use attachments/accessories specified by the manufacturer.
- Use only with a cart, stand, tripod, bracket, or table specified by the manufacturer, or sold with the apparatus. When a cart is used, use caution when moving the cart/apparatus combination to avoid injury from tip-over.
- Unplug this apparatus during lightning storms or when unused for long periods of time.
- Refer all servicing to qualified service personnel. Servicing is required when the apparatus has been damaged in any way, such as power-supply cord or plug is damaged, liquid has been spilled or objects have fallen into the apparatus, the apparatus has been exposed to rain or moisture, does not operate normally, or has been dropped.
- This apparatus shall not be exposed to dripping or splashing, and no object filled with liquids, such as vases or beer glasses, shall be placed on the apparatus.
- Do not overload wall outlets and extension cords as this can result in a risk of fire or electric shock.
- This apparatus has been designed with Class-I construction and must be connected to a mains socket outlet with a protective ear thing connection (the third grounding prong).
- This apparatus has been equipped with a rocker-style AC mains power switch. This switch is located on the rear panel and should remain readily accessible to the user.
- The MAINS plug or an appliance coupler is used as the disconnect device, so the disconnect device shall remain readily operable.
- NOTE: This equipment has been tested and found to comply with the limits for a Class B digital device, pursuant to part 15 of the FCC Rules. These limits are designed to provide reasonable protection against harmful interference in a residential installation. This equipment generates, uses, and can radiate radio frequency energy and, if not installed and used in accordance with the instructions, may cause harmful interference to radio communications. However, there is no guarantee that interference will not occur in a particular installation. If this equipment does cause harmful interference to radio or television reception, which can be determined by turning the equipment off and on, the user is encouraged to try to correct the interference by one or more of the following measures:
- Reorient or relocate the receiving antenna.
- Increase the separation between the equipment and the receiver.
- Connect the equipment into an outlet on a circuit different from that to which the receiver is connected.
- Consult the dealer or an experienced radio/TV technician f or help.
CAUTION: Changes or modifications to this device not expressly approved by Rupert Neve Designs LLC, could void the user’s authority to operate the equipment under FCC rules.
- This apparatus does not exceed the Class A/Class B (whichever is applicable) limits for radio noise emissions from digital apparatus as set out in the radio interference regulations of the Canadian Depar tment of Communications.
- Exposure to extremely high noise levels may cause permanent hearing loss. Individuals vary considerably in susceptibility to noise-induced hearing loss, but nearly everyone will lose some hearing if exposed to sufficiently intense noise for a period of time. The U.S. Government’s Occupational Safety and Health Administration (OSHA) has specified the permissible noise level exposures shown in the following chart. According to OSHA, any exposure in excess of these permissible limits could result in some hearing loss. To ensure against potentially dangerous exposure to high sound pressure levels, it is recommended that all persons exposed to equipment capable of producing high sound pressure levels use hearing protectors while the equipment is in operation. Ear plugs or protectors in the ear canals or over the ears must be worn when operating the equipment in order to prevent permanent hearing loss if exposure is in excess of the limits set forth here:
Duration, per day in hours Sound Level dBA, Slow Response
Typical Example 8 90 Duo in small club 6 92 4 95 Subway Train 3 97 2 100 Typical music via head phones 1.5 102 1 105 Siren at 10 m distance 0.5 110 0.25 or less 115 Loudest parts at a rock concert WARNING — To reduce the risk of fire or electric shock, do not expose this apparatus to rain or moisture.
Introduction
Rupert Neve Designs Portico II: Master Buss Processor
Thank you for purchasing the Portico II Master Buss Processor. We hope you enjoy using this tool as much as we have enjoyed designing and building it. The Portico II Master Buss Processor features high-voltage discrete Class-A amplifiers, custom-wound Rupert Neve Designs input and output transformers, a stereo VCA compressor-limiter, and a Stereo Field Editor.
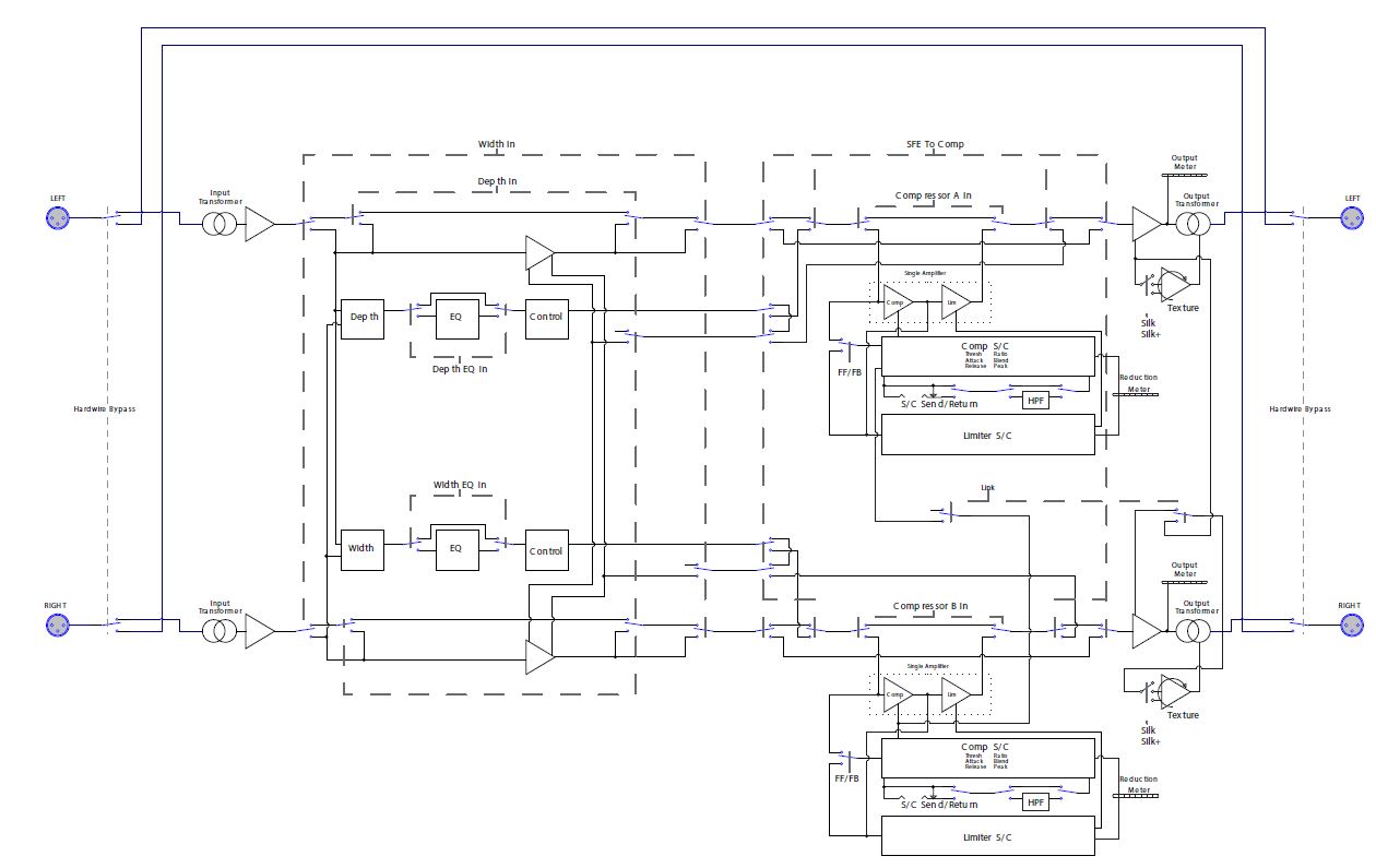
MBP Block Diagram
MBP Front Panel
MBP Rear Panel
MBP Front-Panel Features
Compressor
Threshold
This 31-detent potentiometer adjusts the level at which the compressor begins to attenuate the signal and is fully vari-able within a signal level range of +20dBu to -30 dBu. If the compressor input signal level exceeds the set threshold level, compression will occur.
Ratio
This 31-detent potentiometer adjusts the compressor slope between 1:1 to 40:1. Example: if the ratio control is set to 3:1, and the signal level exceeds the set threshold by 15dB, the compressor will attenuate the signal level by 10 dB from input to output, allowing the output to increase in level by a total of 5 dB.
Blend
This 31-detent potentiometer adjusts the mix ratio of uncompressed (dry) signal with the compressed (wet) signal. When Blend is fully counter-clockwise (CCW), only the uncompressed signal is audible. When Blend is fully clockwise (CW), only the compressed signal is audible. Setting Blend anywhere between 0% and 100% achieves parallel compres-sion.
Comp In
This illuminated push-button switch engages the compressor-limiter section on its respective channel. Engaging or disengaging the “Comp In” button never affects SILK status and will not affect SFE status unless SFE to COMP is engaged.
Bypass All
This illuminated push-button switch toggles the PIIMB’s hard-wire bypass on both channels. When engaged, the PIIMB’s Neutrik XLR input jacks are directly connected to its Neutrik XLR output jacks, eliminating all internal amplifier circuitry from the monitor path, thereby accomplishing a true bypass. This can be used for A-B comparison at any time. In the event that the PIIMB experiences a loss of AC power, the PIIMB will automatically switch to hard-wire bypass mode.
FF/FB
This illuminated push-button switch toggles between two different compression modes: Feed Forward and Feed Back. The distinction between these two types of compression is that the side-chain detector of a feed-forward compressor is fed from the compressor input, before the gain control element, while the side-chain detector of a feed-back compressor is fed from the compressor output, after the gain control element. Vintage compressors were more commonly feedback designs, whereas a lot of modern designs tend to utilize feedforward topologies.
Ultimately, each topology has its own advantages and disadvantages, so we encourage the user to experiment with both modes, then choose the most suitable mode for their particular application. In very general terms, feedback com-pression tends to sound more natural, but can’t achieve some of the dynamic envelope control that is available with feedforward compression.
Note: Due to the nature of the side-chain manipulation between these two compression modes, Feed Back mode reduc-es the overall compression ratio range indicated on the PIIMB’s front panel silkscreen. The silkscreened ratios are only available in Feed Forward (default) operation.
Gain
This 31-detent potentiometer provides two different functions. When used with the compressor, the Gain control acts as standard Make-Up Gain, allowing the user to add gain to the compressed signal to match the bypassed signal level.
When used in the context of the PIIMB limiter, the Gain control allows the user to set the desired “ceiling” of their mix (in dBu) with the “Limit” potentiometer. Once the Limit potentiometer is set to the desired maximum level, the user can increase the Gain until the average mix level hits the desired loudness. The Gain control will drive the level of the mix up to the set Limiter threshold, but will not exceed it.
When evaluating the quality of compression, it is vital to match the compressed signal level to the bypassed signal level. A deviation of less than one decibel can trick the human brain into thinking that something sounds better or worse. Utilize the “Comp In” or “Bypass All” push-button switches to match the uncompressed and compressed signal levels. Once the levels are matched, a valid A-B comparison of the compression settings can be performed accurately.
Attack
This 31-detent potentiometer sets how quickly the compressor will attenuate to the input signal once it exceeds the set threshold. When set to its fastest setting (20 ms), the compressor can attenuate the leading edge of a transient, like the initial strike of a drum stick on a snare drum. By compressing the inital strike, the overall compression result will increase the emphasis of the snare’s decay or resonance. When set to slower attack settings, the compressor will ignore most of the initial transient and attenuate the drum’s decay instead, thereby increasing the emphasis of the drum stick hitting the snare drum.
Release
This 31-detent potentiometer adjusts how fast the compressor will return to unity gain after the signal level crosses below the threshold. Generally, slower release times will minimize compression artifacts, especially when combined with slower attack times. Faster release times can be utilized to maximize apparent loudness. It is important to exercise caution with fast release times, fast attack times, and high ratios, since combinations of these three can cause intermod-ulation distortion, resulting in undesired compression artifacts.
S/C 125 Hz
This illuminated push-button switch engages a 125Hz 12dB/octave Sallen Key High Pass Filter into the compressor-lim-iter side-chain. Removing low frequency information from the compressor-limiter side-chain detector can help to mini-mize compressor pumping and over-compression of the rhythmic dynamic information that tends to reside in the lower frequency range: kick drums, bass guitar, etc. This usually results in a smoother compression characteristic.
RMS / PEAK
This illuminated push-button switch modifies the compressor side-chain detection. The default detection response is RMS (Root Mean Square) averaged, which better mimics the way our ears perceive loudness. PEAK mode detection responds more directly to the incoming compressor audio signal, which can be used to prevent clipping and maximize overall loudness.
Link
The link control sums the side-chain information from both compressor-limiter channels, enabling Channel A’s controls as MASTER. While linked, both channels are directly controlled by Channel A’s controls, including: Comp In, Attack, Release, RMS/Peak, Threshold, Ratio, FF/FB, Gain, Blend, Silk Mode, Silk Texture, Limiter Threshold, Sidechain Insert, and Sidechain HPF.
Limiter
Limit
This 31-detent potentiometer controls the threshold of the soft-clip limiter section. The limiter is disengaged until the user rotates the Limit potentiometer past the 3rd detent (+24dBu) from the fully clock-wise (OFF) position. As the user rotates the threshold control counter clock-wise, the limiter’s release time gradually increases. This creates a smoother dynamic response as the amount of limiting increases. The limiter side-chain features a compound timing network that allows the limiter to respond equally well to quick transient material as it does to less dynamic program material. The PIIMB limiter can be utilized as a maximizer by setting the Limit potentiometer to the desired maximum level in dBu, then increasing the amount of Gain until the desired program loudness is achieved.
Stereo Field Editor (SFE)
Within the stereo field, there is information that is centered within the stereo field that is phase coherent; such as kick drum, snare, and bass guitar. There is also information that resides on the left and right sides of the stereo field that is not phase coherent, such as the natural reverb and ambience in a room, effects processing and instruments recorded in stereo. Utilizing sum and difference techniques, it is possible to isolate, then emphasize or de-emphasize the “Mid” and “Side” information. The PIIMB’s Stereo Field Editor provides an enhanced version of a Mid-Side encoder for the user, with an added EQ section for targeting specific frequency ranges of the Mid-Side processing.
Depth In
This illuminated push-button switch engages the Stereo Field Editor “Depth” pot and allows for A-B comparison.
Depth
This 31-detent potentiometer adjusts the overall level of the center (mid) information within the SFE’s M-S encoding. The MIN (fully CCW) position will de-emphasize the center information within the stereo image, whereas the MAX (fully CW) position will emphasize the center information. If the Depth control is at the 12 o’clock “0” position, no Depth pro-cessing will be audible.
Width In
This illuminated push-button switch engages the Stereo Field Editor “Width” pot and allows for A-B comparison.
Width
This 31-detent potentiometer adjusts the overall level of the side information within the SFE’s M-S encoding. The MIN (fully CCW) position will de-emphasize the side information within the stereo image, wheras the MAX (fully CW) posi-tion will emphasize the side information. If the Width control is at the 12 o’clock “0” position, no Width processing will be audible.
Depth EQ
This illuminated push-button switch engages the 4-position rotary switch that allows the user to select between four different EQ settings for Depth processing: Low Frequency (LF), Low Mid (LM), High Mid (HM), and High Frequency (HF).
Width EQ
This illuminated push-button switch engages the 4-position rotary switch that allows the user to select between four different EQ settings for Width processing: Low Frequency (LF), Low Mid (LM), High Mid (HM), and High Frequency (HF).
SFE to Comp
This illuminated push-button switch routes the Depth and Width information to Channel A and Channel B compres-sor paths, respectively, allowing the user to manipulate the dynamic content of the Mid and Side information. When engaged, the width and depth controls allow the user to blend the amount of compressed Mid and Side information that is mixed back into the audio path. While SFE to Comp is engaged, the stereo compressor is only available for SFE dynamic processing and is not operational within the main audio path.
Silk
This illuminated push-button switch toggles through the available SILK transformer harmonic saturation modes: OFF, RED, and BLUE. Red Silk has a high frequency emphasis associated with the transformer harmonics, while Blue Silk has a low frequency emphasis associated with the transformer harmonics. We encourage the user to experiment with both modes to find the most suitable tonal coloration for their particular application.
Texture
This 31-detent potentiometer allows the user to adjust the amount of Silk transformer saturation added to the signal path when Silk Red or Blue modes are engaged.
Gain Reduction Meter
This 16 segment LED bar-graph meter indicates compressor-limiter gain reduction, indicated in dB. After 4 dB of atten-uation, the LEDs turn to amber and after 8 dB, the LEDs turn red.
Output Meter
This 16-segment LED bar-graph meter indicates output level, indicated in dBu. The top-most red LED is calibrated to illuminate at +25dBu, corresponding to the maximum output level of the PIIMB.
MBP Rear-Panel Features
Power
The PIIMB has an IEC Standard 3-Pin grounded fused AC inlet with 100-240VAC 50/60Hz input range, 85 Watts max pow-er AC consumption. The fuse is located directly above the rear-panel AC Inlet (see fuse type specifications on pg. 8). The corresponding power switch is located on the PIIMB front panel.
Side Chain Insert Send
This TS jack is provided on the PIIMB rear panel to allow the user to send the PIIMB side-chain audio to an external pro-cessor like an EQ. The PIIMB Side-chain Insert Send should be connected to the input of the chosen external processor.
Side Chain Insert Return
This TS jack is provided on the PIIMB rear panel to allow the user to return the processed side-chain audio to the PIIMB‘s sidechain input. The PIIMB Side-chain Insert Return should be connected from the output of the chosen external pro-cessor.
Inputs
A stereo pair of female Neutrik XLR’s are provided on the rear panel for connection to the PIIMB’s custom Rupert Neve Designs transformer-coupled discrete Class-A inputs.
Outputs
A stereo pair of male Neutrik XLR”s are provided on the rear panel for connection to the PIIMB’s custom Rupert Neve Designs transformer-coupled discrete Class-A outputs.
GND LIFT
This rear-panel slide switch allows the user to isolate XLR Output Pin 1 from chassis ground. This is useful for trouble-shooting ground loops, if they arise in a studio configuration.
Specifications
Frequency Response (Compressor and SFE Bypassed, Unloaded)
- 5 Hz to 100 kHz:+/- 0.5 dB typical
- 120 kHz:-3 dB typical
Maximum Output Level (Compressor and SFE Bypassed, Unloaded)
- 20 Hz to 40 kHz:+25 dBu typical
Total Harmonic Distortion and Noise
- 1 kHz, +20 dBu: Less than 0.003% typical
- 20Hz, +20 dBu: Less than 0.10% typical
- 20 kHz, +20 dBu output: Less than 0.010% typical
Compressor
- Threshold: –30 dBu to +20 dBu
- Ratio: 1.1:1 to 40:1
- Blend: 0% to 100% Compressor
- Gain: 0 dB to +20 dB
- Attack: 20 mS to 80 mS
- Release: 100 mS to 3.0 S
- AC Power Consumption: 85 Watts Max
- Fuse: 5 x 20mm Bussman type GDA 2.5A, Fast Acting, Ceramic
- Product Dimensions (H x W x D): 3.5” (8.9 cm), 19” (48.3 cm), 12” (30.5 cm)
- Shipping Dimensions (H x W x D): 5” (12.7 cm), 23” (58.5 cm), 12” (31 cm)
- Shipping Weight: 20 lbs (9.1 kg)


PRODUCT WARRANTY
Rupert Neve Designs warrants this product to be free from defects in materials and workmanship for a period of three (3) years from date of purchase, and agrees to remedy any defect identified within such three year period by, at our option, repairing or replacing the product.
LIMITATIONS AND EXCLUSIONS
This warranty, and any other express or implied warranty, does not apply to any product which has been improperly installed, subjected to usage for which the product was not designed, misused or abused, damaged during shipping, damaged by any dry cell battery, or which has been altered or modified in any way. This warranty is extended to the original end user purchaser only. A purchase receipt or other satisfactory proof of date of original purchase is required before any warranty service will be performed.’
THIS EXPRESS, LIMITED WARRANTY IS IN LIEU OF ALL OTHER WARRANTIES, EXPRESS OR IMPLIED, TO THE EXTEND ALLOWED UNDER APPLICABLE STATE LAW. IN NO EVENT SHALL RUPERT NEVE DESIGNS BE LIABLE FOR ANY SPECIAL, INCIDENTAL, OR CONSEQUENTIAL DAMAGES RESULTING FROM THE USE OF THIS PRODUCT.
Some states do not allow the exclusion or limitation of consequential damages or limitations on how long an implied warranty lasts, so this exclusion may not apply to you.
WARRANTY SERVICE
If you suspect a defect in this product, please call us at 512-847-3013 or contact our support staff ([email protected]) for troubleshooting. If it is determined that the device is malfunctioning, we will issue a Return Material Authorization and provide instructions for shipping the device to our service department.
Rupert Neve Designs PO Box 1969 Wimberley TX 78676 www.rupertneve.com tel: +1 512-847-3013 fax: +1 512-847-8869























