
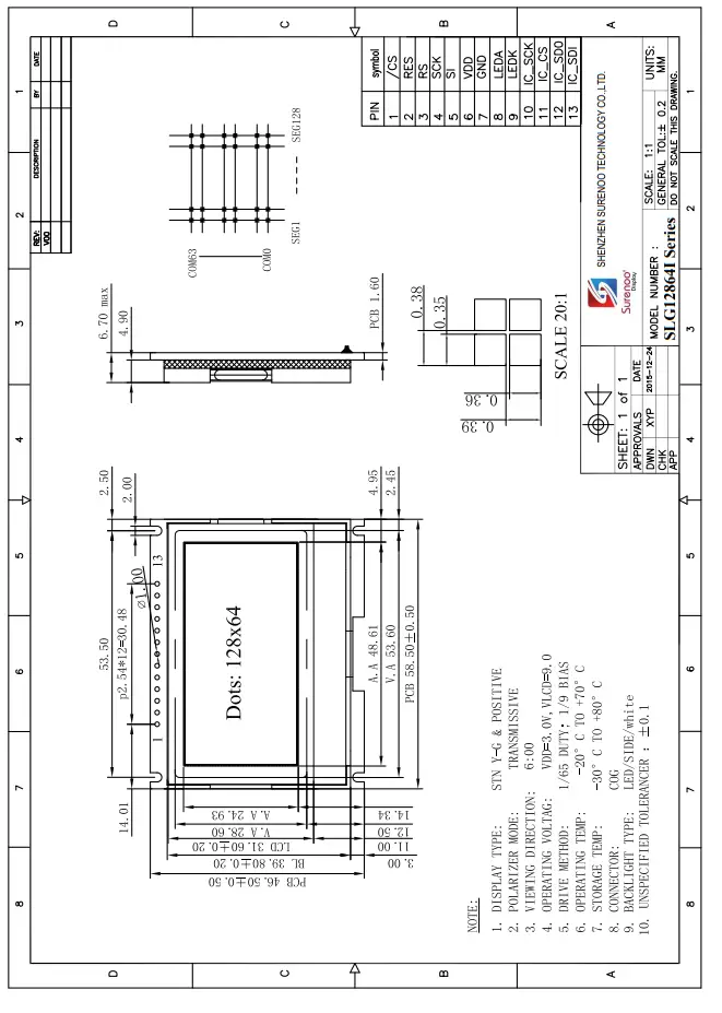
Model No.: SLG12864I
SLG12864I Series
GRAPHIC LCD MODULE USER MANUAL
Please click the following image to buy the sample

https://wa.me/qr/4GGOIDYZ2PXXN1

http://qr.kakao.com/talk/THom9tzJN5OMzvx1vTL1V.LvnEc-
https://wa.me/qr/4GGOIDYZ2PXXN1
https://line.me/ti/p/oas8BmVLVd
https://u.wechat.com/EAK0B_l2YfPLwx3tRqiKkf4
Shenzhen Surenoo Technology Co.,Ltd. www.surenoo.com
Skype: Surenoo365
Reference Controller Datasheet
Graphic LCD Selection Guide
ST7567/GT20L16S1Y/TEST CODE
ORDERING INFORMATION
1.1 Order Number
| Model No. | Display | Size | Outline Size (MM) | Viewing Area (MM) | Area Area (MM) | Interface | Voltage | Controller | MARK | Color Valid | Image |
| SLG12864I COG | 128*64 | 2.2″ | 58.50*46.50 | 53.60*28.60 | 48.64*24.93 | 13P/2.54 Serial SPI | 3.3V | ST7567 | SURENOO | ![]() | |
| SURENOO | |||||||||||
| SURENOO |
1.2 Image
SPECIFICATION
2.1 Display Specification
| Item | Standard Value | Unit |
| Display Format | 128 x 64 | Dots |
| Display Connector | Pin Header | — |
| Operating Temperature | -20~ +70 | ℃ |
| Storage Temperature | -30 ~ +80 | ℃ |
2.2 Mechanical Specification
| Item | Standard Value | Unit |
| Outline Dimension | 58.50(W) x 46.50(H)x 6.70 (T) | mm |
| Visual Area | 53.60(W) x 28.60(H) | mm |
| Active Area | 48.61(W) x 24.93(H) | mm |
| Dot Size | 0.36×0.35 | mm |
| Dot Pitch | 0.39×0.38 | mm |
2.3 Electrical Specification
| Item | Standard Value | Unit |
| IC Package | COG | — |
| Controller | ST7567 | — |
| Interface | 4-wire SPI | — |
2.4 Optical Specification
| Item | Standard Value | Unit |
| LCD Type | Refer to 1.1 SLG12864I Series Table | — |
| Viewing Angle Range | 6:00 | |
| Backlight Color | Refer to 1.1 SLG12864I Series Table | |
| LCD Duty | 1/64 | degree |
| LCD Bias | 1-9 | — |
OUTLINE DRAWING

ELECTRICAL SPEC
4.1 Pin Configuration
| PIN | SYMBOL | Descriptions |
| 1 | CS | Chip Select. Chip is selected when CS0 = “L”. |
| 2 | RST | Hardware reset input pin. When RSTB is “L”, internal initialization is executed and the internal registers will be initialized. |
| 3 | CD | Select Control data or Display data for read/write operation. ”L”: Control data ”H”: Display data |
| 4 | SCK | Serial clock input. |
| 5 | SDA | Serial data input. |
| 6 | VDD | This is a voltage supply pin. It must be connected to external source. |
| 7 | GND | Ground of Logic Circuit |
| 8 | LEDA | Backlight Anode |
| 9 | LEDK | Backlight Cathode |
| 10 | IC_SCK | Serial clock input for GT20L16S1Y |
| 11 | IC_CS | Chip enable input for GT20L16S1Y |
| 12 | IC_SD0 | Serial data output for GT20L16S1Y |
| 13 | IC_SDI | Serial data input for GT20L16S1Y |
4.2 Block Diagram
4.3 Absolute Maximum Ratings
| PARAMETER | SYMBOL | RATING | TEST CONDITIONS | UNIT |
| Supply voltage for logic | VDD | -0.3~+7.0 | —– | V |
| LCD drive voltage | VOP | 13(MAX) | VOP=VLCD-VSS | V |
| Input voltage | VIN | -0.3 to VDD+0.3 | —– | V |
| Operating temperature range | TOPR | -20 to 70 | Ta=25℃ | ℃ |
| Storage temperature range | TSTR | -30 to 80 | Ta=25℃ | ℃ |
4.4 Electrical Characteristics
4.4.1. DC CHARACTERISICS
ITEM | symbol | STANDARD VALUE | TEST CONDITION | UNIT | ||
| MIN | TYP | MAX | ||||
| Supply Voltage For Logic | VDD | 2.7 | 3.0 | 3.3 | ———- | V |
| LCD Bias Voltage | VOP | 8.80 | 9.00 | 9.20 | VLCD=V0-VSS | |
| Current Consumption | IDD | — | — | 0.75 | VDD=3.0V±5% | mA |
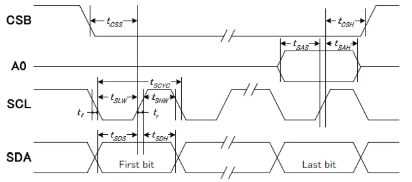
4.4.2. AC CHARACTERISTICS
| Item | Signal | Symbol | Condition | Min. | Max. | Unit |
| Serial clock period | SCLK | tSCYC | 50 | — | ns | |
| SCLK “H” pulse width | tSHW | 25 | ||||
| — | ||||||
| SCLK “L” pulse width | tSLW | 25 | — | |||
| Address setup time | AO | tSAS | 20 | — | ||
| Address hold time | tSAH | 10 | — | |||
| Data setup time | SDA | tSDS | 20 | — | ||
| Data hold time | tSDH | 10 | — | |||
| CSB-SCLK time | CSB | tCSS | 20 | — | ||
| CSB-SCLK time | tCSH | 40 | — | |||
INSPECTION CRITERIA
5.1 Acceptable Quality Level
Each lot should satisfy the quality level defined as follows
| Partition | AQL | Definition |
| A. Major | 0.4% | Functional defective as product |
| B. Minor | 1.5% | Satisfy all functions as product but not satisfy cosmetic standard |
5.2 Definition of Lot
One lot means the delivery quantity to customer at one time.
5.3 Condition of Cosmetic Inspection
◆ INSPECTION AND TEST
- FUNCTION TEST
- APPEARANCE INSPECTION
- PACKING SPECIFICTION
◆ INSPECTION CONDITION
- Put under the lamp (20W) at a distance 100mm from
- Tilt upright 45 degree by the front (back) to inspect Panel appearance.
◆ AQL INSPECTION LEVEL
- SAMPLING METHOD: MIL-STD-105D
- SAMPLING PLAN: SINGLE
- MAJOR DEFECT: 0.4% (MAJOR)
- MINOR DEFECT: 1.5% (MINOR)
- GENERAL LEVEL: II/NORMAL
5.4 Module Cosmetic Criteria
| No. | Item | Judgment Criterion | Partition |
| 1 | Difference in Spec. | None allowed | Major |
| 2 | Pattern Peeling | No substrate pattern peeling and floating | Major |
| 3 | Soldering Defects | No soldering missing | Major |
| No soldering bridge | Major | ||
| No cold soldering | Minor | ||
| 4 | Resist Flaw on Substrate | Invisible copper foil(¢0.5mm or more)on substrate pattern | Minor |
| 5 | Accretion of Metallic Foreign Matter | No soldering dust | Minor |
| No accretion of metallic foreign matters(Not exceed¢0.2mm) | |||
| 6 | Stain | No stain to spoil cosmetic badly | Minor |
| 7 | Plate Discoloring | No plate fading, rusting and discoloring | Minor |
| 8 | Solder Amount 1.Lead Parts | a. Soldering side of PCB Solder to form a’Filet’all around t Solder should not hide the lead form b. Components side(In case of ‘Through Hole PCB’) Solder to reach the Components side of PCB ![]() | Minor |
| 2.Flat Packages | Either‘toe’(A) or ‘heal’ (B) of the lead to be covered by Filet’ Lead form to be assume over solder.![]() | Minor | |
| 3.Chips | (3/2) H≧h≧(1/2)HH![]() | Minor |
| 9 | Backlight Defects | 1. Light fails or flickers.(Major) 2. Color and luminance do not correspond to specifications. (Major) 3. Exceeds standards for display’s blemishes, foreign matter, dark lines or scratches.(Minor) | See list ← |
| 10 | PCB Defects | Oxidation or contamination on connectors.* 2. Wrong parts, missing parts, or parts not in specification.* 3.Jumpers set incorrectly.(Minor) 4.Solder(if any)on bezel, LED pad, zebra pad, or screw hole pad is not smooth.(Minor) *Minor if display functions correctly. Major if the display fails. | See list ← |
| 11 | Soldering Defects | 1. Unmelted solder paste. 2. Cold solder joints, missing solder connections, or oxidation.* 3. Solder bridges causing short circuits.* 4. Residue or solder balls. 5. Solder flux is black or brown. *Minor if display functions correctly. Major if the display fails. | Minor |
5.5 Screen Cosmetic Criteria (Non-Operating)
| No. | Defect | Judgment Criterion | Partition | |
| 1 | Spots | In accordance with Screen Cosmetic Criteria (Operating) No.1. | Minor | |
| 2 | Lines | In accordance with Screen Cosmetic Criteria (Operation) No.2. | Minor | |
| 3 | Bubbles in Polarizer | Minor | ||
| Size: d mm | Acceptable Qty in active area | |||
| d≦0.3 0.3<d≦1.0 1.0<d≦1.5 1.5<d | Disregard 3 1 0 | |||
| 4 | Scratch | In accordance with spots and lines operating cosmetic criteria, When the light reflects on the panel surface, the scratches are not to be remarkable. | Minor | |
| 5 | Allowable density | Above defects should be separated more than 30mm each other. | Minor | |
| 6 | Coloration | Not to be noticeable coloration in the viewing area of the Graphic panels. Back-lit type should be judged with back-lit on state only. | Minor | |
| 7 | Contamination | Not to be noticeable. | Minor | |
5.6 Screen Cosmetic Criteria (Operating)
| No. | Defect | Judgment Criterion | Partition | |
| 1 | Spots | A) Clear | Minor | |
| Size:d mm | Acceptable Qty in active area | |||
| d≦0.1 0.1<d≦0.2 0.2<d≦0.3 0.3<d | Disregard 6 2 0 | |||
| Note: Including pin holes and defective dots which must be within one pixel Size. Unclear | ||||
| Size:d mm | Acceptable Qty in active area | |||
| d≦0.2 0.2<d≦0.5 0.5<d≦0.7 0.7<d | Disregard 6 2 0 | |||
| 2 | ![]() | Minor | ||
| Clear’ = The shade and size are not changed by Vo. Unclear’= The shade and size are changed by Vo. | ||||
| No. | Defect | Judgment Criterion | Partition |
| 3 | Rubbing line | Not to be noticeable. | Minor |
| 4 | Allowable density | Above defects should be separated more than 10mm each other. | Minor |
| 5 | Rainbow | Not to be noticeable. | Minor |
| 6 | Dot size | To be 95%~105%of the dot size (Typ.) in drawing. Partial defects of each dot (ex.pin-hole) should be treated as spot. (see Screen Cosmetic Criteria (Operating) No.1) | Minor |
| 7 | Brightness (only back-lit Module) | Brightness Uniformity must be BMAX/BMIN≦2 – BMAX : Max.value by measure in 5 points – BMIN : Min.value by measure in 5 points Divide active area into 4 vertically and horizontally. Measure 5 points shown in the following figure. ![]() | Minor |
| 8 | Contrast Uniformity | Contrast Uniformity must be BmAX/BMIN≦2 Measure 5 points shown in the following figure. Dashed lines divide active area into 4 vertically and horizontally. Measuring points are located at the inter-sections of dashed line. Note: BMAX – Max.value by measure in 5 points.BMIN – Min.value by measure in 5 points. O – Measuring points in ¢10mm. | Minor |
| Note: (1) Size: d=(long length + short length)/2 (2) The limit samples for each item have priority. (3) Complexed defects are defined item by item, but if the number of defects is defined in above table, the total number should not exceed 10. | |||
6.3 Operating Precautions
- DO NOT plug or unplug Surenoo module when the system is powered up.
- Minimize the cable length between Surenoo module and host MPU.
- For models with backlights, do not disable the backlight by interrupting the HV line. Unload inverters produce voltage extremes that may arc within a cable or at the display.
- Operate Surenoo module within the limits of the modules temperature specifications.
6.4 Mechanical/Environmental Precautions
- Improper soldering is the major cause of module difficulty. Use of flux cleaner is not recommended as they may seep under
the electrometric connection and cause display failure. - Mount Surenoo module so that it is free from torque and mechanical stress.
- Surface of the Graphic panel should not be touched or scratched. The display front surface is an easily scratched, plastic
polarizer. Avoid contact and clean only when necessary with soft, absorbent cotton dampened with petroleum benzene. - Always employ anti-static procedure while handling Surenoo module.
- Prevent moisture build-up upon the module and observe the environmental constraints for storage tem
- Do not store in direct sunlight
- If leakage of the liquid crystal material should occur, avoid contact with this material, particularly ingestion. If the body or
clothing becomes contaminated by the liquid crystal material, wash thoroughly with water and soap.
6.5 Storage Precautions
When storing the Graphic modules, avoid exposure to direct sunlight or to the light of fluorescent lamps.
Keep Surenoo modules in bags (avoid high temperature / high humidity and low temperatures below 0 ºC.
Whenever possible, Surenoo Graphic modules should be stored in the same conditions in which they were shipped from our company.
6.6 Others
Liquid crystals solidify under low temperature (below the storage temperature range) leading to defective orientation or the generation of air bubbles (black or white). Air bubbles may also be generated if the module is subject to a low temperature. If Surenoo Graphic modules have been operating for a long time showing the same display patterns, the display patterns may remain on the screen as ghost images and a slight contrast irregularity may also appear. A normal operating status can be regained by suspending use for some time. It should be noted that this phenomenon does not adversely affect performance reliability.
To minimize the performance degradation of the Graphic modules resulting from destruction caused by static electricity etc., exercise care to avoid holding the following sections when handling the modules.
- Exposed area of the printed circuit board.
- Terminal electrode sections.
(4) In case of ‘concentration’, even the spots or the lines of ‘disregarded’ size should not be allowed. Following three situations should be treated as ‘concentration’.
- 7 or over defects in circle of ¢5mm.
- 10 or over defects in circle of ¢10mm
- 20 or over defects in circle of ¢20mm
PRECAUTIONS FOR USING
6.1 Handling Precautions
- This device is susceptible to Electro-Static Discharge (ESD) damage. Observe Anti-Static precautions.
- Surenoo display panel is made of glass. Do not subject it to a mechanical shock by dropping it or impact.
- If Surenoo display panel is damaged and the liquid crystal substance leaks out, be sure not to get any in your mouth. If the substance contacts your skin or clothes, wash it off using soap and water.
- Do not apply excessive force to the Surenoo display surface or the adjoining areas since this may cause the color tone to vary.
- The polarizer covering the Surenoo display surface of the Graphic module is soft and easily scratched. Handle this polarizer carefully.
- If Surenoo display surface becomes contaminated, breathe on the surface and gently wipe it with a soft dry cloth. If it is heavily contaminated, moisten cloth with one of the following Isopropyl or alcohol.
- Solvents other than those above-mentioned may damage the polarizer. Especially, do not use the Water.
- Exercise care to minimize corrosion of the electrode. Corrosion of the electrodes is accelerated by water droplets, moisture condensation or a current flow in a high-humidity environment.
- Install the Surenoo Graphic Module by using the mounting holes. When mounting the Graphic module make sure it is free of twisting, warping and distortion. In particular, do not forcibly pull or bend the cable or the backlight cable.
- Do not attempt to disassemble or process Surenoo Graphic module.
- NC terminal should be open. Do not connect anything.
- If the logic circuit power is off, do not apply the input signals.
- To prevent destruction of the elements by static electricity, be careful to maintain an optimum work environment.
-Be sure to ground the body when handling Surenoo Graphic modules.
-Tools required for assembling, such as soldering irons, must be properly grounded.
-To reduce the amount of static electricity generated, do not conduct assembling and other work under dry conditions.
-The Graphic module is coated with a film to protect the display surface. Exercise care when peeling off this protective film since static electricity may be generated.
6.2 Power Supply Precautions
- Identify and, at all times, observe absolute maximum ratings for both logic and LC drivers. Note that there is some variance between models.
- Prevent the application of reverse polarity to VDD and VSS, however briefly.
- Use a clean power source free from transients. Power-up conditions are occasionally jolting and may exceed the maximum ratings of Surenoo modules.
- The VDD power of Surenoo module should also supply the power to all devices that may access the display. Don’t allow the data bus to be driven when the logic supply to the module is turned off.
USING Graphic MODULES
7.1 Liquid Crystal Display Modules
Surenoo Display is composed of glass and polarizer. Pay attention to the following items when handling.
- Please keep the temperature within specified range for use and storage. Polarization degradation, bubble generation or polarizer peel-off may occur with high temperature and high humidity.
- Do not touch, push or rub the exposed polarizers with anything harder than an HB pencil lead (glass, tweezers, etc.).
- N-hexane is recommended for cleaning the adhesives used to attach front/rear polarizers and reflectors made of organic substances which will be damaged by chemicals such as acetone, toluene, ethanol and isopropyl alcohol.
- When Surenoo display surface becomes dusty, wipe gently with absorbent cotton or other soft material like chamois soaked in petroleum benzin. Do not scrub hard to avoid damaging the display surface.
- Wipe off saliva or water drops immediately, contact with water over a long period of time may cause deformation or color fading.
- Avoid contacting oil and fats.
- Condensation on the surface and contact with terminals due to cold will damage, stain or dirty the polarizers. After products are tested at low temperature they must be warmed up in a container before coming is contacting with room temperature air.
- Do not put or attach anything on Surenoo display area to avoid leaving marks on.
- Do not touch the display with bare hands. This will stain the display area and degradate insulation between terminals (some cosmetics are determinated to the polarizers).
- As glass is fragile. It tends to become or chipped during handling especially on the edges. Please avoid dropping.
7.2 Installing Graphic Modules
- Cover the surface with a transparent protective plate to protect the polarizer and LC cell.
- When assembling the LCM into other equipment, the spacer to the bit between the LCM and the fitting plate should have enough height to avoid causing stress to the module surface, refer to the individual specifications for measurements. The measurement tolerance should be±0.1mm.
7.3 Precaution for Handling Graphic Modules
Since Surenoo LCM has been assembled and adjusted with a high degree of precision; avoid applying excessive shocks to the module or making any alterations or modifications to it.
- Do not alter, modify or change the shape of the tab on the metal frame.
- Do not make extra holes on the printed circuit board, modify its shape or change the positions of components to be attached.
- Do not damage or modify the pattern writing on the printed circuit board.
- Absolutely do not modify the zebra rubber strip (conductive rubber) or heat seal connector.
- Except for soldering the interface, do not make any alterations or modifications with a soldering iron.
- Do not drop, bend or twist Surenoo LCM.
7.4 Electro-Static Discharge Control
Since this module uses a CMOS LSI, the same careful attention should be paid to electrostatic discharge as for an ordinary CMOS IC.
- Make certain that you are grounded when handing LCM.
- Before remove LCM from its packing case or incorporating it into a set, be sure the module and your body have the same electric potential.
- When soldering the terminal of LCM, make certain the AC power source for the soldering iron does not leak.
- When using an electric screwdriver to attach LCM, the screwdriver should be of ground potentiality to minimize as much as possible any transmission of electromagnetic waves produced sparks coming from the commutator of the motor.
- As far as possible make the electric potential of your work clothes and that of the work bench the ground potential.
- To reduce the generation of static electricity be careful that the air in the work is not too dried. A relative humidity of 50%-60% is recommended.
7.5 Precaution for Soldering to Surenoo LCM
- Observe the following when soldering lead wire, connector cable and etc. to the LCM.
-Soldering iron temperature : 280℃±10℃
-Soldering time: 3-4 sec.
-Solder: eutectic solder.
If soldering flux is used, be sure to remove any remaining flux after finishing to soldering operation. (This does not apply in the case of a non-halogen type of flux.) It is recommended that you protect the Panel surface with a cover during soldering to prevent any damage due to flux spatters. - When soldering the electroluminescent panel and PC board, the panel and board should not be detached more than three times. This maximum number is determined by the temperature and time conditions mentioned above, though there may be some variance depending on the temperature of the soldering iron.
- When remove the electroluminescent panel from the PC board, be sure the solder has completely melted, the soldered pad on the PCs board could be damaged.
7.6 Precaution for Operation
- Driving the Surenoo Graphic in the voltage above the limit shortens its life.
- Response time is greatly delayed at temperature below the operating temperature range. However, this does not mean the Panel will be out of the order. It will recover when it returns to the specified temperature range.
- If Surenoo display area is pushed hard during operation, the display will become abnormal. However, it will return to normal if it is turned off and then back on.
- Condensation on terminals can cause an electrochemical reaction disrupting the terminal circuit. Therefore, it must be used under the relative condition of 40℃, 50% RH.
- When turning the power on, input each signal after the positive/negative voltage becomes stable.
7.7 Limited Warranty
Unless agreed between Surenoo and customer, Surenoo will replace or repair any of its Graphic modules which are found to be functionally defective when inspected in accordance with Surenoo Graphic acceptance standards (copies available upon request) for a period of one year from date of shipments. Cosmetic/visual defects must be returned to Surenoo within 90 days of shipment. Confirmation of such date shall be based on freight documents. The warranty liability of Surenoo limited to repair and/or replacement on the terms set forth above. Surenoo will not be responsible for any subsequent or consequential events.
7.8 Return Policy
No warranty can be granted if the precautions stated above have been disregarded. The typical examples of violations are:
- Broken Graphic glass.
- PCB eyelet damaged or modified.
- PCB conductors damaged.
- Circuit modified in any way, including addition of components.
- PCB tampered with by grinding, engraving or painting varnish.
- Soldering to or modifying the bezel in any manner.
Module repairs will be invoiced to the customer upon mutual agreement. Modules must be returned with sufficient description of the failures or defects. Any connectors or cable installed by the customer must be removed completely without damaging the PCB eyelet’s, conductors and terminals.
IMAGE STICKING
8.1 What is Image Sticking?
If you remain a fixed image on Graphic Display for a long period of time, you may experience a phenomenon called Image Sticking. Image Sticking – sometimes also called “image retention” or “ghosting”- is a phenomenon where a faint outline of a previously displayed image remains visible on the screen when the image is changed. It can occur at variable levels of intensity depending on the specific image makeup, as well as the amount of time the core image elements are allowed to remain unchanged on the screen. In POS applications, for example, a button menu which remains fixed, or in which the “frame” elements (core image) remain fixed and the buttons may change, may be susceptible to image sticking. It is important to note that if the screen is used exclusively for this application, the user may never notice this phenomenon since the screen never displays other content. `It is only when an image other than the “retained” image is shown on the screen that this issue becomes evident. Image sticking is different that the “burn-in” effect commonly associated with phosphor based devices.
8.2 What causes Image Sticking?
Image sticking is an intrinsic behavior of Graphic displays due to the susceptibility to polarization of the interior materials (liquid crystals) when used under static, charged conditions (continuously displaying the same image). The individual liquid crystals in an Graphic panel have unique electrical properties. Displaying a fixed pattern – such as the POS menu described above – over prolonged periods can cause a parasitic charge build-up (polarization) within the liquid crystals which affects the crystals’ optical properties and ultimately prevents the liquid crystal from returning to its normal, relaxed state when the pattern is finally changed. This effect takes place at a cellular level within the Panel, and the effect can cause charged crystal alignment at the bottom or top of a crystal cell in the “z” axis, or even crystal migration to the edges of a cell, again based on their polarity. These conditions can cause image sticking over an entire area, or at boundaries of distinct color change respectively. In either case, when the liquid crystals in the pixels and sub-pixels utilized to display the static image are polarized such that they can not return fully to their “relaxed” state upon deactivation, the result is a faint, visible, retained image on the panel upon presentation of a new, different image. The actual rate of image retention depends on variation factors such as the specific image, how long it is displayed unchanged, the temperature within the panel and even the specific panel brand due to manufacturing differences amongst panel manufacturers.
8.3 How to Avoid Image Sticking?
- Try not to operate the Graphic with a “fixed” image on the screen for more than 2 hours.
- If you are operating the monitor in an elevated temperature environment and with a displayed image which is contrary to the recommendations in “For Software Developers” below, image stick can occur in as little as 30 minutes.
Adjust your screen saver settings accordingly. - Power down the unit during prolonged periods of inactivity such as the hours a store is closed or a shift during which the piece of equipment isn’t used.
- Use a screensaver with a black or medium gray background that is automatically set to come on if the device is inactive for more than 5-10 minutes.
- Avoid placing the monitor in poorly ventilated areas or in areas that will create excess heat around the monitor for software developers.
- In defining the icons, buttons, or windows in the screen, try to utilize block patterns instead of distinct lines as borders for dividing the display into distinct areas.
- If it is necessary to display a static image, try to use colors that are symmetric to the middle grey level at the boundary of two different colors, and slightly shift the borders line once in a while.
- Try to utilize medium gray hues for those areas that will have prolonged display times or remain static as other menu elements change.
8.4 How to Fix the Image Sticking?
Unlike the usually irreversible “burn-in” effects commonly associated with direct view phosphor display devices such as CRTs, an image retained on an Graphic display can be reversed – often to a point of total invisibility. However, the severity of the underlying causes (as described above) of the image retained on a specific display, as well as the variation factors (see “For Software Developers” above) under which the retained image was created, will dictate the final level of retention reversal. One way to erase a retained image on a panel is to run the screen (monitor “on”) in an “all black” pattern for 4-6 hours. It is also helpful to do this in an elevated temperature environment of approximately 35º to 50ºC. Again, utilizing a dynamic screen saver with an all black background during prolonged idle display periods is a good way to avoid image retention
issues.
8.5 Is Image Sticking Covered by Surenoo RMA Warranty?
Image sticking is a phenomenon inherent to Graphic Display technology itself, and as such, the occurrence of this “ghosting” effect is considered normal operation by the manufacturers of the Graphic display modules which are integrated into today’s monitor solutions. Surenoo does not warrant any display against the occurrence of image sticking. We strongly advise that you follow the operating recommendations listed above to avoid the occurrence of this phenomenon.
That’s the end of the datasheet.






Note: BMAX – Max.value by measure in 5 points.
















