MORETTI Horizontal Flat Tube Radiator DSHI-001 Instruction Manual
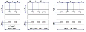
Bracket locations:



Safety Precaution:
Radiators are hot when in use, and as such, present a risk of burns to users on prolonged contact.
The temperature of a radiator is dependent on the temperature of the system water, as set by the system installer or end user. Installers and users should ensure that those who come in to close proximity to hot radiators are aware of the risks of burns.
Installers and users should take all necessary steps to minimise the risk of burns. If the risk is significant, consideration should be given to installing low temperature radiators, or to placing guards in front of radiators.
For the correct installation of radiators it is essential that the fixing of the radiator is carried out in such a way that it is suitable for intended use AND predictable misuse.
A number of elements need to be taken into consideration including fixing method used to secure the radiator to the wall, the type and condition of the wall itself, and any additional potential forces or weights, prior to finalising installation.
IN ALL CASES IT IS STRONGLY RECOMMENDED THAT A SUITABLY QUALIFIED PROFESSIONAL INSTALLER OR SIMILAR TRADESPERSON CARRIES OUT THE INSTALLATION.
PLEASE NOTE: The fixing materials provided are only intended for installation on walls made of solid wood, bricks, concrete or on timber frame stud walls where the fixing is in to the timber. All walls being considered should have no more than a maximum of 3 mm wall finishing. For walls made of other materials, for example hollow bricks, please consult your installer or specialist supplier. ONCE AGAIN, IF YOU ARE UNSURE, IT IS STRONGLY RECOMMENDED THAT A SUITABLY QUALIFIED PROFESSIONAL INSTALLER OR SIMILAR TRADESPERSON CARRIES OUT THE INSTALLATION.
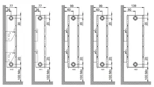
Height: 143mm
H10, H20, H11 FF, H21 FF, H22 FF, E12 & E24 LST

Height: 215mm
H10, H20, H11 FF, H21 FF, H22 FF, E12 & E24 LST

Height: 288mm
H11 RF

Height: 288mm
H10, H20, H11 FF, H21 FF, H22 FF, H21 RF, H22 RF, E12 & E24 LST

Height: 360 – 868mm
H10, H20, H11 FF, H11 RF, H21, H21RF, H22, H22 RF, E12 & E24 LST


The standard connection configuration is ABCD. Same end connections require a baffle. Any non standard configurations should be specified at time of order
Installation Procedure:


Hanging Brackets



- Decide on the position of the radiator and mark the mounting bracket fixing holes. Note: Wall brackets should be mounted in the centre of the radiator backstraps to allow for movement.
- Drill and plug the bracket fixing holes and fix the brackets securely to the wall.
- Mount the radiator on the brackets and connect the radiator to the heating system.
- Fit the plug and vent to the radiator.
- Fill the system and vent the radiator.
- Balance the system to ensure correct flow through all radiators.
Information for the installer
These radiators are for use on two pipe pumped indirect domestic and commercial heating installations, with a maximum working temperature of 100°C.
The system should be designed in accordance with BS EN 12828:2012+A1:2-14 or BS EN 12831-1:2017 as appropriate, with particular care to avoid air entry or water discharge.
The installation work must be carried out in accordance with recognised good practice, and precautions taken to avoid contamination which could lead to corrosion. In accordance with current Building Regulations a corrosion inhibitor or other suitable water treatment must be used. The manufacturer’s instructions must be strictly followed.
Failure to comply with these standards might invalidate the manufacture’s warranty
10 Year warranty.
The recommendations of BS 7593, Code of Practice for treatment of water in domestic hot water central heating systems, should be followed where appropriate.
Product Warranty
Thank you for purchasing a Moretti Design Radiator. Your radiator has been designed and tested to give you many years of trouble-free service. For your additional peace of mind, we give the following Warranty across the below design radiators. Your statutory rights are not affected by this Warranty
- Moretti Modena
- Moretti Rovingo
- Moretti Sorrento
- Moretti Tuba
Subject as provided below. Moretti Radiators underwritten by Moretti (UK) Ltd (“Moretti ”) warrants to the original purchaser at the original installation site that its products will be free from defects in materials and workmanship for the period of 5 (FIVE) years
12 months on any panel products placed in an area of high humidity
The original purchaser’s remedy for breach of this Warranty is expressly limited to repair or replacement of any part or parts found to be defective under conditions of normal service and use during the above Warranty period and does not extend to Moretti being liable for any incidental, special or consequential damages or losses whatsoever. Such as loss of use of the product, inconvenience or lost profits.
This Warranty does not cover any defect, damage or malfunction in the product which is due to; failure to comply in any respect with Moretti’s installation, maintenance or operating instructions; faulty storage, handling, installation or repair; mis-use; neglect; accident; abuse; or general wear and tear.
The system should be designed in accordance with BS EN 12828:2012 and BS EN 12831:2017, and installed and commissioned in accordance with BS EN 14336:2004. On completion of the installation the system should be properly flushed and filled in accordance with the British Code of Practice for the preparation, commissioning and maintenance of domestic central heating and cooling systems. We strongly recommend the use of corrosion inhibitor for all applications.
Before free service under this Warranty can be provided, the original purchaser will be required to prove the date of purchase and may be required to provide Moretti with supporting information, as Moretti may need to conduct its investigation into the alleged defect.
Moretti reserves the right to make reasonable charge for inspection and testing any product which is subject to a Warranty claim and the rights conferred by the Warranty are conditional upon the payment of such charge. The charge may be made at Moretti’s discretion, either before or after the inspection and testing of the product. In the event that it is established to Moretti’s reasonable satisfaction that a valid Warranty claim has been made in respect of the product, then charge which has been paid will be refunded in full by Moretti..







