
RCF NX 910-A Professional Active Speakers Owner’s Manual

NX 910-A
NX 912-A
NX 915-A
1. SAFETY PRECAUTIONS AND GENERAL INFORMATION
The symbols used in this document give notice of important operating instructions and warnings which must be strictly followed.

IMPORTANT NOTES
This manual contains important information about the correct and safe use of the device. Before connecting and using this product, please read this instruction manual carefully and keep it on hand for future reference. The manual is to be considered an integral part of this product and must accompany it when it changes ownership as a reference for correct installation and use as well as for the safety precautions. RCF S.p.A. will not assume any responsibility for the incorrect installation and / or use of this product.
SAFETY PRECAUTIONS
- All the precautions, in particular the safety ones, must be read with special attention, as they provide important information.
- Power supply from mains
a. The mains voltage is sufficiently high to involve a risk of electrocution; install and connect this product before plugging it in.
b. Before powering up, make sure that all the connections have been made correctly and the voltage of your mains corresponds to the voltage shown on the rating plate on the unit, if not, please contact your RCF dealer.
c. The metallic parts of the unit are earthed through the power cable. An apparatus with CLASS I construction shall be connected to a mains socket outlet with a protective earthing connection.
d. Protect the power cable from damage; make sure it is positioned in a way that it cannot be stepped on or crushed by objects.
e. To prevent the risk of electric shock, never open this product: there are no parts inside that the user needs to access.
f. Be careful: in the case of a product supplied by manufacturer only with POWERCON connectors and without a power cord, jointly to POWERCON connectors type NAC3FCA (power-in) and NAC3FCB (power-out), the following power cords compliant to national standard shall be used:
– EU: cord type H05VV-F 3G 3×2.5 mm2 – Standard IEC 60227-1
– JP: cord type VCTF 3×2 mm2; 15Amp/120V~ – Standard JIS C3306
– US: cord type SJT/SJTO 3×14 AWG; 15Amp/125V~ – Standard ANSI/UL 62 - Make sure that no objects or liquids can get into this product, as this may cause a short circuit. This apparatus shall not be exposed to dripping or splashing. No objects filled with liquid, such as vases, shall be placed on this apparatus. No naked sources (such as lighted candles) should be placed on this apparatus.
- Never attempt to carry out any operations, modifications or repairs that are not expressly described in this manual. Contact your authorized service centre or qualified personnel should any of the following occur:
– The product does not function (or functions in an anomalous way).
– The power cable has been damaged. – Objects or liquids have got in the unit.
– The product has been subject to a heavy impact. - If this product is not used for a long period, disconnect the power cable.
- If this product begins emitting any strange odours or smoke, switch it off immediately and disconnect the power cable.
- Do not connect this product to any equipment or accessories not foreseen.
For suspended installation, only use the dedicated anchoring points and do not try to hang this product by using elements that are unsuitable or not specific for this purpose. Also check the suitability of the support surface to which the product is anchored (wall, ceiling, structure, etc.), and the components used for attachment (screw anchors, screws, brackets not supplied by RCF etc.), which must guarantee the security of the system / installation over time, also considering, for example, the mechanical vibrations normally generated by transducers.
To prevent the risk of falling equipment, do not stack multiple units of this product unless this possibility is specified in the user manual. - RCF S.p.A. strongly recommends this product is only installed by professional qualified installers (or specialised firms) who can ensure correct installation and certify it according to the regulations in force. The entire audio system must comply with the current standards and regulations regarding electrical systems.
- Supports, trolleys and carts.
The equipment should be only used on supports, trolleys and carts, where necessary, that are recommended by the manufacturer. The equipment / support / trolley / cart assembly must be moved with extreme caution. Sudden stops, excessive pushing force and uneven floors may cause the assembly to overturn. Never tilt the assembly. - There are numerous mechanical and electrical factors to be considered when installing a professional audio system (in addition to those which are strictly acoustic, such as sound pressure, angles of coverage, frequency response, etc.).
- Hearing loss.
Exposure to high sound levels can cause permanent hearing loss. The acoustic pressure level that leads to hearing loss is different from person to person and depends on the duration of exposure. To prevent potentially dangerous exposure to high levels of acoustic pressure, anyone who is exposed to these levels should use adequate protection devices. When a transducer capable of producing high sound levels is being used, it is therefore necessary to wear ear plugs or protective earphones. See the manual technical specifications to know the maximum sound pressure level.
OPERATING PRECAUTIONS
- Place this product far from any heat sources and always ensure an adequate air circulation around it.
- Do not overload this product for a long time.
- Never force the control elements (keys, knobs, etc.).
- Do not use solvents, alcohol, benzene or other volatile substances for cleaning the external parts of this product.
IMPORTANT NOTES
To prevent the occurrence of noise on line signal cables, use screened cables only and avoid putting them close to:
- Equipment that produces high-intensity electromagnetic fields
- Power cables
- Loudspeaker lines
![]()
WARNING! CAUTION! To prevent the risk of fire or electric shock, never expose this product to rain or humidity.
WARNING! To prevent electric shock hazard, do not connect to mains power supply while grille is removed
WARNING! to reduce the risk of electric shock, do not disassemble this product unless you are qualified. Refer servicing to qualified service personnel.
CORRECT DISPOSAL OF THIS PRODUCT
This product should be handed over to an authorized collection site for recycling waste electrical and electronic equipment (EEE). Improper handling of this type of waste could have a possible negative impact on the environment and human health due to potentially hazardous substances that are generally associated with EEE. At the same time, your cooperation in the correct disposal of this product will contribute to the effective usage of natural resources. For more information about where you can drop off your waste equipment for recycling, please contact your local city office, waste authority or your household waste disposal service.
CARE AND MAINTENANCE
To ensure a long-life service, this product should be used following these advices:
- If the product is intended to be set up outdoors, be sure it is under cover and protected to rain and moisture.
- If the product needs to be used in a cold environment, slowly warm up the voice coils by sending a low-level signal for about 15 minutes before sending high-power signals.
- Always use a dry cloth to clean the exterior surfaces of the speaker and always do it when the power is turned off.
CAUTION: to avoid damaging the exterior finishes do not use cleaning solvents or abrasives.
![]()
WARNING! CAUTION! For powered speakers, do cleaning only when the power is turned off.
RCF S.p.A. reserves the right to make changes without prior notice to rectify any errors and / or omissions.
Always refer to the latest version of the manual on www.rcf.it.
2. DESCRIPTION
THE NX 9 SERIES
The NX 9 series is engineered to deliver remarkable audio performance and touring-proof versatility for solo musicians, bands, and DJs. The new bi-amplified 2100W electroacoustic design provides impressive sound pressure levels, also when used open-air and at long distances, with unbeatable quality. The combination of purpose-designed transducers, advanced DSP processing, and a constant directivity waveguide produces coherent coverage on the listening area with superb, distortion-free sound and RCF reliability. Blending RCF proprietary FiRPHASE and Bass Motion Control algorithms, perfectly tuned for each model, the audience will experience absolute clarity for vocal reproduction and deep, powerful bass. The rugged all-wood cabinet is easy to carry and secure to install on a pole, flown-, wall-, or truss-mounted using the multiple rigging points available.

3. REAR PANEL FEATURES AND CONTROLS


4. CONNECTIONS
The connectors must be wired according to the standards specified by the AES (Audio Engineering Society).

BEFORE CONNECTING THE SPEAKER
On the rear panel you will find all the controls, signal and power inputs. At first verify the voltage label applied to the rear panel (115 Volt or 230 Volt). The label indicates the right voltage. If you read a wrong voltage on the label or if you can’t find the label at all, please call your vendor or authorized RCF SERVICE CENTRE before connecting the speaker. This fast check will avoid any damage.
In case of need of changing the voltage please call your vendor or authorized RCF SERVICE CENTRE. This operation requires the replacement of the fuse value and is reserved to an RCF SERVICE CENTRE.
BEFORE TURNING ON THE SPEAKER
You can now connect the power supply cable and the signal cable. Before turning on the speaker make sure the volume control is at the minimum level (even on the mixer output). It is important that the mixer is already ON before turning on the speaker. This will avoid damages to the speaker and noisy “bumps” due to turning on parts on the audio chain. It is a good practice to always turn on the speakers at last and turning them off immediately after their use. You can now turn ON the speaker and adjust the volume control to a proper level.
PROTECTIONS
NX 9 Series speakers are equipped with a complete system of protection circuits. The circuit is acting very gently on audio signal, controlling level and maintaining distortion at acceptable level.
VOLTAGE SETUP (RESERVED TO THE RCF SERVICE CENTRE)
200-240 Volt, 50 Hz
100-120 Volt, 60 Hz
(FUSE VALUE T6.3 A L 250V)
5. INSTALLATION
FLOOR CONFIGURATIONS
Several configurations are possibile with NX 9 Speakers; they can be placed on the floor or on a stage as main PA or used as stage monitors; they can also be pole mounted on a speaker stand or over a subwoofer.

SUSPENDED CONFIGURATIONS
NX 9 Series Speakers can be suspended from the 6 x M10 suspension points located on top, on the side and on the back of the speakers.

5. INSTALLATION

![]()
WARNING! CAUTION! Never suspend the speakers by there handles. Handles are intended for transportation, not for rigging.

![]()
WARNING! CAUTION! To use this product on a pole stand or over a a subwoofer, before installing the system, please verify the allowed configurations and the indications regarding the accessories, on the RCF website to avoid any danger and damages to people, animals and objects. In any case, please assure the pole stand or the subwoofer which are holding the speaker are located on an horizontal floor and without inclinations.
![]()
WARNING! CAUTION! The use of these speakers with Stand and Pole Mount accessories can be done by qualified and experienced personnel only, trained appropriately on professional systems installations. In any case it’s the user’s final responsibility to ensure the system safety conditions and avoid any danger or damage to people, animals and objects.
6. TROUBLESHOOTING
THE SPEAKER DOESN’T TURN ON
Make sure the speaker is switched on and connected to an active AC power
THE SPEAKER IS CONNECTED TO AN ACTIVE AC POWER BUT DOESN’T TURN ON
Make sure the power cable is intact and connected correctly.
THE SPEAKER IS ON BUT DOESN’T MAKE ANY SOUND
Check if the signal source is sending correctly and if the signal cables are not damaged.
THE SOUND IS DISTORTED AND THE OVERLOAD LED BLINKS FREQUENTLY
Turn down the output level of the mixer.
THE SOUND IS VERY LOW AND HISSING
The source gain or the output level of the mixer might be too low.
THE SOUND IS HISSING EVEN AT PROPER GAIN AND VOLUME
The source might send a low quality or noisy signal
HUMMING OR BUZZING NOISE
Check out the AC grounding and all the equipments connected to the mixer input including cables and connectors.
WARNING! to reduce the risk of electric shock, do not disassemble this product unless you are qualified. Refer servicing to qualified service personnel.
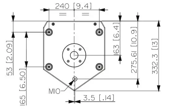
NX 910-A DIMENSIONS


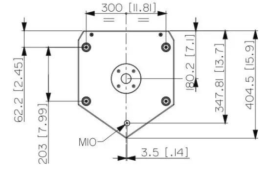
NX 912-A DIMENSIONS


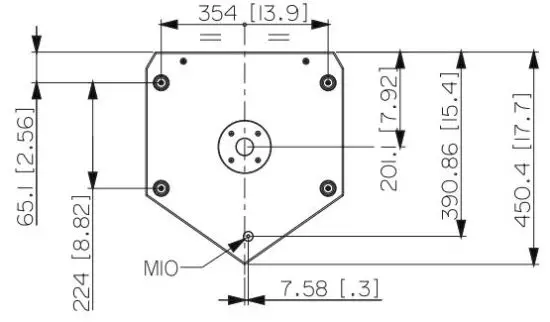
NX 915-A DIMENSIONS


SPECIFICATION



RCF S.p.A. Via Raffaello Sanzio, 13 – 42124 Reggio Emilia – Italy
Tel +39 0522 274 411 – Fax +39 0522 232 428 – e-mail: [email protected] – www.rcf.it
Read More About This Manual & Download PDF:



















