BOB CITYCOCO Electric Scooter

Introduction to the Product
The electric bike is adopted with 3D technology design, which is characterized by pleasant modeling, fashionable and casual appearance, unique style, really simple but extraordinary structure, and noble and amiable nature, and it is believed that you will love it at first sight! The main characteristics are as follows:
- Lithium battery: The product has passed safety tests of UL and CE certification standards, which is safe and reliable. Its service life is 3 times of that of the lead-acid battery service life, therefore, it is unnecessary to change it-its service life is ultralong; its weight is 1/3 of that of the lead-acid battery, which has light weight. The product has high voltage, powerful gradeability and quick acceleration-high energy; it also recognized as a green energy, which will bring no any pollution during the whole production and use process.
- Battery compartment: In the center below the pedal, which has balanced force, small and light volume, and high safety and secrecy.
- Motor: It is applied with the optimal magnetic steel material, high quality silicon steel sheet, thicker coil, precision bearing, thick and large motor shaft, which is powerful and strong and has high bearing capacity and high durability.
- Tyre: The 3D virtual design and assembly, fully automatic numerical control bending pipe with advanced technology, and automatic welding of robot are coherent. And, with the oversized pedal with polishing and anti-skidding natures, you can feel safe and free in case of sitting or standing and enjoy convenient cargo carrying;
- Frame: The 3D virtual design and assembly, fully automatic numerical control bending pipe with advanced technology, and automatic welding of robot are coherent. And, with the oversized pedal with polishing and anti-skidding natures, you can feel safe and free in case of sitting or standing and enjoy convenient cargo carrying;
- Disc brake: The small and exquisite oil disc brake, the pump body with aluminum alloy forging technology, and the advanced CNC processing technology, make the complete vehicle own flexible brake and free action.
- Handlebar: The streamlined human body engineering leisure design with tough and firm natures makes you have a free and easy control.
- Rolling handle: With the soft rubber molding injection, it makes your hands feel comfortable
- Seat cushion: With the brand new plastic seat plate, high elastic foam, advanced anti-slip leather, elaborately-designed appearance, perfect fabrication and proper seat height, it makes you feel comfortable even after long time sitting and riding.
- Intelligent charger: With the fully automatic portable design, no monitoring is needed during charging. It can be charged for used with 220V AC power supply.
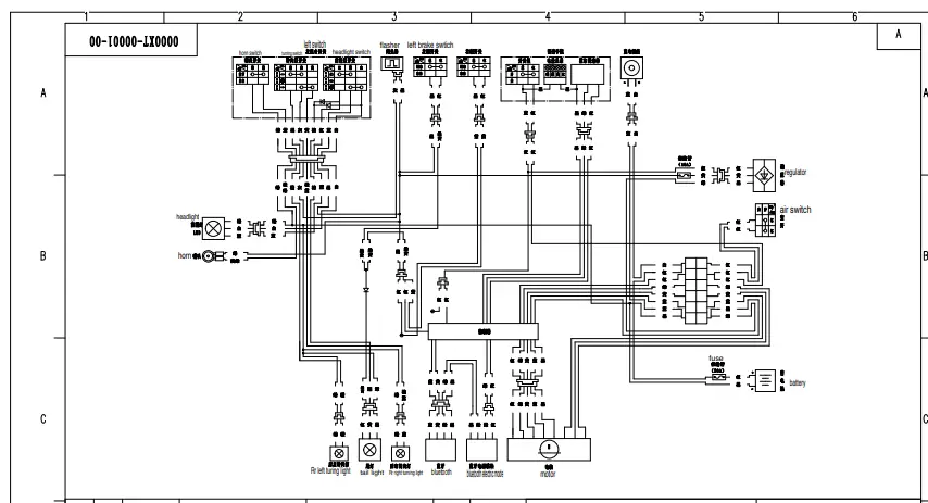
Name of Parts of the Complete Vehicle and Outline Drawing
Main Technical Parameters
Main Technical Parameters of the Complete Vehicle
- Overall dimensions: 1756×700×1200mm
- Wheel base: 1296mm
- Seat height: 700mm
- Complete vehicle weight: ≤40Kg
- Tyre specification: 18×9.5-8
- Maximum load capacity: 75Kg
- Designed maximum speed: ≤20Km/h
- Driving mileage: 40~60Km
- Maximum torque: 95n/m
- Maximum gradeability: ≤20°
- Brake performance (20KM/H speed): Dry state: ≤1m; wet state: ≤3m
Main Technical Parameters of the Storage Battery
- Battery type: Power lithium battery
- Capacity: □12Ah □15Ah □20Ah □ 25Ah
- Nominal voltage: □ 60V □72V
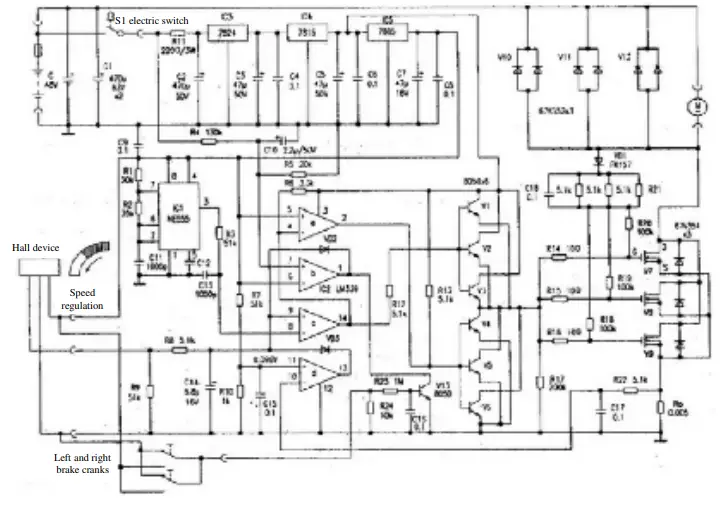
Main Technical Parameters of the Motor
- Motor model: Brushless DC hub motor
- Rated power: □500W □800W 1000W
Main Technical Parameters of the Controller
- Current limiting protection value: ≤25±1A
- Undervoltage protection value: 52±0.5V
Main Technical Parameters of the charger
- Input voltage (AC): AC140~240V 50/60Hz
- Output voltage (DC):71.4±0.4V
- Charging time (depending on the residual electricity): 6~8h
Note: The above parameters will be changed without further notice. For details of vehicle models, see the company’s technical parameter database!
Operation Methods and Precautions
Precautions for Safe Driving
- Please follow the traffic rules and ensure safe driving. The speed is recommended to be controlled within the safe range (note that the safe speed shall be controlled within 20Km/h).
- Before driving, be familiar with the content of the Specification, and then find an empty field for exercise. Please be sure to fully learn the driving essential and be familiar with the structure and performance of the electric bike, this is the foundation of safe driving.
- Don’t lend the electric bike to the person unfamiliar with it and the person can’t drive for use. Single hand driving or handlebar release or drunk driving is very dangerous.
- Please pay special attention to safety in case of driving in rainy and snowy days: Rainy and snowy days will bring danger due to the damp ground! Therefore, it is necessary to avoid high speed driving and be cautious during turning. Please remember to brake the electric bike in advance in rainy and snowy days to prevent accidents!
- Correct use of helmet: Put a helmet on the head and fasten straps during driving.
- Correct dressing: Don’t wear tights, and ensure that the whole body can move freely. Ensure that clothes are with closed cuffs and shoes are with low heels. Attention: In order to facilitate maintenance, repair and service, our automobiles will have frame number and motor number to help the distribution unit provide better service. The frame number is marked on the base plate of the automobile and the motor number is marked on the motor shell cover.
- The cargo can’t be too heavy: The maximum carrying capacity of the electric bike is 100Kg. The handlebar will have different control feelings during load and noload, and too high load will make the handlebar easy to vibrate and become dangerous. The stable load of the electric bike is 1 person, and it will be very dangerous if its front pedal is used to carry cargo and person.
Correct Operation Method
Driving method
- You can have a free driving if keeping a natural posture.
- Driving with sitting posture: Please sit in the middle of the seat cushion to avoid dangers due to the front wheel load reduction and, handlebar vibration.
- Driving with standing posture: It is necessary to slowly turn the rolling handle during acceleration to avoid dangers due to the driver’s gravity center instability owing to sudden acceleration.
- Please drive the electric bike slowly on the damaged road or the road paved with crushed stones.
- The pavement will be wet and easy to slide in rainy and snowy weathers, please focus on driving slowly. When the battery box below the pedal is submerged in accumulated water on the pavement, please don’t ride the electric bike to avoid burning electric appliances due to short circuit. In such case, the brake performance will be reduced and the accident will easy occur.
Parking method
- When parking, please pay attention to vehicles and pedestrians around and slowly park the electric bike at the right side of the flat pavement, which can’t be parked on the ramp.
- After the electric bike is stably parked, turn the power lock rightwards and remove it, and then will lock the electric bike with locks.
- Operation method of the electric quantity indication: Switch on the lock and the voltage indicator lamp will be on. In case of full charging, the green, blue and yellow lamps will be on. If the green lamp is off, it means that the electric quantity is only 60% of the rated capacity; if the blue lamp is off, it means that the electric quantity is only 40% of the rated capacity; if the yellow lamp is off, it means that the battery runs out. Therefore, when you find out that the blue lamp is off, you shall immediately charge the battery.
- Operation method of the power lock: Rotate the power lock key clockwise by one gear, it can be switched on and the motor can be started. During driving, the key can’t be removed and the power supply can’t be turned off. In addition, it is also not allowed to rotate the power lock counterclockwise to switch it off or turn off the power motor to stop rotation. After parking, the power lock shall be rotated counterclockwise to turn off the power supply and remove the key.
- Rolling handle (speed regulation handle):
The electric bike will be accelerated if the handle is rotated towards the driver’s direction; otherwise, the electric bike will be decelerated. After reset, power supply to the motor will be stopped. - Operation method and precautions for the disc brake
- Operation method of the disc brake
- Brake clearance adjustment: Rotate the adjusting screw by 2mm internal hexagonal wrench (between the brake handle and the handlebar tube) and adjust the gap between the brake pad and the brake disc, until you have a comfortable hand feeling.
- After the brake pad is used for every six months, or its wear is larger than 1mm or the brake pad adjusting screw on the brake handle can’t be adjusted, it shall be replaced. When replacing the brake pad, press in one brake pad with a clean slotted screwdriver to empty the space to take another piece. After replacement of the new brake pad, the brake pad adjusting screw on the brake handle shall be returned to the proper position (the position where you have a comfortable hand feeling).
- Running-in period: The running-in of the disc brake surface needs a certain time; after complete running-in, the brake force will be increased obviously. In the first week, the new brake is in the running-in period, it is not allowed to forcibly apply the brake; otherwise, the brake pad and the brake will be irreversibly damaged. The correct operation method is to slightly engage the brake for normal driving and keep a proper friction between the brake pad and the disc brake disc.
- Oil change: The disc brake is applied with mineral oil. When feeling the brake handle fatigue, oil shall be changed (usually 2~3 years) by means of suction with the injector suction pipe.
- Precautions
- Don’t apply lubricating oil to the disc brake disc, brake pad and places near calipers. Do not touch the disc brake disc and brake pad surface directly by hand; otherwise, the brake performance will be significantly reduced.
- The new brake shall not be sprayed with water to avoid polluting the brake pad by a small amount of lubricating oil in the assembly gap.
- The oil pressure disc brake has strong brake force, so you need more exercises in a safe place, so as to adapt to its difference with common brake. Avoid forcibly applying the brake, which will cause injury due to uncontrolled wheel owing to locking.
- Operation method of the disc brake
- Operation method and precautions for the charger
- Operation method:
- During charging, insert the battery box plug firstly, and then insert the commercial electricity AC220V plug. After charging, firstly remove the commercial electricity AC220V plug, and then remove the battery box plug;
- During normal charging, the charger indicator lamp will show red; after full charging, the charger indicator lamp will show green;
- If the charging temperature is too high, the red lamp will flash and the charger will be in a temperature protection state. Please move the charger to a cool and ventilated place. When the internal temperature of the charger reaches 60℃, recover normal charging.
- If no battery is connected during use, the charger output is the pulse voltage smaller than 42V. During the test, apply 1KΩresistance load between positive and negative output terminals, and the actual charging voltage of the charger can be tested.
- Precautions
- The charger can only be used indoors.
- No charging can be carried out in the sealed space or under the scorching sun and high temperature environment. The charger can’t be placed in the seat cask or the trunk for charging.
- It is not allowed to connect the noload charger with AC power supply for a long time under the uncharging state.
- If the indicator lamp is abnormal and becomes smelly or the charger shell is overheated during charging, charging shall be immediately stopped and the charger shall be repaired or replaced.
- It is not allowed to remove or replace the device in the charger without permission.
- It is not allowed to charge the nonrechargeable battery.
- It can’t be used in a combustible gas environment, which may cause explosion or fire.
- Don’t make the charger near water or wet, which may cause fire or electric shock.
- When the charger is damaged and internal parts are exposed due to collision, please don’t touch it by hand, for it may cause an electric shock.
- Operation method:
- Operation method and precautions for the battery
- Charging
- Be sure to use our specially equipped charger for charging. Irregular or unqualified charger may shorten the battery service life or make it failed!
- The completely discharged battery (after stop the electric bike) can be charged by more than 95%within 5h, and it can be charged by 100% within 8h.
- During charging, it is not allowed to contact positive and negative terminals directly with metal.
- During the product delivery, the charge is about 80%. The new electric bike shall be recharged for 3~10h before use.
- If the electric bike is not used for more than 1 month, the battery charge capacity will be reduced by about 5%. It is recommended to charge it before use.
- Please charge it timely to ensure the driving mileage.
- The charger will become hot during charging, which is normal if the temperature is not higher than 60℃.
- Please put the charger and the electric bike in a stable and dry place without inflammable and explosive articles which can’t be touched by children during charging.
- The battery shall be charged within 24h after complete discharge, and the charging time shall not be shorter than 3h.
- The charging port shall not be short circuited.
- Discharging (use)
- The battery can only be used for this type of electric bike, which shall not be used for other purpose; otherwise, it will not be covered by warranty.
- In case of short circuit, the battery management system will be protected automatic ally and the fuse piece composed of series-wound power lines will be fused for double protection of your battery. The battery can work normally within about 2 minutes after short circuit release and fuse piece replacement.
- Damage or unreasonable configuration of the controller, motor, horn and lighting equipment of the electric bike will bring large current discharge of the battery. In such case, the battery will protectively stop output, but it will be recovered within 10 seconds, and it will not affect your riding.
- The battery operation temperature range: -10℃~55℃, which is same as that of other battery. With temperature reduction, the battery energy use will also be reduced, which is normal.
- The discharge port can’t be short circuited.
- Storage
- In case of a long time storage (more than 1 month), it is recommended to charge the battery by 60%~80%. The battery shall be recharged every three months during the storage period, which shall also be recharged before use.
- The battery shall be placed in a cool and dry environment.
- The positive and negative electrodes of the conducting object can’t be directly connected during storage.
- The battery shall not be used near the fire source.
- It is not allowed to disassemble the battery.
- It is not allowed to retrofit the battery.
- Warning
- If discovering that the battery becomes deformed or hot, it shall not be used anymore. It is also necessary to ask for help from the company or the maintenance department.
- In case of fire, it is not allowed to extinguish fire on the battery with water directly. It is recommended to select sand covering, foam fire extinguisher, thick fabric saturated with water, and other fire extinguishing method for organic solvent processing.
- The battery fault due to delayed charging of the incompletely discharged battery will not be covered by warranty.
- The battery can’t be randomly discarded.
- Charging
Checking, Cleaning and Maintenance:
Regular or daily checking item
- Please ensure to check the electric bike in a safe position.
- Check whether the abnormal position of the previous day will affect operation.
- The brake effect of the brake: Check whether the brake handle can be moderately applied, whether the gap is proper, and whether it can be normally braked.
- Check whether the tyre has crack, damage, abnormal wear or it is embedded with metal, stone, glass and other sharp objects. Check the tyre groove depth. The tyre shall be replaced when the bump on the tyre has been worn out by 2/3. According to the sag of the tyre contact with the ground, check the tyre pressure. The normal pressure value of both front and rear tyres is 1.5 kg/cm2.
- Check whether the power supply voltage indicates complete charging (check it according to Article 3 of Item II in Chapter 4).
- Steering system checking: Check upper, lower, front, rear, left and right rolling handlebars and front fork for moderate elasticity and flexible steering; check whether it has a clattering sound, and check whether the steering system has looseness, knocking sound and other problems. If these problems exist, please contact the dealer to provide you with the most perfect after-sales service.
- Check whether the front and rear axle are loose.
Common Fault and Troubleshooting Method
| No. | Fault Phenomenon | Fault Reason | Troubleshooting Method |
|
1 | The speed regulation fails or the maximum speed is reduced | ①. The battery voltage is too low; ②. The speed regulation rolling handle is damaged; ③. The spring of the speed regulation rolling handle is stuck or fails | ①. Completely charge the battery; ②. Find a dealer and ask for a replacement; ③. Find a dealer and ask for a replacement; |
|
2 | The motor doesn’t work after connecting power supply | ①. The battery connecting line is loose; ②. The speed regulation rolling handle is damaged; ③. The motor output line plug-in component is loose or damaged; | ①. Repair and reconnect it; ②. Find a dealer and ask for a replacement; ③. Find a special maintenance station and ask for repair; |
|
3 |
The continuous range is insufficient after one time charging | ①. The tyre pressure is insufficient; ②. The charging is insufficient or the charger has fault; ③. The battery is aged or damaged; ④. There are a number of uphill operations, strong contrary wind, frequent brake start, and high load; | ①. Sufficiently pressurize the tyre; ②. Completely charge it or replace the charger; ③. Replace the battery; ④. It will become normal after changing riding conditions |
| No. | Fault Phenomenon | Fault Reason | Troubleshooting Method |
|
4 |
The charger can’t be recharged | ①. The charger socket is loose or the connection between the plug and the socket is loose; ②. The fuse of the battery box is burnt out; ③. The battery set wiring is loose; | ①. Fasten the socket or the plug-in component; ②. Replace the fuse of the battery box; ③. Properly weld the connecting line; |
|
5 |
Other fault | ①. When the fault can’t be judged occurs; ②. When the motor, battery, controller, charger, etc. have internal damages; | Please find a dealer or a professional maintenance station and ask for repair, and it is not allowed to open above parts without permission. Otherwise, it will not be covered by our warranty. |






















