AUTEL W12-H MaxiCharger AC Wallbox Home
IMPORTANT:
Before operating or maintaining this equipment, please read these instructions carefully, paying extra attention to the safety warnings and precautions. Failure to use this product properly may cause damage and/or personal injury and will void the product warranty.
WARNING
- This equipment should only be installed by a licensed electrician in accordance with all local codes and ordi-nances.
- This equipment must be grounded through a permanent wiring system or an equipment-grounding conductor.
- Do not install or use this equipment near flammable, explosive, harsh, or combustible materials, chemicals or vapors.
- Children should be supervised when around this equip-ment.
- Do not insert fingers or foreign objects into the electric vehicle connector.
- Do not use the equipment if the flexible power cord or EV cable is frayed, broken or otherwise damaged, or fails to operate.
- Do not use the equipment if the enclosure or the EV connector is frayed, broken or otherwise damaged, or fails to operate.
- Use 90 °C wire copper conductors only.
- Do not operate the equipment outside its operating tem-perature range of -40 to 131 °F (-40 to 55 °C).
- Incorrect installation and testing of the equipment could potentially damage the vehicle’s battery, components, and/or the equipment itself.
- Handle the equipment with care during transportation. Do not subject it to strong force or impact or pull, twist, tangle, drag or step on the equipment, to prevent damage to it or any components.
Product Overview
Maxi Charger AC Wall box Home
- LED Indicators (from left to right)
- Power LED
- Internet Connection LED
- Charging LED
- Bluetooth Connection LED
- RFID LED
- EV Charging Cable
- Bottom AC Inlet Hole



- Bottom Ethernet Cable Port
- Mounting Screws
- Rear AC Inlet Hole
- Rear Ethernet Cable Port
- Product Label

- RJ45 Port
- RS485 Port — connects the RS485 cables
- Current Selector — adjusts the current for the charger
LED Indicators
| LED | Description |
| Power LED |
|
| Internet Connection LED | • Solid Green: The charger is connected to the backend of the charging management system. • Not Illuminated: The charger is not connected to the backend of the charging management system. |
| Charging LED |
|
| Bluetooth Connection LED |
|
| RFID LED |
|
Getting Started
Preparing for Installation
Location
- Install your charger on a flat and vertical surface capable of supporting its weight (e.g., a finished wall or pedestal). The maximum weight of a MaxiCharger AC Wall box Home is approximately 6.7 kg (14.8 lbs.).
- Install the charger in a location that allows the charging cable to remain within its bending tolerance.
- Position the charger in a location where it is not vulnerable to being damaged.
Positioning
- Determine the desired charging amperage and if the desired circuit rating requires a hardwired circuit. Choose based on the electrical capacity in the panel, the desired speed of charging, and whether the user prefers a NEMA plug-in or hard-wired installation.
Circuit Rating Max Load Estimated Range per Hour NEMA Plug-in Hardwire 50 A 40 A Up to 38 miles/61 km yes yes 40 A 32 A Up to 30 miles/48 km yes yes IMPORTANT:
A NEMA plug-in installation is only allowed with a 50 amp circuit.
The MaxiCharger AC Wallbox Home can also be wired for higher amperages. Consult all applicable codes for breaker and wire sizing requirements. The field-wiring terminal is rated to 105 ˚C and accepts a maximum of 16 mm² (6 AWG) wire.Circuit Rating Max Load Estimated Range per Hour NEMA Plug-in Hardwire 80 A 50 A Up to 45 miles/72 km no yes 70 A 50 A Up to 45 miles/72 km no yes - For NEMA plug-in installation, determine the purchased plug type, either a NEMA 6-50 or 14-50 plug.
- Ensure the electrical panel supports a 240 V dedicated circuit with a new, dedicated, and non-GFCI two-pole circuit breaker, in accordance with local codes and ordinances.
- The recommended installation height is between 51 and 67 inches (1300 and 1700 mm). For NEMA plug-in installation, the NEMA outlet should be located at least 18 inches (460 mm) from the ground adjacent to the position where the charger will be mounted.
NEMA Plug-in Version Hardwire Version
Installing the Charger
IMPORTANT: Switch off all electrical power prior to installation.
NEMA Plug-in Installation
- To find the ideal mounting height of the charger:
DANGER: Risk of shock. Turn off the power to the outlet at the circuit breaker until the installation is completed.- Find the wall stud nearest to the NEMA outlet using a wall stud finder. Draw a vertical line of approximately 20″ (50 cm) in line with the wall stud.
- Plug the NEMA cable into the outlet, and position the charger centered on the vertical line. Ensure that the NEMA cable has a slight curve and is not stretched.
- Mark a horizontal line at the bottom of the charger.
- Unplug the charger.

- Find the wall stud nearest to the NEMA outlet using a wall stud finder. Draw a vertical line of approximately 20″ (50 cm) in line with the wall stud.
- Place the wall dock with the bottom edge aligned with the horizontal line and the center holes aligned with the vertical line. Mark the two lower mounting holes (A) and remove the wall dock.

- Drill two 5/16″ holes and insert two 5/16″ diameter wall plugs into the lower mounting holes.
- Attach the wall dock to the mounting location by screwing two M6 x 50 screws (B) into the lower mounting holes. Tighten the screws using the screwdriver type PH2.

- Attach the wall dock to the mounting location by screwing two M6 x 50 screws (B) into the lower mounting holes. Tighten the screws using the screwdriver type PH2.
- Attach the charger to the wall dock by inserting the mounting screws (D) on the back of the charger into the two upper mounting holes (C). Slide the charger downwards.

- Screw the M5 x 12 screw (E) into the hole at the bottom of the charger and tighten the screw to secure the charger using the screwdriver type T25.

Hardwired Installation
The Maxi Charger AC Wall box Home supports both rear entry and bottom entry wiring. Choose the most appropriate wiring entry for your charger based on the placement of the wiring.
IMPORTANT:
- Both the rear entry and bottom entry locations are on the left side of the charger. Ensure that you mount your charger in a location where the power supply wiring can be easily accessed on the left side.
- The rear entry wiring and rear entry Ethernet cable connection should be completed prior to mounting the charger to the wall dock.
Placement
- Find the wall stud nearest to and on the right side of the power supply wiring using a wall stud finder.
- Draw a vertical line of approximately 20″ (50 cm) in line with the wall stud at the approximate height of your mounting.

- Place the wall dock with the center holes aligned with the vertical line. Mark the two lower mounting holes (A) and remove the wall dock.

Mounting the Wall Dock
- Drill two 5/16″ holes and insert two 5/16″ diameter wall plugs into the lower mounting holes.
- Attach the wall dock to the mounting location by screwing two M6 x 50 screws (B) into the lower mounting holes. Tighten the screws using the screwdriver type PH2.

Preparing for Installation
Remove the covers from the charger by removing the screws using the screwdriver type T10.
Removing the NEMA Cable (Optional)
In case you need to replace the NEMA cable with a Hardwire, remove the NEMA cable by unscrewing the terminal screws per the diagram. Then loosen the cable gland and pull down the NEMA cable.
Power Supply Wiring
IMPORTANT:
- Use copper conductors only with the wire size of 6 AWG (16 mm²).
- Ensure that the screws for the terminal blocks are properly tightened.
- Ensure that there is no copper wire or debris left inside of the charger before switching on the electrical power to the charger.
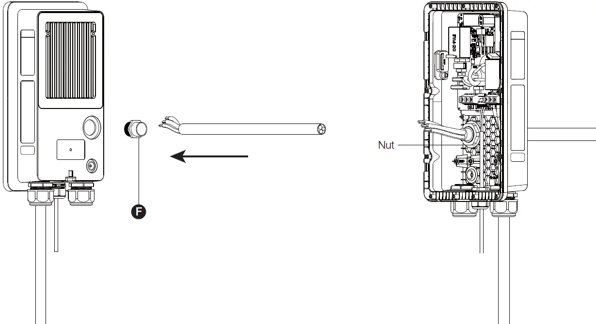
- Rear Entry:
- Remove the rear entry power conduit plug from the charger and replace it with the 3/4” conduit fitting (F).
- Insert the AC input cable into the conduit fitting and attach the conduit fitting to the charger.
- Screw the nut into the conduit fitting.

- Remove the lower-left cable gland and install the bottom entry power conduit plug (G) to the charger.
NOTE: The conduit fitting is not included.
- Bottom Entry:
Insert the AC input cable into the inlet hole (H).
- Strip the wires to 1/2″ (12 mm).
- Connect the wires (L1, L2, and Ground) per the diagram and tighten each connector screw to 2 N·m (17.7 in·lbs).
- Reinstall the covers and tighten the screws.

Refer to Step 4 and Step 5 in NEMA Plug-in Installation to finish mounting the charger.
Adjusting the Rated Current
The Maxi Charger AC Wall box Home allows you to manually set a lower maximum current using a current selector when installing your charger on a circuit rated lower than the maximum rating for your charger.
- Remove the covers and locate the current selector.
- Use a flathead screwdriver to set the rotary switch to the appropriate position per the diagram below.
NOTE: When the rotary switch is at 0, 7, 8 or 9, the corresponding amperage will still be 16, 50, 50, and 50, respectively.Position
Amperage Circuit Breaker Rating
0
Not in Use N/A 1 16 20
2
24
30
3 32 40
4
40 50 5 48 60
6
50 70 7 Not in Use N/A
8
Not in Use N/A 9 Not in Use N/A
- When the current of your charger is set lower than the maximum rating, choose the correct current value from the Amperage Label and affix it over the existing label on the charger.
CAUTION:
To reduce the risk of fire, only connect your charger to a circuit with a branch circuit over-current protection of 125% of the selected maximum amperage setting of the device in accordance with ANSI/NFPA 70 (US) C22.2 NO 280 13 (Canada).
Installing the Holster
NOTE: Place the holster on a location where no tension is applied to the charging cable.
- Place the wall dock on the wall and level it using a spirit level.
- Mark the three mounting holes (I) with a pencil and drill three 5/16″ holes.
- Insert three 5/16″ diameter wall plugs (J) into the holes.
- Attach the wall dock to the mounting location by screwing three M6 x 50 screws (K) into the holes. Tighten the screws using the screwdriver type PH2.

- Align the three connecting points (M) of the holster with the installation slots (L). Make sure they are connected securely.
- Screw the M5 x 12 screw (N) into the hole at the bottom of the holster and tighten the screw to secure the holster using the screwdriver type T25.

- Drape the charging cable over the top of the charger or holster and dock your EV connector in it.

Using the Autel Charge App
- Find your 8-digit PIN code on the right.
- Scan the QR code below to download the Autel Charge app from the Google Play or App Store.
- Open the Autel Charge app and select a desired function to start.
FCC regulatory conformance:
This device complies with Part 15 of the FCC Rules. Operation is subject to the following two conditions:
- This device may not cause harmful interference.
- This device must accept any interference received, including interference that may cause undesired operation.
NOTE: This equipment has been tested and found to comply with the limits for a Class B digital device, pursuant to part 15 of the FCC Rules. These limits are designed to provide reasonable protection against harmful interference in a residential installation.
This equipment generates uses and can radiate radio frequency energy and, if not installed and used in accordance with the instructions, may cause harmful interference to radio communications. However, there is no guarantee that interference will not occur in a particular installation. If this equipment does cause harmful interference to radio or television reception, which can be determined by turning the equipment off and on, the user is encouraged to try to correct the interference by one or more of the following measures:
- Reorient or relocate the receiving antenna.
- Increase the separation between the equipment and receiver.
- Connect the equipment into an outlet on a circuit different from that to which the receiver is connected.
- Consult the dealer or an experienced radio/TV technician for help
NOTE: The manufacturer is not responsible for any radio or TV interference caused by unauthorized modifications to this equipment. Such modifications could void the user’s authority to operate the equipment.
RF Exposure
This equipment complies with FCC radiation exposure limits set forth for an uncontrolled environment. This equipment should be installed and operated with minimum distance of 20 cm between the radiator and your body. This transmitter must not be co-located or operating in conjunction with any other antenna or transmitter.
IC regulatory conformance
This device complies with CAN ICES-003 (B)/NMB-003(B).
This device contains licence-exempt transmitter(s)/receiver(s) that comply with Innovation, Science and Economic Development Canada’s licence-exempt RSS(s). Operation is subject to the following two conditions:
- This device may not cause interference.
- This device must accept any interference, including interference that may cause undesired operation of the device.
RF Exposure
This equipment complies with IC radiation exposure limits set forth for an uncontrolled environment. This equipment should be installed and operated with minimum distance of 20 cm between the radiator and your body. This transmitter must not be co-located or operating in conjunction with any other antenna or transmitter.
NOTE: The illustrations in this Installation Guide are for reference only. The appearance of the actual product may differ.

















NOTE: When the rotary switch is at 0, 7, 8 or 9, the corresponding amperage will still be 16, 50, 50, and 50, respectively.




















