FriFri 670125 Super Easy Built In Fryer

Models And Dimensions
| Type | L |
| 211 | 200.0 |
| 311 | 300.0 |
| 411 | 400.0 |
| 422 | 400.0 |


Weights and capacities
Type | 211 | 311 | 411 | 422 |
| Net weight without options (Kg) | 47 | 56 | 69 | 79 |
| Number of baskets | 1 | 1 | 1 / 2 | 2 |
| Filling qty per basket (Kg) | 0.9 | 1.5 | 2 x 0.9 | 2 x 0.9 |
| Frying oil qty at minimum level (l) | 7.5 | 12.5 | 17 | 2 x 7.5 |
| Frying oil qty at maximum level (l) | 9 | 15.4 | 20.5 | 2 x 9 |
| Production of frozen chips per hour (Kg) | 17 – 22 | 27-32 | 34 – 44 | 34 – 44 |
| Production of chilled chips per hour (Kg) | 20 – 25 | 30-35 | 40 – 50 | 40 – 50 |
Identification of the appliance
Every deep fryer is provided with a technical identification plate.
Always have this identification plate available when making enquiries to our customer services department.
Ambient conditions
| Type | 211-311-411-422 |
| Min Temperature ( °C ) | + 5 |
| Max Temperature ( °C ) | + 40 |
| Max humidity ( %) | 60 |
Voltages, types of connection and versions
Standard version three phase with neutral and earth
Voltage three-phase 3N~400 V 50/60Hz – 3L + N + PE
Special version three-phase without neutral
Voltage three-phase 3~230V 50/60Hz – 3L + PE
Mains fuses
| Type | 211 / 422 (422 with two supply cables) | 311 | 411 / 422 (422 with one supply cable) | |||
| Power | 7.5 KW | 11 KW | 11.4 | 15 KW | 15 KW | 22 KW |
| AC 230 V | 32.6 A | – | – | – | – | |
| 3AC 230V | 18.8 A | 27.6 A | 27.6 A | 37.65 A | 37.65 A | – |
| 3NAC 400V | 10.8 A | 15.8 A | 15.8 A | 21.7 A | 21.7 A | 31.6 A |
Electrical connection
This appliance must be installed, commissioned and serviced by a qualified person in accordance with national and local regulations in force in the country of installation.
a) Check that the specifications of the electrical mains correspond to those given on the rating plate. This plate is located on the power box beneath the tank.
b) Means of isolation with at least 3mm contact separation in all poles must be incorporated into the fixed wiring of this appliance. The fixed wiring insulation must be protected by insulated sleeking having a temperature range of at least 60 Deg C. Supply cords should be oil resistant, sheathed flexible cable not lighter than ordinary polychloroprene or equivalent elastomer sheathed cord (code 6024-IEC 57). If fitting a mains plug to the supply cable, it should correspond to the rated input of the appliance and should be accessible after installing the appliance
c)
An equipotential bonding terminal is provided to allow cross bonding with other equipment.
d) If the supply cord is damaged, it must be replaced by the manufacturer, its service agent or similarly qualified persons.
Safety regulations
The following warning symbols are fitted to the deep fryer as appropriate:
High voltage
Electric shock
Warning of dangerous electrical voltage Only authorized specialist personnel may carry out work on electrical installations.
Follow the specific technical safety instructions.
Always disconnect the appliance from the mains power before carrying out work on electrical installations, servicing or cleaning.
Hot surfaces / hot internal components
During operation parts may become hot. Avoid accidental contact.
Hot frying oil
Warning of hot frying oil which can lead to injuries. Always allow the hot frying oil to cool down before carrying out cleaning or service work.
Advice
The manufacturer has mounted warning symbols (stickers) at all the relevant positions on the appliance before delivery. If during operation or within the scope of cleaning work any of these warning symbols become detached the operator of the appliance is obliged to apply these warning symbols again immediately.
Specified use of the deep fryer
The appliance is exclusively intended for the frying of fresh and deep-frozen foods and whilst operating should not be left unsupervised. Any other use of the appliance is regarded as non-specified. The observance of the operating manual and the following of the maintenance and repair instructions from the manufacturer are also part of the specified use.
Specific warnings and instructions
WARNING
Do not attempt to move the appliance when the tank contains hot oil.
Do not use a water jet or steam cleaner and do not immerse this appliance.
Do not operate without first filling it with fat or frying oil to the maximum oil level mark.
During operation, maintain the oil level between the maximum and minimum oil level marks. Too little oil will result in the safety cut-out operating or the risk of ignition. Overfilling will cause surging or frothing over.
Used, contaminated frying oil is increasingly likely to ignite and also tends to froth over. If the frying oil ignites, do not attempt to extinguish it with water but use a fire extinguisher with a special filling (Halon) or a fire blanket.
CAUTION
If too much deep-frozen or wet frying product is put into the hot frying oil, frothing over may occur.
Overfilling the basket will also reduce the quality of the fried food. For safe draining or transferring the frying oil it must have cooled down to a temperature below 50 Deg C.
Never clean the elements with a steel brush or by burning off (dry operation). Improper cleaning of the elements will lead to the exclusion of the guarantee.
Personnel safety
WARNING
The personnel who operate and maintain the appliance must be trained in the correct operation and handling procedures, and must have read and understood the safety regulations in this operating manual before starting work on or with it.
Do not modify or remove safety devices. Do not remove warning symbols which may have been fitted to the appliance.
Replace missing or defective warning symbols.
Do not operate the appliance in a damaged condition. Report any irregulatities, especially those which affect safety, to your managers.
When servicing components, ensure that the appliance is disconnected from the mains power supply.
Always check all safety functions after completing service work.
Safety equipment
Apart from the warning symbols applied to the appliance it is also fitted with the following safety equipment:
Main switch
Safety contactor
Safety thermostat
Only those personnel who have been authorized for the respective work may work on and with this appliance. Personnel are seen as authorized if they fulfil the minimum training and knowledge requirements as listed in this section and have been assigned a fixed area of responsibility.
Area of responsibility of personnel
Owner/operator
The owner/operator is the person who is responsible for the specified use of the appliance and for the training as well as the tasks of the authorized personnel, including issuing directives to all personnel with respect to appliance operations.
Operator of the appliance
Operatorresponsibilities include:
Maintaining oil level in the appliance.
Loading the product and monitoring frying quality. Cleaning and filtering.
Identifying and reporting problems.
Maintenance personnel
Carry out maintenance and repair of the appliance according to the work described in Sections ‘Cleaning and Maintenance’
Are responsible for the dismantling, storing and disposal of the appliance.
Owner/operator
Should have relevant experience in assessing safety and in personnel management. Must understand the section “Safety regulations”.
Operator of the appliance
Must be instructed in the operation of the appliance and be aware of safety regulations.
Service personnel
Must have successfully completed the relevant training and be familiar with the servicing of the appliance. Servicing work on the electrical equipment of the appliance must only be carried out by suitably qualified personnel.
Duty of maintenance
The appliance must only be used when in an undamaged condition. Use original consumables and original spare parts as replacements whenever necessary. Always check the equipment for safety after maintenance and repair work.
Availability of operating manual
A copy of this operating manual must be available at all times to the personnel at the installation location.
Installation and starting up
Installation of the appliance
Read this part of the brochure carefully and get familiar with the necessary installation procedure. Check against the delivery documents that the appliance you have complies with the order.
Before you begin the installation, check against the enclosed packing list that you have all the necessary components.
Unpack the components and lay them out ready to use in the order you will need them.
If the fryer is built-in near another thermal element, make sure that the control box is ventilated. ( Max. Temperature inside the control box 60ºC )
There are two possible solutions to building-in the frying tank:
Installation of the frying tank with a frame directly integrated into the worktop
The cut out will be reduced by 10mm + the material thickness of the worktop. You will find the necessary cut out dimensions at a later stage in these instructions.
Installation of the frying vat with the supplied frame (See drawing at end for cutout information)
The frame supplied serves to fix the appliance as well as providing protection against penetration of humidity.

Installation of the controls
CONTROL PANEL CUTOUTS
OPTION 1
USING THE SUPPLIED FASCIA PLATE
OPATION 2
DRALING THE KITCHEN FASCIA PLATE
Warning: Make sure that the controls are well ventilated. ( Max. Temperature inside the controls 60ºC )
Warning: If installing from the rear, access for after sales service must be provided.
Operation
Remove any remains of packaging and strip plastic coating. Remove the lid of the tank. Take the basket out of the tank. Clean the appliance and the accessories with a non caustic cleaning agent, suitable for use in a food area. CLOSE THE DRAIN VALVE. Fill the tank with oil to the MAX. level or place the fat for frying on the heating elements. The MIN/MAX level is visible inside of the tank.
WARNING
The appliance is not equipped with a device to melt fat. When using fat for the first time, melt it beforehand in a separate saucepan.
The next time you use the fryer, proceed as follows:
Make a few holes in the solidified fat down to the level of the heating elements. Turn the thermostat knob to a maximum of 100°C. Heat for one minute, then turn the knob back to 0. Repeat this operation until the fat has become liquid.
Use of the fryer
Control panel

Use of the control panel
To turn the appliance on, rotate the temperature control clockwise so that the green neon illuminates.
To select the required frying temperature, continue to turn the knob in a clockwise direction. the amber neon will illuminate to show that the heating elements are working. Once the set temperature is reached, the amber neon will extinguish.
Turning off the appliance
Turn the temperature control to the “0” position;
Cleaning and maintenance
Cleaning intervals
NOTE
Only use non-caustic, non-abrasive cleaner.
Only use non-abrasive cleaning cloths.
Only use cleaners which are permitted in the food area.
Always carry out cleaning work only after the oil and the appliance have cooled down to a temperature level at which no scalding can occur.
| Cleaning area | Cleaning work |
| External surfaces and covers | Clean with damp cloth |
| Control panel | Clean with damp cloth |
| Fast coupling (option pump) | Cleaning agent / hot water |
| Frying tank | Cleaning agent / hot water |
| Heating element | Cleaning agent / hot water |
| Frying basket | Dishwashing / hot water |
| Frying basket holder | Dishwashing / hot water |
| Frying oil tank cover | Dishwashing / hot water |
| Internal surfaces and covers | Clean with damp cloth |
| Connecting cables | Clean with damp cloth |
| Oil receptacle container | Dishwashing / hot water |
| Deep fryer surrounds | Clean with hard and soft brushes and damp cloths and follow special instructions if necessary |
Frying oil change
| Filtration | Daily or according to the intensity of use |
| Exchange | According to the saturation |
Periodic checks
| Oil catchment container | Cleanliness, filling level |
| Frying oil quality | According to hygiene regulations |
| Frying tank | Cleanliness, settled frying residues |
| Drain pipe and fast coupling | Cleanliness, function, sealing after installation |
| Heating elements | Surface |
Maintenance
We recommend a regular maintenance service by an after sales service company, according to the intensity of use of the equipment.
| Occasional use | Less than 8 h per day | A maintenance service per year |
| Middle use | 8 to 12 h per day | One to two maintenance service per year |
| Intensive use | More than 12 h per day | One intermediate service as well as one basic service per year |
After sales service
In the case of a breakdown, contact your local dealer or the nearest repair center. However, firstly check:
- that the fuses have not gone
- if the electric plug is pushed right in
- if the appliance has been started correctly
- if the oil level is correct
Important
If you call the repair center, give the type and number of your appliance. You will find these on the small plate on the panel behind the door.
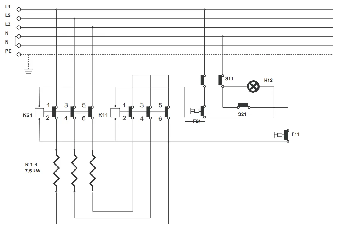
Electrical Diagram Super Easy 211
| 400V 3N | Super Easy – 7,5 kW | Visa | — |
| 3L + N + PE | Date | 27.07.2011 | |
| 50 – 60 hz | Index | 0 |

Electrical Diagram Super Easy 411
| 400V 3N | Super Easy – 2×7,5 kW | Visa | — |
| 3L + N + PE | Date | 27.07.2011 | |
| 50 – 60 hz | Index | 0 |

Electrical Diagram Super Easy 422
| 400V 3N | Super Easy – 2×7,5 kW | Visa | — |
| 3L + N + PE | Date | 27.07.2011 | |
| 50 – 60 hz | Index | 0 |

USE OF SOLID FATS
This unit is designed to be used with oils and fats in a liquid form.
Oils and fats that become solid at lower temperatures must be liquefied prior to dispensing into the fryer tank.
This instruction applies to both filling from empty and topping up during use.
On units with filtration the oil or fat used must also be liquid prior to operating the pump.




















