TB425FB Fire Alarm Box with Mounting Plate
Owner’s Manual
Material: Steel
Finish: Pregalvanized; Powder Coated
Color: Red![]()
FEATURES
- Used for mounting fire alarm devices and strobes
- Snap-on installation to Heavy Duty Telescoping Bracket allows for easy positioning along bracket
- Can also be mounted directly to metal studs
- For use with TB1624HD and TBTG (sold separately) for overhead T-Grid application
- Easily adjust for different depth wall and ceiling applications
- Screws inside fire alarm box allow for adjustment after drywall or ceiling tile installation, providing confidence to adapt to any situation
- Includes multiple knockouts on each side of the box
- Design provides built in far side support for minimum stub depths
- Powder coated inside and outside of box
- Includes depth stamps marked directly on the product for easy positioning
- Drop-wire attachment point
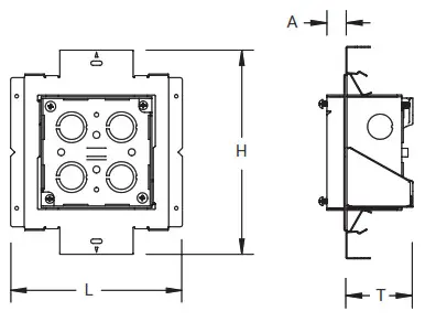
| Part Number | Minimum Stud Depth | Box Size | Box Depth | Knockout Sizes | Far Side Support Depth | Depth Adjustment A | Length L | Height H | Thickness T | Unit Weight |
| TB425FB | 2½” | 4″ | 2½” | ½”, ¾” | 2½” | ½” – 1¼” | 6.2″ | 7.36″ | 2.36″ | 1.40 lb |
| TB435FB | 3⅝” | 4″ | 3½” | ½”, ¾” | 3⅝” | ½” – 1½” | 6.2″ | 7.36″ | 3.36″ | 1.67 lb |

Our powerful portfolio of brands:
CADDY ERICO HOFFMAN RAYCHEM SCHROFF TRACER
©2023 invent.
All nVent marks and logos are owned or licensed by invent Services GmbH or its affiliates.
All other trademarks are the property of their respective owners.
nVent reserves the right to change specifications without notice.
nVent.com/CADDY
CADDY-DS-H87033-FIREALARMBOX-USEN-2302

















